SCHER-KHAN MAGICAR II представляет собой устройство автоматического управления на дальнем расстоянии (до 800 м) автомобилем посредством брелока-коммуникатора с жидкокристаллическом дисплеем и осуществления обмена информации между брелоком и автомобилем.

Перед использованием брелока необходимо привести его в рабочее состояние т.к. при транспортировке и хранении системы между контактом батареи и контактной пластиной брелока устанавливается изоляционная прокладка, исключающая разряд батареи. Перед началом эксплуатации брелока удалите её. Для этого, отведите фиксатор крышки батарейного отсека, нажмите на крышку и выдвиньте её в сторону противоположную антенне. Выньте батарейку. Удалите изоляционную прокладку между батарейкой и токосъёмной пластиной. Установите батарейку обратно, соблюдая полярность указанную на дне батарейного отсека. Закройте крышку батарейного отсека. Брелок готов к работе.
| Кнопки | Нажать | Действие |
|---|---|---|
| I | Один раз на 0,5 сек. | Постановка на охрану (с запиранием дверей)/ Снятие с охраны (с отпиранием дверей). Прекращение режима тревоги без снятия системы с охраны и без отпирания замков дверей. |
| I | На 2 сек. | Режим ПАНИКА. Звучит сирена и мигают габаритные огни 30 сек. Блокировка двигателя до снятия с охраны |
| II | Один раз на 0,5 сек. | Управление дополнительным устройством |
| II | На 2 сек. | Дистанционный запуск двигателя с брелока |
| III | На 2 сек. | Открывание багажника |
| IV | Один раз на 0,5 сек. | Опрос состояния автомобиля |
| IV | На 2 сек. | Включение или выключение автоматической подсветки дисплея брелока |
| I+II | Одновременно на 0,5 сек. | Режим бесшумной работы (выключение сирены) ВКЛ./ ВЫКЛ. |
| I+III | Одновременно на 0,5 сек. | Режим VALET ВКЛ./ ВЫКЛ. |
| I+IV | Одновременно на 0,5 сек. | Используется для входа в режим программирования. |
| II+III | Одновременно на 0,5 сек. | Виброзвонок ВКЛ./ ВЫКЛ. |
| II+IV | Одновременно на 0,5 сек. | Автоматический запуск двигателя по таймеру |
| III+IV | Управление вторым автомобилем ВКЛ./ВЫКЛ. |
Закройте двери, капот, багажник кратковременно нажмите на Кнопку I брелока, система перейдёт в режим охраны, замки дверей запрутся, активируется блокировка стартера до тех пор, пока система не будет снята с режима охраны брелоком или в режиме “VALET”.

| СИГНАЛ СИРЕНЫ: | Один сигнал |
| СИГНАЛ ГАБАРИТНЫХ ОГНЕЙ: | Вспыхнут один раз |
| СВЕТОДИОДНЫЙ ИНДИКАТОР: | Светодиодный индикатор начнет мигать с частотой 1 раз в секунду через 3 секунды после постановки на охрану и запирания дверей |
| ДИСПЛЕЙ: | Фары автомобиля мигнут пять раз, изображение закрытого замка мигнёт пять раз (на рисунке показано стрелкой) |
| СИГНАЛ БРЕЛОКА: | Один короткий сигнал |
Включение датчиков:

ПРИМЕЧАНИЕ:
Если при постановке в режим охраны Вы услышали три сигнала брелока, а на дисплее в течение 5 секунд мигает изображение открытой двери, то это значит, что в машине открыта дверь, капот или багажник.
Для автомобилей с механической коробкой передач:
Не выключая зажигание, закройте двери, капот, багажник и кратковременно нажмите на Кнопку I брелока, система перейдёт в режим охраны, замки дверей запрутся, активируется блокировка стартера до тех пор, пока система не будет снята с режима охраны брелоком или в режиме “VALET”.
Для автомобилей с автоматической коробкой передач:
Не выключая зажигание, на 2 секунды нажмите Кнопку II брелока, габаритные огни автомобиля вспыхнут один раз и далее включатся постоянно, выключите зажигание и выньте ключ, двигатель продолжит работать 15 – 45 минут (в зависимости от типа двигателя и программируемых функций). Чтобы остановить двигатель раньше, на 2 секунды нажмите Кнопку II брелока. Закройте двери, капот, багажник и кратковременно нажмите на Кнопку I брелока, система перейдёт в режим охраны, замки дверей запрутся, активируется блокировка стартера до тех пор, пока система не будет снята с режима охраны брелоком или в режиме “VALET”. При открывании двери, капота, багажника – система перейдёт в режим тревоги и двигатель будет остановлен.

| СИГНАЛ СИРЕНЫ: | Один сигнал |
| СИГНАЛ ГАБАРИТНЫХ ОГНЕЙ: | Вспыхнут один раз |
| СВЕТОДИОДНЫЙ ИНДИКАТОР: | Светодиодный индикатор начнет мигать с частотой 1 раз в секунду через 3 секунды после постановки на охрану и запирания дверей |
| ДИСПЛЕЙ: | Фары автомобиля мигнут пять раз, изображение закрытого замка мигнёт пять раз (на рисунке показано стрелкой) |
| СИГНАЛ БРЕЛОКА: | Один короткий сигнал |
Включение датчиков для автомобилей с механической коробкой передач:
Включение датчиков для автомобилей с автоматической коробкой передач:

ПРИМЕЧАНИЕ:
Если при постановке в режим охраны Вы услышали три сигнала брелока, а на дисплее в течение 5 секунд мигает изображение открытой двери, то это значит, что в машине открыта дверь, капот или багажник.
ВНИМАНИЕ!
Реле блокировки можно использовать только для блокировки стартера, это исключает возможность остановки двигателя автомобиля во время движения и включение стартера, если двигатель уже запущен.
Когда система находится в режиме охраны (двери заперты), нажмите на Кнопку I брелока. Система снимется с охраны, замки дверей отопрутся, блокировка стартера отключится.

| СИГНАЛ СИРЕНЫ: | Два (три, четыре) сигнала |
| СИГНАЛ ГАБАРИТНЫХ ОГНЕЙ: | Вспыхнут два (три, четыре) раза |
| СВЕТОДИОДНЫЙ ИНДИКАТОР: | Нет сигналов |
| ДИСПЛЕЙ: | Фары автомобиля мигнут пять раз, изображение открытого замка мигнёт пять раз (на рисунке показано стрелкой) |
| СИГНАЛ БРЕЛОКА: | Два, три или четыре коротких сигнала |

ПРИМЕЧАНИЕ:
Если в режиме охраны открыть дверь, капот, багажник, то система на 30 сек. перейдёт в режим тревоги. Сигналы габаритных огней и сирены будут длиться 30 секунд. Если за это время воздействие на датчики прекратится, двери, капот, багажник закрыты, то система по истечении 30 секунд вернётся в режим охраны. Если в режиме охраны сработает Зона 2 датчика удара (сильное воздействие), то система на 10 сек. перейдёт в режим тревоги. Сигналы габаритных огней и сирены будут длиться 10 секунд, При срабатывании Зоны 1 датчика удара или дополнительного датчика система не перейдёт в режим тревоги, а лишь выдаст серию коротких сигналов на сирену и габаритные огни. Вы можете прекратить режим тревоги коротким нажатием на Кнопку I брелока. Замки, при этом, не отопрутся и система перейдёт из режима тревоги в режим охраны.

| СИГНАЛ СИРЕНЫ: | Сигнал тревоги 30 или 10 сек. |
| СИГНАЛ ГАБАРИТНЫХ ОГНЕЙ: | Вспыхивают 30 или 10 сек. |
| СВЕТОДИОДНЫЙ ИНДИКАТОР: | Светодиодный индикатор начнет мигать с частотой 1 раз в секунду |
| ДИСПЛЕЙ: | Мигают изображения, в зависимости от причины тревоги. Возможные варианты указанны на рисунке стрелкой |
| СИГНАЛ БРЕЛОКА: | Прерывистый сигнал в течение 30 или 10 сек. Далее короткие сигналы 1 раз каждые 2 сек. (режим напоминания) |
Если брелок получил сигнал тревоги от блока, и Вы этого не заметили сразу, то брелок после передачи сигнала тревоги переходит в режим напоминания (короткими звуковыми сигналами и индикацией зоны, которая вызвала режим тревоги). Для прекращения режима напоминания кратковременно нажмите Кнопку IV брелока для проверки состояния автомобиля или Кнопку I для выхода из режима охраны и отпирания замков дверей.
При нажатии Кнопки I брелока на 2 секунды (в любом состоянии) система войдет в режим ПАНИКИ на 30 секунд. При этом звучит сирена, и блокировка стартера будет активирована до тех пор, пока система не будет снята с охраны брелоком или входом в режим “VALET”.
| СИГНАЛ СИРЕНЫ: | Сигнал тревоги 30 сек. |
| СИГНАЛ ГАБАРИТНЫХ ОГНЕЙ: | Вспыхивают 30 сек. |
| СВЕТОДИОДНЫЙ ИНДИКАТОР: | Светодиодный индикатор начнет мигать с частотой 1 раз в секунду через 3 секунды после постановки на охрану и запирания дверей |
| ДИСПЛЕЙ: | Нет сигналов |
| СИГНАЛ БРЕЛОКА: | Нет сигналов |
Режим ПАНИКИ используется в случае опасности или при необходимости привлечь внимание к автомобилю. Для его прекращения кратковременно нажмите на Кнопку I брелока. В этом режиме дверные замки заперты и активирована блокировка стартера.
Для реализации этой функции необходимо наличие соленоида замка багажника подключенного к соответствующему выходу микропроцессорного блока. Нажмите и удерживайте 2 секунды Кнопку III брелока, замок багажника откроется. Если система находится в режиме охраны (двери заперты), то система снимется с охраны, двери отопрутся, блокировка стартера отключится.

| СИГНАЛ СИРЕНЫ: | Два (три, четыре) сигнала |
| СИГНАЛ ГАБАРИТНЫХ ОГНЕЙ: | Вспыхнут два (три, четыре) раза |
| СВЕТОДИОДНЫЙ ИНДИКАТОР: | Нет сигналов |
| ДИСПЛЕЙ: | Изображение открытой крышки багажника мигнёт пять раз, изображение открытого замка мигнёт пять раз (на рисунке показано стрелкой) |
| СИГНАЛ БРЕЛОКА: | Два коротких сигнала |
Для запуска двигателя на 2 секунды нажмите Кнопку II брелока, двигатель автомобиля запустится и будет работать 15 или 25 минут для бензинового двигателя и 25 или 45 минут для дизельного двигателя. Время работы двигателя программируется DIP переключателем на процессорном блоке системы.
В случае если запуск двигателя с первой попытки не произошёл, система повторит попытку запуска двигателя.
Система производит не более трёх попыток запуска, после чего переходит в дежурный режим. Если после трёх попыток запуска двигатель автомобиля не запустился, обратитесь на сервисную станцию для диагностики Вашего автомобиля.
Чтобы перевести управление с системы на замок зажигания, для начала движения, если двигатель автомобиля запущен дистанционно:

В момент запуска:
| СИГНАЛ СИРЕНЫ: | Один сигнал |
| СИГНАЛ ГАБАРИТНЫХ ОГНЕЙ: | Вспыхнут один раз |
| СВЕТОДИОДНЫЙ ИНДИКАТОР: | В соответствии с состоянием системы |
| ДИСПЛЕЙ: | Изображение габаритных огней вспыхнет пять раз, изображение закрытого замка вспыхнет пять раз, изображение дыма в задней части виртуального автомобиля вспыхнет пять раз (на рисунке показано стрелкой) |
| СИГНАЛ БРЕЛОКА: | Один короткий сигнал |
При удачном запуске:
| СИГНАЛ СИРЕНЫ: | Два сигнала |
| СИГНАЛ ГАБАРИТНЫХ ОГНЕЙ: | Вспыхнут два раза и на третий раз зажгутся постоянно, на всё время прогрева двигателя |
| СВЕТОДИОДНЫЙ ИНДИКАТОР: | В соответствии с состоянием системы |
| ДИСПЛЕЙ: | Изображение габаритных огней вспыхнет четыре раза, изображение закрытого замка вспыхнет пять раз, изображение дыма в задней части виртуального автомобиля вспыхнет пять раз (на рисунке показано стрелкой) |
| СИГНАЛ БРЕЛОКА: | Три двойных коротких звуковых сигнала |
Если Ваш автомобиль оборудован механической коробкой передач, то система SCHER-KHAN MAGICAR II, не позволит запустить двигатель автомобиля, если рычаг переключения скоростей находится не в нейтральном положении или не поднят рычаг ручного тормоза. Для этого служит режим резервирования.
Если Вы хотите, чтобы двигатель Вашего автомобиля запускался каждые 1, 3 или 24 часа для прогрева, необходимо воспользоваться функцией "Запуск двигателя по таймеру". Двигатель будет запускаться каждый раз через 1, 3 или 24 часа, если перед парковкой автомобиля был выполнен режим резервирования (для автомобилей с механической коробкой передач) или двигатель запущен. При каждом очередном запуске двигатель автомобиля будет работать от 15 до 45 минут для прогрева в зависимости от установленных функций и типа двигателя. Кратковременным, одновременным нажатием, Кнопок II+IV брелока можно включить или выключить режим запуска двигателя по таймеру. Индикацией включения запуска двигателя по таймеру, служит наличие соответствующего символа метки на жидкокристаллическом дисплее брелока. После включения режима автоматического запуска по таймеру двигатель запустится через установленное время, далее запуск будет происходить периодически через запрограммированные интервалы времени. Автоматический запуск будет приостановлен, если не выполнен режим резервирования, двигатель автомобиля запущен с ключа зажигания или дистанционно.

При включении запуска по таймеру:
| СИГНАЛ СИРЕНЫ: | Один сигнал |
| СИГНАЛ ГАБАРИТНЫХ ОГНЕЙ: | Вспыхнут один раз |
| СВЕТОДИОДНЫЙ ИНДИКАТОР: | В соответствии с состоянием системы |
| ДИСПЛЕЙ: | Изображение габаритных огней вспыхнет один раз, на экране исчезнет соответствующий символ (на рисунке показано стрелкой) |
| СИГНАЛ БРЕЛОКА: | Один короткий сигнал |
При выключении запуска по таймеру:
| СИГНАЛ СИРЕНЫ: | Два сигнала |
| СИГНАЛ ГАБАРИТНЫХ ОГНЕЙ: | Вспыхнут два раза |
| СВЕТОДИОДНЫЙ ИНДИКАТОР: | В соответствии с состоянием системы |
| ДИСПЛЕЙ: | Изображение габаритных огней вспыхнет два раза, на экране появится соответствующий символ (на рисунке показано стрелкой) |
| СИГНАЛ БРЕЛОКА: | Два коротких сигнала |
Чтобы перевести управление с системы на замок зажигания, для начала движения, если двигатель автомобиля запущен автоматически:
ПРИМЕЧАНИЕ:
Если Ваш автомобиль оснащён механической коробкой передач или автоматической коробкой передач без нейтрального предохранительного выключателя (запуск двигателя возможен когда рычаг коробки передач находится не положении “НЕЙТРАЛЬ” или “ПАРКОВКА”), автомобиль должен быть поставлен на охрану с соблюдением определённого порядка:
Если при попытке запуска, запуск двигателя не происходит:
ВНИМАНИЕ!
Если работа системы отличается от описанной в этом пункте, обратитесь в сервисный центр
При передаче автомобиля другому лицу или на сервисный центр, есть возможность долговременного отключения автоматического или дистанционного запуска двигателя. Для отключения запуска переведите сервисный выключатель в положение ВКЛ (ON). В этом случае при попытке дистанционного запуска с брелока или по таймеру, система будет себя вести также, как если не был выполнен режим резервирование для автомобилей с механической коробкой передач или автоматической коробкой передач без нейтрального предохранительного выключателя или нажата педаль тормоза в автомобилях с автоматической коробкой передач. Для включения возможности дистанционного или автоматического запуска двигателя переведите сервисный выключатель в положение ВЫКЛ (OFF).
ВНИМАНИЕ!
Сервисный выключать может быть установлен в любом удобном для пользования месте, не забудьте выяснить место его расположения на сервисном центре, где была установлена система.
Если Вам необходимо проверить состояние Вашего автомобиля в данный момент, кратковременно нажмите Кнопку IV брелока.

| СИГНАЛ СИРЕНЫ: | Нет сигналов |
| СИГНАЛ ГАБАРИТНЫХ ОГНЕЙ: | Вспыхнут пять раз |
| СВЕТОДИОДНЫЙ ИНДИКАТОР: | В соответствии с состоянием системы |
| ДИСПЛЕЙ: | Изображение габаритных огней вспыхнет пять раз, изображение закрытого/открытого замка вспыхнет пять раз, если открыта дверь, включено зажигание, то изображение соответствующей зоны вспыхнет пять раз (на рисунке показано стрелкой) |
| СИГНАЛ БРЕЛОКА: |
|
Вы можете отключить сигналы сирены, при этом сигналы брелока и сигналы габаритных огней будут работать как обычно. Кратковременным, на 0,5 секунды, одновременным нажатием Кнопок I+II брелока можно включить или выключить сигналы сирены. Индикацией включения сирены служит соответствующего символа на жидкокристаллическом дисплее брелока.
ВНИМАНИЕ!
Рекомендуется всегда в ночное время отключать сигналы сирены.

При включении сирены:
| СИГНАЛ СИРЕНЫ: | Два сигнала |
| СИГНАЛ ГАБАРИТНЫХ ОГНЕЙ: | Вспыхнут два раза |
| СВЕТОДИОДНЫЙ ИНДИКАТОР: | В соответствии с состоянием системы |
| ДИСПЛЕЙ: | Изображение габаритных огней вспыхнет два раза, на экране появится соответствующий символ (на рисунке показано стрелкой) |
| СИГНАЛ БРЕЛОКА: | Два коротких сигнала |
При выключении сирены:
| СИГНАЛ СИРЕНЫ: | Один сигнал |
| СИГНАЛ ГАБАРИТНЫХ ОГНЕЙ: | Вспыхнут один раз |
| СВЕТОДИОДНЫЙ ИНДИКАТОР: | В соответствии с состоянием системы |
| ДИСПЛЕЙ: | Изображение габаритных огней вспыхнет один раз, на экране исчезнет соответствующий символ (на рисунке показано стрелкой) |
| СИГНАЛ БРЕЛОКА: | Один короткий сигнал |
Для временного отключения всех функций системы, при передаче машины на сервисную станцию для обслуживания или другому лицу, Вы можете воспользоваться режимом "VALET", для чего кратковременно нажмите Кнопки I+III брелока. Между тем в режиме “VALET” Вы можете управлять запиранием и отпиранием замков дверей. Для запирания или отпирания замков кратковременно нажмите Кнопку I.

При включении режима "VALET":
| СИГНАЛ СИРЕНЫ: | Один сигнал |
| СИГНАЛ ГАБАРИТНЫХ ОГНЕЙ: | Вспыхнут один раз |
| СВЕТОДИОДНЫЙ ИНДИКАТОР: | Нет сигналов |
| ДИСПЛЕЙ: | Изображение габаритных огней вспыхнет один раз, на экране появится соответствующий символ, все остальные символы погаснут (на рисунке показано стрелкой) |
| СИГНАЛ БРЕЛОКА: | Один короткий сигнал. |
При выключении режима "VALET":
| СИГНАЛ СИРЕНЫ: | Два сигнала |
| СИГНАЛ ГАБАРИТНЫХ ОГНЕЙ: | Вспыхнут два раза |
| СВЕТОДИОДНЫЙ ИНДИКАТОР: | Нет сигналов |
| ДИСПЛЕЙ: | Изображение габаритных огней вспыхнет два раза, на экране исчезнет соответствующий символ, появятся все остальные символы, которые были до включения режима “VALET” (на рисунке показано стрелкой) |
| СИГНАЛ БРЕЛОКА: | Два коротких сигнала |
В случае потери или порчи брелока, Вы можете отключить систему с помощью замка зажигания. Для этого:
| СИГНАЛ СИРЕНЫ: | Нет сигналов |
| СИГНАЛ ГАБАРИТНЫХ ОГНЕЙ: | Вспыхнут один раз, а через 6 секунд ещё два раза |
| СВЕТОДИОДНЫЙ ИНДИКАТОР: | Нет сигналов |
| ДИСПЛЕЙ: | Нет сигналов |
| СИГНАЛ БРЕЛОКА: | Нет сигналов |
Существует два варианта для выхода из режима аварийного отключения системы:
Вариант 1:
Если у Вас имеется дополнительный брелок, коду которого обучена система. Кратковременно нажмите Кнопки I+III брелока.
| СИГНАЛ СИРЕНЫ: | Два сигнала |
| СИГНАЛ ГАБАРИТНЫХ ОГНЕЙ: | Вспыхнут два раза |
| СВЕТОДИОДНЫЙ ИНДИКАТОР: | Нет сигналов |
| ДИСПЛЕЙ: | Нет сигналов |
| СИГНАЛ БРЕЛОКА: | Два коротких сигнала |
Вариант 2:
Если у Вас нет дополнительного брелока, коду которого обучена система, обратитесь в сервисный центр для приобретения нового брелока и обучите систему его коду (См. пункт “Обучение системы коду нового брелока”).
При получении сигнала от микропроцессорного блока или при выполнении каких-либо операций, автоматически включается подсветка дисплея.
Вы можете включить или выключить режим автоматической подсветки. Для этого нажмите Кнопку IV брелока на 2секунды. Выключение режима автоматической подсветки может несколько продлить ресурс батареи брелока.

При включении автоматической подсветки дисплея:
| СИГНАЛ СИРЕНЫ: | Нет сигналов |
| СИГНАЛ ГАБАРИТНЫХ ОГНЕЙ: | Нет сигналов |
| СВЕТОДИОДНЫЙ ИНДИКАТОР: | В соответствии с состоянием системы |
| ДИСПЛЕЙ: | На дисплее появится соответствующий символ (на рисунке показано стрелкой) |
| СИГНАЛ БРЕЛОКА: | Один короткий сигнал |
При выключении автоматической подсветки дисплея:
| СИГНАЛ СИРЕНЫ: | Нет сигналов |
| СИГНАЛ ГАБАРИТНЫХ ОГНЕЙ: | Нет сигналов |
| СВЕТОДИОДНЫЙ ИНДИКАТОР: | В соответствии с состоянием системы. |
| ДИСПЛЕЙ: | На дисплее исчезнет соответствующий символ (на рисунке показано стрелкой) |
| СИГНАЛ БРЕЛОКА: | Два коротких сигнала |
ПРИМЕЧАНИЕ:
Выключение режима автоматической подсветки может несколько продлить ресурс батареи брелока.
При необходимости Вы можете включить или выключить режим вибрационного сигнала брелока. В случае включения вибрационного сигнала тревожная информация, получаемая брелоком, не будет сопровождаться звуковыми сигналами, а брелок при этом будет вибрировать. Для этого кратковременно нажмите Кнопки II+III.

При включении режима вибрационного сигнала:
| СИГНАЛ СИРЕНЫ: | Нет сигналов |
| СИГНАЛ ГАБАРИТНЫХ ОГНЕЙ: | Нет сигналов |
| СВЕТОДИОДНЫЙ ИНДИКАТОР: | В соответствии с состоянием системы. |
| ДИСПЛЕЙ: | На дисплее появятся соответствующие символы (на рисунке показано стрелкой) |
| СИГНАЛ БРЕЛОКА: | Вибрация в течение двух секунд |
При выключении режима вибрационного сигнала:
| СИГНАЛ СИРЕНЫ: | Нет сигналов |
| СИГНАЛ ГАБАРИТНЫХ ОГНЕЙ: | Нет сигналов |
| СВЕТОДИОДНЫЙ ИНДИКАТОР: | В соответствии с состоянием системы |
| ДИСПЛЕЙ: | На дисплее исчезнут соответствующие символы (на рисунке показано стрелкой) |
| СИГНАЛ БРЕЛОКА: | Два коротких сигнала |
ПРИМЕЧАНИЕ:
В режиме вибрационного сигнала, звуковые напоминания о сработавшей зоне отсутствуют. Между тем изображение на дисплее брелока покажет о воздействии.
Если в Вашем автомобиле установлен электромеханический замок капота, дополнительный автономный предпусковой обогреватель или другое сервисное оборудование. Вы можете управлять его работой с помощью брелока. Для этого кратковременно нажмите Кнопку II. На выходе дополнительного канала микропроцессорного модуля появится отрицательный сигнал длительностью 1 сек. вне зависимости от состояния системы и автомобиля для включения или выключения сервисного устройства.

| СИГНАЛ СИРЕНЫ: | Два сигнала |
| СИГНАЛ ГАБАРИТНЫХ ОГНЕЙ: | Вспыхнут два раза |
| СВЕТОДИОДНЫЙ ИНДИКАТОР: | В соответствии с состоянием системы |
| ДИСПЛЕЙ: | Изображение габаритных огней вспыхнет два раза (на рисунке показано стрелкой) |
| СИГНАЛ БРЕЛОКА: | Два коротких сигнала |
Кратковременным, на 0,5 секунды, одновременным нажатием, Кнопок III+IV брелока можно включить или выключить режим управления вторым автомобилем. Индикацией включения служит наличие соответствующего символа на жидкокристаллическом дисплее брелока. Для реализации данной функции необходимо включив данный режим обучить систему SCHER-KHAN MAGICAR II или SCHER-KHAN MAGICAR III установленную на втором автомобиле коду Вашего брелока.
При включении режима управления вторым автомобилем:
| СИГНАЛ СИРЕНЫ: | Нет сигналов |
| СИГНАЛ ГАБАРИТНЫХ ОГНЕЙ: | Нет сигналов |
| СВЕТОДИОДНЫЙ ИНДИКАТОР: | В соответствии с состоянием системы. |
| ДИСПЛЕЙ: | На дисплее появится соответствующий символы (на рисунке показано стрелкой) |
| СИГНАЛ БРЕЛОКА: | Два коротких сигнала |
При выключении режима правления вторым автомобилем:
| СИГНАЛ СИРЕНЫ: | Нет сигналов |
| СИГНАЛ ГАБАРИТНЫХ ОГНЕЙ: | Нет сигналов |
| СВЕТОДИОДНЫЙ ИНДИКАТОР: | В соответствии с состоянием системы |
| ДИСПЛЕЙ: | На дисплее исчезнут соответствующие символы (на рисунке показано стрелкой) |
| СИГНАЛ БРЕЛОКА: | Один короткий сигнал |
Перед началом эксплуатации системы или при желании использовать дополнительные брелоки, необходимо чтобы микропроцессорный блок системы их запомнил код. Для обучения системы коду брелоков необходимо выполнить три этапа. Система способна запомнить коды не более трёх брелоков.
ЭТАП 1
Четыре раза в течении трёх секунд включите/выключите зажигание не запуская двигатель. Вы услышите один сигнал сирены, габаритные огни зажгутся один раз. Система готова к запоминанию кода брелока.
ЭТАП 2
ВНИМАНИЕ! При записи кода брелока необходимо в течение не позднее шести секунд, после ЭТАПА 1, нажать одну из четырёх кнопок брелока в зависимости от типа центрального замка Вашего автомобиля.
Габаритные огни мигнут один раз в подтверждение выполнения ЭТАПА 2.
ЭТАП 3
Для программирования второго и третьего брелоков повторите ЭТАП 2. Габаритные огни мигнут один раз в подтверждение запоминания кода второго брелока и два раза в подтверждение записи кода третьего брелока.
ВНИМАНИЕ! Если после ЭТАПА 1 не был записан код хотя бы одного брелока, то система перейдёт в режим аварийного отключения (см. пункт инструкции “РЕЖИМ АВАРИЙНОГО ОТКЛЮЧЕНИЯ”).
Для программирования функций необходимо выполнить несколько этапов.
ВНИМАНИЕ! Перед началом программирования функций сразу определите их перечень, т.к. все функции программируются в едином цикле в семь этапов, и время выполнения каждого этапа ограничено – не более 6 сек.
ЭТАП 1
Включите зажигание, не запуская двигатель.
ЭТАП 2
Нажмите Кнопки I+IV брелока одновременно на 0,5 секунды.
В подтверждение входа в режим программирования Вы услышите один сигнал сирены, габаритные огни мигнут один раз.
ЭТАП 3
Управление запиранием и отпиранием замков дверей при запуске и остановке двигателя.
В подтверждение выполнения ЭТАПА 3 Вы услышите два сигнала сирены.
ЭТАП 4
Выбор функции автоматической постановки на охрану с запиранием замков дверей после выполнения алгоритма резервирования.
В подтверждение выполнения ЭТАПА 4 Вы услышите три сигнала сирены.
ЭТАП 5
Выбор функции пассивной полупассивной или активной постановки на охрану.
В подтверждение выполнения ЭТАПА 5 Вы услышите четыре сигнала сирены.
ЭТАП 6
Выбор времени для таймера автоматического запуска двигателя.
В подтверждение выполнения ЭТАПА 6 Вы услышите пять сигналов сирены.
ЭТАП 7
Выбор времени задержки включения стартера после включения зажигания при автоматическом или дистанционном запуске двигателя (0,8 или 0,5 сек.).
Выход из режима программирования произойдет после выполнения ЭТАПА 7.
ВНИМАНИЕ! На каждый этап программирования отводится не более шести секунд. Если во время программирования не были выполнены все семь этапов, программируемые функции изменены не будут.
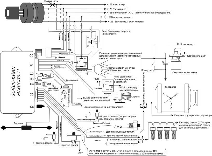
| Белый | Выходной сигнал (+12В; 20 А) “АСС” — вспомогательное оборудование. Подключить к проводу на замке зажигания, где появляется +12В в положении ключа “АСС” и Зажигание ВКЛ. (предназначено для питания цепей дополнительного оборудования: отопитель, кондиционер, магнитола и т.п.). |
| Зелёный | Выходной сигнал (+12В; 20 А) Зажигание ВКЛ. Подключить к проводу на замке зажигания, где появляется +12В в положении ключа Зажигание ВКЛ., и не пропадает при запуске двигателя (предназначено для питания цепей зажигания). |
| Красный | Питание +12В ЗОА от аккумулятора. Подключить к проводу на замке зажигания, где всегда присутствует +12В от аккумулятора. Предназначено для питания всех цепей системы SCHER-KHAN MAGICAR II. |
| Жёлтый | Выходной сигнал (+12В; 20 А) на втягивающее реле стартера. Подключить к проводу на замке зажигания, где появляется +12В в положении ключа ПУСК (Стартер), предназначено для запуска двигателя. Подключите этот провод после реле блокировки. |
| Чёрный | МАССА. Подключите этот провод на массу в месте подключения штатной проводки под гайку, предварительно зачистив место контакта. Недопустимо подключение этого провода к массе под саморез. |
| Фиолетовый | Выход (-200мА) на реле блокировки стартёра, предварительно подключено реле блокировки. На этом проводе появляется отрицательный сигнал при постановке системы в режим охраны. Размыкайте цепь питания втягивающего реле стартера до подключения жёлтого провода. Недопустима блокировка никаких других цепей кроме стартера, это обеспечит безопасность во время движения. |
| Фиолетовый | Выходной сигнал (+12В; 10 А) Габаритные огни. Подключить к проводу, на котором при включении габаритных огней появляется +12В. |
| Зелёный | Выход (-200мА) на реле для организации дополнительных цепей зажигания. На этом проводе появляется отрицательный сигнал при автоматическом или дистанционном запуске от системы SCHER-KHAN MAGICAR II. Этот провод понадобится, если на замке зажигания Вашего автомобиля более двух цепей зажигания или для активизации модулей обхода штатных и опционных иммобилайзеров. |
| Чёрный | Выход (-200мА) на реле для открывания замка багажника. На этом проводе появляется отрицательный сигнал длительностью 1 сек. при удержании Кнопки III брелока более 2 сек. |
| Жёлтый | Выходной сигнал (+12В; ЗА) на сирену. Подключите этот провод к коричневому проводу сирены, чёрный провод сирены подключите на МАССУ. |
| Оранжевый | Выход (-200мА) при отпирании ЦЗ или Выход (+12В 200мА) при запирании ЦЗ. Подключается согласно схемам 2 - 7, в зависимости от типа ЦЗ Вашего автомобиля. |
| Синий | Выход (+12В 200мА) при отпирании ЦЗ или Выход (-200мА) при запирании ЦЗ. Подключается согласно схемам 2 - 7, в зависимости от типа ЦЗ Вашего автомобиля. |
| Коричневый | Выход импульс (-200мА 1 сек) при снятии системы с режима охраны и перед выполнением процедуры дистанционного или автоматического запуска двигателя. Этот выход предназначен для отключения заводской сигнализации |
| Голубой | Выход импульс (-200мА 1 сек) Дополнительный канал для управления сервисным устройством |
| Белый | Вход Отрицательный триггер Зона предупреждения (Зона1) – слабое воздействие |
| Красный | Выход. +12В Питание датчика удара |
| Синий | Вход. Отрицательный триггер Основная зона датчика удара (Зона2) – сильное воздействие |
| Чёрный | МАССА на датчик удара |
| Предназначен для запрета дистанционного запуска двигателя, может понадобиться при ремонте автомобиля или передаче автомобиля другому лицу. Для отключения запуска переведите сервисный выключатель в положение ВКЛ (ON). В этом случае при попытке дистанционного запуска с брелока или по таймеру, система будет себя вести также, как если не был выполнен режим резервирование для автомобилей с механической коробкой передач или автоматической коробкой передач без нейтрального предохранительного выключателя или нажата педаль тормоза в автомобилях с автоматической коробкой передач. Для включения возможности дистанционного или автоматического запуска двигателя переведите сервисный выключатель в положение ВЫКЛ (OFF). |
| Коричневый/чёрный | (-) Триггер капота. Вход, при появлении на котором потенциала МАССЫ, будет запрещён дистанционный запуск двигателя. Этот триггер не является охранной зоной и его замыкание на массу не приведёт к срабатыванию режима тревоги. Для охраны капота используйте красный или красный/чёрный провод в данном разъёме. |
| Оранжевый/чёрный |
(+) Триггер от педали тормоза – для автомобилей с автоматической коробкой передач. При появлении на данном проводе напряжения +12В, во время работы двигателя от системы дистанционного запуска, SCHER-KHAN MAGICAR передаёт управление зажиганием на замок зажигания. (-) Триггер от датчика стояночного тормоза – для автомобилей с механической коробкой передач. При появлении на данном проводе МАССЫ, во время работы двигателя от системы дистанционного запуска, SCHER-KHAN MAGICAR передаёт управление зажиганием на замок зажигания, и запрещает запуск двигателя если на данном проводе в момент запуска присутствует “МАССА”. |
| Жёлтый/чёрный |
Входной сигнал для датчика Тахометра/Генератора. По сигналу на этом проводе система SCHER-KHAN MAGICAR II определяет, запущен двигатель или нет, а так же время необходимое при вращении стартера на запуск двигателя. Датчик генератора: Если Вы выберете датчик генератора, переключите DIP№3 в положение ВЫКЛ. (OFF), найдите тонкий провод идущий от генератора и соедините с жёлтым/чёрным проводом.
Предпочтительно использовать жёлтый/чёрный провод, как вход для датчика генератора, но если нет возможности найти нужный провод (часто для этих целей подходит сигнал на индикаторной лампе заряда аккумуляторной батареи на приборной панели), то используйте жёлтый/чёрный провод, как входной сигнал датчика тахометра. Датчик тахометра: Если Вы выберете датчик тахометра, переключите DIP№3 в положение ВКЛ. (ON), найдите тонкий провод идущий от тахометра, на котором присутствует пульсирующее напряжение во время работы двигателя, и соедините с жёлтым/чёрным проводом. Вам понадобится произвести программирование времени необходимого, для вращения стартера, чтобы двигатель Вашего автомобиля запустился. Для этого:
|
| Белый/чёрный |
(+) Триггер "Свечи накаливания". Вход (+12В) от свечей накаливания, только для дизельных двигателей. Подключите к проводу на свечах накаливания, где появляется +12В для прогрева свечей накаливания перед запуском двигателя. Этот провод необходим для того, чтобы при дистанционном и автоматическом запуске двигателя стартер запустился только после прогрева свечей накаливания и пропадания напряжения +12В на этом проводе. Так же по появлению сигнала на белом/чёрном или на белом проводе система SCHER-KHAN MAGICAR автоматически определяет, что установлена на дизельный автомобиль и увеличивает интервалы времени для прогрева двигателя при автоматическом и дистанционном запуске двигателя. Не подключайте этот провод в автомобилях с бензиновым двигателем. |
| Белый |
(-) Триггер "Свечи накаливания". Вход (МАССА) от свечей накаливания, только для дизельных двигателей, подключите к проводу на свечах накаливания, где появляется “МАССА” для прогрева свечей накаливания перед запуском двигателя. Этот провод необходим для того, чтобы при дистанционном и автоматическом запуске двигателя стартер запустился только после прогрева свечей накаливания и пропадания “МАССЫ” на этом проводе. Так же по появлению сигнала на белом/чёрном или на белом проводе система SCHER-KHAN MAGICAR автоматически определяет, что установлена на дизельный автомобиль и увеличивает интервалы времени для прогрева двигателя при автоматическом и дистанционном запуске двигателя. Не подключайте этот провод в автомобилях с бензиновым двигателем. |
| Красный/чёрный | (+) Триггер. Вход (+) от концевого датчика двери. Охранный триггер. Если в автомобиле присутствует функция задержки выключения салонного света необходимо выполнить развязку этого триггера и лампы салонного света при помощи диодов. |
| Красный | (-) Триггер. Вход (-) от концевого датчика двери. Охранный триггер. Если в автомобиле присутствует функция задержки выключения салонного света необходимо выполнить развязку при помощи диодов, этого триггера и лампы салонного света. |
На задней стенке блока SCHER-KHAN MAGICAR II имеется панель из четырёх DIP-переключателей, для программирования режимов работы системы в зависимости от конструктивных особенностей Вашего автомобиля. Функции, программируемые DIP- переключателями, устанавливаются при инсталляции системы в установочном центре и не относятся к сервисным функциям, их изменение допустимо только в установочном центре.
ВНИМАНИЕ! Неправильная установка положения DIP — переключателей может привести к неправильной работе двигателя автомобиля во время дистанционного и автоматического запуска, а также к несчастному случаю или повреждению автомобиля. Внимательно ознакомьтесь с назначением DIP — переключателей.
| Положение переключателя | DIP№1 | DIP№2 | DIP№3 | DIP№4 |
|---|---|---|---|---|
| Напряжение на желтом/чёрном проводе в разъёме С5, при котором система считает, что двигатель автомобиля запущен в режиме "Датчика генератора" | Время работы двигателя для прогрева при автоматическом и дистанционном запуске (значения в скобках для автомобилей с дизельным двигателем) | Тип выбранного датчика запуска двигателя | Тип коробки передач Вашего автомобиля | |
| ВЫКЛ. (OFF) | 4,5В (режим генератора) | 15 мин. (25 мин. для дизеля) | Датчик генератора | Ручная коробка передач |
| ВКЛ. (ON) | 9В (режим генератора) | 25 мин. (45 мин. для дизеля) | Датчик тахометра | Автоматическая коробка передач |
ВНИМАНИЕ! Если автомобиль оборудован автоматической коробкой передач без нейтрального предохранительного выключателя, используйте режим работы системы для автомобилей с механической коробкой передач. Установите DIP№4 в положение ВЫКЛ (OFF).
Чтобы увеличить чувствительность датчика удара поверните регулятор на корпусе датчика по часовой стрелке.

ТИП1 потребуется два диода (например 1N4001). Для блока управления требуются импульсы отрицательной полярности. Будьте осторожны убедитесь, что это не ТИП 3.

ТИП 2 потребуется два диода (например 1N4001) Для блока управления требуются импульсы положительной полярности

ТИП 3 потребуется два внешних реле.
Блоку управления необходимы импульсы с переменой знака полярности. Обязательно убедитесь, что это не ТИП 1 или ТИП2, если Вы обнаружили неопознанный провод, то отсоедините его и проверьте работу замка выключателем замка. Если работает одно направление, то это не ТИП 3, а ТИП 1, или ТИП 2. В ТИП 3, если провод отпирания или запирания отсоединён центральный замок не будет работать вообще.

ТИП 4 потребуется два внешних реле и предохранитель.
Установка нештатного двухпроводного электрозамка. Требуется инверсия полярности.

ТИП 5 потребуется два внешних реле.
Электрический вакуумный замок. На проводе появляется сигнал +12 В, когда двери отперты и “МАССА” когда двери заперты, система должна быть запрограммирована на 4 секундные импульсы управления ЦЗ.

ТИП 6 потребуется одно внешнее реле и один диод 1N 4001. Однопроводная система. Эта система обычно требует отрицательного импульса для отпирания и разъединения проводов для запирания. В некоторых автомобилях наоборот.
