
Выберите место для установки основного блока СТСТС в салоне (например, за или под приборной панелью) и закрепите его при помощи пластиковых стяжек или двухсторонней липкой основы.
Внимание! Не устанавливайте основной блок СТСТС в моторном отсеке, так как корпус блока не герметичен. Также избегайте устанавливать блок непосредственно на электронные компоненты автомобиля. Эти компоненты могут быть источниками радиопомех.

Антенный блок может быть установлен в верхнем углу лобового стекла. Расстояние от антенны до ближайшей металлической поверхности не должно быть менее 50 мм. Перед установкой антенного блока следует обезжирить поверхность стекла в месте монтажа спиртовой салфеткой. Температура стекла при монтаже должна быть не менее +10°С.
Допустима скрытная установка антенного блока. При скрытной установке возможна некоторая потеря в дальности связи.
Возможные места установки:
Для открытой установки:Для скрытной установки:

Датчик вызова из автомобиля может быть установлен в нижнем левом или правом углу лобового стекла автомобиля. Перед установкой датчика следует обезжирить поверхность стекла в месте монтажа спиртовой салфеткой. Температура стекла при монтаже должна быть не менее +10°С.
Для установки сирены выберите место в моторном отсеке, которое хорошо защищено от доступа из-под днища автомобиля. Не размещайте сирену рядом с сильно нагревающимися узлами или двигающимися частями. Для предотвращения скапливания влаги или грязи раструб сирены должен быть направлен вниз. Сирена SCHER-KHAN позволяет уменьшить громкость коротких сигналов подтверждения при постановке и снятии режима охраны. Для уменьшения громкости сигналов подтверждения необходимо разрезать петлю черного провода на сирене.
Для охраны капота и багажника необходимо установить два датчика (концевых выключателя). Эти датчики должны быть установлены на металлическую поверхность автомобиля, имеющую хороший контакт с кузовом. Важно выбрать такое место, где исключается возможность проникновения и (или) скопления воды. Выбирайте места, которые в то время, когда капот и багажник закрыты, защищены резиновыми уплотнениями. Не устанавливайте датчики на водостоках.
Датчики могут быть установлены с помощью скобы или в монтажном отверстии соответствующего размера. Помните, что при правильной установке подвижный шток датчика должен иметь свободный ход 5 мм. при закрытии капота или багажника. Датчик в багажном отделении не должен мешать погрузке и выгрузке багажа, а датчик под капотом техническому обслуживанию автомобиля.
В комплект СТСТС входит светодиодный индикатор (СИД), который показывает состояние СТСТС. Он должен устанавливаться на приборной панели или на стойке и быть хорошо виден снаружи автомобиля, но не должен при этом отвлекать водителя.
Выберите место на прочной поверхности переборки между салоном и моторным отсеком и установите датчик удара со стороны салона при помощи двух винтов. Датчик также может быть установлен при помощи пластиковых стяжек или двухсторонней липкой основы под приборной панелью. Убедитесь в наличии свободного доступа к датчику для его регулировки. Увеличение чувствительности датчика происходит поворотом регулятора по часовой стрелке, уменьшение чувствительности производится поворотом регулятора против часовой стрелки.

Коричневый провод: (+12В; 3А) выход на сирену
Данный провод предназначен для подключения сирены. В режиме тревоги на нем появляется постоянное напряжение +12В 3А. Длительность режима тревоги программируется 30 или 60 сек.
Протяните этот провод через резиновую втулку в моторный отсек к месту установки сирены.
Подключение к неавтономной сирене:
Подключение к автономной сирене:
Зеленый/белый провод: импульсный выход на аварийную сигнализацию (+ 12В; 10А)
Этот провод обеспечивает мигание аварийной сигнализации при постановке и снятии СТСТС с охраны, срабатывании СТСТС и при включении режима Паника. В том случае, если в автомобиле необходимо разделить правую и левую цепи аварийной сигнализации необходимо применить диодную развязку. Для диодной развязки используйте диоды с прямым током не менее 5А и обратным напряжением не менее 40В.
Диоды зарубежного производства:
SR540
SR560
SF52
SF54
50SQ100
Диоды производства России:
КД213(А-Г)
КД2999(А-В)
КД2997(А-В)
КД270(А-Г)
КД271(А-Г)

Красный провод: (+ 12В; 15A) постоянного тока от аккумулятора
Этот провод подает питание на центральный блок СТСТС. Подключите красный провод к положительной клемме аккумулятора (подключайте красный провод до штатных автомобильных предохранителей).
Черный провод: Масса
Подключите черный провод к отрицательной клемме аккумулятора или к заземленным частям автомобиля. Подключайте этот провод в местах соединения с массой штатной проводки автомобиля, не крепите этот провод под саморез.
Зеленый/белый провод: импульсный выход на аварийную сигнализацию (-200мА)
Этот провод обеспечивает мигание аварийной сигнализации при постановке и снятии СТСТС с охраны, срабатывании СТСТС и при включении режима Паника. Применяется на автомобилях с отрицательным управлением аварийной сигнализацией. При использовании зеленого/белого в разъеме CN1, данный провод не подключать.
Желтый провод: отрицательный выход (-200мА) Канал 1
Данный выход работает при любом состоянии СТСТС (в режиме охраны и в режиме снято с охраны).
Работа данного выхода программируется и может иметь два режима
Состояние Канала 1 не является энергонезависимым. Если на желтом проводе при отключении питания присутствовал отрицательный сигнал, то при включении питания отрицательный сигнал на этом проводе пропадет.
Это транзисторный слаботочный (-200мА) выход и может использоваться только для управления дополнительно установленным реле.
Подключение: Подключите желтый провод к контакту 85 дополнительного реле и подключите остальные контакты реле в соответствии с выбранной функцией Канала 1.

Желтый/белый провод: отрицательный выход (-200мА) Канал 2
Данный выход работает при любом состоянии СТСТС (в режиме охраны и в режиме снято с охраны).
Работа данного выхода программируется и может иметь два режима
Состояние Канала 2 не является энергонезависимым. Если на желтом проводе при отключении питания присутствовал отрицательный сигнал, то при включении питания отрицательный сигнал на этом проводе пропадет.
Это транзисторный слаботочный (-200мА) выход и может использоваться только для управления дополнительно установленным реле.
Подключение: Подключение данного провода аналогично подключению желтого провода см. выше.
Фиолетовый провод: отрицательный выход (-200мА) в режиме охраны
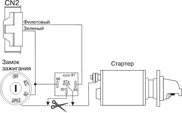
Этот провод служит для управления реле блокировки зажигания или стартера. Блокирование зажигания на автомобилях с автоматической коробкой передач не рекомендуется, применяйте схему блокировки стартера.
Подключение:
Схема блокировки зажигания:
Подключите фиолетовый провод к контакту 85 реле. Подключите контакт 86 реле к проводу от замка зажигания, на который поступает напряжение +12В, когда ключ зажигания находится в положении ВКЛ И СТАРТЕР, и на котором нет напряжения, когда ключ зажигания находится в положении ВЫКЛ. Для размыкания блокируемой цепи используйте 30 и 87а контакты реле.

Схема блокировки стартера:

Это транзисторный слаботочный (-200мА) выход и может использоваться только для управления реле входящего в комплект поставки.
Зеленый провод: +12В постоянного тока при включении зажигания
Информирует систему о включении и выключении зажигания. Используется для управления функционированием СТСТС и при программировании.
Подключение: Подключите зеленый провод к проводу от замка зажигания, на котором имеется напряжение +12В при включенном зажигании. Напряжение на данном проводе не должно пропадать во время вращения стартера. Обратите внимание, что зеленый провод должен быть подключен до цепи блокировки зажигания.
Фиолетовый провод: отрицательный выход (-200мА) для управления включением салонного света
Этот провод служит для управления реле включения салонного света. Каждый раз при снятии СТСТС с режима охраны, на данном выходе будет появляться сигнал низкого уровня (-200мА) на 60 сек. Сигнал на данном выходе пропадет сразу при запирании замков дверей (постановке в режим охраны) и(или) включении зажигания.
Подключение:
При использовании типовой схемы включения, включение салонного света равносильно открыванию двери. И при включении режима пассивной постановки на охрану, система будет начинать 30 сек. отсчёт перед пассивной постановкой только через 60 сек. после снятия с охраны, т.е. пассивная постановка будет происходить не через 30 сек. а через 90 сек.
Датчики дверей замыкаются на массу.

Типовая схема включения для управления включением салонного света.
Датчики дверей замыкаются на +12В.

Типовая схема включения для управления включением салонного света.
Рекомендуемые схемы подключения:
Если в типовые схемы управления включением салонного света ввести диод, то пассивная постановка на охрану будет происходить через 30 сек.
Диод в обеих схемах должен выбираться с учетом максимального тока в цепи салонного света. Если в салоне автомобиля один плафон освещения с одной или двумя лампами 5 Вт, то диод может быть с максимальным прямым током 1 А. В данных схемах можно применить диод зарубежного производства типа 1N4000-1N4007 или Российский аналог КД243(А-Ж). Если мощность ламп выше, то необходимо применять диод зарубежного производства типа 1N5402-1N5408 или Российский аналог КД257(А-Д), рассчитанный на прямой ток 3А.
Датчики дверей замыкаются на массу.

Рекомендуемая схема включения для управления включением салонного света.
Датчики дверей замыкаются на +12В.

Рекомендуемая схема включения для управления включением салонного света.
Оранжевый провод: импульсный выход (-200мА) 0,5 сек. при постановке в режим охраны.
Этот провод предназначен для перепостановки в режим охраны заводской СТСТС, если она установлена. Длительность сигнала на оранжевом проводе не может быть изменена программируемой функцией 1-2 (Длительность импульса управления ЦЗ). Сигнал на этом проводе не будет появляться при запирании ЦЗ с брелока СТСТС, если включено зажигание и(или) СТСТС находится в режиме VALET.
Подключение: Подключите оранжевый провод СТСТС к проводу постановки в режим охраны заводской СТСТС автомобиля. Провод постановки в режим охраны заводской СТСТС автомобиля можно найти на блоке заводской охранной СТСТС или на замке водительской двери.
Оранжевый/белый провод: импульсный выход (-200мА) 0,5 сек. при снятии с режима охраны.
Этот провод предназначен для снятия с охраны заводской СТСТС, если она установлена. Длительность сигнала на оранжевом/белом проводе не может быть изменена программируемой функцией 1-2 (Длительность импульса управления ЦЗ). При включенной программируемой функции 1-4 (Приоритетное отпирание двери водителя), сигнал оранжевом/белом проводе будет появляться одновременно с сигналом на синем проводе CN4 - отпирание двери водителя. При включенной программируемой функции 1-5 (Двойной импульс отпирания ЦЗ), сигнал оранжевом/белом проводе будет появляться одновременно с первым импульсом на синем проводе CN4. Сигнал на оранжевом/белом проводе не будет появляться при отпирании ЦЗ с брелока СТСТС, если включено зажигание. Если СТСТС находится в режиме VALET, сигнал на оранжевом/белом проводе будет появляться одновременно с сигналом на синем проводе CN4 - отпирание двери водителя, при выключенном зажигании и отпирании ЦЗ с брелока.
Подключение: Подключите оранжевый/белый провод СТСТС к проводу снятия с охраны заводской СТСТС автомобиля. Провод снятия охраны заводской охранной СТСТС автомобиля можно найти на блоке заводской охранной СТСТС или на замке водительской двери.
Серый/черный провод: (-) датчик капота
В то время, когда система стоит в режиме охраны, замыкание серого/черного провода на массу вызовет мгновенный переход СТСТС в режим тревоги.
Подключение: Установите датчик под капотом автомобиля и подключите к нему серый/черный. Возможно подключение серого/черного провода к штатному датчику открывания капота, если он установлен. Если данный датчик управляет включением освещения моторного отсека, необходимо применить диодную развязку для его подключения (автомобили ВАЗ 2108-211** и большинство автомобилей иностранного производства). Диод может быть с максимальным прямым током 1 А. В данной схеме можно применить диод зарубежного производства типа 1N4000-1N4007 или Российский аналог КД243(А-Ж).

Фиолетовый/черный провод: (-) датчик багажника
В то время, когда система стоит в режиме охраны, замыкание фиолетового/черного провода на массу вызовет мгновенный переход СТСТС в режим тревоги.
Подключение: Установите датчик под капотом автомобиля и подключите к нему Фиолетовый/черный. Возможно подключение фиолетового/черного провода к штатному датчику открывания багажника, если он установлен. Если датчик управляет включением освещения багажника не зависимо от того, включены габаритные огни или нет, то применять диодную развязку не надо (большинство автомобилей иностранного производства). Если данный датчик управляет включением освещения багажника только при включении габаритных огней, необходимо применить диодную развязку для его подключения (автомобили ВАЗ 2115 и некоторые автомобили иностранного производства) см. схему. Диод может быть с максимальным прямым током 1 А. В данной схеме можно применить диод зарубежного производства типа 1N4000-1N4007 или Российский аналог КД243(А-Ж).

Красный/белый провод: отрицательный датчик двери
В то время, когда система стоит в режиме охраны, замыкание красного/белого провода на массу вызовет мгновенный переход СТСТС в режим тревоги.
Подключение: Если датчики дверей замыкаются на массу, подключите красный/белый провод к общему проводу, соединяющему датчики дверей автомобиля.
Примечание: Не используйте красный/белый провод, если датчики дверей замыкаются на +12В (см. красный провод ниже).
Если в автомобиле присутствует система плавного гашения салонного света то необходимо включить диод в цепь лампы салонного света. В автомобилях ВАЗ 2108i-211** данную функцию реализует блок иммобилайзера АПС-4 или АПС-6 (зеленый/черный провод блока АПС).
Схема включения датчиков дверей для автомобилей ВАЗ 2108 - 09, и автомобилей иностранного производства без блока диагностики открытой двери.
Диод выбирается, так же как и схеме включения фиолетового провода в разъеме CN2 "Отрицательный выход (-200мА) для управления включением салонного света".

Схема включения датчиков дверей для автомобилей ВАЗ 211**, и автомобилей иностранного производства имеющих блок диагностики открытой двери (на приборной панели имеется индикатор незакрытой двери с указанием на конкретную дверь). Задержка выключения салонного света происходит только после закрытия водительской двери, после закрытия любой из пассажирских дверей свет в салоне гаснет сразу.
Диоды VD1-VD4 могут быть любыми с обратным напряжением не ниже 30В (диоды зарубежного производства типа 1N4148, 1N4000-1N4007 или Российские КД509, КД510, КД521, КД522, КД102, КД105, КД208, КД209). Диод VD5 выбирается, так же как и схеме включения фиолетового провода в разъеме CN2 "Отрицательный выход (-200мА) для управления включением салонного света".

Схема включения датчиков дверей для автомобилей иностранного производства, имеющих блок диагностики открытой двери (на приборной панели имеется индикатор незакрытой двери с указанием на конкретную дверь). Задержка выключения салонного света происходит после закрытия любой из дверей.
Диоды VD1-VD4 могут быть любыми с обратным напряжением не ниже 30В (диоды зарубежного производства типа 1N4148, 1N4000-1N4007 или Российского КД102, КД105, КД208, КД209, КД509, КД510, КД521, КД522). Диоды VD5-VD8 выбираются, так же как и схеме включения фиолетового провода в разъеме CN2 "Отрицательный выход (-200мА) для управления включением салонного света".

Если задержка выключения салонного света происходит после только закрытия передних дверей, то диоды VD5-VD8 устанавливаются только в цепь датчиков этих дверей.
Красный провод: положительный датчик двери
Все функции красного/белого провода
Подключение: Если датчики дверей замыкаются на +12В, подключите красный провод к общему проводу, соединяющему концевые выключатели дверей автомобиля. При наличии в автомобиле функции задержки выключения салонного света, схемы подключения совпадают со схемами подключения красного провода, но потребуется изменить полярность включения всех диодов.
Примечание: Не используйте красный провод, если датчики дверей замыкаются на массу (см. красный/белый провод выше).
Красный провод: (+ 12В; 500мA) постоянного тока
Этот провод не используется.
Подключение: Возможно подключение к данному проводу обмоток реле управления ЦЗ и (или) провода питания дополнительного датчика.
Фиолетовый/белый провод: отрицательный выход (-200мА) для управления замком багажника, импульс 0,5 сек.
Фиолетовый/белый провод замыкается на массу на 0,5 сек. при нажатии и удержании в течение 2 сек. Кнопки III брелока.
Данный выход работает при любом состоянии СТСТС (в режиме охраны и в режиме снято с охраны). В режиме охраны отпирание замка багажника приводит к снятию СТСТС с режима охраны и отпиранию дверей автомобиля.
Это транзисторный слаботочный (-200мА) выход и может использоваться только для управления дополнительно установленным реле.
Подключение: Подключите фиолетовый/белый провод к контакту 85 реле управления замком багажника и подключите остальные контакты реле в соответствии с приведенными схемами.
Если в автомобиле штатно уже установлена кнопка управления замком багажника из салона.

Недостаток приведенной схемы в том, что кнопка отпирания замка багажника коммутирует большие токи и ее ресурс ограничен.
Если в автомобиле не установлена кнопка отпирания замка багажника, то рекомедуется применить другую схему. Кнопка управления замком багажника из салона, как и блок СТСТС, управляет дополнительным реле. В данной схеме нагрузка на кнопку минимальна и она имеет больший ресурс, чем в приведенной выше схеме.

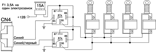
Оранжевый/черный провод: отрицательный выход (-200мА) отпереть все двери.
Оранжевый/черный провод предназначен для отпирания всех дверей, если запрограммирована функция 1-4 приоритетного отпирания двери водителя, то сигнал на данном выходе появится при повторном нажатии Кнопки I брелока, в течение 5 сек. после снятия СТСТС с режима охраны.
Если функция 1-4 выключена, то сигнал на данном проводе появляется одновременно с сигналом отпирания ЦЗ на синем проводе этого разъема.
Это транзисторный слаботочный (-200мА) выход и может использоваться только для управления дополнительно установленным реле.
Подключение: Подключите оранжевый/черный провод к контакту 85 реле отпирания всех дверей и подключите остальные контакты реле в соответствии с приведенной схемой. На схеме приведено подключение к опционно устанавливаемым электрозамкам дверей, которым для управления требуются импульсы с инверсией полярности. Если используются электрозамки иной конструкции, то необходимо изменить подключение 87, 87а и 30 контактов всех реле, для обеспечения их работоспособности.

Примечание: При использовании имеющегося ЦЗ автомобиля для реализации функции приоритетного отпирания двери водителя, необходимо отключить электрозамок водительской двери от схемы ЦЗ автомобиля.
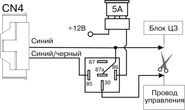
Синий провод: отрицательный выход (-200мА) отпереть ЦЗ.
Синий провод предназначен для отпирания ЦЗ, или электрозамка водительской двери, если запрограммирована функция 1-4 приоритетного отпирания двери водителя (см. назначение оранжевого/черного провода в разъеме CN4). Длительность сигнала на этом проводе программируется 0,8 или 2,5 сек. (программируемая функция 1-2).
Cигнал отпирания ЦЗ на синем проводе появляется: при снятии СТСТС с режима охраны, выключении зажигания (программируемая функция 2-5), в режиме VALET при нажатии Кнопки I брелока, и при приближении владельца автомобиля ближе чем на 5-15 м, если используется режим автоматической постановки/снятия режима охраны.
Это транзисторный слаботочный (-200мА) выход и может использоваться только для управления дополнительно установленным реле, или для подключения к входам управления ЦЗ.
Подключение: Подключите синий провод к контакту 85 реле отпирания дверей или к проводу отпирания ЦЗ, подключите остальные контакты реле в соответствии с приведенными схемами.
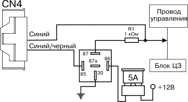
Синий/черный провод: отрицательный выход (-200мА) запереть ЦЗ.
Синий/черный провод предназначен для запирания ЦЗ.
Длительность сигнала на этом проводе программируется 0,8 или 2,5 сек. (программируемая функция 1-2).
Cигнал запирания ЦЗ на синем проводе появляется: при постановке СТСТС в режим охраны, через 15 сек. после выключения зажигания (программируемая функция 2-5), в режиме VALET при нажатии Кнопки I брелока, и при удалении владельца автомобиля более чем на 5-15 м, если используется режим автоматической постановки/снятия режима охраны.
Это транзисторный слаботочный (-200мА) выход и может использоваться только для управления дополнительно установленным реле, или для подключения к входам управления ЦЗ.
Подключение: Подключите синий провод к контакту 85 реле запирания дверей или к проводу запирания ЦЗ, подключите остальные контакты реле в соответствии с приведенными схемами.
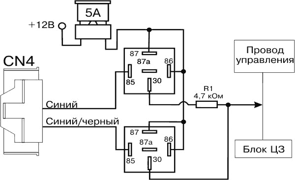
Подключение к модулю ЦЗ для управления требуются импульсы отрицательной полярности.

Подключение к модулю ЦЗ для управления требуются импульсы отрицательной полярности, и есть кнопка запрета отпирания задних дверей (применяется в автомобилях TOYOTA).
Возможно два варианта подключения:
Вариант 1: Без использования оранжевого/черного провода. Потребуется два диода, чтобы не нарушать логику работы штатного модуля ЦЗ и сохранить функцию запрета отпирания задних дверей. В данной схеме можно применить диоды зарубежного производства типа 1N4000-1N4007 или Российские аналоги КД243(А-Ж).

Вариант 2: Используя оранжевый/черный провод. Схема позволяет реализовать раздельное отпирание передних и задних дверей.

Подключение к двухпроводным электрозамкам дверей (для управления требуется инверсия полярности)

Подключение к модулю ЦЗ с компрессором (применяется на автомобилях Audi, Mercedes)
Для правильного функционирования ЦЗ замка подобного типа необходимо увеличить длительность импульса управления ЦЗ до 2,5 сек. - включить программируемую функцию 1-2.
Для подключения к модулю ЦЗ необходимо найти и перерезать провод управления компрессором.
Внимание! Недопустимо путать концы разрезанного провода управления. Это может привести к выходу из строя компрессора блока ЦЗ. Для определения провода используйте только цифровой вольтметр, применение контрольной лампы исключено.

Подключение к модулю ЦЗ для управления требуются импульсы положительной полярности.

Подключение к модулю ЦЗ для управления требуются импульсы положительной полярности, в схеме есть переключатель управляющий ЦЗ

Схема положительного однопроводного управления Ford Probe

Схема положительного однопроводного управления Chrysler Cirrus, Dodge Stratus 1995 г.

Схема отрицательного однопроводного управления Dodge Caravan, Chrysler Town & Country, Plymouth Voager 1996 г.

Схема отрицательного однопроводного управления Mazda

Схема отрицательного однопроводного управления Nissan, Mazda (для запирание требуется состояние разомкнуто провода управления)

Схема отрицательного однопроводного управления Mercedes ML.

Проложите провода, оканчивающиеся 2-контактным разъемом от СИД к основному блоку СТСТС и подсоедините их к разъему блока.
Черный провод: (-) Выход на СИД
Черный/белый провод: (+) Выход на СИД
Проложите провода, оканчивающиеся 4-контактным разъемом, от датчика удара к основному блоку СТСТС и подсоедините их к 4-контактному разъему CN6 блока.
Черный провод: Масса на датчик удара
Белый провод: Вход от зоны тревоги (сильное воздействие)
Красный провод: (+12В) Питание датчика удара
Желтый провод: Вход от зоны предупреждения датчика удара

Проложите провода, оканчивающиеся 4-контактным разъемом, от датчика вызова к основному блоку СТСТС и подсоедините их к 4-контактному разъему CN7 блока.
Черный провод: Масса на датчик вызова
Белый провод: Вход сигнала от датчик вызова
Красный провод: (+) Выход на СИД датчика вызова
Желтый провод: (-) Выход на СИД датчика вызова
Проложите провода, оканчивающиеся 4-контактным разъемом, от антенного блока к основному блоку СТСТС и подсоедините их к 4-контактному разъему CN8 блока.
Желтый провод: Вход линия приема данных
Белый провод: Выход линия передачи данных
Красный провод: (+12В) Питание антенного блока
Черный провод: Масса на антенный блок
Внимание!
Программирование функций СТСТС с помощью брелока состоит из четырех шагов.
ШАГ 1: Вход в режим программирования и выбор меню программирования.
Меню №1 "Функции центрального замка" - Для входа в данное меню необходимо нажать одновременно Кнопки I+II на 2 сек.
Меню №2 "Охранные функции и работа дополнительных каналов" - Для входа в данное меню необходимо нажать одновременно Кнопки I+IV на 2 сек.
Сирена подаст один короткий сигнал, аварийная сигнализация вспыхнет один раз, подтверждая тем самым успешное выполнение ШАГА 1.
ШАГ 2: После 2 сек. нажатия Кнопок I+II или Кнопок I+IV, нажатием Кнопки IV выбирается функция меню, которую требуется изменить.
Например, для выбора функции 4 необходимо четыре раза коротко нажать Кнопку IV брелока.
ШАГ 3: Подождите несколько сек., СТСТС подтвердит номер выбранной для изменения функции короткими сигналами сирены и вспышками аварийной сигнализации. Количество сигналов будет соответствовать номеру выбранной функции.
Примечание: Если при выборе функции Вы ошиблись с количеством нажатий, и выбрали не ту функцию, или сигналов сирены и аварийной сигнализации нет, то необходимо повторить все действия, начиная с ШАГА 1.
ШАГ 4: Нажмите Кнопку I для выбора заводского значения функции, в подтверждение сирена подаст один короткий сигнал, аварийная сигнализация вспыхнет один раз. Нажмите Кнопку II для выбора опционного значения функции, в подтверждение сирена подаст два коротких сигнала, аварийная сигнализация вспыхнет два раза.
Примечание: Если Вы услышали один продолжительный сигнал сирены, то это означает выход СТСТС из режима программирования функций. Для продолжения программирования необходимо повторить все действия, начиная с ШАГА 1.
Примечание: Если необходимо изменить более одной функции из выбранного вами меню, то выбор каждой функции для изменения необходимо начинать с ШАГА 1.
Для установки заводских значений программируемых функций необходимо выполнить два ШАГА
ШАГ 1: Нажмите одновременно Кнопки I+II или Кнопки I+IV на 2 сек., в зависимости от того, функции какого меню необходимо вернуть на заводские установки.
Сирена подаст один короткий сигнал, аварийная сигнализация вспыхнет один раз, подтверждая тем самым успешное выполнение ШАГА 1.
ШАГ 2: После 2 сек. нажатия Кнопок I+II или Кнопок I+IV. Три раза нажмите Кнопку III брелока, каждое нажатие Кнопки III будет подтверждаться коротким сигналом сирены и вспышкой аварийной сигнализации. Через некоторое время после этого прозвучит три сигнала сирены, аварийная сигнализация вспыхнет три раза, подтверждая установку заводских значений всех программируемых функций выбранного меню при выполнении ШАГа 1.
| № п/п. | Функция | Заводское значение(Выбирается Кнопкой I) | Опционное значение(Выбирается Кнопкой II) |
|---|---|---|---|
| 1-1 | |||
| 1-2 | Длительность импульса управления ЦЗ | 0,8 сек. | 2,5 сек. |
| 1-3 | |||
| 1-4 | Приоритетное отпирание двери водителя | Выключено | Включено |
| 1-5 | Двойной импульс отпирания ЦЗ | Выключено | Включено |
| 1-6 | Включение салонного света на 2 сек. при постановке в режим охраны | Выключена | Включена |
| 1-7 |
1-4 Примечание:
1-6 Примечание:
Может потребоваться включение данной функции для взаимодействия SCHER-KHAN MAGICAR III с заводской СТС.
| № п/п. | Функция | Заводское значение(Выбирается Кнопкой I) | Опционное значение(Выбирается Кнопкой II) |
|---|---|---|---|
| 2-1 | |||
| 2-2 | |||
| 2-3 | Запирание электрозамков дверей при пассивной постановке на охрану | При пассивной постановке на охрану замки дверей запираются | При пассивной постановке на охрану замки дверей не запираются |
| 2-4 | Режим JackStop (защита от ограбления) | Выключен (только ПАНИКА) | Включен |
| 2-5 | Автоматическое управление замками дверей при включении/выключении зажигания | Выключено | Включено |
| 2-6 | Работа дополнительного канала 1 | Импульс 0,5 сек. | Длительный сигнал |
| 2-7 | Работа дополнительного канала 2 | Импульс 0,5 сек. | Длительный сигнал |
| 2-8 | Длительность сигнала тревоги | 30 сек. | 60 сек. |
2-4 Примечание: Данная функция позволяет выбрать режим ПАНИКА или режим JackStop (защита от ограбления).
| ПАНИКА | JackStop | |
|---|---|---|
| Кнопка | (IV) на 2 сек. | (IV) на 2 сек. |
| Сирена | Сирена звучит 90 сек. | Сирена звучит 90 сек. |
| Тип блокировки двигателя | Блокировка стартера | Блокировка зажигания |
| Блокировка стартера | Включается немедленно | Не используется |
| Блокировка зажигания | Не используется | Включается немедленно если зажигание выключено. Включается через 30 сек. после 2 сек. нажатия Кнопки IV на, если зажигание выключено. |
2-5 Примечание: При включении функции 2-5, замки дверей будут автоматически заперты при нажатии на педаль тормоза, если зажигание включено и закрыты двери. Отпирание замков дверей происходит немедленно при выключении зажигания.
2-8 Примечание: На территории Европы и в России время одного цикла тревоги ограничено 30 сек. (заводское значение функции 2-8). Выбор опционного значения цикла тревоги 60 сек. производится только при эксплуатации системы на территории США, Канады и других государств, где это допускается соответствующими законодательными актами.
Внимание! Фирма производитель и поставщики СТСТС не несут ответственности за неправильную установку значений программируемых функций. Если Вы не уверены, что законодательством Вашей страны нет ограничений на время тревожного сигнала СТСТС, то оставьте заводское значение функции 2-8.
Система может запомнить коды трех брелоков. Для программирования новых брелоков выполните два шага
ШАГ1: Пять раз, в течение 5 сек. поверните ключ в замке зажигания из положения ВЫКЛ (OFF) в положение ВКЛ (ON или IGN). Аварийная сигнализация вспыхнет один раз, подтверждая вход в режим программирования.
ШАГ2: Не позднее 5 сек. после вспышки аварийной сигнализации нажмите Кнопку I брелока, код которого необходимо ввести в память блока СТСТС.

Для выхода из режима программирования после записи кода последнего брелока в течение 5 сек. не предпринимайте никаких действий или включите зажигание. Если в СТСТС были записаны коды трех брелоков, то после записи кода третьего брелока СТСТС немедленно выйдет из режима программирования новых брелоков.
Если после шага 1 не предпринимать никаких действий, то через 5 сек. аварийная сигнализация вспыхнет 2 раза, СТСТС перейдет из режима программирования брелоков в режим VALET
Примечание: