При покупке СТСТС убедитесь в комплектности поставки. По желанию покупателя к СТСТС могут быть добавлены дополнительные устройства (см. ниже), расширяющие ее возможности.
Состав базового комплекта может быть дополнен другими компонентами торговой марки SCHER-KHAN:
*СТСТС SCHER-KHAN MAGICAR IV может помнить коды трех брелоков. Использовать в СТСТС больше грех брелоков невозможно.
Выберите место для установки процессорного блока СТСТС в салоне (например, за или под приборной панелью) и закрепите его при помощи пластиковых стяжек или двухсторонней липкой основы.
После установки и подключения процессорного блока его необходимо обучить коду брелока (см. ниже).
ВНИМАНИЕ!Не устанавливайте процессорный блок в моторном отсеке, так как корпус блока не герметичен. Также избегайте установки блока непосредственно на электронные компоненты автомобиля. Эти компоненты могут быть источниками радиопомех.
Антенный блок может быть установлен в верхнем углу лобового стекла. Расстояние от антенны до ближайшей металлической поверхности должно быть не менее 50 мм. Перед установкой антенного блока следует обезжирить поверхность стекла в месте монтажа спиртовой салфеткой. Температура стекла при монтаже должна быть не менее +10 оС.

Допустима скрытая установка антенного блока. При скрытой установке возможна некоторая потеря в дальности связи. Также скрытая установка антенного блока затруднит использование программатора функций SCHER-KHAN СМ-3.
Возможные места установки:
и т.д.
Датчик вызова из автомобиля может быть установлен в нижнем левом или правом углу лобового стекла автомобиля. Перед установкой датчика следует обезжирить поверхность стекла в месте монтажа спиртовой салфеткой. Температура стекла при монтаже должна быть не менее +10 оС.

Для установки сирены выберите место в моторном отсеке, которое хорошо защищено от доступа из-под днища автомобиля. Не размещайте сирену рядом с сильно нагревающимися узлами или подвижными компонентами. Для предотвращения скапливания влаги или грязи раструб сирены должен быть направлен вниз.
Для охраны капота и багажника необходимо установить два датчика (концевых выключателя). Эти датчики должны быть установлены на металлическую поверхность автомобиля, имеющую хороший контакт с кузовом. Важно выбрать такое место, где исключается возможность проникновения и (или) скопления воды. Выбирайте места, которые при закрытых капоте и багажнике, защищены резиновыми уплотнениями. Не устанавливаете датчики на водостоках. Датчики могут быть установлены с помощью скобы или в монтажном отверстии соответствующего размера. Помните, что при правильной установке подвижный шток датчика должен иметь свободный ход не менее S мм при закрытии капота или багажника. Датчик в багажном отделении не должен мешать погрузке и выгрузке багажа, а датчик под капотом - техническому обслуживанию автомобиля.
В комплект СТСТС входит светодиодный индикатор (СИД). который показывает состояние СТСТС. Он должен устанавливаться на приборной панели или на стойке и быть хорошо виден снаружи автомобиля, но не должен отвлекать водителя.
Выберите место на прочной поверхности в салоне и установите датчик удара при помощи двух винтов (пластиковых стяжек или двухсторонней липкой основы). Убедитесь в наличии свободного доступа к датчику для его регулировки. Увеличение чувствительности датчика происходит поворотом регулятора по часовой стрелке, уменьшение чувствительности производится поворотом регулятора против часовой стрелки.

(в комплект поставки не входит)

Выберите место в салоне автомобиля и установите датчик температуры со стороны салона при помощи двух винтов (пластиковых стяжек или двухсторонней липкой основы). Перед установкой датчика следует обезжирить поверхность в месте монтажа спиртовой салфеткой. Температура поверхности при монтаже должна быть не менее +10 оС.
Датчик должен быть легко доступен для регулировки. Увеличение температуры при которой СТСТС запустит двигатель происходит поворотом регулятора по часовой стрелке, уменьшение производится поворотом регулятора против часовой стрелки. Пределы регулировки температуры от - 30 оС (- 22 F) до 0 оС (+32 оF).


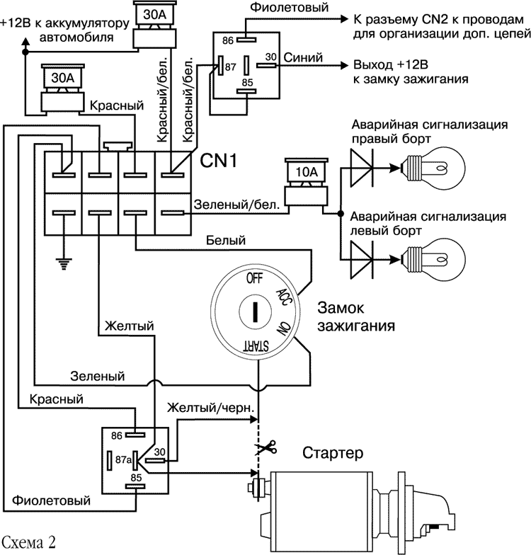
Этот провод подает питание на процессорный блок СТСТС.
Подключите красный провод к положительной клемме аккумулятора до штатных автомобильных предохранителей.
Дополнительное реле, подключенное к этому проводу, служит для организации цепи второго зажигания, второго стартера или вторых аксессуаров. Подключите фиолетовый провод этого реле к соответствующему проводу разъема CN2, синий провод подключите к соответствующему проводу замка зажигания.
Этот провод обеспечивает мигание аварийной сигнализации. В том случае, если в автомобиле необходимо разделить правую и левую цепи аварийной сигнализации, необходимо применить диодную развязку. Для диодной развязки попользуйте диоды с прямым током не менее 5A и обратным напряжением не менее 40В. Рекомендуется использовать:
Диоды производства России КД213(А-Г), КД2999(А-В), КД2997(А-В), КД270(А-Г), КД271(А-Г)
Диоды зарубежного производства SR540, SR560, SF52, SF54, 50SQ100
Этот провод подает питание на процессорный блок СТСТС.
Подключите красный провод к положительной клемме аккумулятора до штатных автомобильных предохранителей.
Этот провод подает питание на провод АСС замка зажигания.
Подключите белый провод к замку зажигания. На данном проводе должно появляться напряжение +12В в положении АСС и ON замка зажигания и пропадать при вращении стартера.
Этот провод служит для управления реле блокировки стартера.
Это программируемый выход (программируемая функция 2-8). При заводском значении функции 2-8 сигнал на этом проводе появится при постановке СТСТС в режим охраны. При опционном значении функции 2-8 сигнал на этом проводе появится при снятии СТСТС с режима охраны. Для правильного функционирования данного выхода, при выборе опционного значения функции 2-8 необходимо переставить желтый провод в колодке реле блокировки из позиции 87а в позицию 87.
При запуске двигателя от СТСТС блокировка автоматически снимается на время запуска двигателя.
Подключите фиолетовый провод к контакту 85 реле. Подключите контакт 86 реле к проводу от замка зажигания, на который поступает напряжение +12В в положении ON и START.
Для размыкания блокируемой цепи используйте 30 и 87а контакты реле при заводском значении программируемой функции 2-8 или 30 и 87 контакты при опционном значении программируемой функции 2-8.
Это транзисторный слаботочный (-200мА) выход и может использоваться только для управления реле (входит в комплект поставки).
Этот провод подает питание на стартер для запуска двигателя от СТСТС. Подключите желтый провод к проводу замка зажигания, на котором появляется +12В в положении START (при вращении стартера) после реле блокировки стартера (см. схему 2).
Этот провод подает питание на провод ON (зажигание 1) замка зажигания, а также служит для программирования брелоков, аварийного отключения СТСТС и входа в режим VALET.
Подключите зеленый провод к замку зажигания. На данном проводе появляется напряжение +12В в положении ON и не пропадает при вращении стартера.
В колодке разъема CN 1 вместе с зеленым проводом подключен красный провод, который подает питание на обмотку реле блокировки стартера.
Подключите черный провод к отрицательной клемме аккумулятора или к заземленным частям автомобиля.
Подключайте этот провод в местах подсоединения к Массе штатной проводки автомобиля.
Этот провод обеспечивает мигание аварийной сигнализации. Применяется на автомобилях с отрицательным управлением аварийной сигнализацией.
При использовании зеленого белого провода в разъеме CN1, данный провод не подключать.
Этот провод служит для управления реле блокировки зажигания или партера. Это программируемый выход (программируемая функция 2-8). При заводском значении функции 2-8 сигнал на этом проводе появится при постановке СТСТС в режим охраны. При опционном значении функции 2-8 сигнал на этом проводе появится при снятии СТСТС с режима охраны. При запуске двигателя от СТСТС блокировка автоматически снимается на время работы двигателя. Не рекомендуется использовать блокировку зажигания на автомобилях с автоматической коробкой передач.
Применяйте схему блокировки стартера. Этот провод может быть использован для управления модулями стеклоподъемников, люка и т.д.
Подключите черный провод к контакту 85 реле. Подключите контакт 86 реле к проводу от замка зажигания, на который поступает напряжение +12В в положении ON и START.
Для размыкания блокируемой цепи используйте 30 и 87а контакты реле при заводском значении программируемой функции 2-8 или 30 и 87 контакты при опционном значении программируемой функции 2-8.
Это транзисторный слаботочный (-200мА) выход и может использоваться только для управления реле (входит в комплект поставки).

Этот провод подает МАССУ на реле для организации дополнительной цепи зажигания. Подключите зеленый провод к 85 контакту дополнительного реле (например, к фиолетовому проводу реле организации доп. цепей замка зажигания на жгуте разъема CN1). Если вторая цепь зажигания не нужна, то не подключайте этот провод. При необходимости обхода штатного иммобилайзера этот провод используется для управления модулем SCHER-KHAN BP-2.
Этот провод подает МАССУ на реле для организации дополнительной цепи аксессуаров. Подключите белый черный провод к SS контакту дополнительного реле (например, к фиолетовому проводу реле организации доп. цепей замка зажигания на жгуте разъема CNU Если вторая цепь аксессуаров не нужна, то не подключайте этот провод.
Этот провод подает МАССУ на реле для организации дополнительной цепи стартера. Подключите красный/черный провод к 85 контакту дополнительного реле (например, к фиолетовому проводу реле организации доп. цепей замка зажигания на жгуте разъема CN1). Если вторая цепь стартера не нужна, то не подключайте этот провод.
Этот провод требуется для функционирования системы запуска двигателя.
Для автомобилей с механической коробкой передач:
При появлении МАССЫ на данном проводе во время работы двигателя. SCHER-KHAN MAGICAR IV начинает выполнять режим резервирования (переводит управление зажиганием на процессорный блок). СТСТС запрещает запуск двигателя если на данном проводе отсутствует МАССА в момент запуска.
Для автомобилей с турбо-двигателями:
В режиме ТУРБО при появлении МАССЫ на данном проводе, SCHER-KHAN MAGICAR IV переводит управление зажиганием на процессорный блок.
Подключите голубой провод к датчику стояночного тормоза.
Когда СТСТС находится в режиме охраны, замыкание серого черного провода на МАССУ вызовет мгновенный переход в режим тревоги. Когда двигатель запущен от СТСТС, появление МАССЫ на сером черном проводе вызовет мгновенное прекращение его работы. Если на данном проводе присутствует МАССА, СТСТС не будет выполнять автоматический запуск двигателя.
Установите датчик под капотом автомобиля и подключите к нему серый/черный провод. Возможно подключение серого черного провода к штатному датчику открытия капота (если он установлен). Если датчик управляет включением освещения моторного отсека, то необходимо применить диодную развязку для его подключения (см. схему 4). Диод может быть с максимальным прямым током 1 А. В схеме можно применить диод зарубежного производства типа 1N4000-1N4007 или Российский аналог КД243 (А-Ж).

Этот провод требуется для функционирования системы запуска двигателя. При появлении на данном проводе напряжения +12В во время работы двигателя от СТСТС, SCHER-KHAN MAGI CAR IV переводит управление зажиганием на замок зажигания. Если на этом проводе присутствует напряжение +12В в момент выполнения запуска, СТСТС не начнет выполнять алгоритм запуска двигателя. При выборе опционного значения функции 2-5 при включенном зажигании и появлении +12В на голубом/белом проводе, СТСТС запрет замки дверей.
Когда система стоит в режиме охраны, замыкание фиолетового черного провода на МАССУ вызовет мгновенный переход СТСТС в режим тревоги.
Установите датчик в багажнике автомобиля и подключите к нему фиолетовый черный провод. Возможно подключение фиолетового черного провода к штатному датчику открытия багажника (если он установлен). Если датчик управляет включением освещения багажника независимо от того, включены габаритные огни или нет, то применять диодную развязку не нужно (в большинстве автомобилей). Если данный датчик управляет включением освещения багажника только при включенных габаритных огнях, то необходимо применить диодную развязку (см. схему 5). Диод может быть с максимальным прямым током 1А. В схеме можно применить диод зарубежного производства типа 1N4000-1N4007 или Российский аналог КД24З (А-Ж).

Когда система стоит в режиме охраны, замыкание красного/белого провода на МАССУ вызовет мгновенный переход СТСТС в режим тревоги. Если датчики дверей замыкаются на МАССУ, подключите красный/белый провод к общему проводу, соединяющему датчики дверей автомобиля.
Если в автомобиле присутствует система плавного гашения салонного света, то необходимо включить диод в цепь лампы салонного света.
Схема 6: Подключение датчиков дверей на автомобилях без блока диагностики открытой двери. Диод выбирается так же, как в схеме 5.

Схема 7: Подключение датчиков дверей для автомобилей, имеющих блок диагностики открытой двери (на приборной панели имеется индикатор открытой двери указывающий на конкретную дверь). Задержка выключения салонного света происходит только после закрытия водительской двери. После закрытия любой из пассажирских дверей свет в салоне гаснет сразу.
Диоды VD1-VD4 могут быть любыми с обратным напряжением не ниже 30В (диоды зарубежного производства типа 1N4148,1N4000-1N4007 или Российские КД509, КД510, КД521, КД522, КД102, КД105, КД208, КД209). Диод VD5 выбирается так же, как в схеме 5.

Схема 8: Подключение датчиков дверей для автомобилей иностранного производства, имеющих блок диагностики открытой двери (на приборной панели имеется индикатор открытой двери с указанием на конкретную дверь). Задержка выключения салонного света происходит после закрытая любой из дверей.
Диоды VD1-YD4 могут быть любыми с обратным напряжением не ниже 30В (диоды зарубежного производства типа 1N4148, 1N4000-1N4007 или Российского КД102,КД105, КД208, КД209, КД509, КД510, КД521, КД522). Диоды VD5-VD8 выбираются так же, как и схеме 5.

Примечание:
Если задержка выключения салонного света происходит только после закрытия передних дверей, то диоды VD5-VD8 устанавливаются в цепь датчиков этих дверей.
Все функции красного/белого провода (см. ниже).
Если датчики дверей замыкаются на +12В, подключите красный провод к общему проводу, соединяющему концевые выключатели дверей автомобиля. При наличии в автомобиле функции задержки выключения салонного света, схемы подключения этого провода совпадают со схемами подключения красного/белого провода. Но в этом случае, потребуется изменить полярность включения всех диодов.
Этот провод используется только в том случае, если автомобиль имеет дизельный двигатель. При выполнении автоматического запуска двигателя. СТСТС не включит стартер до тех, пор пока на этом проводе не пропадет МАССА. Если этот провод подключен, то процессорный блок определит, что двигатель является дизельным и автоматически увеличит время прогрева до 25 или 45 мин. (в зависимости от положения переключателя DIP2 - см. ниже).
Подключите коричневый, черный провод к проводу лампы индикации прогрева свечей накаливания на приборной панели или к проводу под капотом, на котором появляется МАССА на время прогрева свечей.
Примечание:
Не используйте коричневый/черный провод, если автомобиль имеет бензиновый двигатель.
Все функции коричневого черного провода.
Подключите коричневый/белый провод к проводу лампы индикации прогрева свечей накаливания на приборной панели или к проводу под капотом, на котором появляется напряжение +12В на время прогрева свечей.
Примечание:
Не используйте коричневый/белый провод, если автомобиль имеет бензиновый двигатель.
Входной сигнал для датчика тахометра генератора. По наличию сигнала на желтом, черном проводе СТСТС получает информацию о том, что двигатель работает, а также определяет время, необходимое для вращения стартера при автоматическом запуске двигателя.
Если выбрано опционное значение функции 2-5 (запирание замков дверей при включенном зажигании), то при исчезновении сигнала на желтом/черном проводе СТСТС отопрет замки дверей. СТСТС не будет выполнять алгоритм автоматического запуска двигателя, если на данном проводе присутствует сигнал.
Это программируемый вход (в зависимости от положения переключателя DIP1 - см. ниже). СТСТС определяет, что двигатель работает либо по наличию напряжения более +9В на желтом проводе (датчик генератора), либо по присутствию на этом проводе импульсов от тахометра (датчик тахометра).
Если Вы выберете датчик генератора, то переключите DIP1 в положение OFF. Найдите тонкий провод, идущий от генератора к лампе заряда аккумулятора на приборной панели и соедините его с желтым черным проводом. При включенном зажигании, пока не запущен двигатель, напряжение на этом проводе должно быть менее 5В, а при запущенном двигателе от 9В до 14В. Можно использовать датчик аварийного давления масла, но в этом случае необходимо применять типы масел, имеющих постоянную вязкость в широких пределах температур. При применении сильно густеющих масел возможно преждевременное прекращение вращения стартера при автоматическом запуске.
Примечание:
Предпочтительно использовать желтый черный провод как вход датчика генератора. Если нет возможности найти нужный провод, то используйте желтый/черный провод как входной сигнал датчика тахометра.
Если Вы выберете датчик тахометра, то переключите DIP1 в положение ON. Найдите тонкий провод, идущий от тахометра, на котором присутствует пульсирующее напряжение во время работы двигателя, и соедините его с желтым/черным проводом. Вам понадобится произвести программирование времени, необходимого для вращения стартера. Для этого:
Если Вы услышите три коротких сигнала, то это значит, что программирования не произошло. Через 2 сек. СТСТС укажет на причину этого вспышками аварийной сигнализации:
1 вспышка - DIP1 не переключен в положении ON
2 вспышки - не включено зажигание
3 вспышки - низкий уровень сигнала на желтом/черном проводе или сигнал отсутствует
Этот провод не используется.
Фиолетовый/белый провод замыкается на МАССУ на 0,5 сек. при нажатии и удержании в течение 1 сек. кнопки III брелока.
Данный выход работает при любом состоянии СТСТС (в режиме охраны и в режиме снято с охраны). В режиме охраны отпирание замка багажника приводит к снятию СТСТС с режима охраны и отпиранию дверей автомобиля.
Это транзисторный слаботочный (-200мА) выход. Он может использоваться только для управления дополнительно установленным реле.
Подключите фиолетовый/белый провод к контакту 85 реле управления замком багажника и подключите остальные контакты реле в соответствии с приведенными ниже схемами.

Если в автомобиле штатно установлена кнопка управления замком багажника, то используйте схему 9.
Если в автомобиле не установлена кнопка отпирания замка багажника, то рекомендуется применить схему 10. Кнопка управления замком багажника из салона, как и блок СТСТС, управляет дополнительным реле. В схеме 10 нагрузка на кнопку минимальна и она имеет больший ресурс, чем в схеме 9.

Оранжевый/черный провод предназначен для отпирания всех дверей. Если запрограммирована функция 1-4 (приоритетное отпирание двери водителя), то сигнал на данном выходе появится при повторном нажатии кнопки 1 брелока в течение 5 сек. после снятия СТСТС с режима охраны.
Если функция 1-4 выключена, то сигнал на данном проводе появится одновременно с сигналом отпирания ЦЗ.
Это транзисторный слаботочный (-200мА) выход. Он может использоваться только для управления дополнительно установленным реле.
Подключите оранжевый/черный провод к контакту 85 реле отпирания всех дверей и подключите остальные контакты реле в соответствии со схемой 11. На ней приведено подключение к опционно устанавливаемым электрозамкам дверей, которым для управления требуются импульсы с инверсией полярности. Если используются электрозамки иной конструкции, то необходимо изменить подключение контактов 87, 87а и 30 всех реле для обеспечения их работоспособности.

Примечание.
Для реализации функции приоритетного отпирания двери водителя при наличии штатного ЦЗ автомобиля, необходимо отключить электрозамок водительской двери от схемы ЦЗ. Либо перепрограммировать штатный ЦЗ у автомобильного дилера (если в нем предусмотрена функция приоритетного отпирания двери водителя).
Этот выход может быть предназначен для отпирания электрозамка водительской двери отрицательным импульсом, если запрограммирована функция 1-4 (назначение оранжевого черного провода в разъеме CN4 - см. ниже). Длительность сигнала на этом проводе программируется (программируемая функция 1-2).
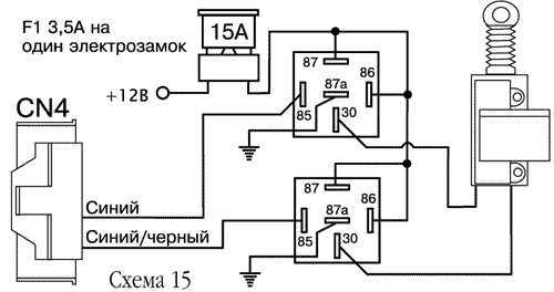
Сигнал отпирания ЦЗ (-250мА) на синем проводе появляется:
Сигнал запирания ЦЗ (+12В, 250мА) на синем проводе появляется:
Это транзисторный слаботочный (-/+ 250мА) выход. Он может использоваться только для управления дополнительно установленным реле или для подключения к блоку ЦЗ.
Подключите синий провод к контакту 85 реле или к соответствующему проводу отпирания блока ЦЗ. Подключите остальные контакты реле в соответствии с приведенными ниже схемами (схемы 12 - 24).
Этот выход может быть предназначен для отпирания электрозамка водительской двери положительным импульсом, если запрограммирована функция 1-4 (приоритетное отпирание двери водителя - см. назначение оранжевого черного провода в разъеме CN4). Длительность сигнала на этом проводе программируется (программируемая функция 1-2).
Сигнал запирания ЦЗ (-250мА) на синем черном проводе появляется:
Сигнал отпирания ЦЗ (+12В, 250мА) на синем черном проводе появляется:
Это транзисторный слаботочный (-/+ 250мА) выход. Он может использоваться только для управления дополнительно установленным реле или для подключения к блоку ЦЗ.
Подключите синий черный провод к контакту 85 реле или к соответствующему проводу отпирания блока ЦЗ. Подключите остальные контакты реле в соответствии с приведенными ниже схемами (схемы 12 - 24).


Если использовать оранжевый/черный провод разъема CN4, то возможно реализовать раздельное отпирание передних и задних дверей.


Для правильного функционирования ЦЗ подобного типа необходимо увеличить длительность импульса управления до 2.5 сек. Для этого нужно выбрать опционное значение программируемой функции 1-2.
Для подключения к модулю ЦЗ необходимо найти и перерезать провод управления компрессором.

ВНИМАНИЕ!
Не путайте концы разрезанного провода управления. Это может привести к выходу из строя компрессора блока ЦЗ. Для определения провода используйте только цифровой вольтметр. Применение контрольной лампы исключено.


Этот провод предназначен для перепостановки в режим охраны заводской СТСТС (если она установлена). Наличие импульса в режиме дистанционного или автоматического запуска двигателя определяется значением программируемой функции 1-1 (импульс постановки в режим охраны заводской СТСТС после выполнения автоматического запуска двигателя).
Длительность сигнала на оранжевом проводе не может быть изменена программируемой функцией 1-2 (длительность импульса управления ЦЗ). Сигнал на этом проводе не будет появляться при запирании ЦЗ с брелока СТСТС, если включено зажигание и (или) СТСТС находится в режиме VALET.
Подключите оранжевый провод к проводу постановки в режим охраны заводской СТСТС, который можно найти на блоке заводской СТСТС или на замке водительской двери.
Это транзисторный слаботочный (-200мА) выход. Он может использоваться только для управления дополнительно установленным реле.
Этот провод предназначен для снятия с охраны заводской СТСТС (если она установлена). Наличие импульса в режиме автоматического запуска двигателя определяется значением программируемой функции 1-1 (импульс снятия с охраны заводской СТСТС перед выполнением запуска двигателя). Длительность сигнала на оранжевом/белом проводе не может быть изменена программируемой функцией 1-2 (длительность импульса управления ЦЗ). При включенной программируемой функции 1-4 (приоритетное отпирание двери водителя), сигнал на оранжевом/белом проводе будет появляться одновременно с сигналом (-250мА) на синем проводе CN4 (отпирание двери водителя) или с сигналом (+250мА) на синем/черном проводе CN4 (отпирание двери водителя). При включенной программируемой функции 1-5 (двойной импульс отпирания ЦЗ), сигнал на оранжевом/белом проводе будет появляться одновременно с первым импульсом (-250мА) на синем проводе или (+250мА) на синем/черном CN4. Сигнал на оранжевом/белом проводе не будет появляться при отпирании ЦЗ с брелока СТСТС, если зажигание включено. Когда СТСТС находится в режиме VALET, сигнал на оранжевом/белом проводе будет появляться одновременно с сигналом (-250мА.) на синем или (+250мА) на синем/черном проводе CN4 (отпирание двери водителя) при выключенном зажигании и отпирании ЦЗ с брелока.
Подключите оранжевый/белый провод к проводу снятия с режима охраны заводской СТСТС, который можно найти на блоке заводской СТСТС или на замке водительской двери.
Это транзисторный слаботочный (-200мА) выход. Он может использоваться только для управления дополнительно установленным реле.
Этот провод служит для управления реле включения салонного света. При снятии СТСТС с режима охраны на данном выходе будет появляться сигнал низкого уровня (-200мА) на 60 сек. Сигнал на данном выходе пропадет сразу при автоматическом запирании замков дверей и включении зажигания.
При использовании схем 25, 26 включение салонного света равносильно открытию двери. В СТСТС предусмотрена программируемая функция 1-6. При включении данной функции режим автоматической перепостановки в охрану будет происходить всякий раз через 60 сек. после снятия с охраны.
Если выбрано заводское значение функции 1-6, то автоматическая перепостановка в режим охраны будет происходить через 30 сек. после выключения салонного света, т.е. через 90 сек.
Это транзисторный слаботочный (-200мА) выход. Он может использоваться только для управления дополнительно установленным реле.

Если схемы 25, 26 дополнить диодом, то работа салонного света не будет влиять на автоматическую перепостановку в режим охраны. При применении схем 27, 28, перепостановка в режим охраны будет происходить через 30 сек. после снятия с охраны, если не была открыта дверь. Диод в обеих схемах должен выбираться с учетом максимального тока в цепи салонного света. Если в салоне автомобиля имеется один плафон освещения с одной пли двумя лампами по 5 Вт, то диод может быть с максимальным прямым током 1 А. В данных схемах можно применить диод зарубежного производства типа 1N4000-1N4007 или Российский аналог КД243(А-Ж).
Если мощность ламп выше, то необходимо применять диод зарубежного производства типа 1N5402-1N5408 или Российский аналог КД257(А-Д), рассчитанный на прямой ток ЗА.
Это транзисторный слаботочный (-200мА) выход. Он может использоваться только для управления дополнительно установленным реле.

Данный провод предназначен для подключения сирены. В режиме тревоги на нем появляется постоянное напряжение +12В, 2А на 30 сек.
Протяните этот провод через резиновую втулку в моторный отсек к месту установки сирены.
Подключение к неавтономной сирене:
Подключение к автономной сирене:
Данный провод предназначен для реле звукового сигнала. В режиме тревоги на нем появляется прерывистый сигнал на 30 сек.
Подключите этот провод к реле управления заводским сигналом автомобиля. Это транзисторный слаботочный (-200мА) выход. Он может использоваться только для управления реле.
Данный выход работает при любом состоянии СТСТС (в режиме охраны и в режиме снято с охраны).
Работа данного выхода программируется и может иметь два режима:
Это транзисторный слаботочный (-200мА) выход. Он может использоваться только для управления дополнительно установленным реле.
Подключите желтый провод к контакту 85 дополнительного реле и подключите остальные контакты реле в соответствии с выбранной функцией дополнительного канала 1 (см. схему 29).

Примечание:
При использовании модуля расширения каналов SCHER-KHAN АUХ-7 этот выход работает как информационная шина данных и позволяет организовать до 7 дополнительных каналов с различными алгоритмами работы. Для совместного функционирования СТСТС SCHER-KHAN MAGICAR IV и модуля SCHER-KHAN AUX-7 необходимо установить определенные значения программируемых функций 2-9 и 2-10. Для установки нужных значений необходимо использовать Программатор функций SCHER-KHAN СM3.
Программатором SCHER-KHANCM3 можно установить длительный или импульсный (от 1 до 99 сек.) сигнал по любому из семи каналов.
Данный выход работает при любом состоянии СТСТС (в режиме охраны и в режиме снято с охраны).
Работа данного выхода программируется и может иметь два режима:
Это транзисторный слаботочный (-200мА) выход. Он может использоваться только для управления дополнительно установленным реле.
Подключите желтый белом провод к контакту 85 дополнительного реле и подключите опальные контакты реле в соответствии с выбранной функцией дополнительного канала 2 (см. схему 29).
Проложите провода с 2-контактным разъемом от СИД к процессорному блоку СТСТС и подсоедините их к разъему CN6.
Черный провод: (-) Выход на СИД
Черный/белый провод: (+) Выход на СИД
Проложите провода с 4-контактным разъемом от датчика удара к процессорному блоку СТСТС и подсоедините их к 4-контактному разъему CN7.
Черный провод: МАССА на датчик удара
Белый провод: Вход от зоны тревоги (сильное воздействие)
Красный провод: (+12В) Питание датчика удара
Желтый провод: Вход от зоны предупреждения датчика удара

Подключите сигнальные провода oт дополнительного датчика к разъему CN8.
Черный/белый провод: (-) Вход от зоны тревоги (сильное воздействие)
Серый/белый провод: (-) Вход от зоны предупреждения (слабое воздействие)
Проложите провода с 4-контактным разъемом от датчика вызова к процессорному блоку СТСТС и подсоедините их к 4-контактному разъему CN9.
Черный провод: МАССА на датчик вызова
Белый провод: Вход сигнала от датчик вызова
Красный провод: (4-) Выход на СИД датчика вызова
Желтый провод: (-) Выход на СИД датчика вызова
Проложите провода с 3-контактным разъемом от датчика температуры SCHER-KHAN ТЕ-1 (в комплект поставки не входит) к процессорному блоку СТСТС и подсоедините их к 3-контактному разъему CN10. Для правильной работы датчика температуры необходимо установить опционное значение программируемой функции 2-1.
Серый провод: (4-12В) Питание датчика температуры
Коричневый провод: (-) Вход от датчика температуры
Если двигатель автомобиля не запущен, то появление МАССЫ на коричневом проводе вызовет начало запуска двигателя (для автомобилей с механической трансмиссией необходимо выполнение алгоритма резервирования - см. ниже). Если двигатель автомобиля запущен автоматически, то появление МАССЫ на коричневом проводе мгновенно его заглушит.
Примечание:
При использовании датчика температуры SCHER-KHAX ТЕ-1 и опционном значении программируемой функции 2-1, запуск двигателя по команде от датчика производится не чаще интервала времени установленного программируемой функцией 2-2 (каждые 24 или 2 часа)
Этот провод можно использовать для запуска двигателя от внешнего устройства. Для возможности запуска двигателя в любое время необходимо выбрать заводское значение программируемой функции 2-1.
Проложите провода с 4-контактным разъемом от антенного блока к процессорному блоку СТСТС и подсоедините их к 4-контактному разъему CN11.
Желтый провод: Цифровой вход линии приема данных
Белый провод: Цифровой выход линии передачи данных
Красный провод: (+12В) Питание антенного блока
Черный провод: МАССА на антенный блок
Примечание:
При использовании Программатора функции SCHER-KHAX СМ3 разьем СМ1 используется для его подключения. Отсоедините кабель от антенного блока и подключите его к программатору функция SCHER-KHAN СМ3.
Программирование функций СТСТС с помощью брелока состоит из четырех шагов.
Вход в режим программирования и выбор меню программирования.
Для входа в Меню №1 "Функции центрального замка" нажмите одновременно кнопки I+II на 2 сек.
Для входа в Меню №2 "Охранные функции и работа дополнительных каналов" нажмите одновременно кнопки I+IV на 2 сек.
Сирена подаст один короткий сигнал, аварийная сигнализация вспыхнет один раз, подтверждая тем самым успешное выполнение ШАГА 1.
Нажмите кнопку IV для выбора функции Меню, которую требуется изменить. Например, для выбора функции 4 необходимо четыре раза коротко нажать кнопку IV брелока.
Подождите несколько секунд. СТСТС подтвердит номер выбранной для изменения функции короткими сигналами сирены и вспышками аварийной сигнализации. Количество сигналов будет соответствовать номеру выбранной функции.
Примечание:
Если при выборе функции Вы ошиблись с количеством нажатий и (или) ОТСУТСТВУЮТ сигналы сирены и аварийной сигнализации, то необходимо повторить все действия, начиная с ШАГА 1.
Нажмите кнопку I для выбора заводского значения функции. В подтверждение этого сирена подаст один короткий сигнал, аварийная сигнализация вспыхнет один раз. Нажмите кнопку II для выбора опционного значения функции. В подтверждение этого сирена подаст два коротких сигнала, аварийная сигнализация вспыхнет два раза.
Примечание:
Если Вы услышали один продолжительный сигнал сирены, то это означает выход СТСТС из режима программирования функций. Для продолжения программирования необходимо повторить все действия, начиняя с ШАГА 1.
ВНИМАНИЕ!
Если необходимо изменить более одной функции из выбранного Вами Меню, то выбор каждой функции для изменения необходимо начинать с ШАГА 1.
Для установки заводских значений программируемых функций необходимо выполнить два шага.
Вход в режим программирования.
Нажмите одновременно кнопки I+II или кнопки I+IV на 1 сек. Сирена подаст один короткий сигнал, аварийная сигнализация вспыхнет один раз, подтверждая тем самым успешное выполнение ШАГА 1.
Три раза коротко нажмите кнопку III брелока. Каждое нажатие будет подтверждаться коротким сигналом сирены и вспышкой аварийной сигнализации. Через некоторое время после этого прозвучат три сигнала сирены, аварийная сигнализация вспыхнет три раза, подтверждая установку заводских значений всех программируемых функций.
Меню №1 "Функции центрального замка"
| № п/п. | Функция | Заводское значение (Выбирается кнопкой I) |
Опционное значение (Выбирается кнопкой II) |
|---|---|---|---|
| 1-1 | Снятие с охраны заводской СТСТС перед запуском двигателя и постановка на охрану после запуска | Выключено | Включено |
| 1-2 | Длительность импульса управления ЦЗ | 0,8 сек. | 2,5 сек. |
| 1-3 | Минимальное время вращения стартера при запуске с контролем запуска по датчику генератора | 0,8 сек. | 1 сек. |
| 1-4 | Приоритетное отпирание двери водителя | Выключено | Включено |
| 1-5 | Двойной ИМПУЛЬС отпирания ЦЗ | Выключено | Включено |
| 1-6 | Автоматическая перепостановка в режим охраны после выключения вежливой подсветки | Выключена | Включена |
| 1-7 | Режим ТУРБО | Выключен | Включен |
| Функция доступная только с программатора функции SCHER-KHAN СМЗ: | |||
| 1-8 | Задержка перед запуском двигателя | 2 сек. | 3-99 сек. |
Примечание к функции 1-4:
| № п/п. | Функция | Заводское значение (Выбирается кнопкой 1) |
Опционное значение (Выбирается кнопкой II) |
|---|---|---|---|
| 2-1 | Запуск от датчика температуры | Выключено | Включено |
| 2-2 | Интервалы запуска (при запуске по таймеру и (или) датчику температуры) | 24 часа | 2 часа |
| 2-3 | Запирание электрозамком дверей при пассивной постановке на охрану | При пассивной постановке на охрану замки дверей запираются | При пассивной постановке на охрану замки дверей не запираются |
| 2-4 | Режим JackStop (защита от ограбления) | Выключен (только ПАНИКА) | Включен |
| 2-5 | Автоматическое управление замками дверей при включении/выключении зажигания | Выключено | Включено |
| 2-6 | Работа дополнительного канала 1 | Импульс 0,5 сек. | Длительный сигнал |
| 2-7 | Работа дополнительного канала 2 | Импульс 0,5 сек. | Длительный сигнал |
| 2-8 | Тип реле блокировки | HЗ (нормально замкнутое) | HP (нормально разомкнутое) |
| Функция доступная только с программатора функции SCHER-KHAN СМЗ: | |||
| 2-9 | Использование модуля SCHER-KHAN AUX-7 | Модуль не используется | Модуль используется |
| 2-10 | Функция короткого одновременного нажатия кнопок II+III брелока | Пассивная постановка в режим охраны | Управление дополнительными каналами |
Внимание! (к функции 2-3):
Пассивная постановка на охрану не является программируемой функцией. Она включается и выключается оперативно с брелока одновременным кратковременным нажатием кнопок II+III.
Примечание к функции 2-4:
Данная функция позволяет выбрать режим ПАНИКА или режим JackStop (защита от ограбления):
| ПАНИКА | JackStop | |
|---|---|---|
| Кнопка | кнопка IV на 2 сек. | кнопка IV на 2 сек. |
| Сирена | Сирена звучит 1,5 мин. | Сирена звучит 1,5 мин. |
| Блокировка стартера | Блокировка зажигания | |
| Блокировка партера | Не используется | |
| Блокировка зажигания | Не используется | Включается немедленно, если зажигание выключено. Включается через 30 сек. после 2-сек. нажатия кнопки IV, если зажигание выключено. |
Примечание к функции 2-5:
При включении функции 2-5, замки дверей будут автоматически заперты после нажатия на педаль тормоза, если зажигание включено и закрыты двери. Отпирание замков дверей происходит немедленно при выключении зажигания.
Примечание к функциям 2-9, 2-10:
Для установки нужных значений необходимо использовать Программатор функций SCHER-KHAN СМ3. Вход в эти пункты меню с брелока невозможен. При отсутствии МОДУЛЯ SCHER-KHAN АUX-7 не включайте опционное значение функции. Назначение кнопок брелока при работе СТСТС с модулем SCHER-KHAN АUХ-7 см. ниже).
Под сдвижной крышкой на основном блоке СТСТС находятся два DIP переключателя и петля JP1. Они служат для программирования функций, которые зависят от типа автомобиля.
Если автомобиль с механической трансмиссией (ручной коробкой передач), то петля должна быть замкнута. Для автоматического запуска двигателя необходимо по окончании поездки выполнить алгоритм резервирования (см. ниже).
Если автомобиль с автоматической трансмиссией, то петля должна быть разомкнута.
ВНИМАНИЕ!
Если на автомобиле используется автоматическая трансмиссия, и вращение стартера возможно вне положения Р (парковка), то используйте режим работы с ручной коробкой передач. При этом необходимо выполнение алгоритма резервирования для автоматического запуска (см. ниже).
Если переключатель находится в положении OFF, то СТСТС получает информацию о запуске двигателя по постоянному напряжению на желтом/черном проводе разъема CN3 от генератора (см. выше).
Если переключатель находится в положении ON, то СТСТС получает информацию о запуске двигателя по появлению сигналов от тахометра. При этом Вам понадобится произвести программирование времени, необходимого для вращения стартера (см. выше).
Вы можете установить два значения времени прогрева двигателя при автоматическом запуске. Для дизельных двигателей время указано в скобках:
OFF-15 мин. (25 мин.)
ON-25 мин. (45 мин.)
Режим резервирования исключает возможность автоматического запуска двигателя, если рычаг ручной коробки передач не установлен в нейтральное положение. Для выполнения резервирования (подготовки автомобиля к последующему автоматическому запуску двигателя) выполните следующие действия:
Открытие двери после выполнения пятого пункта сделает невозможным автоматический запуск двигателя. Диагностика причин его невыполнения описана ниже.
Если не будет выполнен хотя бы один шаг из вышеприведенного алгоритма, то режима резервирования не будет и автоматический запуск двигателя не произойдет.
ВНИМАНИЕ!
Перед выходом из автомобиля закройте люк и стекла.
Не оставляйте в автомобиле людей и животных при выполнении режима резервирования.
Не выполняйте автоматический запуск двигателя, если в автомобиле находятся люди или животные.
Оставляйте рычаг коробки передач всегда в нейтральном положении.
Не используйте автоматический запуск двигателя на автомобилях с открытым верхом.
В случае невозможности выполнения автоматического запуска, СТСТС выдаст три коротких сигнала сирены и три коротких сигнала брелока. Через 2 сек. СТСТС укажет на причину невозможности запуска вспышками аварийной сигнализации.
| Количество вспышек | Причина |
|---|---|
| 1 | Двигатель запущен |
| 2 | Включено зажигание |
| 3 | Открыта дверь |
| 4 | Открыт багажник |
| 5 | Нажата педаль тормоза |
| 6 | Открыт капот |
| 7 | Не выполнен режим резервирования (только для автомобилей с механической трансмиссией) |
Система может запомнить коды трех брелоков. Для программирования новых брелоков выполните два шага.
ШАГ 1:
Три раза поверните ключ в замке зажигания из положения OFF в положение ON. Аварийная сигнализация вспыхнет один раз, подтверждая вход в режим программирования.
ШАГ 2:
Не позднее 4 сек. после вспышки аварийной сигнализации нажмите кнопку I брелока, код которого необходимо ввести в память блока СТСТС.
Для выхода из режима программирования не предпринимайте никаких действий в течение 4 сек. после записи кода последнего брелока.
Если после шага 1 не предпринимать никаких действий, то через 4 сек. аварийная сигнализация вспыхнет 2 раза, СТСТС перейдет из режима программирования брелоков в режим VALET (если не запрограммирован персональный код аварийного отключения).Примечание:
СТСТС имеет три ячейки памяти для хранения колов брелоков. При попытке записи четвертого брелока код первого записанного брелока будет удален.
Если функция 2-10 выключена, то есть возможность управлять только двумя дополнительными каналами. При этом, коротким одновременным нажатием кнопок II+III брелока Вы можете включать или выключать функцию пассивной постановки в режим охраны. Время импульсов на выходах дополнительных каналов 1 и 2 (коричневый и черный белый провод SCHER-KHAN AUX-7 будет соответствовать установленному Программатором SCHER-KHAN CМ3.
Если функция 2-10 включена, то можно управлять всеми каналами. При этом, коротким одновременным нажатием кнопок II+III брелока Вы можете включать или выключать функцию управления каналами 1, 2, 3, 4, 5, 6, 7. Пассивную постановку в режим охраны в этом случае включить нельзя. При необходимости пассивной постановки СТСТС в режим охраны пользуйтесь функцией "Свободные руки" (см. "Руководство по эксплуатации").
| Кнопка | Время нажатия | Функция 2-10 (заводское значение) | Функция 2-10 (опционное значение) | |
|---|---|---|---|---|
| Метка "пассивная постановка" на брелоке ВЫКЛ. | Метка "пассивная постановка" на брелоке ВКЛ. | |||
| I | 0,5 сек. | Канал 1 | ||
| II | 0,5 сек. | Канал 1 | Канал 1 | Канал 2 |
| III | 0,5 сек. | Канал 2 | Канал 2 | Канал 3 |
| IV | 0,5 сек. | Канал 4 | ||
| II | 2 сек. | Канал 5 | ||
| III | 2 сек. | Канал 6 | ||
| IV | 2 сек. | Канал 7 | ||
Примечание:
При любом значении функции 2-10 сохраняется возможность управления дополнительным каналом 1 и дополнительным каналом 2.
Внимание!
Опционные значения функции 2-9 и 2-10 могут быть изменены пользователем на заводские значения. Их восстановление потребует подключения Программатора функций SCHER-KHAN СМЗ. Используйте каналы 3, 4, 5, 6, 7 только для управления сервисными устройствами, не применяйте их для дополнительных блокировок двигателя.
2.11.2003