Система SCHER-KHAN MAGICAR V является автомобильной сигнализацией с возможностью управления по радиоканалу посредством брелока-коммуникатора с жидкокристаллическим дисплеем. Система осуществляет обмен информацией между брелоком-коммуникатором и процессорным блоком на расстояние до 1500 м. В SCHER-KHAN MAGICAR V предусмотрена функция автоматического запуска двигателя по командам с брелока или по командам от внутреннего таймера. Система предназначена для работы на бензиновых или дизельных автомобилях с системой впрыска топлива и напряжением бортовой сети 12В. Защита процессорного блока, датчика удара, датчика вызова, антенного блока выполнена по стандарту IP-40 и предусматривает установку в салоне автомобиля. Сирена выполнена по стандарту IP-65 и может быть установлена в моторном отсеке, вдали от выпускного коллектора и высоковольтных систем.
| Длительность | Частота срабатывания | |
|---|---|---|
| Звуковой на сирену (ток I = 2А) | 30 сек. | Непрерывно |
| Оптический, один канал с использованием аварийной сигнализации (ток по каналу I = 2х5 А) | 30 сек. | Прерывисто с частотой 1 Гц |
| Посредством передачи сигналов по радиоканалу на расстояние до 1500 м | 100 мсек. | Прерывисто с частотой 0,35 Гц |
| СТСТС управляет подачей питания на: | Максимальный ток по каналу |
|---|---|
| Цепь блокировки стартера или зажигания | Imax = 0,2 А |
| Цепь аварийной сигнализации левого борта | I =10 А |
| Цепь аварийной сигнализации правого борта | I =10 А |
| Цепь зажигания | Ток I = 30 А |
| Цепь аксессуаров | Ток I = 30 А |
| Цепь стартера | Ток I = 30 А |
| Цепь зажигания 2 | Ток I = 0,2 А |
| Дополнительная сирена | Ток I = 2 А |
| Реле управления отпиранием электрозамков дверей или отпиранием штатной системы Центрального замка (ЦЗ) автомобиля | Ток I = до 15 А |
| Реле управления запиранием электрозамков дверей или запиранием штатной системы Центрального замка (ЦЗ) автомобиля | Ток I = до 15 А |
| Реле управления электроприводом замка багажника | Ток I = 10 А |
| Канал управления дополнительным устройством 1 | Ток I = 0,2 А |
| Канал управления дополнительным устройством 2 | Ток I = 0,2 А |
| Канал снятия с охраны штатно установленной на автомобиле СТСТС | Ток I = 0,2 А |
Предохранителями. (Автомобильные предохранители замедленного действия в соответствии со схемой подключения)
| Защищаемые зоны | Методы защиты |
|---|---|
| Контактные датчики (открытие двери, капота/багажника, включение зажигания) | Тревожный сигнал с ограничением времени срабатывания до 30 сек. в одном цикле и невозможностью его отключения после постановки на охрану |
| Датчик удара (возможно отключение датчика до или после постановки на охрану) | Тревожный сигнал с ограничением времени срабатывания до 30 сек. в одном цикле и невозможностью его отключения после постановки на охрану |
| Радиоканал управления | Использование защищенного алгоритма кодирования передаваемых команд и узкополосной FSK - модуляции, и системы динамического кодирования |
| Процессорный блок | ||
|---|---|---|
| Параметр | Значение | |
| Мин. | Макс. | |
| Напряжение питания (В) | 9 | 18 |
| Ток потребления процессорного блока в дежурном режиме* | 20 | 30 |
| Диапазон рабочих температур °С | -40 | 85 |
| Вес (г) | 270 | |
| Габариты (мм) | 155х116х39 | |
| Напряжение и тип элемента | Срок службы одного комплекта элементов питания | |
| Процессорный блок | 12В (автомобильный аккумулятор) | Ограничено сроком службы АКБ автомобиля |
| Брелок-коммуникатор | 1,5В (батарея ААА) | Около 6 месяцев* |
* В таблице приведено среднее значение. Срок службы элемента питания брелока зависит от интенсивности пользования брелоком и качества элемента питания, режимов работы брелока.
ВНИМАНИЕ!
Применяйте только качественные элементы питания. Применение элемента питания низкого качества может привести не только к сокращению срока службы брелока, но и к его повреждению.
Выберите место для установки процессорного блока в салоне (например, за или под приборной панелью) и закрепите его при помощи пластиковых стяжек или двусторонней липкой основы. После установки и подключения процессорного блока его необходимо обучить коду брелока.
ВНИМАНИЕ!
Не устанавливайте процессорный блок в моторном отсеке, так как корпус блока не герметичен. Также избегайте установки блока непосредственно на электронные компоненты автомобиля. Эти компоненты могут быть источниками радиопомех.
Антенный блок может быть установлен в верхнем углу лобового стекла. Расстояние от антенны до ближайшей металлической поверхности должно быть не менее 50 мм. Перед установкой антенного блока следует обезжирить поверхность стекла в месте монтажа спиртовой салфеткой. Температура стекла при монтаже должна быть не менее +10° С.
Допустима скрытая установка антенного блока. При скрытой установке возможна некоторая потеря в дальности связи.
Возможные места установки:
Датчик вызова из автомобиля может быть установлен в нижнем левом или правом углу лобового стекла автомобиля. Перед установкой датчика следует обезжирить поверхность стекла в месте монтажа спиртовой салфеткой. Температура стекла при монтаже должна быть не менее +10°С.
Для установки сирены выберите место в моторном отсеке, которое хорошо защищено от доступа из-под днища автомобиля. Не размещайте сирену рядом с сильно нагревающимися узлами или подвижными компонентами. Для предотвращения скапливания влаги или грязи раструб сирены должен быть направлен вниз.
Для охраны капота/багажника необходимо установить два датчика (концевых выключателя). Эти датчики должны быть установлены на металлическую поверхность автомобиля, имеющую хороший контакт с кузовом. Важно выбрать такое место, где исключается возможность проникновения и (или) скопления воды. Выбирайте места, которые при закрытых капоте и багажнике защищены резиновыми уплотнениями. Не устанавливайте датчики на водостоках. Датчики могут быть установлены с помощью скобы или в монтажном отверстии соответствующего размера. Помните, что при правильной установке подвижный шток датчика должен иметь свободный ход не менее 5 мм при закрытии капота или багажника. Датчик в багажном отделении не должен мешать погрузке и выгрузке багажа, а датчик под капотом - техническому обслуживанию автомобиля.
Выберите место на прочной поверхности в салоне и установите датчик удара при помощи двух винтов (пластиковых стяжек или двусторонней липкой основы). Убедитесь в наличии свободного доступа к датчику для его регулировки. Увеличение чувствительности датчика происходит поворотом регулятора по часовой стрелке, уменьшение чувствительности производится поворотом регулятора против часовой стрелки.
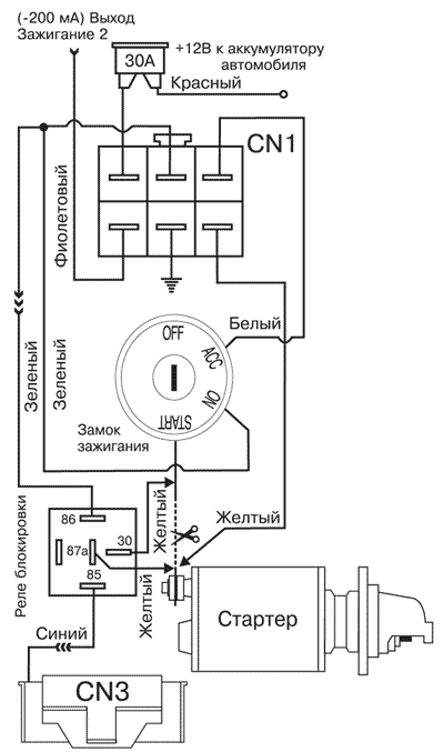
1. Белый провод: (+ 12В, 30А) выход на аксессуары
Этот провод подает питание на провод АСС замка зажигания. Подключите белый провод к замку зажигания. На данном проводе должно появляться напряжение +12В в положениях АСС и ON замка зажигания и пропадать при вращении стартера (см. схему 2).
2. Желтый провод: (+ 12В, 30А) выход на стартер
Этот провод подает питание на стартер для запуска двигателя от процессорного блока. Подключите желтый провод к проводу замка зажигания, на котором появляется +12В в положении START (при вращении стартера) после реле блокировки стартера (см. схему 2).
3. Зеленый провод: (+ 12В, 30А) выход на зажигание
Этот провод подает питание на провод ON (зажигание 1) замка зажигания, а также служит для программирования брелоков, аварийного отключения СТСТС и входа в режим VALET. Подключите зеленый провод к замку зажигания. На данном проводе появляется напряжение +12В в положении ON и не пропадает при вращении стартера (см. схему 2).
4. Черный провод: Масса
Подключите черный провод к отрицательной клемме аккумулятора или к заземленным частям автомобиля.
Подключайте этот провод в местах подсоединения к Массе штатной проводки автомобиля.
5. Красный провод: (+ 12В, 30А) постоянного тока от аккумулятора
Этот провод подает питание на процессорный блок.
Подключите красный провод к положительной клемме аккумулятора до штатных автомобильных предохранителей.
6. Фиолетовый провод: отрицательный выход (-200мА) на второе зажигание
Этот провод подает МАССУ на реле для организации дополнительной цепи зажигания.
Подключите фиолетовый провод к 85 контакту дополнительного реле. Если вторая цепь зажигания не нужна, то не подключайте этот провод. При необходимости обхода штатного иммобилайзера этот провод используется для управления модулем SCHER-KHAN ВР-2 или SCHER-KHAN ВР-3 (см. схему 2).
1. Фиолетовый провод: импульсный выход на аварийную сигнализацию (+12В, 10А)
Этот провод обеспечивает мигание аварийной сигнализации от процессорного блока. Подключите фиолетовый провод к левой цепи аварийной сигнализации, где появляется +12В при включении указателя поворота налево.
2. Фиолетовый провод: импульсный выход на аварийную сигнализацию (+12В, 10А)
Этот провод обеспечивает мигание аварийной сигнализации от процессорного блока. Подключите фиолетовый провод к правой цепи аварийной сигнализации, где появляется +12В при включении указателя поворота направо.
3. Жёлтый провод: положительный выход (+12В, 15А) или отрицательный выход (-250мА) для отпирания ЦЗ
Этот выход может быть предназначен для отпирания электрозамков дверей отрицательным импульсом или положительным импульсом (см. схему 3). Длительность сигнала на этом проводе программируется (программируемая функция 1-3).
Сигнал отпирания ЦЗ на жёлтом проводе появляется:
Это транзисторный слаботочный или сильноточный релейный выход. Он может использоваться для управления дополнительно установленным реле или для непосредственного подключения к электрическим приводам замков дверей.
Подключите жёлтый провод к контакту 85 реле или к соответствующему проводу отпирания блока ЦЗ. Подключите остальные контакты реле в соответствии с приведенными ниже схемами (схемы 4-13).
4. Зелёный провод: положительный выход (+12В, 15А) или отрицательный выход (-250мА) для запирания ЦЗ
Этот выход может быть предназначен для запирания электрозамков дверей отрицательным импульсом или положительным импульсом (см. схему 3). Длительность сигнала на этом проводе программируется (программируемая функция 1-3).
Сигнал запирания ЦЗ на жёлтом проводе появляется:
Это транзисторный слаботочный или сильноточный релейный выход. Он может использоваться для управления дополнительно установленным реле или для непосредственного подключения к электрическим приводам замков дверей.
Подключите зелёный провод к контакту 85 реле или к соответствующему проводу отпирания блока ЦЗ. Подключите остальные контакты реле в соответствии с приведенными ниже схемами (схемы 4 - 13).
5. Белый провод: (+12В, 2А) выход на сирену
Данный провод предназначен для подключения сирены. В режиме тревоги на нем появляется постоянное напряжение +12В, 2А на 30 сек.
Протяните этот провод через резиновую втулку в моторный отсек к месту установки сирены. Подключение к неавтономной сирене:
Подключение к автономной сирене:
Питание для автономной сирены можно взять с красного провода питания в разъеме CN1 после предохранителя
6. Чёрный провод: импульсный выход для управления замком багажника (+12В, 10А)
Чёрный провод подаёт напряжение +12В для отпирания электрического замка багажника при нажатии и удержании в течение 2 сек. кнопки III брелока.
Данный выход работает при любом состоянии системы (в режиме охраны и в режиме снято с охраны). В режиме охраны отпирание замка багажника приводит к снятию системы с режима охраны и отпиранию дверей автомобиля.
Это релейный силовой выход (+12В, 10А). Он может использоваться для непосредственного подключения к приводу замка багажника (схема 14).
Если в автомобиле установлена кнопка отпирания замка багажника, то подключите этот провод к контакту кнопки, на котором появляется напряжение +12В при отпирании багажника.
1. Синий провод: отрицательный выход блокировки зажигания или стартера (-200МА)
Этот провод служит для управления реле блокировки зажигания или стартера. Это программируемый выход (программируемая функция 1-4 и программируемая функция 1-8). При заводском значении функции 1-4 на время автоматического запуска двигателя блокировка зажигания или стартера не отключается. При опционном значении функции 1-4 на время автоматического запуска блокировка зажигания или стартера будет отключаться. Это позволяет блокировать отдельные элементы электрооборудования автомобиля: катушку зажигания, бензонасос, питание блока управления двигателем и т.п. (см. схему 3). При заводском значении функции 1-8 сигнал на этом проводе появится при постановке в режим охраны. При опционном значении функции 1-8 сигнал на этом проводе появится при снятии с режима охраны. Не рекомендуется использовать блокировку зажигания на автомобилях с автоматической коробкой передач. Применяйте схему блокировки стартера. Этот провод может быть использован для управления модулями стеклоподъемников, люка и т.д. Подключите синий провод к контакту 85 реле. Подключите контакт 86 реле к проводу от замка зажигания, на который поступает напряжение +12В в положении ON и START. Для размыкания блокируемой цепи используйте 30 и 87а контакты реле при заводском значении программируемой функции 1-8 или 30 и 87 контакты при опционном значении программируемой функции 1-8.
Это транзисторный слаботочный (-200мА) выход и может использоваться только для управления реле (входит в комплект поставки) (см. схему 2).
2. Желтый/черный провод: датчик запуска двигателя (датчик генератора)
Входной сигнал для датчика генератора. По наличию сигнала на желтом/черном проводе процессорный блок получает информацию о том, что двигатель работает, а также определя ет время, необходимое для вращения стартера при автоматическом запуске двигателя.
Если выбрано опционное значение функции 1-5 (запирание замков дверей при включенном зажигании), то при исчезновении сигнала на желтом/черном проводе СТСТС отопрет замки дверей. Система не будет выполнять автоматический запуск двигателя, если на данном проводе присутствует сигнал.
Подключение желтого/черного провода:
Это программируемый вход (в зависимости от положения переключателя DIP2, см. схему 1). Процессорный блок определяет, что двигатель работает либо по наличию напряжения более +9В на желтом/черном проводе (датчик генератора), либо по присутствию пульсации (электрического шума) в сети питания при от работы генератора автомобиля.
Датчик генератора:
Если Вы выберете датчик генератора, то переключите DIP2 в положение OFF. Найдите тонкий провод, идущий от генератора к лампе заряда аккумулятора на приборной панели и соедините его с желтым/черным проводом. При включенном зажигании, пока не запущен двигатель, напряжение на этом проводе должно быть менее 5В, а при запущенном двигателе - от 9В до 14В. Можно использовать датчик аварийного давления масла, но в этом случае необходимо применять типы масел, имеющих постоянную вязкость в широких пределах температур. При применении сильно густеющих масел возможно преждевременное прекращение вращения стартера при автоматическом запуске.
Датчик пульсации:
Если Вы выберете датчик пульсации, то переключите DIP2 в положение ON. При выборе этого типа датчика подключение желтого/черного провода не требуется. Вам понадобится проверить правильность работы датчика пульсаций. Для этого:
Примечание:
Датчик пульсаций должен не реагировать на пульсации от работы бензонасоса. Если это происходит, то используйте датчик генератора.
Примечание:
Если датчик пульсаций реагирует на пульсации от работы стеклоочистителя, климатической установки, магнитолы и т.п., то выберите более низкую чувствительность датчика пульсаций (переведите DIP1 в положение ON - высокий уровень пульсаций), или следите за тем, чтобы эти устройства не включались при автоматическом запуске. Если этим пренебречь, то возможно неверное определение системой того, что двигатель запущен, и неправильная работа блока автоматического запуска.
3. Красный/чёрный провод: отрицательный датчик двери
Когда система стоит в режиме охраны, замыкание красного/чёрного провода на МАССУ вызовет мгновенный переход СТСТС в режим тревоги. Если датчики дверей замыкаются на МАССУ, подключите красный/чёрный провод к общему проводу, соединяющему датчики дверей автомобиля.
Если в автомобиле присутствует система плавного гашения салонного света, то необходимо включить диод в цепь лампы салонного света (см. схемы 15 -19).
4. Красный провод: положительный датчик двери
Все функции красного/чёрного провода.
Если датчики дверей замыкаются на +12В, подключите красный провод к общему проводу, соединяющему концевые выключатели дверей автомобиля. При наличии в автомобиле функции задержки выключения салонного света, схемы подключения этого провода совпадают со схемами подключения красного/чёрного провода. Но в этом случае потребуется изменить полярность включения всех диодов.
5. Белый/черный провод: отрицательный датчик свечей накаливания
Этот провод используется только в том случае, если автомобиль имеет дизельный двигатель. При выполнении автоматического запуска двигателя, процессорный блок не включит стартер до тех пор, пока на этом проводе не пропадет МАССА.
Подключите Белый/черный провод к проводу лампы индикации прогрева свечей накаливания на приборной панели или к проводу под капотом, на котором появляется МАССА на время прогрева свечей.
Примечание:
Не используйте коричневый/черный провод, если автомобиль имеет бензиновый двигатель.
6. Белый провод: положительный датчик свечей накаливания
Все функции белого/черного провода.
Подключите белый провод к проводу лампы индикации прогрева свечей накаливания на приборной панели или к проводу под капотом, на котором появляется напряжение +12В на время прогрева свечей.
Примечание:
Не используйте белый провод, если автомобиль имеет бензиновый двигатель.
7. Оранжевый/черный провод: отрицательный датчик включенных габаритных огней
Этот провод используется для предупреждения владельца о включенных габаритных огнях при постановке системы на охрану, это позволяет защитить аккумулятор автомобиля от разряда
Подключите оранжевый/черный провод к проводу кнопки включения габаритных огней, на котором появляется масса при включении габаритных огней.
Примечание:
Не используйте оранжевый/черный провод, если эта функция не нужна.
8. Оранжевый провод: положительный датчик включенных габаритных огней
Все функции оранжевого/черного провода.
Подключите оранжевый провод к проводу кнопки включения габаритных огней, на котором появляется напряжение +12В при включении габаритных огней.
Примечание:
Не используйте оранжевый провод, если эта функция не нужна.
9. Черный провод: отрицательный датчик капота/багажника
Когда система стоит в режиме охраны, замыкание черного провода на МАССУ вызовет мгновенный переход системы в режим тревоги. Если на данном проводе присутствует МАССА, система не будет выполнять автоматический запуск двигателя. Установите датчики в багажнике и под капотом автомобиля и подключите к ним черный провод. Возможно подключение черного провода к штатному датчику открытия багажника или (и) капота (если они установлены). Если датчики управляют включением освещения багажника или капота независимо от того, включены габаритные огни или нет, то применять диодную развязку не нужно. Если данный датчик управляет включением освещения багажника (капота) только при включенных габаритных огнях, то необходимо применить диодную развязку (см. схему 20). Диоды могут быть с максимальным прямым током 1А. В схеме можно применить диоды зарубежного производства типа 1N4000-1N4007 или Российские аналоги КД243 (А-Ж).
Подключите к данному разъёму датчик температуры.
Проложите провода с 3-контактным разъемом от датчика удара к процессорному блоку системы и подсоедините их к 3-контактному разъему CN5.
Отрицательный импульс длительностью менее 0,5 сек. на данном проводе система воспринимает как слабое воздействие. Отрицательный импульс длительностью более 0,5 сек. на данном проводе система воспринимает как сильное воздействие.
Проложите провода с 4-контактным разъемом от датчика вызова к процессорному блоку и подсоедините их к 4-контактному разъему CN6.
Проложите провода с 4-контактным разъемом от антенного блока к процессорному блоку системы и подсоедините их к 4-контактному разъему CN 7.
1. Желтый провод: отрицательный выход (-200мА) дополнительный канал 1
Данный выход работает при любом состоянии системы (в режиме охраны и в режиме "снято с охраны").
Работа данного выхода программируется и может иметь четыре режима:
Состояние канала 1 не является энергонезависимым. Если на желтом проводе при отключении питания присутствовал отрицательный сигнал, то при включении питания его не будет. Это транзисторный слаботочный (-200мА) выход. Он может использоваться только для управления дополнительно установленным реле.
Подключите желтый провод к контакту 85 дополнительного реле и подключите остальные контакты реле в соответствии с выбранной функцией дополнительного канала 1.
2. Желтый/белый провод: отрицательный выход (-200мА) дополнительный канал 2
Данный выход работает при любом состоянии системы (в режиме охраны и в режиме "снято с охраны").
Работа данного выхода программируется и может иметь четыре режима:
Состояние канала 2 не является энергонезависимым. Если на желтом проводе при отключении питания присутствовал отрицательный сигнал, то при включении питания его не будет. Это транзисторный слаботочный (-200мА) выход. Он может использоваться только для управления дополнительно установленным реле.
Подключите желтый/белый провод к контакту 85 дополнительного реле и подключите остальные контакты реле в соответствии с выбранной функцией дополнительного канала 2.
Вы можете настроить чувствительность датчика вызова владельца автомобиля в зависимости от Ваших требований. Для настройки чувствительности на датчике предусмотрен ступенчатый регулятор с тремя положениями. Крайнее левое положение регулятора соответствует минимальной чувствительности датчика, крайнее правое - максимальной. Датчик должен быть расположен в нижнем углу лобового стекла автомобиля.
Вы можете настроить громкость звучания коротких сигналов сирены. Для уменьшения громкости необходимо перерезать петлю из провода на корпусе сирены. Система может быть укомплектована любой сиреной в соответствии с пожеланиями владельца, в том числе и такой, где нет возможности регулировки.
Перед использованием брелока необходимо привести его в рабочее состояние, т.к. при транспортировке и хранении между контактом батареи питания и контактной пластиной брелока устанавливается изоляционная прокладка, исключающая разряд батареи до начала эксплуатации. Перед началом эксплуатации брелока удалите ее. Для этого отведите фиксатор крышки батарейного отсека, нажмите на крышку и выдвиньте ее в сторону, противоположную антенне. Выньте батарейку. Удалите изоляционную прокладку между батарейкой и токосъемной пластиной. Установите батарейку обратно, соблюдая полярность, указанную на дне батарейного отсека. Если нет указания на полярность батареи, то она устанавливается отрицательным выводом в сторону антенны. Закройте крышку батарейного отсека. Брелок готов к работе.
Система может запомнить коды трех брелоков. Для программирования новых брелоков выполните два шага.
Для выхода из режима программирования не предпринимайте никаких действий в течение 4 сек. после записи кода последнего брелока.
Если после шага 1 не предпринимать никаких действий, то через 4 сек. аварийная сигнализация вспыхнет 2 раза, система перейдет из режима программирования брелоков в режим VALET. Примечание: система имеет три ячейки памяти для хранения кодов брелоков. При попытке записи четвертого брелока код первого записанного брелока будет удален.
Программирование функций СТСТС с помощью брелока состоит из четырех шагов.
Примечание: Если при выборе функции Вы ошиблись с количеством нажатий и (или) отсутствуют сигналы сирены и аварийной сигнализации, то необходимо повторить все действия, начиная с ШАГА 1.
Примечание:
Если Вы услышали один продолжительный сигнал сирены, то это означает выход системы из режима программирования функций. Для продолжения программирования необходимо повторить все действия, начиная с ШАГА 1.
ВНИМАНИЕ!
Если необходимо изменить более одной функции из выбранного Вами Меню, то выбор каждой функции для изменения необходимо начинать с ШАГА 1.
Меню №1 [Кнопка (I+II)-]
| № п/п. | Функция | [Кнопка (I)] Заводское значение | [Кнопка (II)] | [Кнопка (III)] |
|---|---|---|---|---|
| 1-1 | Задержка перед вращением стартера после включения зажигания. Следует увеличить для дизельного автомобиля. | 4 сек. | 10 сек. | |
| 1-2 | Предупреждение об открытой двери | Нет | Есть | |
| 1-3 | Длительность импульса управления ЦЗ. Следует увеличить для пневматической системы ЦЗ | 0,8 сек. | 4 сек. | |
| 1-4 | Режим Паника или JackStop (защита от ограбления) | Паника (Блокировка стартера) | JackStop (Блокировка зажигания) | |
| 1-5 | Управление центральным замком по включению и выключению зажигания | Выключено | Выключено | |
| 1-6 | Способ резервирования запуска. (Только для механической трансмиссии) | Автоматически, всякий раз при выключении зажигания | Автоматически, всякий раз при выключении зажигания, но при условии, что двери закрыты | Только ручной режим, перед выключением зажигания для резервирования необходимо нажимать кнопку II на 2 сек. |
| 1-7 | Время вращения стартера | Стандартное | Стандартное + минимальное | Стандартное + максимальное |
Примечание к функции 1-4:
Данная функция позволяет выбрать режим "Паника" или режим JackStop (защита от ограбления):
| Паника | JackStop | |
|---|---|---|
| Кнопка | кнопка IV на 2 сек. | кнопка IV на 2 сек. |
| Сирена | Сирена звучит 1,5 мин. | Сирена звучит 1,5 мин. |
| Тип блокировки двигателя | Блокировка стартера | Блокировка зажигания (блокировка отключается на время автоматического запуска) |
| Блокировка стартера | Включается немедленно | Не используется |
| Блокировка зажигания | Не используется | Включается немедленно, если зажигание выключено. Включается через 30 сек. после 2-сек. нажатия кнопки IV, если зажигание включено |
Для установки заводских значений программируемых функций необходимо выполнить два шага.
Меню №2 [Кнопка (I+IV)-]
| № п/п | Функция | [Кнопка (I)] Заводское значение | [Кнопка (II)] | [Кнопка (III)] | [Кнопка(IV)] |
|---|---|---|---|---|---|
| 2-1 | |||||
| 2-2 | |||||
| 2-3 | Режим работы запуска по таймеру | 24 часа (время запуска выбирает пользователь) | 2 часа (периодически для прогрева двигателя) | ||
| 2-4 | Время прогрева двигателя | 15 мин. | 25 мин. | 45 мин. | 5 мин. |
| 2-5 | Время импульса на доп. канале 1 | 0,5 сек. | 20 сек. | 60 сек. | Триггер |
Для установки заводских значений программируемых функций необходимо выполнить два шага.


Выбор типа выходного сигнала управления: силовой с инверсией полярности или не силовой отрицательной полярности

Подключение к двухпроводным электрозамкам дверей, которым для управления требуется инверсия полярности:

Для правильного функционирования ЦЗ подобного типа необходимо увеличить длительность импульса управления до 4 сек. Для этого нужно выбрать опционное значение программируемой функции 1-3. Для подключения к модулю ЦЗ необходимо найти и перерезать провод управления компрессором.
ВНИМАНИЕ!
Не путайте концы разрезанного провода управления. Это может привести к выходу из строя компрессора блока ЦЗ. Для определения провода используйте только цифровой вольтметр. Применение контрольной лампы исключено.

Подключение к блоку ЦЗ, для управления которым требуются импульсы положительной полярности:

Подключение к блоку ЦЗ, для управления которым требуются импульсы положительной полярности, и в схеме есть переключатель ручного управления ЦЗ:

Подключение к блоку ЦЗ, для управления которым требуются импульсы отрицательной полярности:

Подключения к блоку ЦЗ, для управления которым требуются импульсы отрицательной полярности. В автомобиле есть кнопка запрета отпирания задних дверей (применяется на автомобилях TOYOTA)

Схема положительного однопроводного управления FORD PROBE:

Схема положительного однопроводного управления CHRYSLER CIRRUS, DODGE STRATUS 1995 г.в.:

Схема отрицательного однопроводного управления MAZDA:

Схема отрицательного однопроводного управления NISSAN, MAZDA (для запирания требуется разомкнутое состояние провода управления):


Подключение датчиков дверей на автомобилях без блока диагностики открытой двери.

Подключение датчиков дверей для автомобилей, имеющих блок диагностики открытой двери (на приборной панели имеется индикатор открытой двери, указывающий на конкретную дверь)
Задержка выключения салонного света происходит только после закрытия водительской двери. После закрытия любой из пассажирских дверей свет в салоне гаснет сразу. Диоды VD1-VD4 могут быть любыми с обратным напряжением не ниже 30В (диоды зарубежного производства типа 1N4148,1N4000-1N4007 или Российские КД509, КД510, КД521, КД522, КД102, КД105, КД208, КД209). Диод VD5 должен быть рассчитан на ток больший, чем потребляет лампа салонного света (диоды зарубежного производства типа RL202-RL208,1N4000-1N4007 или Российские КД226, КД209, КД105).

Подключение датчиков дверей для автомобилей иностранного производства, имеющих блок диагностики открытой двери (на приборной панели имеется индикатор открытой двери с указанием на конкретную дверь)
Задержка выключения салонного света происходит после закрытия любой из дверей. Диоды VD1-VD4 могут быть любыми с обратным напряжением не ниже З0В (диоды зарубежного производства типа 1N4148,1N4000-1N4007 или Российского КД102, КД105, КД208, КД209, КД509, КД510, КД521, КД522). Диоды VD5-VD8 должны быть рассчитаны на ток больший, чем потребляет лампа салонного света (диоды зарубежного производства типа RL202-RL208,1 N4000-1 N4007 или Российские КД226, КД209, КД105).
Примечание:
Если задержка выключения салонного света происходит только после закрытия передних дверей, то диоды VD5-VD8 устанавливаются в цепь датчиков только этих дверей.

Подключение датчиков дверей для автомобилей иностранного производства, имеющих блок диагностики открытой двери. И датчики при закрытой двери замкнуты на массу. Например, FORD FOCUS 2002 г.в.
Диоды VD1-VD8 могут быть любыми с обратным напряжением не ниже З0В (диоды зарубежного производства типа 1N4148,1N4000-1N4007 или Российского КД102, КД105, КД208, КД209, КД509, КД510, КД521, КД522).

Подключение альтернативных датчиков дверей для автомобилей, где нет возможности подключения к штатным датчикам, или датчиков нет
Рекомендуется для этих целей использовать последовательно соединённые герконовые контакты, магниты управления ими могут быть закреплены на обшивке (под обшивкой) дверей. При закрытой двери контакт должен быть замкнут (состояние датчиков на схеме соответствует закрытым дверям). Контакты могут устанавливаться под пластиковым порогом.

Возможно подключение чёрного провода к штатным датчикам открытия капота/багажника (если они установлены). Если датчик управляет включением освещения моторного отсека (багажника) при включенных габаритных огнях, то необходимо применить диодную развязку для его подключения (см. схему 18). Диод может быть с максимальным прямым током 1-2 А. В схеме 18 можно применить диоды зарубежного производства типа 1N4000-1N4007; RL202-RL208 или Российские аналоги КД243 (А-Ж).
