"LEONARDO" - усовершенствованная версия модели "MOUSE" - призвана революционизировать саму концепцию создания автомобильных сигнализациий. По крайней мере, с точки зрения компактности. Предлагаемая модель - образец передовой технологии в миниатюре.
"LEONARDO" - радиоуправляемая сигнализация с плавающим кодом и встроенным микропроцессором -выполнена на основе планарной технологии. Все функции и характеристики системы обеспечивают удобство, безопасность и надежность работы предлагаемой модели.
Компания "SIRIO 777" разработала новую сложную систему кодов, используемых при включении и отключении сигнализации. Новая система кодов характеризуется повышенной степенью секретности и надежности и не поддается ни дублированию, ни сканированию.
Иммобилайзер двигателя включается автоматически после отключения двигателя и открывания водительской двери или, если водительская дверь не открывалась, через 18 сек. Отключить иммобилайзер можно с пульта управления. После отключения системы осуществляется автоматическая проверка того, был ли заведен двигатель в течение 1 мин 50 сек. Если в течение данного времени двигатель заведен не будет, иммобилайзер включится автоматически.
При помощи пульта управления можно также управлять системой централизованного запирания дверей (открываиие/ закрывание дверей будет сопровождаться световой индикацией указателей поворота), а также модулем электростеклоподъемников (включая регулировку уровня поднятия стекол) и временно отключать ультрасоники и шок-сенсор.
| самопостановка в охрану - автоматическое включение системы после выключения зажигания и открывания/закрывания водительской двери при выходе из автомобиля | |
| DIP-2 | активизация входа для подключения датчика на падение напряжения (если автомобиль оборудован устройствами, срабатывающими после отключения двигателя, использовать данную функцию не рекомендуется - напр., при наличии вентилятора охлаждения и т.п.) |
| DIP-3 | выбор времени для нескольких типов центральных замков |
| DIP-4 | активизация звукового сигнала при постановке и снятии с охраны |
Система работает только от двух прилагаемых пультов управления.
Иммобилайзер - электронное устройство, блокирующее двигатель автомобиля.
Сигнализация - акустическая и визуальная индикация в режиме тревоги.
Система - комбинация иммобилайзера и сигнализации.
Включение иммобилайзера. Иммобилайзер включается автоматически после выключения зажигания и открывания водительской двери или без открывания водительской двери через 18 сек после выключения зажигания. При включенном иммобилайзере медленно мигает красный светодиод. В таком режиме завести двигатель автомобиля невозможно.
Отключение иммобилайзера. Независимо от способа включения иммобилайзера его можно отключить нажатием правой кнопки на пульте управления. После отключения иммобилайзера погаснет светодиод, и можно будет завести двигатель автомобиля.
Примечание: Если после отключения иммобилайзера двигатель автомобиля не будет заведен в течение 1 мин 50 сек, Иммобилайзер автоматически вернется в режим охраны, и красный светодиод начнет мигать. чтобы в данном случае завести двигатель, необходимо отключить Иммобилайзер, нажав правую кнопку на пульте управления.
Включение сигнализации. Одновременно с включением сигнализации могут блокироваться двери автомобиля и закрываться окна. В течение 45 сек после включения сигнализации будет постоянно гореть красный светодиод. По истечении этого времени, когда система встанет в режим охраны, красный светодиод начнет мигать с короткими интервалами.
Одинарный код: нажмите левую кнопку на пульте управления, что будет сопровождаться трехразовым миганием указателей поворота.
Двойной код: нажмите левую кнопку на пульте управления; указатели поворота быстро мигнут 1 раз. В течение 5 сек нажмите правую кнопку на пульте, после чего указатели поворота мигнут 3 раза.
Примечание: Если в случае двойного кода правая кнопка на пульте не будет нажата в течение 5 сек после нажатия левой кнопки, сработает функция "ПАНИКА", подтверждающая наличие двойного кода. Чтобы отключить звучащую сирену, нажмите правую кнопку на пульте. Чтобы включить или отключить сигнализацию, нажмите левую кнопку на пульте управления; указатели поворота быстро мигнут 1 раз. В течение 5 сек нажмите правую кнопку на пульте, после чего указатели поворота мигнут 3 раза.
Система автоматического контроля ложных срабатываний. Во избежание ложных срабатываний после постановки в охрану в течение 45 сек система будет автоматически проверять работу всех сигнализационных датчиков. Если один из датчиков окажется вышедшим из строя, он будет автоматически отключен (все остальные датчики останутся в рабочем режиме). По истечении времени самодиагностики системы быстрое одноразовое мигание указателей поворота и одноразовый звуковой сигнал ( с последующим более быстрым миганием красного светодиода в режиме охраны) сообщат об отключении неработающего датчика.
Временное отключение ультрасоников и шок-сенсора с пульта управления.
Включите сигнализацию и подождите, пока указатели поворота мигнут 3 раза. Нажмите правую кнопку на пульте управления, после чего ультрасоники и шок-сенсор будут отключены. Выполнение этой операции осуществляется в течение 25 сек с момента включения сигнализации и сопровождается миганием красного светодиода.
Регулировка уровня поднятия стекол в окнах автомобиля. При наличии модуля SIRIO 25 во время постановки в охрану можно поднимать и опускать стекла в окнах автомобиля до желаемого уровня. Для этого подождите, пока стекла поднимутся/опустятся до желаемого уровня, и нажмите правую кнопку на пульте управления, чтобы остановить их движение. Выполнение этой операции осуществляется в течение 25 сек с момента включения сигнализации и сопровождается более быстрым миганием красного светодиода
Функция "ПАНИКА". Чтобы активизировать данную функцию в режиме охраны, нажмите правую кнопку на пульте управления, после чего в течение 15 сек будет звучать сирена. В режиме тревоги сирена отключается путем нажатия той же кнопки на пульте, при этом автомобиль с охраны не снимается.
Самопостановка в охрану. Если во время установки данная функция была подключена, то каждый раз через 25 сек после выключения зажигания и открывания/закрывания водительской двери сигнализация будет автоматически вставать в режим охраны. При этом (в целях безопасности) центральный замок и модуль электростеклоподъемников срабатывать не будут. Примечание: если во время самодиагностики один из датчиков сработает, акустический сигнал сигнализации будет отключен во избежание ложных срабатываний; однако Иммобилайзер останется в режиме охраны.
Отключение системы (сигнализация + Иммобилайзер). При выключении системы разблокируются двери автомобиля, гаснет светодиод и отключается Иммобилайзер. Если в течение 1 мин 50 сек после выключения системы двигатель автомобиля не будет заведен, Иммобилайзер включится автоматически и загорится красный светодиод. В данном случае, чтобы завести двигатель, необходимо нажать правую кнопку на пульте управления.
Одинарный код: нажмите левую кнопку на пульте управления, что будет сопровождаться одноразовым миганием указателей поворота.
Двойной код: нажмите левую кнопку на пульте управления; указатели поворота быстро мигнут 1 раз. В течение 5 сек нажмите правую кнопку на пульте, после чего указатели поворота загорятся 1 раз на более длительное время.
Примечание: Если в случае двойного кода правая кнопка на пульте не будет нажата в течение 5 сек после нажатия левой кнопки, сработает функция "ПАНИКА", подтверждающая наличие двойного кода. Чтобы отключить звучащую сирену, нажмите правую кнопку на пульте. Чтобы включить или отключить сигнализацию, нажмите левую кнопку на пульте управления; указатели поворота быстро мигнут 1 раз. В течение 5 сек нажмите правую кнопку на пульте, после чего указатели поворота загорятся 1 раз на более длительное время.
Память срабатываний. Если в режиме охраны срабатывала тревога, то после отключения системы определенная последовательность миганий светодиода с 3-х секундными интервалами позволит определить причину срабатывания сигнализации.
| No. миганий | Причина срабатывания |
|---|---|
| 1 | Была предпринята попытка включить двигатель автомобиля. |
| 2 | Сработали концевые выключатели дверей. |
| 3 | Сработал концевой выключатель капота. |
| 4 | Сработал датчик падения напряжения. |
| 5 | Сработали модули ультразвукового датчика и шок-сенсора. |
| 8 | Прошел только первый код двойного кода. |
Если в режиме охраны тревога не срабатывала, после выключения системы красный светодиод погаснет. После включения зажигания вся предыдущая информация будет стерта из памяти системы.
Акустический сигнал. Если данная функция была подключена во время установки, то во время постановки и снятия с охраны визуальная индикация указателей поворота будет также сопровождаться тихим звуковым сигналом.
Сервисный режим. К системе прилагается сервисный ключ, позволяющий в случае необходимости (напр., при утере пульта управления) полностью отключить сигнализацию и Иммобилайзер. Чтобы включить систему, необходимо перевести сервисный ключ в положение "ON" и подождать 5 сек, пока система не вернется в рабочее состояние.
До начала установки рекомендуется запрограммировать все необходимые защитные и сервисные функции системы, программирование функций осуществляется с помощью набора DIP-переключателей, находящихся под задней панелью центрального устройства.
Позиция "А" - включение функции самопостановки в охрану.
Позиция "В" - отключение функции самопостановки в охрану.
Позиция "А" - подключение датчика на падение напряжения.
Позиция "В" - отключение датчика на падение напряжения.
Данный переключатель позволяет выбрать время срабатывания центральных замков.
| Время | Тип замка | Марка автомобиля | |
|---|---|---|---|
| Позиция "А" | 5 сек | Вакуумная система | Mercedes, Audi |
| Позиция "В" | 0,7 сек | замок с общим "плюсом", "минусом", 2-х- и 5-ти проводным соленоидом | Fiat, Lancia, Alfa, Citroen, Peugeot, Renault, VW |
Позиция "А" - подключение акустического сигнала при постановке и снятии с охраны.
Позиция "В" - отключение акустического сигнала при постановке и снятии с охраны.
| Провод | Функция |
|---|---|
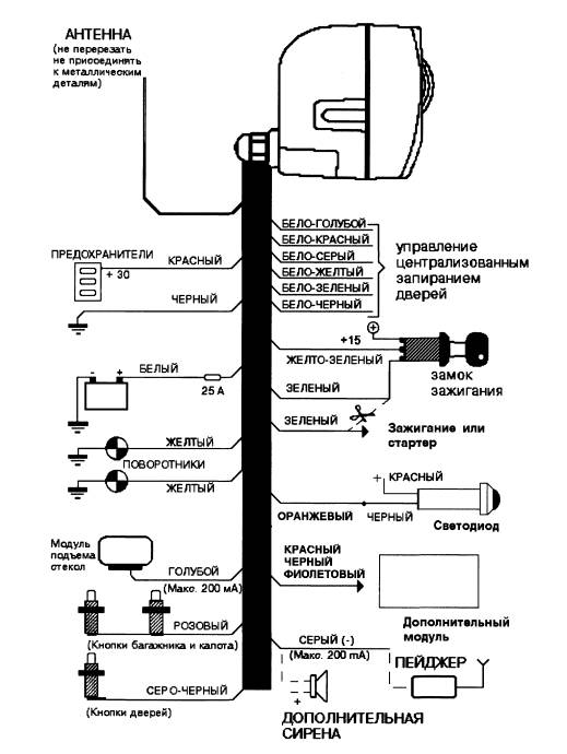
| Красный провод | Подсоединяется к постоянному "плюсу" (аккумулятор). |
| Черный провод | Подсоединяется к "минусу". |
| Фиолетовый провод | Вход для подсоединения внешнего модуля (может временно отключаться с пульта управления). |
| Розовый провод | Подсоединяется к концевым выключателям капота и багажника. |
| Серо-черный провод | Подсоединяется к концевому выключателю водительской двери; подсоединение данного провода необходимо для активизации функции самопостановки в охрану, работы иммобилайзера и "специальной" функции. |
| Желто-зеленый провод | Подсоединяется на "плюс" замка зажигания (при запуске двигателя всегда должен присутствовать "плюс"). |
| Серый провод | Отрицательный выход низкой токовой нагрузки (I max. - 200 мА) в режиме тревоги для подключения пейджера или сирены через внешнее реле. |
| Оранжевый провод | Дополнительный отрицательный выход низкой токовой нагрузки (I max. - 200 мА) для подключения светодиода. |
| Синий провод | Отрицательный выход низкой токовой нагрузки (I max. - 200 мА) в режиме охраны для подключения модуля электростеклоподъемников . |
| Зеленые провода | Используются для прерывания подачи питания на катушку или электронное зажигание. Перерезав провод, питающий данные устройства, соедините оба конца перерезанного провода с зелеными проводами. Если токовая нагрузка данных проводов превышает 10 А, используйте дополнительное реле соответствующей нагрузки. |
| Желтый провод | Плюсовые выходы на левый и правый указатели поворота. |
| Белый провод | Плюсовой провод на указатели поворота (защищенный предохранителем на 25 А) подсоединяется к плюсовой клемме аккумулятора. |
Примечание: В системах с автономной сиреной внутренний аккумулятор может разряжаться. Перезарядка аккумулятора будет происходить одновременно с запуском двигателя. Полная перезарядка аккумулятора произойдет после того, как заведенный двигатель автомобиля проработает несколько часов. Для проверки работы сигнализации во время установки достаточно просто подзарядить аккумулятор.


Синхронизация. Под синхронизацией понимается процедура, обеспечивающая взаимодействие между пультом дистанционного управления и центральным устройством системы. Синхронизация необходима, в частности, при замене батарейки в пульте управления. Процедура синхронизации выполняется следующим образом:
- нажмите одновременно обе кнопки на пульте, после того как загорятся указатели поворота и появится звуковой сигнал, отпустите кнопки и подождите 5 сек, пока погаснут указатели поворота и исчезнет звуковой сигнал.
После выполнения данных операций обе кнопки на пульте управления будут рабочими, и все защитные и сервисные функции системы активизированы.
Замена батарейки в пульте управления. Если радиус действия пульта управления уменьшился или перестал гореть светодиод, необходимо заменить батарейку в пульте. Для этого снимите заднюю панель корпуса брелока и замените разрядившуюся батарейку новой того же типа, соблюдайте полярность (используйте щелочную батарейку на 12 В, 23 А). Закройте корпус брелока и проверьте работу пульта. Если сигналы с пульта не воспринимаются центральным устройством системы, выполните описанную выше процедуру синхронизации.
Специальная функция. С помощью пульта управления, даже при работающем двигателе, Вы можете активизировать "специальную" функцию системы. В данном режиме в течении 20 сек после открывания водительской двери нажмите левую кнопку на пульте(независимо от настройки на системы на одинарный или двойной код). После этого система мгновенно перейдет в решим охраны, сработает тревога и двигатель автомобиля будет заблокирован. Данный режим будет оставаться рабочим в течении 5 мин после его активизации и отключить систему с пульте в этот период будет невозможно. Через 5 мин система вернется в нормальный режим работы.
| Тип технологии: | цифровая микропроцессорная |
| Питание: | 12 В ± 25% |
| Рабочий режим температур: | -40°С/+85°С |
| Потребление тока в режиме охраны: | 14-20 мА |
| Потребление тока в режиме тревоги: | 1,2 А |
| Мощность сирены: | 122 дб |
| Частота сирены: | 1.900-3.000 Гц |
| Частота ультрасоников: | 40 КГц |
| Максим, ток на дополнительном выходе: | 0,2 А |
| Максим, ток на выходе для подсоединения модуля электростеклоподъемииков: | 0,2 А |
| Максим, ток первой блокировки двигателя: | 10 А (в случае более высокой, токовой нагрузки рекомендуется использовать соответствующее дополнительное реле) |
| Время звучания сирены в режиме тревоги: | 30 сек |
| Время работы режима "ПАНИКА": | 15 сек |
| Цикличность срабатывания сирены: | 5 сек |
| Автоматическое включение иммобилайзера: | через 18 сек после отключения двигателя |
| Время для включение зажигания после отключения иммобилайзера: | 1 мин 50 сек |
| Время самодиагностики системы: | 45 сек |
| Время для отключения модуля электростеклоподъемников и входов ультрасоников и шок-сенсора после дистанционной постановки в охрану: | 25 сек |
| Время самопостановки в охрану после отключения двигателя: | 25 сек |
| Время активизации "специальной" функции после открывания водительской двери: | 20 сек |
| Время действия "специальной" функции; | 5 мин. |