Это компактная охранная сигнализация для мотоциклов со встроенной 112-децибельной пьезоэлектрической сиреной.
Она имеет дистанционное управление с помощью кодированного радиоключа.
Для включения сигнализации необходимо нажать кнопку на брелке дистанционного управления. Происшедшее включение подтверждается световым сигналом (длинная вспышка поворотников) и звуковым сигналом (два "бип!"). Далее следует 40-секундная задержка включения, необходимая для стабилизации системы. Для выключения необходимо нажать эту же кнопку (два раза, если система находится в режиме тревоги). Выключение подтверждается короткой вспышкой поворотников и одним "бип!".
Защита обеспечивается: блокировкой мотора, которая становится активной сразу же после включения системы; отрицательным входом сигнала тревоги для контактных переключателей (например, для защиты заднего багажника); схемой обнаружения злонамеренных попыток включить зажигание при включенной системе охранной сигнализации и ультразвуковым датчиком движения (патент"SРYВАLL"). Чувствительность датчика движения можно регулировать. Каждый цикл тревоги длится 30 сек. и сопровождается миганием аварийных фар мотоцикла. После этого система автоматически возвращается в исходное положение. Когда система находится в режиме тревоги, кнопку брелка дистанционного управления необходимо нажать два раза, чтобы выключить только систему, и один раз, чтобы выключить только сирену и аварийные фары, без выключения системы.
Эта система может управлять циклами тревоги. Число повторяющихся циклов тревоги, генерируемых защитой замка зажигания и контактными переключателями багажника, ограничивается до 8 при включенной системе сигнализации; после этого обе функции автоматически нейтрализуются. Они будут восстановлены при следующем включении или в течение этого же периода включения в том случае, когда тревога будет генерирована датчиком движения (циклы тревоги, которую вызывает датчик движения, не ограничены).
Возможность такой нейтрализации обеспечина для того, чтобы свести к минимуму шумы в окружающей среде, а также ввиду малой емкости батарей мотоцикла.
И наконец, сигнализация SP/AM 130 оснащена специальной схемой (функцией "СПЯЧКА"), уменьшающей потребление тока до 1,5мА после того, как мотоцикл простоял 7 часов с отключенной системой охранной сигнализации или 25 часов с включенной системой охранной сигнализации.
| Питание: | 12В±ЗВ, постоянный ток; |
| Потребление тока в выключенном состоянии: | 3,8мА; |
| Максимальный ток реле блокировки мотора: | 10А; |
| Рабочая температура: | -20град С - + 85град С; |
| Мощность сирены: | 112дБ; |
| Размеры: | 65 х 65 х 60мм. |
Рекомендуется устанавливать систему вдали от чрезмерных источников тепла и сырости, с громкоговорителем, обращенным вниз.
Чистка мотоцикла паром серьезно повредит систему охранной сигнализации. Поэтому необходимо избегать направлять струю непосредственно на систему и защитить блок сигнализации, чтобы обеспечить минимальное проникновение воды.
Невыполнение этих инструкций делает гарантию на систему недействительной.
Прежде всего отсоедините батарею мотоцикла.
КРАСНЫЙ провод: плюс питания. Соединить с постоянной положительной полярностью (+12В) через 10-амперный плавкий предохранитель.
ЧЕРНЫЙ провод: минус питания. Соединить с надежной землей.
СИНИЙ провод: отрицательный вход мгновенной тревоги для контактных переключателей (устанавливаемых, например, на заднем багажнике).
ЖЕЛТЫЕ провода: выходы для управления поворотиками; один провод соединить с правой линией поворотников (положительная полярность), другой провод - с левой линией поворотников (положительная полярность).
ОРАНЖЕВЫЙ провод: соединить с плюсом, создаваемый ключом зажигания (+12В). СОЕДИНЯТЬ ВСЕГДА, УБЕДИТЬСЯ В ТОМ, ЧТО ЭТОТ ПЛЮС ПРИСУТСТВУЕТ ТАКЖЕ И ТОГДА, КОГДА МОТОР ЗАПУСКАЕТСЯ.
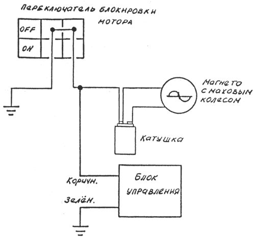
ЗЕЛЕНЫЙ, ФИОЛЕТОВЫЙ и КОРИЧНЕВЫЙ провода: схема блокировки мотора (см.прикладные схемы).
Подстроенный элемент, расположенный под резиновой накладкой (см.рис.В) позволяет регулировать чувствительность ультразвукового датчика движения. Вращайте по часовой стрелке для увеличения чувствительности (+) и против часовой стрелки для уменьшения чувствительности (-).
1-регулировка чувствительности датчика движения,
2-НЕ ТРОГАТЬ.


А - мотоциклы, оснащенные переключателем остановки мотора и электронным зажиганием с питанием от магнето с маховым колесом.

В - мотоциклы, оснащенные переключателем остановки мотора и электронным зажиганием с питанием от батареи.

С - мотоциклы без переключателя остановки мотора и с электронным зажиганием с питанием от магнето с маховым колесом.

D - мотоциклы без переключателя остановки мотора и с электронным зажиганием с питанием от батареи.
