SP-K720 - модульная система охранной сигнализации, состоящая из центрального блока (блока управления), магнитодинамической сирены на 118 дБ и дисплея прикрепляемого к панели приборов.
Система управляется дистанционно с помощью кодированного радиопередатчика, имеющего 72.000.000.000.000.000. Благодаря исключительной защите - антисканированию и антиперехвату или антирегистрации (код призрак) эта охранная сигнализация обеспечивает безопасность на уровне самых строгих стандартов.
Для включения системы необходимо нажать кнопку №1 радиоуправления (см. рис. А). Подтверждением включения служит световой сигнал (длинное мигание поворотников) и звуковой сигнал (два "бип"), а также загорание красного светодиода с надписью ON = ВКЛ. на дисплее (рис. В). Он горит недолго, затем гаснет; после этого загорается зеленый светодиод, расположенный несколько выше, который указывает, так называемый, "период запрета" (задержку в 40 секунд), необходимую для стабилизации системы.
Рис. А

Рис. В

В течение этого периода функция "самоконтроль" дает возможность протестировать периферийную защиту, объемную защиту, датчик смещения и схему антивредительства: открывая двери, капот, багажник, защищенные кнопками на массу, просовывая руку в салон через приоткрытое окно, встряхивая несколько раз машину или прерывая питание, получаем, в подтверждение правильной работы, соответствующих функций, звуковые сигналы, сопровождаемые зажиганием соответствующего светодиода (рис. В).
Аналогично, если при включении системы какая-нибудь дверь, капот или багажник оказались плохо закрытыми, то система сообщит об этом пользователю, издав непрерывный ряд сигналов "бип" вплоть до надлежащего закрывания. Через 40 сек. зеленый светодиод гаснет, а красный светодиод с надписью ON начинает медленно мигать: теперь система полностью активна.
В целях обеспечения безопасности движения, специальная предохранительная схема делает невозможным включение системы во время движения автомобиля.
Защита обеспечивается: двойной блокировкой мотора, которая готова к действию сразу же при включении системы: пятью отрицательными входами мгновенной тревоги, через контакты на массу и дополнительные датчики (периферийная защита): датчик смещения (патент SPY BALL) и ультразвуковым объемным датчиком (защита салона). Отдельная схема защищает блок зажигания.
Если Вы хотите отдохнуть в охраняемой машине или оставить в ней ребенка или собаку, объемную защиту и датчик смещения можно отключить (см. раздел "Регулировка и выбор функций".
Эта охранная система защищена от вредительства (прерывания питания): в самом деле, сирена и центральный блок имеют автономное питание с помощью никель-кадмиевой батареи. Поэтому прерывание питания при включенной системе вызовет срабатывание сигнализации. При выключенной охранной сигнализации автономное питание не действует, отсюда следует, что нет надобности отключать встроенные батареи с помощью аварийного ключа, прежде чем начнутся какие-то работы по уходу за машиной или профилактическому ремонту.
Система SP-K720 имеет универсальные выходы для управления централизованным запиранием (пригодные также для системы "комфорт") и один выход для управления стеклоподъемниками. Правильное соединение этих выходов позволяет получить автоматическое запирание дверей и окон с электрическим механизмом при выключении системы, открывание дверей при ее выключении. Выходы для управления централизованным запиранием и стеклоподъемником можно отключить с помощью радиоуправления (см. раздел "Регулировка и выбор функций").
Каждый цикл тревоги длится 30 сек. и сопровождается миганием поворотников автомобиля, после чего система возвращается в режим наблюдения.
Из соображений безопасности, во время тревоги, нажатие кнопки №1 радиоуправления, приводит только к выключению гудка сирены и световой сигнализации без выключения системы. Чтобы выключить саму систему, эту кнопку нужно нажать два раза. Система оснащена магнитодинамической сиреной мощностью 118 дБ. Кроме того, у системы имеется постоянный отрицательный выход для управления дополнительной сиреной или клаксоном.
В некоторых случаях необходимо уменьшить громкость звуковых сигналов тревоги (напр. около больниц и т.д.), Для этого достаточно нажать клавишу №2 радиоуправления в течении времени задержки (подтверждением служит "бип"), затем включить систему, следуя обычной процедуре. При следующем включении вновь восстановится полная сила звука.
Звуковую и световую тревогу можно вызвать также преднамеренно (функция "паника") с помощью кнопки №2 радиоуправления. Это можно сделать, как при включенной, так и при выключенной системе, а также при работающем моторе во время движения машины. "Паника" длится 10 сек., но ее можно прекратить раньше, нажав кнопку №1.
Каждая попытка угона запоминается и доводится до сведения пользователя с помощью дисплея (см. раздел "Световая индикация о происшедшей тревоге").
В целях еще большего повышения степени безопасности система SP-К720 была снабжена автоматической блокировкой мотора. Даже в случае, если система защиты не включается с помощью радиоуправления, выключение щитка и последующее открывание дверей вызывает (через 20 сек.) автоматическое включение только функции блокировки. Об этом сообщает загорающийся зеленый светодиод на дисплее вверху слева, а также звуковой сигнал "бип". Чтобы за блокировкой мотора последовало включение системы со всеми ее функциями, достаточно нажать кнопку №1 радиоуправления.
Автоматизм блокировки двигателя может быть временно отключен (см. раздел "регулировка и выбор функций").
Для отключения блокировки мотора ключ на щитке нужно поставить в 1-ое положение и нажать клавишу №1 радиоуправления. За этим последует выключение соответствующего зеленого светодиода.
Для полного отключения системы, необходимо просто, нажать кнопку №1 радиоуправления (два раза, если система находится в режиме тревоги). Это подтверждается коротким миганием поворотников и сигналом "бип", а также выключением красного светодиода с надписью ON.
В случае потери или плохой работы передатчиков сирену можно отключить, а блокировку мотора нейтрализовать с помощью аварийного ключа, расположенного на задней стенке сирены.
| Напряжение питания: | 12В+ЗВ |
| Потребление тока при включенной сигнализации: | 15 мА |
| Потребление тока при выключенной сигнализации: | 7,5 мА |
| Потребление тока радиоуправлением: | 3 мА (при передаче) |
| Максимальный ток реле блокировки мотора: | 10 А, 30 А |
| Рабочая частота ультрасоника: | 40 кГц |
| Рабочая температура: | -З0С - +85С |
| Сила звука сирены: | 118 дБ |
| Размеры: | 130х100х37 мм (центральный блок) |
| 80х80х110 мм (сирена) |
![]() |
Красный светодиод показывает состояние системы охранной сигнализации (горит, если система включена, погашен, если система выключена) |
![]() |
Зеленый светодиод показывает состояние функции (погашен, если эта функция будет задействована, горит, если эта функция отключена - см. раздел "Регулировка и выбор функций"). |
![]() |
Зеленый светодиод показывает состояние функции управления стеклоподъемником (погашен, если эта функция будет задействована, горит, если эта функция отключена - см. раздел "Регулировка и выбор функций"). |
![]() |
Зеленый светодиод показывает состояние функции обнаружения смещения (погашен, если эта функция будет задействована, горит, если эта функция отключена - см. раздел "Регулировка и выбор функций"). |
![]() |
Зеленый светодиод показывает состояние функции управления централизованным запиранием (погашен, если эта функция будет задействована, горит, если эта функция отключена - см. раздел "Регулировка и выбор функций"). |
![]() |
Зеленый светодиод показывает состояние функции автоматической блокировки мотора (погашен, если эта функция будет задействована, горит, если эта функция отключена - см. раздел "Регулировка и выбор функций"). |
Примечание: с показаниями зеленых светодиодов, помещенных в нижней части дисплея, следует сверяться только при включенном щитке.
![]() |
Загорание зеленого светодиода указывает на вступление в действие автоматической блокировки мотора. |
![]() |
Загорание красного светодиода указывает на срабатывание объемного ультразвукового датчика (см. функцию "самоконтроль" и раздел "Световая сигнализация о происшедшей тревоге"). |
![]() |
Загорание красного светодиода указывает на срабатывание схемы антивредительства (см. функцию "самоконтроль" и раздел "Световая сигнализация о происшедшей тревоге"). |
![]() |
Загорание красного светодиода указывает на срабатывание датчика смещения (см. функцию "самоконтроль" и раздел "Световая сигнализация о происшедшей тревоге"). |
![]() |
Загорание красного светодиода указывает на срабатывание защиты дверей (см. функцию "самоконтроль" и раздел "Световая сигнализация о происшедшей тревоге"). |
![]() |
Загорание красного светодиода указывает на срабатывание защиты капота и багажника (см. функцию "самоконтроль" и раздел "Световая сигнализация о происшедшей тревоге"). |
Рекомендуется устанавливать систему на расстоянии от чрезмерных источников тепла и мест, где может просачиваться вода.
Мойка моторного отсека струёй под давлением может привести к серьезным повреждениям системы сигнализации. Поэтому при мойке следует избегать, чтобы струя воды попадала на сигнализацию.
При демонтаже автомобильного аккумулятора более чем на 5 часов, аварийный ключ на задней стенке сирены ОБЯЗАТЕЛЬНО!!! поставить в положение OFF.
Невыполнение этих требований, а также ущерб нанесенный электрооборудованию из-за небрежной или не соответствующей нашим указаниям установки, снимает с фирмы изготовителя обязательства по гарантийному обслуживанию системы.
Прежде чем приступить к соединениям, отсоединить одну из клемм батареи.
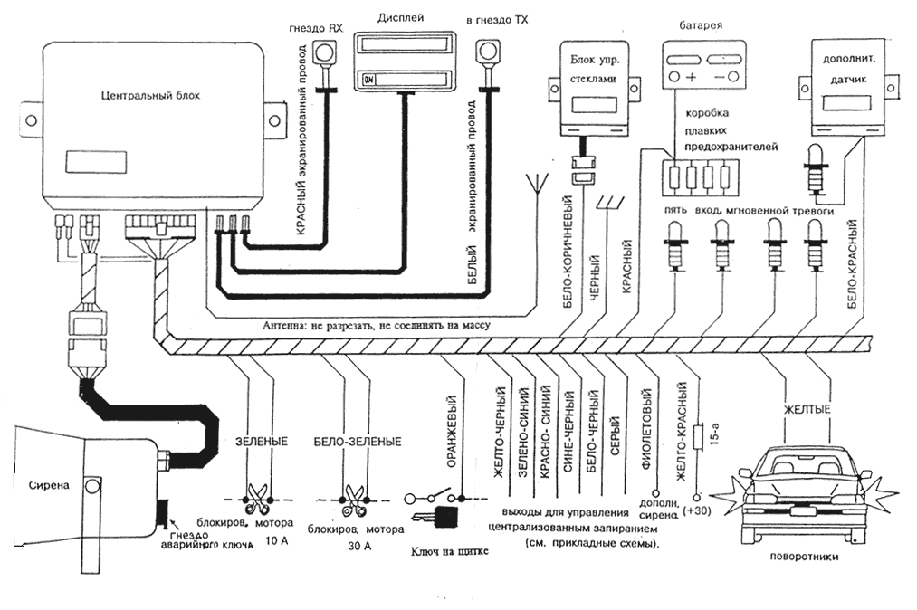
Подсоединить проводку к центральному блоку, затем выполнить следующие операции:
КРАСНЫЙ провод: плюс питания системы; соединить с каким-нибудь постоянным плюсом (+30).
ЖЕЛТО-КРАСНЫЙ провод: плюс питания поворотников (через желтые провода); соединить с главным плюсовым проводом, который подает питание к коробке плавких предохранителей через 15-амперный предохранитель, прилагаемый к покупке.
ЧЕРНЫЙ провод: минус питания; соединить с каким-нибудь постоянным минусом (масса шасси).
ЖЕЛТО-ЧЕРНЫЙ. ЗЕЛЕНО-СИНИЙ, КРАСНО- СИНИЙ, СИНЕ-ЧЕРНЫЙ. БЕЛО-ЧЕРНЫЙ, СЕРЫЙ: выходы для управления централизованным запиранием (см. прикладные схемы).
БЕЛЫЙ, БЕЛО-СЕРЫЙ провод: мгновенный минусовой вход тревоги. Соединить с кнопками на массу, связанными с дверьми. СИНИЙ, СИНЕ-СЕРЫЙ провод: мгновенный минусовой вход тревоги. Соединить с кнопками на массу, связанными с капотом и багажником. БЕЛО-КРАСНЫЙ провод: минусовой вход для мгновенной тревоги для возможных дополнительных датчиков.
ЖЕЛТЫЕ провода: один соединить с правой линией поворотников (положительная полярность), второй - с левой линией поворотников (положительная полярность).
ОРАНЖЕВЫЙ провод: соединить с плюсом, создаваемым ключом зажигания в 1-ом положении. УБЕДИТЬСЯ В ТОМ. ЧТО ПЛЮС ПРИСУТСТВУЕТ ТАКЖЕ ВО ВРЕМЯ ФАЗЫ ЗАПУСКА; ОБЯЗАТЕЛЬНО ВЫПОЛНЯТЬ ЭТО СОЕДИНЕНИЕ. КОТОРОЕ ОБЕСПЕЧИВАЕТ НЕВОЗМОЖНОСТЬ СЛУЧАЙНОГО ВКЛЮЧЕНИЯ ПРОТИВОУГОННОГО УСТРОЙСТВА ПРИ РАБОТАЮЩЕМ МОТОРЕ.
ЗЕЛЕНЫЕ провода: схема блокировки мотора 10 А (см. прикладные схемы).
БЕЛО-ЗЕЛЕНЫЕ провода: схема блокировки мотора 30 А (см. прикладные схемы).
БЕЛО-КОРИЧНЕВЫЙ провод: минусовой выход для управления стеклоподъемниками (по желанию клиента).
ФИОЛЕТОВЫЙ провод: минусовой выход для управления дополнительной электронной сиреной.
РОЗОВЫЙ провод: не использовать.
Соединить жгут проводов сирены с центральным блоком с помощью соединителей, прилагаемых к покупке (разъемы или наконечники проводов), так чтобы цвета проводов совпали. Использовать защитную муфту, покрывающую разъем.
Для обеспечения оптимальной защиты салона прикрепить капсулы в верхней части передних стоек автомобиля, ориентируя их в направлении к заднему стеклу.
Вставить КРАСНЫЙ экранированный провод в гнездо RX, а БЕЛЫЙ экранированный провод - в гнездо ТХ центрального блока (см. рис. C).
Установить дисплей на панели приборов, затем вставить штырь в гнездо D (см. рис. C).
Рис.С

ДИП-переключатель № 1 - см. раздел "Пуск в действие передатчиков"
ДИП-переключатель № 2 - не использовать.
ДИП-переключатель № 3,4 - проверить систему централизованного запирания автомобиля, затем использовать эти ДИП-переключатели для выбора подходящего времени запирания - отпирания, руководствуясь нижеприведенной таблицей и соответствующими прикладными схемами.
Сигнализация поставляется со временем запирания - отпирания 0,7 сек. (электрическое централизованное запирание).
| ДИП-переключатель № 1 | ДИП-переключатель № 2 | Время запирания | Время отпирания | |
|---|---|---|---|---|
| с включенным ультрасоником | с выключенным ультрасоником | |||
| OFF | OFF | 0,7 сек. | 0,7 сек. | 0,7 сек. |
| ON | OFF | З0 сек. | 0,7 сек. | 0,7 сек. |
| ОN | ОN | 30 сек. | 6 сек. | 6 сек. |
| OFF | ОN | 6 сек. | 6 сек. | 6 сек. |
Примечание:
Короткие промежутки времени запирания при выключенных ультразвуковых имеют своей целью исключить команду запирания в системах "комфорт".
Позволяет регулировать чувствительность объемного датчика: для увеличения чувствительности вращать против часовой стрелки, для уменьшения чувствительности - по часовой.
Для увеличения чувствительности вращать против часовой стрелки, для уменьшения чувствительности - по часовой.
![]() |
Объемной защиты |
![]() |
Управления запиранием окон |
![]() |
Датчик смещения |
![]() |
Централизованное запирание - отпирание |
![]() |
Автоматическая блокировка мотора |
Примечание:
При постановке автомобиля на охрану - убедитесь, что все стекла в салоне закрыты. Открытое окно при включенной функции объемной защиты будет постоянно вызвать сигнал тревоги, даже при слабом ветре.
Выше перечисленные функции можно отключать. Чтобы приступить к процедуре программирования, включить щиток автомобиля, затем нажать кнопку №1 радиоуправления. Красный светодиод с надписью ON загорится. Отпустить кнопку и подождать, пока этот светодиод погаснет; затем вновь нажать и держать кнопку нажатой. Красный светодиод с надписью ON зажигается и горит не мигая, а затем один за другим зажигаются 5 зеленых светодиодов, расположенные справа в нижней части дисплея. При зажигании светодиода, соответствующего функции, которую надо отключить, отпустить кнопку. Красный светодиод погаснет, зеленый останется гореть, сообщая о произошедшем отключении.
Теперь если желательно отключить и другие функции, необходимо вновь нажать кнопку №1 радиоуправления и снова отпустить ее при загорании зеленого светодиода, связанного со следующей функцией, которую хотят отключить.
Как только будут проделаны все необходимые отключения, погасить щиток. Теперь погаснут и зеленые светодиоды, соответствующие нейтрализованным функциям. Они вновь зажгутся при следующем включении щитка и останутся зажженными во время движения машины, чтобы постоянно напоминать пользователю об отключенных функциях.
Теперь систему охранной сигнализации можно включить обычным образом; отключенные функции не будут работать до следующего программирования.
В случае, если управление стеклоподъемником будет отключено, а объемная защита останется, система самостоятельно уменьшит чувствительность ультрасоника, тем самым сводя к минимуму риск ложной тревоги.
Для восстановления нейтрализованных функций, необходимо, зажечь щиток, затем нажать кнопку №1 радиоуправления, а при загорании красного светодиода с надписью ON сразу же отпустить ее. Восстановление подтверждается выключением зеленых светодиодов, которые перед этим были зажжены.
Исключение составляет функция "автоматическая блокировка мотора", восстановление которой происходит иным путем, чтобы избежать любых неприятностей, связанных с возможными ошибками в применении. Для восстановления этой функции, необходимо, зажечь щиток, затем, нажать кнопку №1 радиоуправления и держать ее нажатой, пока не погаснет, соответствующий зеленый светодиод (последний внизу справа), затем отпустить эту кнопку. Нейтрализация звуковой сигнализации о включении -выключении
Для нейтрализации звукового оповещения о включении и выключении, необходимо зажечь щиток, затем нажать и держать нажатой клавишу №1 радиоуправления. Вначале загорится красный светодиод с надписью ON, затем, находящийся выше зеленый светодиод. Отпустить кнопку и погасить щиток. Для восстановления звуковой сигнализации проделать эту же процедуру.
В случае потери или плохой работы передатчиков, необходимо использовать ключ, расположенный на задней стенке сирены, чтобы прекратить звуковой сигнал тревоги и дать завести машину, нейтрализовав блокировку мотора.
Система поставляется с двумя брелками радиоуправления. В случае их потери или плохой работы, новые брелки радиоуправления можно задействовать следующим образом: при выключенной системе, поставить ДИП - переключатель №1 в положение ON. Нажать кнопку №1 одного из брелков, включив систему. Через 15 секунд нажать кнопку №1 второго брелка, чтобы включить ее. Переставить ДИП №1 в положение OFF. Снова включить и выключить систему, чтобы убедиться, что оба работают правильно. В противном случае повторить процедуру.
Из соображений безопасности, приемник может запомнить два кода. Каждый раз при задействовании нового передатчика один из предыдущих передатчиков исключается. Таким образом, для пользователя оказывается простым делом "вычеркнуть" из системы потерянные или украденные брелки радиоуправления, а также обнаружить и нейтрализовать "не дозволенные" попытки (возможные там, где автомобиль и брелки оставляются третьим лицам - на парковой стоянке, в автомастерской); в последнем случае пользователь может заподозрить задействование третьего передатчика - "чужака", если один из двух первоначальных передатчиков неожиданно перестал работать; реактивации обоих первоначальных передатчиков в соответствии с вышеописанной процедурой достаточно для того, чтобы "выдворить" третий передатчик - "чужака".
Если система сигнализации срабатывает вследствие попытки взлома, то владелец, вернувшийся к машине, будет проинформирован об этом с помощью дисплея, который сообщит об имевшей место тревоге и о характере покушения, вызвавшего ее. В верхней части дисплея находятся пять красных светодиодов, соответствующих функциям: объемной защиты, защиты против вредительства, датчику смещения, защиты дверей, защиты капота и багажника. При выключении светодиод, соответствующий той функции, той функции, которая дала тревогу, загорается и гаснет только при зажигании щитка. Возврат в исходное положение происходит при следующем включении.
Закончив установку, вновь подсоединить клемму батареи, а аварийный ключ находящийся на корпусе сирены, поставить в положение ON, прежде чем приступить к проверке правильной работы системы со всеми вышеописанными функциями.




