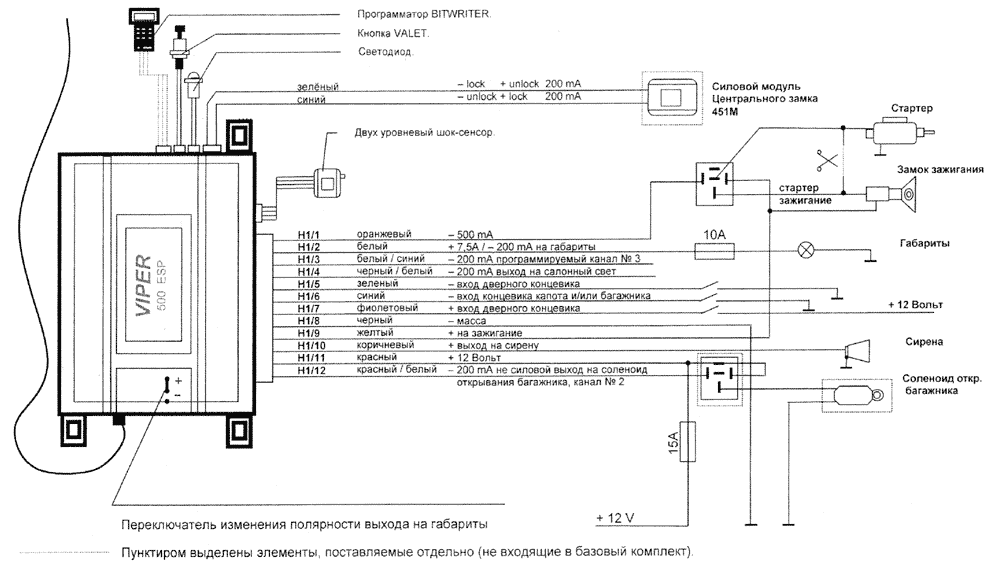
Для входа в режим программирования:
Откройте дверь (Н1/5 ЗЕЛЕНЫЙ или Н1/7 ФИОЛЕТОВЫЙ должны быть подсоединены).
Включите и выключите зажигание (Н1/9 ЖЕЛТЫЙ должен быть подсоединен).
Выберите из меню интересующую функцию, для этого проделайте следующие операции: нажмите и УДЕРЖИВАЙТЕ кнопку программирования VALET. (Разъем кнопки VALET должен быть подсоединен к синему разъему блока). Через 3 секунды прозвучит звуковой сигнал. Это вход в меню №1. Если необходимо войти в меню №2, то продолжайте удерживать кнопку до следующего звукового сигнала.
Выбор функций. Для этого нажмите кнопку VALET нужное число раз. Например, если выбрана функция 3, то нужно нажать кнопку VALET три раза, затем нажать кнопку еще раз, и УДЕРЖИВАТЬ ее. Сирена даст в ответ количество сигналов, соответствующих номеру функции (в данном случае это три сигнала). Продолжая удерживать кнопку VALET, нажмите кнопку брелка, соответствующего нужному значению.
Выбор внутри функции осуществляется нажатием соответствующей кнопки брелка. Для выбора значения из левой колонки нажмите на левую кнопку брелка
. Сирена даст один подтверждающий сигнал. Для выбора значения функции из правой колонки нажмите на правую кнопку брелка
. Сирена даст два подтверждающих сигнала.
Для выбора количества нажатий для аварийного снятия с охраны (функция 2-5) и для программирования третьего канала (функция 2-9) используется кнопка
.
| шаг | Один подтверждающий звуковой сигнал |
Два подтверждающих звуковых сигнала |
|---|---|---|
| 1-1 | Активная остановка на охрану. | Пассивная постановка на охрану. |
| 1-2 | Звуковое подтверждение постановки/снятия с охраны ВКЛ. | Звуковое подтверждение постановки/снятия с охраны ВЫКЛ. |
| 1-3 | При вкл/выкл зажигания двери автоматически запираются/отпираются. | При вкл/выкл зажигания двери автоматически НЕ запираются/отпираются. |
| 1-4 | Если ВЫ выбрали в 1-1 пассивную постановку на охрану, двери НЕ будут при постановке автоматически запираться. | Если ВЫ выбрали в 1-1 пассивную постановку на охрану, двери БУДУТ при постановке автоматически запираться. |
| 1-5 | Режим ПАНИКА при включенном зажигании РАЗРЕШЕН. | Режим ПАНИКА при включенном зажигании ЗАПРЕЩЕН. |
| 1-6 | Длительность импульса на центральный замок 0,8 сек. | Длительность импульса на центральный замок 3,5 сек. |
| 1-7 | Если ВЫ выбрали в 1-1 пассивную постановку на охрану, то она будет включаться через 1 час после отключения зажигания, независимо от закрытия дверей ВКЛ. | Если ВЫ выбрали в 1-1 пассивную постановку на охрану, то она будет включаться через 1 час после отключения зажигания независимо от закрытия дверей ВЫКЛ. |
| 1-8 | Автоматическая блокировка двигателя через 30 сек после выключения зажигания ВКЛ | Автоматическая блокировка двигателя через 30 сек после выключения зажигания ВЫКЛ |
| 1-9 | AWD - функция защиты автомобиля при движении ВКЛ (VRS - ВЫКЛ) | VRS - функция возврата автомобиля ВКЛ (AWD - ВЫКЛ) |
| Плавающий код ВКЛ | Плавающий код ВЫКЛ |
| шаг | Один подтверждающий звуковой сигнал |
Два подтверждающих звуковых сигнала |
|---|---|---|
| 2-1 | Выход на сирену (импульсный) | Выход на клаксон (постоянный) |
| 2-2 | Время звучания сирены 30 сек | Время звучания сирены 60 сек |
| 2-3 | Защита от ложных срабатываний датчиков ВКЛ | Защита от ложных срабатываний датчиков ВЫКЛ |
| 2-4 | При открывании двери, когда система стоит на охране сирена срабатывает с задержкой (10 предупредительных сигналов) | Сирена срабатывает без задержки, сразу |
| 2-5 | Количество нажатий при снятии с охраны кодированным выключателем VALET - 1 | Количество нажатий при снятии с охраны кодированным выключателем VALET - 2-5 |
| 2-6 | Предупреждение о не закрытых дверях при постановке на охрану ВКЛ | Предупреждение о не закрытых дверях при постановке на охрану ВЫКЛ |
| 2-7 | Включение света в салоне на 60 сек после выключения зажигания ВКЛ | Включение света в салоне на 60 сек после выключения зажигания ВЫКЛ |
| 2-8 | Двойной импульс на открывание дверей ВЫКЛ | Двойной импульс на открывание дверей ВКЛ |
| 2-9 | Канал №3 Стандартный (выходной сигнал длится до тех пор, пока удерживается кнопка брелка) |
Канал №3 Защелкиваемый (выходной сигнал включается при первом нажатии кнопки, и выключается при втором нажатии), Защелкиваемый - сбрасываемый при положении ключа зажигания ON/OF, или через 30 секунд Второй импульс для функции открывания дверей (водительская дверь/все двери) |
Для перехода с одной функции на другую в пределах одного меню выполните следующие операции: например, ВЫ только что запрограммировали функцию 3, и хотите попасть в функцию 7, для этого нажмите кнопку VALET четыре раза, а затем снова нажмите ее и удерживайте. Сирена даст 7 звуковых сигналов, теперь ВЫ находитесь в программировании функции №7. Не отпуская кнопки, нажмите кнопку брелка соответствующую выбранной функции.
Для перехода из одного меню в другое нажмите кнопку VALET, и продолжайте удерживать ее в течение трех секунд. Сирена даст то количество сигналов, в каком меню ВЫ теперь находитесь. Далее продолжайте программировать в той же последовательности как в пп. 4-5.
Для выхода из режима программирования достаточно закрыть дверь, или включить зажигание, или нажать кнопку VALET слишком большое количество раз, или просто подождать в течение 15 секунд.
Система комплектуется двумя 4-кнопочными брелками и может по желанию клиента запомнить еще 2 брелка. Очень важно помнить, что если система была запрограммирована перед вами при помощи PC или BITWRITER, то возможна установка на запрет перепрограммирования брелков и занесения в память новых. В этом случае программирование возможно только при наличии PC или BITWRITER.
Для входа в режим программирования проделайте следующие манипуляции:
Откройте дверь (Н1/5 ЗЕЛЕНЫЙ или Н1/7 ФИОЛЕТОВЫЙ должны быть подсоединены).
Включите зажигание (Н1/9 ЖЕЛТЫЙ должен быть подсоединен).
Выберите прописываемый канал, для этого нажмите и отпустите кнопку VALET столько раз, сколько соответствует номеру интересующей функции. Имейте в виду, что если ВЫ записываете новый брелок, то всегда начинайте с функции 1 или 4.
Нажмите и удерживайте кнопку VALET некоторое время. Сирена даст звуковой сигнал, и светодиод мигнет то количество раз, которое соответствует номеру выбранной функции.
Не отпуская кнопку VALET, нажмите ту кнопку брелка, которой ВЫ хотите управлять данной функцией. Сирена даст один звуковой сигнал, подтверждая, что обучение произошло успешно. Отпустите кнопку брелка и переходите к программированию следующей функции.
Для программирования следующей функции снова нажмите кнопку VALET требуемое количество раз. Например, с функции 4 ВЫ хотите перейти к функции 5. Нажмите и отпустите кнопку VALET один раз, затем нажмите ее снова и удерживайте. Сирена даст звуковой сигнал, и светодиод мигнет то количество раз, которое соответствует номеру выбранной функции. Не отпуская кнопку VALET, нажмите ту кнопку брелка, которой ВЫ хотите управлять данной функцией. Сирена даст один звуковой сигнал, подтверждая, что обучение произошло успешно.
| № канала | Функция | Цвет провода |
|---|---|---|
| 1 | Постановка/ Снятие/ Паника | |
| 2 | Бесшумная постановка, снятие/ Дистанционный VALET/ Открывание багажника | Красный/белый |
| 3 | Дистанционный запуск двигателя или другая дополнительная функция | Белый/голубой |
| 4 | Только постановка на охрану | |
| 5 | Только снятие с охраны | |
| 6 | Только ПАНИКА | |
| 7 | Автоматическая установка стандартной конфигурации * | |
| 8 | Автоматическая установка одной из возможных конфигураций * | |
| 9 | Вычеркивание всех, ранее запрограммированных брелков |
О стандартной и одной из возможных конфигураций смотри в инструкции пользователя.
Для выхода из режима программирования достаточно закрыть дверь, или выключить зажигание или нажать кнопку VALET слишком большое количество раз, или просто подождать 15 секунд.
О выходе из режима программирования укажет один длинный звуковой сигнал.
Включите зажигание.
Нажмите левую кнопку брелка на 1 секунду
.
Парковочные огни, или к чему ВЫ там прицепились, мигнут один раз, и сирена даст один звуковой сигнал. Система анти-хайджек VRS приведена в действие, и теперь после того, как будет открыта и затем закрыта любая дверь, через определенное время будет заблокирован стартер.
Включите зажигание.
Нажмите правую кнопку брелка на 1 секунду
.
Парковочные огни мигнут два раза, и сирена даст два звуковых сигнала, подтверждая, что функция VRS успешно отключена.
Включите зажигание.
Нажмите и отпустите кнопку VALET заранее запрограммированное количество раз (1-5).

