Не отсоединяйте аккумулятор от автомобиля оборудованного радиосистемой передачи кодированного сигнала для защиты от злоумышленников. Если автомобиль оснащен пневмоподушкой системы пассивной безопасности, то также, по возможности, избегайте отсоединения аккумулятора. ВНИМАНИЕ! Многие системы с пневмоподушкой пассивной безопасности после того, как будут отсоединены от источника питания, отобразят диагностический код с помощью предупредительной световой сигнализации. После отсоединения аккумулятора потребуется удалить этот код. Для выполнения этой процедуры вероятно придется посетить дилера.
Необходимо придерживаться некоторых правил относительно выбора места для размещения сирены:
Нельзя располагать блок управления (или так называемые мозги) в двигательном отсеке.
Когда злоумышленник пытается попробовать запустить автомобиль он обычно удаляет некоторые части приборной панели расположенные со стороны водителя и таким образом получает доступ к проводам стартера и зажигания. Если в процессе выполнения обычной для него процедуры разборки он находит блок управления то он может очень легко отсоединить систему.
При расположении блока управления попытайтесь найти такое безопасное место которое не потребует наращивания жгута проводов (длина жгута - 1.5 метра). Располагайте блок управления вдали от сердцевины подогревателя (или вдали от иных источников тепла).
Чем выше в автомобиле будет расположен блок управления тем больше будет радиус действия системы. Если расположить блок управления под сидением автомобиля или внутри металлической приборной панели то радиус действия может уменьшиться и в этом случае. Вы можете попробовать использовать дополнительную антенну 524Т (поставляется отдельно).
Некоторые хорошие местоположения блока управления - над бардачком внутри центральной консоли над коробкой с плавкими предохранителями над радиоприемником и т. п.
Никогда не располагайте датчик удара Stinger в двигательном отсеке.
Постарайтесь найти место достаточно близко расположенное к блоку управления. В этом случае отпадет необходимость в наращивании проводов. Располагайте датчик вдали от сердцевины подогревателя (или вдали от иных источников тепла).
ПРИМЕЧАНИЕ: Если датчик удара находится слишком близко от блока управления (2-6 дюйма (50 - 150 мм)) то он будет фиксировать щелканье бортового реле мигания указателей поворота. Датчик должен находиться по крайней мере на расстоянии 8-10 дюймов (200-250 мм) от блока управления и от любых дополнительных реле.
Способ монтажа датчика удара Stinger играет очень большую роль для правильной его работы. Мы рекомендуем два способа монтажа использовать двухстороннюю липкую ленту или крепежное средство в виде крючка и петли для крепления к декоративной панели или к воздуховоду использовать проволочную обвязку для крепления к жгуту проводов. ВНИМАНИЕ! Во многих автомобилях крепление датчика к рулевой колонке или привинчивание его к металлической поверхности приводит к низкой чувствительности особенно если крепление производится в задней части автомобиля.
Если датчик монтируется в таком месте где нет удобного доступа к нему для выполнения регулировки то для облегчения выполнения будущих регулировок мы рекомендуем использовать крепежную ленту в виде крючка и петли (типа Velcro)
Убедитесь в том что в тех местах которые Вы выберете для размещения выключателей имеется достаточно свободного пространства за панелью.
Выключатели не должны быть расположены на виду у возможного злоумышленника. Их следует разместить таким образом, чтобы пассажиры или предметы хранящиеся в автомобиле, например, в бардачке, не могли ненароком нажать на выключатель. Для установки переключателей необходимо просверлить отверстия диаметром 9/32" (7.14 мм)
ПРИМЕЧАНИЕ: Не забудьте, что данная система имеет дистанционный служебный режим. Это означает что пользователь может войти и выйти из служебного режима не пользуясь выключателем служебного режима. Фирма DEI ввела эту функцию для того чтобы место расположения выключателя служебного режима было бы менее критично для ежедневного использования. Что же касается удобства доступа к выключателю служебного режима с целью выполнения режима обхода (Bypass Mode) т. е. снятия системы с охраны без применения пульта дистанционного управления, то удобство доступа в этом случае не является критичным.
ВНИМАНИЕ! Когда автомобиль доставлен то не забудьте показать пользователю где размещаются выключатели и как с их помощью снять систему Viper Code Plus с охраны или воспользоваться системой возврата автомобиля.
При определении местоположения сигнального светодиода необходимо помнить следующее:
Он должен быть виден с обеих сторон автомобиля а если возможно то и сзади.
Для его монтажа (за ним) требуется по крайней мере 1/2" (12.7 мм) свободного пространства.
Самый легкий способ это использовать небольшую съемную панельку типа приборного щитка. Удалите его прежде чем будете просверливать отверстие 9/32" (7.14 мм)
Если панелька съемная то установите какой-нибудь разъем для проводов светодиода. Это позволит механику или иным специалистам по монтажу снимать панельку без перекусывания проводов.
Если используется дополнительная система возврата автомобиля то сигнальный светодиод должен быть виден с сидения водителя (пока трансмиссия находится в зацеплении).
Если злоумышленник снимет часть приборной панели со стороны водителя с целью найти провода с помощью которых можно было бы запустить двигатель и обнаружит там реле блокировки стартера и если подсоединения этого реле станут ему сразу же видны то он сможет легко обойти блокиратор стартера. Поэтому надо всегда делать так чтобы это реле было бы трудно распознать а его подключение было бы трудно отличить от заводской проводки. Желтые торцевые соединители не выглядят как заводские и поэтому навряд ли смогут одурачить злоумышленника. Поэтому провода блокиратора стартера всегда рекомендуется прокладывать подальше от рулевой колонки.
Теперь после того как Вы решили где будет находиться каждый элемент системы Вам предстоит найти нужные провода автомобильной проводки к которым будет подсоединяться охранная система. ВНИМАНИЕ! Для нахождения нужных проводов не следует пользоваться тестовой лампочкой на 12 В. Все тесты описанные в данном руководстве выполняются цифровым мультиметром.
Мы рекомендуем только два источника некоммутируемого напряжения 12 В, а именно: клемма ( + ) аккумулятора или некоммутируемый провод питания переключателя зажигания. Всегда следует устанавливать плавкий предохранитель не далее 12 дюймов (300 мм) от этого соединения. Если данный предохранитель будет защищать другие цепи например цепи дверных замков оконных приводных модулей системы управления фарами Nite-Lite и т. д., то плавкий предохранитель должен быть выбран соответствующим образом.
ВНИМАНИЕ! Нельзя удалять держатель плавкого предохранителя расположенный на красном проводе. Он предназначен для того чтобы гарантировать чго независимо от того сколько элементов добавлено к основной цепи питания, блок управления имеет свой собственный независимый плавкий предохранитель, выбранный на надлежащую величину тока.
Напряжение подается на провод переключателя зажигания в том случае, когда ключ находится либо в положении "включено", либо в положении "стартер". Так сделано потому, что это провод служит для подачи напряжения питания в систему зажигания (свеча зажигания, обмотка) и в систему подачи топлива (топливный насос, система впрыска топлива). С другой стороны, провода вспомогательного оборудования обесточиваются, когда ключ повернут в положение стартер". Это сделано для того, чтобы на стартер мог бы быть подан ток требуемой величины.
Как найти провод зажигания (+)12 В с помощью мультиметра.
Провод (+) габаритных фонарей очень часто можно найти рядом с выключателем. Многие автомобили имеют выключатель, встроенный в рычаг указателя поворота и в таких автомобилях провод габаритных фонарей можно найти в рулевой колонке. Этот провод можно также очень часто найти за защитной панелью.
ПРИМЕЧАНИЕ: Во многих моделях Toyota а также во многих азиатских автомобилях сигнал (-) подается с выключателя на реле. Реле в свою очередь посылает напряжение (+)12 В на лампочки. Если у Вас возникают трудности с нахождением провода (+) габаритных фонарей рядом с выключателем то тогда проверьте провода на любом выключателе или на любом выключателе панели управления который подсвечивается освещением приборной панели. Необходимо помнить, что Вы ищете провод (+) габаритных фонарей напряжение в котором не изменяется от положения регулятора света.
Как найти с помощью мультиметра провод (+) мигания габаритных фонарей
Наилучшими местами для определения расцветки провода конечного выключателя являются:
На самом конечном выключателе. При тестировании конечного выключателя убедитесь в том, что он "видит" все двери/ Часто конечный выключатель двери пассажира "видит" все двери в то время как конечный выключатель двери водителя - не все.
На плафоне освещения салона. Если автомобиль оснащен схемой задержки освещения салона то это может оказаться не самым лучшим выбором. Однако для многих автомобилей Honda (или для любых автомобилей в которых конечные выключатели дверей изолированы диодами) это хороший вариант.
Как только Вы определили цвет провода то самым лучшим местом для подключения к нему очень часто является проводка за защитной панелью около передней стойки или в приборной панели. В тех случаях, когда поиск провода в наилучших местах оказался безрезультатным то попробуйте найти провод в самом плафоне освещения салона. Очень часто это приводит к самому быстрому результату.
Как найти с помощью мультиметра провод срабатывания конечных выключателей дверей:
ПРИМЕЧАНИЕ: Необходимо убедиться в том что найденный провод "видит" все двери. Некоторые последние модели автомобилей GM не имеют стандартных конечных выключателей. Освещение салона в этих автомобилях включается при подъеме ручки двери. В этих автомобилях провод (-), обеспечивающий срабатывание от всех дверей обычно имеет синюю/белую или белую расцветку и проходит от двери за защитную панель. В некоторых автомобилях GM (некоторые Cavalier некоторые Grand Ams и т. д. ) этот провод имеет желтую расцветку выходит из двери и падает ( + ) при срабатывании двери.
Как найти с помощью мультиметра провод (+)12 В стартер
Прежде чем приступить к соединению проводов продумайте их прокладку по автомобилю. Например входной провод зажигания красный входной провод некоммутируемою напряжения (+)12 В и оранжевый выходной провод на котором появляется земля при включении системы в режим охраны (для дополнительного реле блокировки стартера) очень часто прокладываются вместе к жгуту переключателя зажигания. Для того чтобы проводка была выполнена аккуратно и кроме того чтобы злоумышленникам было бы не так просто ее найти Вы можете обмотать провода изоляционной лентой или скрыть их в трубке аналогичной той, которую применяет завод-изготовитель автомобиля.
Имеются два приемлемых способа выполнения соединения проводов пайкой и опрессовкой соединителей. При правильном выполнении любой из типов соединения является надежным и безаварийным. Независимо от того паяете ли Вы соединения или производите их механическую опрессовку необходимо убедиться в том что соединения являются механически прочными и хорошо изолированными.
Дешевая изоляционная лента особенно при неаккуратном применении не является надежным изолятором. В жару она часто является причиной ложных срабатываний. По возможности необходимо применять изоляционную ленту хорошего качества или термоусадочную трубку.
Никогда нельзя скручивать и заматывать провода изоляционной лентой не произведя пайку.
Никогда нельзя использовать предохранительные отводы поскольку они могут привести к повреждению выводов предохранительной коробки.
Если Вы используете ответвительные соединители типа ЗМ Т-Taps (не путать с Scotch Loks), то избегайте их применения в цепях с высоким потреблением тока (линия некоммутируемого напряжения 12 В земля и т. п. ). Некоторые типы ответвительных соединителей имеют очень низкое качество и их применения следует избегать.


Н1/5. Черный провод. (-) Заземление на шасси. Соединить этот провод с зачищенной поверхностью металла. Предпочтение отдается соединению с помощью заводского болта нежели с помощью своего собственно винта (винты имеют тенденцию либо срывать резьбу либо со временем ослаблять затяжку). Мы рекомендуем заземлять все компоненты системы к одной и той же точке автомобиля.

Н1/8. Зеленый провод, срабатывание (-) or дверей. Н1/6. Фиолетовый провод, срабатывание (+) от дверей. Если в том проводе который Вы нашли при открывании двери появляется (-) то с ним следует соединить зеленый провод. Если в том проводе который Вы нашли, при открывании двери появляется (+) то в этом случае с ним следует соединить фиолетовый провод. ВНИМАНИЕ! Обязательно убедитесь в том что этот провод "видит" все двери.

Н1/7. Голубой провод. (-) Предупреждение-Отпугивание-Срабатывание. Сначала этот вход приводит к включению предупредительной отпугивающей сигнализации а затем через десять секунд переключает систему в режим полной тревоги. Если на этот провод поступает сигнал с длительностью более одной секунды например от конечного выключателя, то система перейдет в режим полной аварии сразу по окончании предупредительного отпугивающего сигнала. Этот вход хорошо работает с датчиком охраны объема 508Т.

Н1/11. Белый провод ( + ). Выход для мигания фонарей. Этот провод должен быть соединен с проводом ( + ) габаритных фонарей.

Н1/4. Желтый провод. ( + ) Вход для зажигания. Соединить этот провод с проводом 12 В идущим от переключателя зажигания. Особое внимание уделите тому, чтобы убедиться что этот провод нигде случайно не замыкается на шасси.

Н1/10. Белый/голубой провод. (-) Выход функции 3. Этот провод обеспечивает подачу сигнала (-) при получении блоком управления от пульта дистанционного управления кода управляющей функции 3. Этот сигнал будет присутствовать на данном выходе столько времени сколько идет прием сигнала от пульта дистанционного управления. К этому проводу могут подключаться в качестве нагрузки такие дополнительные модули как 551Т - система служебного запуска 529Т или 530Т - контроллеры оконных приводов и т. п.
Н1/9. Черный/белый провод. Выход (-) для наблюдения за освещением салона. ВНИМАНИЕ! Этот выход предназначен только для подключения реле. Его нельзя соединять с цепью освещения салона, поскольку это выход не рассчитан на ток одной или двух ламп освещения салона. Внешнее реле подключается следующим образом:

Н1/3. Коричневый провод. Выход ( + ) на сирену. Соединить данный провод с красным проводом сирены 514Т Revenger. Черный провод сирены соединить с (-) заземлением на шасси предпочтительно в той же точке, к которой подсоединены черные провода остальных модулей.

Н1/12. ОРАНЖЕВЫЙ ПРОВОД (-) Выход, активизируемый при включении системы в режим охраны. На этом проводе появляется (-) земля и держится столько времени сколько система находится в режиме охраны. Этот провод обесточивается как только система снимается с охраны. Этот оранжевый провод обычно используется для управления реле блокировки стартера 526Т. Выход может коммутировать нагрузку до 500 мА.
ПРИМЕЧАНИЕ: Если оранжевый провод подсоединяется к реле блокировки стартера другого типа т. е. не 526Т и используется для управления другим модулем например, 529Т или 530Т контроллера оконного привода, то в этом случае потребуется диод на 1 А (например, 1N4004).

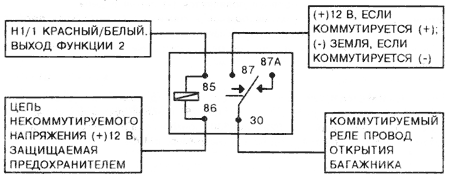
Н1/1. Красный/белый провод. Выход (-) функции 2. Когда блок управления получает код управляющей функции 2 и "видит" что эта передача длится более 2,5 секунд, то на красный/белый провод подается (-) столько времени, сколько длится передача управляющего сигнала. Этот выход часто используется для управления открытием багажника/люка или для выполнения других функций управляемых от реле. Если сигнал поступает при включенном зажигании, то выходная функция 2 длится 1 секунду.
ВНИМАНИЕ! К этому выходу можно подключать только реле или нагрузку с низким потреблением тока. Этот транзисторный выход может обеспечить не более 200 мА и поэтому, если его подсоединить непосредственно к соленоиду, электромотору или к другим устройствам с высоким потреблением тока, данный выход выйдет из строя.
ПРИМЕЧАНИЕ: Если не было произведено присвоение какой-либо кнопки для выполнения функции 2, то этот красный/белый провод не будет действовать и не будет функционировать "беззвучный режим" или "дистанционный служебный режим". См раздел "Программа обучения пульта дистанционного управления и приемника блока управления".

Н1/2. Красный провод. Вход для некоммутируемого напряжения питания ( + )12 В. ВНИМАНИЕ! Прежде, чем подсоединять этот провод, необходимо удалить плавкий предохранитель, расположенный за этим соединением. Подсоединить к положительной клемме аккумулятора или к проводу некоммутируемого напряжения питания 12 В, подключаемому к переключателю зажигания.
ПРИМЕЧАНИЕ: Всегда необходимо использовать плавкий предохранитель, расположенный не далее 12 дюймов (300 мм) от точки получения ( + )12 В. Не следует использовать для этих целей предохранитель на 10 А, находящийся в жгуте. Этот предохранитель предназначен для защиты самого блока управления.
Сигнальный светодиод и выключатель служебного режима. Провода от этих элементов вставляются в разъем блока управления. Провода от светодиода вставляются в маленький разьем на 2 вывода а провода от выключателя служебного режима вставляются в голубой разъем большего размера на 2 вывода. Если необходимо выполнить программирование, то Вы можете использовать этот переключатель, вставив его на время программирования в белый разъем программирования, расположенный на блоке управления.
ВНИМАНИЕ! Не забудьте, что для сигнального светодиода необходимо просверлить отверстия диаметром 9/32" (7,14 мм)

Зеленый (-). Вход для предупреждения и отпугивания. Этот вход (-) запускает предупредительную отпугивающую сигнализацию. В результате, в течение трех секунд "чирикает" сирена и мигают габаритные огни. К этому входу могут быть подключены и другие датчики.
ПРИМЕЧАНИЕ: Если это провод подает сигнал дольше 0,8 секунды, то будет генерироваться только один сигнал. Второй сигнал будет генерироваться только по истечении 3 секунд после окончания предыдущего сигнала.
Голубой (-). Вход мгновенного срабатывания. Этот провод соединяется с голубым (-) выходным проводом датчика удара 504L или с любым другим дополнительным датчиком от которого. Вы хотите мгновенно запустить сигнал тревоги! Для конечных выключателей капота багажника и люка использовать голубой провод Н1/7.
Красный, Черный. Красный это ( + )12 В некоммутируемого напряжения. Черный это (-) земля. Нельзя использовать эти входы для каких-либо иных целей кроме как для подключения датчика 504L.

Система Viper Code Plus может работать с двумя типами приводных дверных замков без применения каких-либо дополнительных элементов. Однако для некоторых автомобилей а также в тех случаях когда установлены исполнительные механизмы могут потребоваться либо два реле либо реле дверного замка 451Т.
ВНИМАНИЕ! В том случае если Вы перепутаете тип С (система с непосредственным подключением проводов) с типом А (система с положительными импульсами) будет поврежден блок управления.
Теперь Viper Code Plus может управлять этим типом систем напрямую без промежуточных реле. Переключатель имеет три провода. На одном проводе присутствует некоммутируемое напряжение (+) 12 В. На других проводах -попеременно импульсы напряжением ( + ) 12 В которые вырабатываются при установке переключателя в положение открыть или закрыть. Если переключатель имеет 5 проводов то это не система типа А а система типа С (и для нее требуется модуль 451 Т).
Если Вы не можете добраться до переключателя и обнаружили только набор проводов на которых попеременно имеются импульсы напряжения ( + ) 12 В для закрытия и открытия то надо быть очень осторожным и убедиться в том что это не система типа С с непосредственным подключением проводов.
Для этого имеется специальный тест. Перерезать провод на котором имеются импульсы ( + ) 12 В на запирание и затем начать управлять выключателем. Если запирание более не выполняется но по-прежнему происходит отпирание замков всех дверей то это означает что Вы имеете дело с системой типа А.
Если замки всех дверей более не работают в обоих направлениях то это означает что Вы имеете дело с системой типа С.
Если отпирание и запирание замка не выполняется только на той двери с которой Вы экспериментируете а на всех остальных дверях замки работают нормально то это означает что Вы перерезали провод идущий непосредственно к электродвигателю в данной двери. Поэтому Вам необходимо найти вместо этого провода тот провод который действительно идет к переключателю.
Многие автомобили GM отечественного производства используют замки типа А. Предупреждение! Еще большее количество автомобилей GM выпущенных в предыдущие годы имеют замки типа С. Полноразмерные пикапы (до 1989 г) многие модели S10 Blazer Corvette некоторые модели Cavalier и Camaro/Firebird 1993 используют дверные замки типа С и потому не могут управляться без применения модуля 451Т!
Кроме того почти все модели Ford отечественного производства имеют замки типа С (Ford почти никогда не использует системы типа А).
Chrysler использует как замки типа А так и замки типа В поэтому будьте внимательны.

Эта система часто используется во многих моделях Toyota Nissan Honda и Saturn а также в автомобилях Ford оснащенных кнопочной системой открытия дверей без ключа (некоторые другие модели автомобилей Ford также используют систему типа В). Эта система также управляет модулями 451Т и 527Т адаптеров дверных замков для Mercedes-Benz и Audi.
Переключатель имеет три провода. На одном проводе всегда присутствует земля. На другом проводе возникают импульсы (-) земля когда переключатель запирает двери а на другом проводе возникают импульсы (-) земля когда переключатель отпирает двери. Этот тип системы трудно перепутать с другими типами систем.

Имеются выключатели с четырьмя или с пятью проводами. Этот тип требует использования модуля 451Т (см инструкцию на модуль 451Т). В качестве альтернативного решения могут использоваться два реле.
Этот тип также требует использование модуля 451Т (см прилагаемую к модулю инструкцию) или двух реле. Этот тип используется для заводских систем запирания дверей в автомобилях Volvo (за исключением 850) Saab в большинстве автомобилей Mazda (за исключением 929 MPV) и Subaru.
Требует применения релейного модуля 451Т (или двух реле) и программирования длительности импульсов типа Mercedes/Audi. Внимание! Автомобили Mercedes и Audi изготовленные до 1985 г требуют применения дополнительного привода, а не тип Е!
Требуется одно реле. Используется в автомобилях Nissan Sentra, 240SX, 300ZX и Quest а также в некоторых автомобилях Mazda MPV и Mercury Villager.
Требуемый ли провод идущий на стартер отключается? Если автомобиль запускается при полностью отключенном реле блокировки стартера, то был перерезан и теперь отключается не тот провод.
Правильно ли расположены зеленый и черный провода? Зеленый провод идет к выключателю а черный провод к электродвигателю стартера.
Сработала ли система предотвращения нарушения общественного порядка? Если да то при снятии с охраны Вы услышите 5 чириканий. Проверьте это. Для того чтобы очистить память системы предотвращения нарушения общественного порядка включите а затем выключите зажигание. После этого повторите эксперимент с датчиком удара.
Именно так и должна работать система при поступлении последовательного двухуровневого сигнала срабатывания от дверей. Это особенность данной системы. Это мгновенное срабатывание запоминается и даже если дверь сразу же закроется то будет продолжено отрабатывание алгоритма заключающегося в том что сначала чириканье а затем звучание сирены на полную мощность.
Правильно ли Вы определили тип переключателя замка? Такая неисправность часто происходит если используется неправильный вход для двери.
Подсоединены ли входные сигналы от дверей? Голубой провод подсоединен к автомобильному проводу срабатывания от дверей? Должен использоваться либо зеленый провод Н1/6 либо фиолетовый провод Н1/8.
Сигнальный светодиод указывает на то что срабатывание вызвано датчиком удара? (См раздел Диагностика ). Если датчик удара настроен на максимальную чувствительность то он может обнаружить отщелкивание замка раньше чем конечный выключатель подаст свои сигнал. Уменьшение чувствительности датчика удара может решить эту проблему.
Провод от выключателя вставлен в тот разъем, в который нужно?
Вы установили выключатель? Его провод вставлен в нужный разъем? Вы читали руководство пользователя о том как работает эта система? (Работа данной системы отличается от внешней системы возврата автомобиля 540Т).
Вы наверно уже правильно предположили, что его провод не вставлен в разъем.
Данный блок имеет возможность легко произвести реверс выхода на запирание/отпирание замков.
Для этой системы необходимо изменить обычный порядок тестирования. Система предотвращения нарушения общественного порядка предотвращает запуск от датчиков мгновенного срабатывания что и становится проблемой.
Если:
Если данная зона не предпринимает попыток запустить охранную систему на протяжении 60 минут то в конце этого часа наблюдение за зоной возобновляется. НОВАЯ ОСОБЕННОСТЬ! Если эта зона не предпринимает попыток запустить охранную систему в течение времени ее игнорирования, то 60-минутный период игнорирования возобновляется. Только для входов мгновенного срабатывания, но не для предупреждения-отпугивания + срабатывания.
Снятие системы с охраны и повторная постановка на охрану не приводят к сбросу системы предупреждения нарушения общественного порядка. Единственный способ сбросить систему предупреждения общественного порядка заключается в том чтобы 60 минут игнорирования зоны прошли без срабатывания или включить зажигание. Это позволяет многократно запускать срабатывание системы снимать ее с охраны повторно ставить на охрану и при этом позволять системе предотвращения нарушения общественного порядка игнорировать зону ложного срабатывания.
Вход и выход из служебного режима с помощью выключателя:
Повернуть ключ зажигания в положение ОТКЛ. При этом не должно быть ни одной открытой двери (для того чтобы иметь возможность отключить зажигание необходимо чтобы сначала оно было включено).
В любой момент последующих 10 секунд нажать и отпустить выключатель служебного режима.
После этого если Вы вошли в служебный режим то сигнальный светодиод будет гореть ровным светом. Светодиод погаснет, как только Вы выйдете из служебного режима.
Вход и выход из служебного режима с помощью пульта дистанционного управления:
Открыть любую дверь.
Нажать кнопку 1 (или кнопку, выполняющую функцию постановки системы на охрану/снятия с охраны).
Нажать кнопку 2 (или кнопку, выполняющую функуию 2).
Еще раз нажать кнопку 1.
Теперь Вы вошли или вышли из служебного режима (проверьте по состоянию сигнального светодиода.
При использовании функции диагностики необходимо пользоваться таблицей контролируемых зон которая позволяет увидеть какой вход привел к срабатыванию системы. Эта таблица также может помочь в том случае если необходимо решить какой можно использовать вход при подключении дополнительных датчиков и выключателей.
| Номер зоны | Тип срабатывания | Описание входа |
|---|---|---|
| Один | Предупреждение- отпугивание- срабатывание |
Импульсы короче 1 секунды, такие как от датчика, включающего предупредительно-отпугивающий сигнал. Два коротких импульса в пределах 10 секунд запускают режим полной тревоги. Импульс длительнее 1 секунды например от конечного выключателя сразу же после предупредительно-отпугивающего сигнала переводят систему в режим полной тревоги. |
| Два | Двухуровневое срабатывание. | Сначала предупреждение затем режим полной тревоги. Цепь дверных конечных выключателей Н1/8 зеленый провод или Н1/6 фиолетовый провод. |
| Три | Мгновенное срабатывание | Выход второго уровня датчика удара двойной охраны. Голубой провод в 4-проводном жгуте датчика удара. |
| Без светодиода | Предупреждение- отпугивание |
Только предупреждение-отпугивание. Выход первого уровня датчика удара двойной охраны. Зеленый провод в 4-проводном жгуте датчика удара. |
| Без светодиода | Две стадии (аналогично дверям) | Зажигание Н1/4 желтый |
Для того чтобы добавить функции дополнительной системы возврата автомобиля необходимо установить реле блокировки стартера 526Т и подключить к красному разъему нажимной выключатель на два вывода. Убедиться в том что сигнальный светодиод расположен в таком месте где он виден с сидения водителя.
Разместить выключатель таким образом чтобы он был легко досягаем с сидения водителя но при этом он должен быть расположен по возможности скрытно. Убедитесь в том, что его нельзя нажать случайно!
Понадобится несколько минут для того, чтобы протестировать дополнительную систему возврата автомобиля.
Откройте руководство пользователя. Здесь детально описана последовательность срабатывании.
Нажать и отпустить кнопочный выключатель системы возврата автомобиля.
Включить зажигание и закрыть все двери.
Подождать 15 секунд. Сигнальный светодиод начнет мигать. После этого последует чириканье и мигание габаритных фонарей а затем на полную мощность включится сирена. Временные соотношения данной последовательности указаны в руководстве пользователя.
Через оранжевый провод включится блокиратор стартера: а) если зажигание выключается после окончания чириканья или б) как только сирена включится на полную мощность.
ВНИМАНИЕ! Необходимо убедиться в том, что Все пользователи данного автомобиля знают как отключить систему возврата автомобиля. Помните что пульт дистанционного управления не может отключить систему возврата автомобиля и поэтому если она сработала то пользователь может оказаться в затруднении попытавшись отреагировать стандартным образом на срабатывание системы Viper Code Plus.
ВНИМАНИЕ! Приведенные здесь указания относятся только к устройствам серийного изготовления. Опытные версии устройств имели другую программу обучения для пульта дистанционного управления.
Для того, чтобы войти в обучающую программу для пульта дистанционного управления, необходимо вставить временный выключатель в белый разъем для программируемого выключателя, расположенный сбоку блока управления. Для этой цели может быть временно использован выключатель служебного режима или отдельный временный выключатель.
Следует запомнить основную последовательность, которая используется обучающей программой для пульта дистанционного управления: Ключ, Выбор, Пульт дистанционного управления.
Включить зажигание.
Нажать и отпустить выключатель, один раз для программирования постановки на охрану/снятия с охраны, два раза для программирования функции номер два и три раза для программирования функции номер три.
| Функция приемника один | Постановка на охрану/ снятие с охраны/паника |
| Функция приемника два | Беззвучный режим/ дистанционный служебный режим/ открытие багажника |
| Функция приемника три | Длительное включение выхода с помощью пульта дистанционного управления (также называется "верность") |
Еще раз нажать и удерживать в нажатом положении кнопочный выключатель. Будут слышны одно, два или три "чириканья" в зависимости от того, какая именно функция готова к программированию. Удерживая выключатель в нажатом положении, нажать соответствующую кнопку на пульте управления. Однократное "чириканье" подтвердит, что код выучен.
Система может иметь для каждой функции четыре разных кода. Если одна из кнопок пульта дистанционного управления случайно запрограммирована на две разные функции, то будет выполняться только функция, имеющая меньший номер.
Используя те же самые, поставляемые с системой двухкнопочные пульты дистанционного управления, можно взаимодействовать с двумя автомобилями. Однако, Вы не сможете воспользоваться всеми дополнительными функциями системы Viper Code Plus (или всеми дополнительными функциями других систем фирмы Directed Electronics, Inc.).
ПРИМЕЧАНИЕ: Другие системы фирмы Directed Electronics, Inc. не совместимы с системой Viper Code Plus!
Если только одна система имеет обучающую программу, то в этом случае следует кнопку II пультов управления первоначальной (более старшей) системы Viper Code Plus запрограммировать как кнопку постановки на охрану/снятия с охраны. В результате пульты дистанционного управления первоначальной системы будут управлять обоими автомобилями, при этом кнопка I будет ставить на охрану первоначальную систему, а кнопка II - новую систему Viper Code Plus.
Если обе системы имеют обучающую программу (такую же как если использовать две системы Viper Code Plus) то необходимо делать следующее:
Если используются четырехкнопочные пульты дистанционного управления фирмы Directed Electronics, Inc., то будут доступны все дополнительные функции для обоих автомобилей. Прежде, чем приступить к программированию составьте перечень всех функции для каждого автомобиля и определите какая кнопка (или какие кнопки) должны запускать эти функции.
Например, если Вы хотите, чтобы две верхние кнопки управляли автомобилем №1, а две нижние кнопки - автомобилем №2, то каждая система должна быть запрограммирована следующим образом:
Автомобиль №1:Кнопка I = постановка на охрану/снятие с охраны
Кнопка II = открытие багажника/беззвучный режим
Кнопка I + Кнопка II = функция номер три
Автомобиль №2:Кнопка III = постановка на охрану/снятие с охраны
Кнопка IV = открытие багажника/беззвучный режим
Кнопка III + Кнопка IV = функция номер три
Используя компьютерную обучающую программу, Вы можете изменить программные настройки системы Viper Code Plus и таким образом - изменить поведение системы. Вы можете использовать обучающую программу для включения пассивной постановки на охрану, отключения чириканий при постановке на охрану/снятие с охраны и т. д.
ПРИМЕЧАНИЕ: Для того чтобы использовать обучающую программу, необходимо применить временный выключатель, провод которого необходимо вставить в белый разъем блока управления. Для этой цели можно либо временно воспользоваться выключателем служебного режима, либо установить другой временный выключатель.
Два продолжительных чириканья сирены означают, что система вышла из обучающей программы. Во время программирования система мгновенно выходит из обучающей программы в следующих случаях:
| Шаг № | Одно "чириканье" | Два "чириканья" |
| 1 | Активная постановка на охрану | Пассивная постановка на охрану |
| 2 | Постановка на охрану/ снятие с охраны сопровождается "чириканьем" | Постановка на охрану/ снятие с охраны производится без "чириканья" |
| 3 | Запирание дверей, контролируемое зажиганием | Стандартное запирание дверей |
| 4 | Пассивное запирание | Активное запирание |
| 5 | Режим "паника" разрешен при включенном зажигании | Режим "паника" не разрешен при включенном зажигании |
| 6 | Импульс запирания двери нормальной длительности (0,8 секунды) | Импульс запирания двери длительностью, соответствующей автомобилям Mercedes/Audi (3,5 секунды) |
Например, если Вы хотите изменить режим постановки на охрану с активного на пассивный, то один раз нажмите и отпустите выключатель программирования, а затем нажмите и удерживайте его в нажатом состоянии. Вскоре Вы услышите одно подтверждающее "чириканье", которое означает, что система готова к программированию шага номер один, на котором выбирается активная или пассивная постановка на охрану. Если теперь нажать кнопку пульта дистанционного управления, осуществляющую функцию постановка на охрану/снятие с охраны, то можно переключать данную настройку с пассивной постановки на охрану (два "чириканья" ) на активную постановку на охрану (одно "чириканье") и наоборот. После того, как Вы установили требуемую настройку, отпустите выключатель и тем самым Вы выйдете из обучающей программы.
Вы можете переходить от одной программируемой настройки к другой, если нажмете выключатель программирования дополнительное количество раз. Если Вы программируете шаг номер 3 и хотите перейти на шаг номер 5, то нажмите выключатель программирования еще два раза, а затем нажмите и удерживайте его в нажатом состоянии.
Если в какой либо момент пауза в программировании превысит 15 секунд, то произойдет автоматический выход из режима программирования.
7.01.2002