Благодарим Вас за приобретение автомобильной охранной системы ZORRO Z300. Автосигнализация ZORRO Z300 вобрала в себя все новые разработки в области охранных устройств для автомобилей. Система проста в управления и установке, может быть установлена на любой автомобиль с напряжением бортовой сети 12В. Использование системы ZORRO Z300 позволит Вам быть уверенными в надёжной защите Вашего автомобиля.
| Частота радиоканала | 433,92 МГц. + 0,2% |
| Ток потребления процессорного блока в дежурном режиме | Не более 10 мА |
| Напряжение питания процессорного блока | Не менее 10 В Не более 18 В |
| Выходной ток по каналам: | |
| · Световой индикации | Не более 15А |
| · Управления приводами замков дверей | Не более 15А |
| · Управления внешним реле блокировки | Не более 500 мА |
| · Управления реле замка багажника | Не более 500 мА |
| · Дополнительного канала | Не более 500 мА |
| · Выхода на сирену | Не более 3 А |
| Диапазон рабочих температур для процессорного блока | Не более +85 Co Не менее - 40 Co |
| Диапазон рабочих температур для брелока | Не более +85 Co Не менее - 10 Co |
| Тип элемента питания брелока | 12 В (Один элемент типа ААА) |
| Среднее время работы брелока до замены элемента питания. (Параметр зависит от интенсивности использования) | 10 мес |
При утере одного из брелоков или если Вы хотите использовать дополнительные брелоки, их коды необходимо ввести в память процессора системы.
Система ZORRO-Z300 способна хранить в памяти до четырёх брелоков передатчиков. Для обучения системы необходимо выполнить следующие действия:
Внимание! На каждую процедуру программирования у Вас есть не более 10 секунд. В противном случае система выходит из режима записи брелоков самостоятельно.
Внимание! Если Вы планируете пользоваться только двумя брелоками, то мы рекомендуем код каждого записать дважды. При обучении дважды нажимайте на кнопку каждого брелока. Если Вы планируете пользоваться только одним брелоком, то любую его кнопку при обучении системы нажмите 4 раза. Это позволит избежать записи кода чужих брелоков во время записи кода Ваших брелоков. К тому же, коды Ваших брелоков будут продублированы в памяти системы.
Учтите, что коды ранее записанных брелоков будут стёрты, но если Вы не ввели код ни одного брелока, то в памяти системы останутся коды ранее записанных брелоков.
Выключите зажигание, выйдите из автомобиля и закройте все двери, капот и багажник. Кратковременно нажмите на кнопку 1 брелока для постановки системы в режим охраны. Сирена включится один раз, габаритные огни вспыхнут один раз, электрозамки дверей запрутся (если они установлены), зажигание будет заблокировано и СИД начнет медленно мигать, указывая на то, что система находится в режиме охраны.
Система немедленно сработает при открывании любой двери, капота, багажника или при сильном толчке/ударе по автомобилю. При этом габаритные огни будут мигать, сирена автомобиля будет непрерывно звучать в течение 30 секунд, после чего система снова перейдет в режим охраны. Если система сработала от открывания одной из дверей (капота или багажника) и после окончания 30 сек. цикла осталась открыта, то сирена будет звучать постоянно и габаритные огни будут мигать до тех пор, пока дверь (капот или багажник) не будет закрыта, но не более 5 минут с момента срабатывания системы. После чего система встанет в режим охраны, выключив, при этом, неисправную цепь.
Примечание: Если при постановке системы на охрану образуется дефектная зона, то система распознает дефектную зону и встанет на охрану, обойдя зону. При этом звуки сирены и мигание СИД будут показывать это следующим образом:
Сирена издаст короткий-длинный-длинный сигналы, фары вспыхнут один раз.
Сирена издаст короткий-длинный-короткий сигналы, фары вспыхнут один раз.
Сирена издаст короткий-короткий -длинный сигналы, фары вспыхнут один раз.
Бывает необходимо поставить систему в режим охраны с отключением датчиков в том случае, когда возможны их ложные срабатывания, например: стоянка вблизи трамвайных путей (шок сенсор) или в очень людном месте (датчик приближения). Для этого не позднее чем через 5 секунд после постановки системы в режим охраны нажмите и удерживайте более 2 секунд Кнопку 2 для отключения дополнительного датчика или Кнопку1 + Кнопку2 брелока для отключения дополнительного датчика и шок сесора, в подтверждение того, что система встала в режим охраны с отключенными датчиками Вы увидите три вспышки габаритных огней. Датчики дверей, капота, багажника будут выполнять свои функции как прежде.
Нажмите кнопку 2 передатчика. Сирена прозвучит два раза, габаритные огни вспыхнут два раза, двери отопрутся (если установлены электрические замки), блокировка зажигания будет отключена, а СИД будет продолжать мигать, как если бы система стояла в режиме охраны, и если двери автомобиля не были открыты или зажигание не было включено, то система автоматически вернётся в режим охраны через 30 секунд. Если же в течение 30 секунд после снятия системы с режима охраны одна из дверей, капот или багажник будут открыты, функция автоматической повторной постановки в режим охраны будет отменена и СИД погаснет.
В случае если система при снятии с режима охраны, подаёт серию сигналов сирены после двух подтверждающих снятие системы с режима охраны, состоящую из четырёх коротких звуков, а СИД быстро мигает, то это обозначает, что на Ваш автомобиль было предпринято посягательство. (2 звука + 4 звука) И перепостановки в режим охраны через 30 секунд не произойдёт.
Если система сработала, и включился режим тревоги, коротко нажав любую Кнопку брелока один раз, Вы только отключите сирену для того, чтобы не создавать лишнего беспокойства окружающим. Сирена выключится, но система останется в режиме охраны.
Если же Вы после этого захотите полностью снять систему с охраны, нажмите Кнопку 1. Вы услышите (2 звука + 4 звука) сирены, габаритные огни мигнут 2 раза, двери отопрутся (если установлены электрические замки), блокировка зажигания будет отключена.
Нажмите Кнопку 3 передатчика для постановки или снятие режима охраны без подтверждающих сигналов сирены. В этом режиме габаритные огни и СИД системы будут подтверждать состояние системы как обычно.
Сирена и габаритные огни автомобиля немедленно включатся при открывании любой двери, капота, багажника или при толчке или ударе по автомобилю.
Для того, чтобы снять систему с режима охраны без подтверждающих сигналов сирены, сначала нажмите Кнопку 3 передатчика. В этом режиме габаритные огни и СИД системы будут подтверждать состояние системы как обычно. Если двери автомобиля не были открыты или зажигание не было включено, то система автоматически вернётся в режим охраны через 30 секунд. В случае если система при снятии с режима охраны, подаёт серию сигналов сирены, состоящую из четырёх коротких звуков, а СИД быстро мигает, то это обозначает, что на Ваш автомобиль было предпринято посягательство и перепостановки в режим охраны через 30 секунд не произойдёт.
Многофункциональная кнопка "VALET" в системе ZORRO-Z300, служит для:
Если не используется индивидуального кода, то в случае утери брелока необходимо выполнить следующие действия:
Всего вы можете ввести коды от 00(нет кода) до 77.
Внимание! На любую операцию программирования у Вас есть не более 5 секунд.
Внимание! Хорошо запомните свой индивидуальный код т. к. соединением петли снова Вы не вернётесь к режиму не кодированного аварийного снятия системы с режима охраны, а лишь запретите вход в режим программирования индивидуального кода.
Для долговременного отключения системы и входа в режим "VALET":
Для отключения режима "VALET":
Внимание! Когда система находится в режиме "VALET", Вы можете дистанционно активизировать функцию Anti Hi-Jack и управлять запиранием/отпиранием замков дверей как обычно. Режим "VALET" не снимается при отключении питания.
Вы можете также поставить систему в режим "VALET" с передатчика. Для этого:
Для отключения дистанционного режима "VALET", повторите описанную выше операцию:
Внимание! Когда система находится в дистанционном режиме "VALET", Вы можете дистанционно активизировать функцию Anti Hi-Jack и управлять запиранием/отпиранием замков дверей как обычно.
Вы также можете отключить дистанционный режим "VALET" с помощью скрытой кнопки "VALET", если это необходимо (см. "Режим "VALET"" выше)
Нажмите Кнопку 1 передатчика и удерживайте в течение 3 сек. для дистанционного включения режима "Паника". Сирена автомобиля немедленно включится и будет непрерывно работать, габаритные огни начнут мигать. При включении режима "Паника" в то время, когда зажигание включено, сирена, клаксон и габаритные огни включатся, двери автомобиля автоматически запрутся, включится реле блокировки.
Для выключения режима "Паника" нажмите Кнопку 1 передатчика и удерживайте в течение 3 сек. Сирена автомобиля немедленно выключится , габаритные огни перестанут мигать.
В системе ZORRO-Z300 предусмотрен активный запуск режима Anti Hi-Jack (антиограбление-возможность остановить автомобиль если Вас принудительно попросили его покинуть) с брелока, и пассивно без Вашего участия
Для реализации этой функции с брелока:
Для реализации этой функции пассивно без Вашего участия необходимо подключить розовый провод в основном разъёме системы к +12В (рекомендуется использовать дополнительный скрытый выключатель для возможности отключения данной функции).
Для удобства использования системы и учёта Ваших индивидуальных потребностей в системе ZORRO-Z300 предусмотрено 8 программируемых функций, которые программируются JP-перемычками под сдвижной крышкой блока и петлёй белого провода. В соответствии с приведённой таблицей:

Выберите место для установки основного блока системы в салоне (например, за или под приборной панелью) и закрепите его. Основной блок системы можно также закрепить при помощи пластиковых перетяжек.
НЕ устанавливайте основной блок системы в моторном отсеке, так как корпус блока не герметичен. Также избегайте устанавливать блок непосредственно на электронные компоненты автомобиля. Эти компоненты могут быть источниками радиопомех, уменьшающих радиус действия передатчика.
Для установки сирены выберите место в моторном отсеке, которое хорошо защищено от доступа из-под днища автомобиля. Не размещайте сирену рядом с сильно нагревающимися узлами или двигающимися частями. Для предотвращения скапливания влаги или грязи раструб сирены должен быть направлен вниз.
Для охраны капота и багажника необходимо установить два концевых выключателя. Эти концевые выключатели должны быть установлены на "заземленную" металлическую поверхность автомобиля. Важно выбрать такое место, где исключается возможность проникновения и/или скапливания воды, а также избегать мест стока влаги на стенках крыльев капота и багажника. Выбирайте места, которые в то время, когда капот и багажник закрыты, защищены резиновыми прокладками.
Концевые выключатели могут быть установлены с помощью скобы или в монтажном отверстии соответствующего размера. Помните, что при правильной установке концевой выключатель должен иметь ход, как минимум, 6 мм. при закрывании капота или багажника.
В комплект системы входит двухцветный светодиодный индикатор (СИД), который показывает состояние системы. Он должен устанавливаться на приборной панели или на стойке и быть хорошо виден снаружи автомобиля, но не должен при этом отвлекать водителя.
Выберите место для установки переключателя Valet таким образом, чтобы он был доступен для водителя автомобиля и в то же время не мог быть легко обнаружен угонщиком. Его также не должны случайно задевать какие-либо предметы или личные вещи.
Кнопка Valet может быть установлена, например:
ВНИМАНИЕ: Не забудьте показать владельцу автомобиля место, где Вы установили кнопку Valet и объяснить ему, как её использовать.
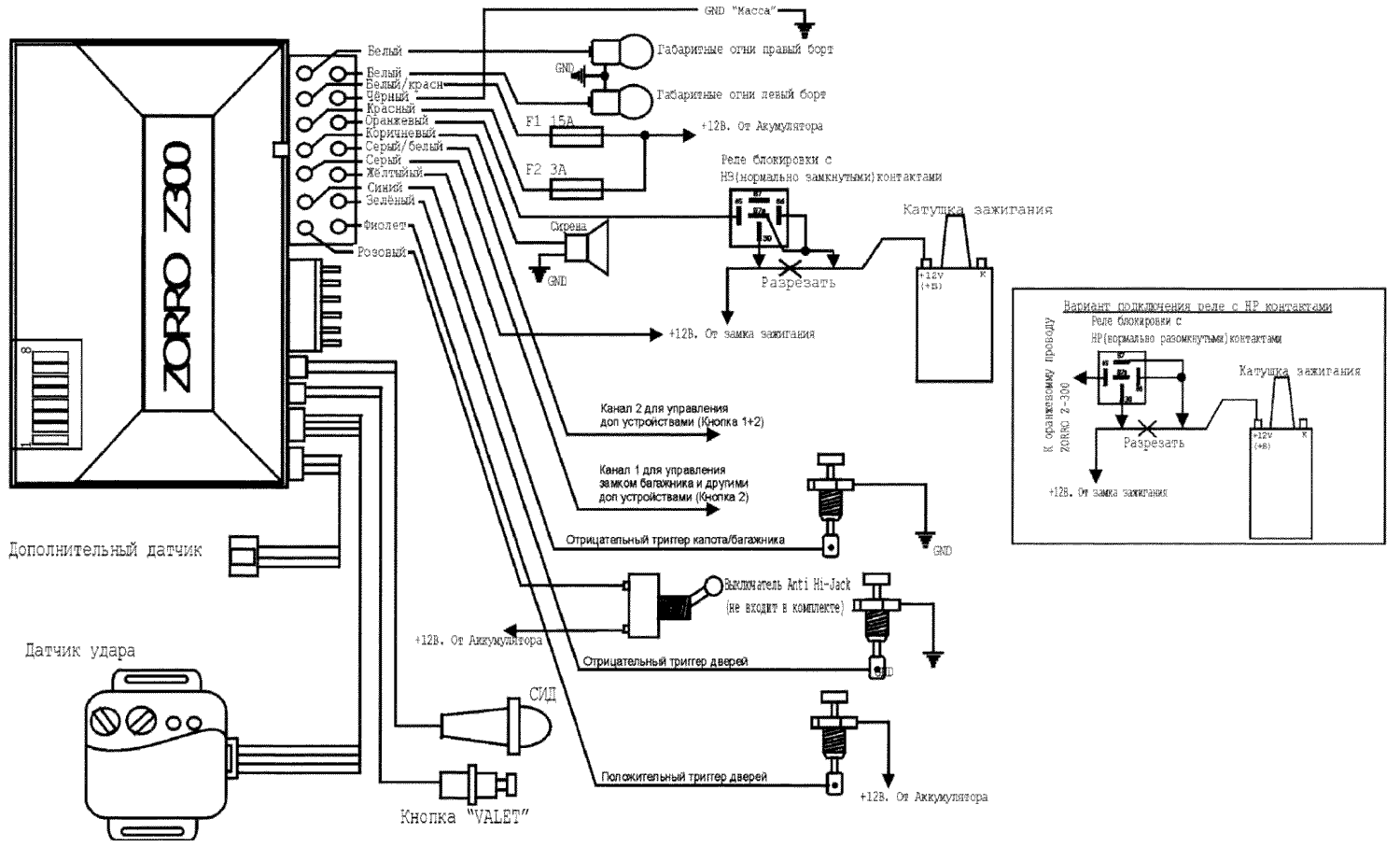
Вытяните тонкий ЧЕРНЫЙ провод антенны во всю длину и закрепите его в том месте, где он не сможет быть поврежден. Избегайте прокладки провода антенны рядом с сильноточными жгутами проводки.
Выберите место на прочной поверхности переборки между салоном и моторным отсеком и установите датчик удара со стороны салона при помощи двух винтов. Датчик также может быть установлен при помощи пластиковых перетяжек или двухсторонней липкой ленты под приборной панелью. Убедитесь в наличии свободного доступа к датчику для его регулировки.
Всегда защищайте провода системы черными спиральными пластиковыми трубками или обматывайте их черной электрической изолирующей лентой. После прокладывания проводов закрепите их по всей длине при помощи пластиковых перетяжек. Это обеспечит защиту проводов при соприкосновении с горячими или острыми подвижными частями автомобиля.
Этот провод подает питание на центральный блок системы. Подсоедините КРАСНЫЙ провод к положительной клемме аккумулятора (подключайте красный провод до штатных автомобильных предохранителей).
Этот провод подает питание на встроенное реле управления габаритными огнями. Он не позволит угонщикам повредить систему, заземлив цепь габаритных огней. В этом случае только предохранитель F1 15A будет повреждён, система же, однако, будет продолжать работать и охранять Ваш автомобиль.
Подсоедините КРАСНЫЙ/БЕЛЫЙ провод к +12 В постоянного тока от аккумулятора.
Примечание: Предохранители КРАСНОГО и КРАСНОГО/БЕЛОГО провода установлены на жгуте рядом с основным блоком системы, что более удобно при обслуживании системы.
Эти провода обеспечивают мигание габаритных огней (или указателей поворотов, по вашему выбору) при постановке и снятии системы с охраны, срабатывании системы и при включении режима "Паника. В том случае, если автомобиль имеет раздельные цепи Правых и Левых габаритных огней, подсоедините один БЕЛЫЙ провод к плюсу Левых габаритных огней, а другой БЕЛЫЙ провод к плюсу Правых габаритных огней.
Если в автомобиле одна цепь габаритных огней, подсоедините ОБА БЕЛЫХ провода к плюсу любой из цепей габаритных огней.
Подсоедините ЧЕРНЫЙ провод к отрицательной клемме аккумулятора или к заземленным частям автомобиля. Не перепутайте этот провод с тонким ЧЕРНЫМ проводом АНТЕННЫ, который выходит из основного блока системы отдельно.
Этот провод служит для управления реле блокировки зажигания (или стартера - по выбору владельца автомобиля).
Подсоединение: Подсоедините ОРАНЖЕВЫЙ провод к клемме 85 реле. Подсоедините клемму 86 реле к проводу от замка зажигания, на который поступает напряжение +12В когда ключ зажигания находится в положении "ВКЛ" И "ЗАПУСК", и на котором присутствует напряжение 0В когда ключ зажигания находится в положении "ВЫКЛ".
Перережьте вышенайденный провод от замка зажигания. Подсоедините ту часть перерезанного провода, которая идет от замка зажигания, к клемме 87а -для НР реле (87- для НЗ реле). Подсоедините другую часть провода к клемме 30 реле (см. схему ).
СЕРЫЙ провод замыкается на массу на 1 сек. при нажатии и удерживании более 3 сек. Кнопки 2 на брелке-передатчике при снятой охране, и чаще всего используется для открывания крышки багажника. Это транзисторный слаботочный (500 мА) выход и может использоваться только для управления катушкой дополнительного реле.
Подсоединение: Подсоедините СЕРЫЙ провод к клемме 85 дополнительного 30 А реле и подсоедините остальные контакты реле в соответствии с выбранной функцией Канала1.
СЕРЫЙ/БЕЛЫЙ провод замыкается на массу пока удерживаем Кнопки 1+2 брелока. Это транзисторный слаботочный (500 мА) выход и может использоваться только для управления катушкой дополнительного реле.
Подсоединение: Подсоедините СЕРЫЙ провод к клемме 85 дополнительного 30 А реле и подсоедините остальные контакты реле в соответствии с выбранной функцией Канала2.
На РОЗОВЫЙ провод необходимо подать +12 Вольт. после снятия системы с охраны или после включения зажигания потайным тумблером (не входит в комплект) для начала реализации режима Anti Hi-Jack после открывания любой двери.
Информирует систему о наличии/отсутствии питания на замке зажигания. Таким образом система определяет, находитесь ли Вы внутри или вне автомобиля.
Подсоединение: Подсоедините ЖЕЛТЫЙ провод к проводу от замка зажигания, на котором имеется напряжение +12В при ключе зажигания в положении "ВКЛ" ("On") ИЛИ "ЗАПУСК" ("Crank"), и напряжение 0В при ключе зажигания в положениях "ВЫКЛ" ("Off"), "LOCK" и "ACC". Обратите внимание, что ЖЕЛТЫЙ провод должен быть подключен ДО цепи блокировки зажигания.
Протяните этот провод через резиновую втулку в теплоизоляционной перегородке к месту установки сирены.
Подсоедините КОРИЧНЕВЫЙ провод к проводу положительного триггера сирены. Надежно подсоедините черный провод сирены к "массе".
В то время, когда система стоит в режиме охраны, замыкание СИНЕГО провода на массу вызовет мгновенное срабатывание системы (включится сирена и начнут мигать габаритные огни, и т.д.).
Подсоединение: Подсоедините СИНИЙ провод к ранее установленным концевым выключателям капота и багажника.
В то время, когда система стоит в режиме охраны, замыкание ЗЕЛЁНОГО провода на массу вызовет мгновенное срабатывание системы (включится сирена и начнут мигать габаритные огни, и т.д.).
Подсоединение: Если заводские концевые выключатели дверей замкнуты на массу, подсоедините ЗЕЛЁНЫЙ провод к общему проводу, соединяющему концевые выключатели дверей автомобиля.
Примечание: НЕ используйте ЗЕЛЁНЫЙ провод если концевой выключатель дверей имеет положительную полярность (см. ФИОЛЕТОВЫЙ провод ниже).
Все функции ЗЕЛЁНОГО провода
Подсоединение: Если заводские концевые выключатели дверей имеют положительную полярность, подсоедините ФИОЛЕТОВЫЙ провод к общему проводу, соединяющему концевые выключатели дверей автомобиля.
Примечание: НЕ используйте ФИОЛЕТОВЫЙ провод если у дверного выключателя отрицательная полярность (см. ЗЕЛЁНЫЙ провод выше).
Проложите провода, оканчивающиеся 2-контактным разъемом, от переключателя Valet к основному блоку системы и подсоедините их к разъему блока.
Проложите провода, оканчивающиеся 2-контактным разъемом от СИДа к основному блоку системы и подсоедините их к разъему блока.
Проложите провода, оканчивающиеся 4-контактным разъемом, от датчика удара к основному блоку системы и подсоедините их с одной стороны к датчику удара, а с другой - к 4-контактному разъему блока.
Проложите провода, оканчивающиеся 3-контактным разъемом, от дополнительного датчика к основному блоку системы и подсоедините их с одной стороны к датчику, а с другой - к 3- контактному разъему блока.
СИНИЙ, ЗЕЛЕНЫЙ, ФИОЛЕТОВЫЙ/БЕЛЫЙ, СЕРЫЙ, БЕЛЫЙ, и ФИОЛЕТОВЫЙ провода, оканчивающиеся 6-контактным разъемом предназначены для подсоединения встроенных реле управления замками дверей.
Функции каждого из этих проводов приведены ниже:
СИНИЙ - нормально замкнутый контакт реле
ЗЕЛЕНЫЙ - общий контакт реле
ФИОЛЕТОВЫЙ/БЕЛЫЙ - нормально разомкнутый контакт реле
СЕРЫЙ - нормально замкнутый контакт реле
БЕЛЫЙ - общий контакт реле
ФИОЛЕТОВЫЙ - нормально разомкнутый контакт реле
| Кнопка 1 | В режиме охраны | Снятие с охраны |
|---|---|---|
| Удержание на 2 сек. | Вкл/выкл режима "ПАНИКА" | |
| При включенном зажигании | Откр/закр. Замков дверей | |
| Кнопка 2 | При снятой охране | Открывание багажника (Канал 1) |
| В режиме охраны | Поиск автомобиля | |
| При постановке в охрану (не позднее 5сек.) | Постановка в режим охраны с отключением дополнительного датчика. | |
| Кнопка 3 | При включенном зажигании | Включение режима Anti Hi-Jack |
| При выключенном зажигании | Постановка снятие режима охраны без сигналов сирены | |
| Кнопка 1+2 | Удержание более 2 сек. | Канал 2 |
| При постановке в охрану (не позднее 5сек.) | Постановка в режим охраны с отключением дополнительного датчика и шок сенсора. | |
| При выключеннии зажигания (не позднее 5сек.) | Вход режим "VALET" дистанционно. |




