Previous Next

Evaporator Canister

Fig. 1: Evaporative canister used through 1984 models — the canister should be replaced every 50,000 miles

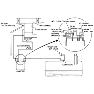
Fig. 2: Evaporative emission system used on 1986 trucks

Previous Next