Previous Next

Oil Pan

REMOVAL & INSTALLATION

1,586cc, 1,796cc and 1,970cc Engines

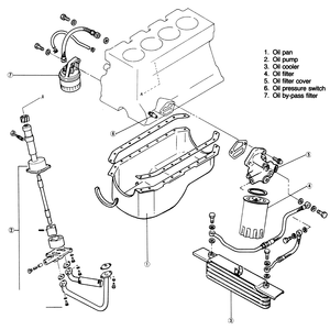
Fig. 1: Exploded view of the lubricating system for the 1,586cc, 1,796cc and 1,970cc engines

  1. Raise and support the truck.
  2. Remove the engine skid plate.
  3. Drain the engine oil.

    CAUTION
    The EPA warns that prolonged contact with used engine oil may cause a number of skin disorders, including cancer! You should make every effort to minimize you exposure to used engine oil. Protective gloves should be worn when changing the oil. Wash your hands and any other exposed skin areas as soon as possible after exposure to used engine oil. Soap and water, or waterless hand cleaner should be used.

  4. Remove the clutch release cylinder attaching nuts. Let the cylinder hang.
  5. Remove the clutch cover plate.
  6. Remove the oil pan nuts and bolts and let the oil pan rest on the crossmember.
  7. Remove the oil pump pickup tube from the pump.
  8. Remove the oil pan.
  9. Clean all the gasket surfaces.
  10. Clean the oil pan, oil pump pickup tube and oil pump screen.
  11. Install a new oil pan gasket with oil resistant sealer.
  12. Install the oil pump pickup tube and screen.
  13. Install the oil pan on the block. Torque the nuts and bolts to specifications.
  14. Connect the emission line to the oil pan.
  15. Attach the rear engine bracket. Torque the bolts to specifications.
  16. Reinstall the clutch release cylinder. Torque the nuts to 5–7 (60–72 in. lbs.).
  17. Replace the engine skid plate.
  18. Lower the truck. Fill the crankcase, and run the engine. Check for leaks and oil pressure.
1998cc Engine

Fig. 2: RTV sealer application points when using a gasket on the 1,998cc engine

Fig. 3: RTV sealer application on the 1,998cc engine when not using a gasket

  1. Disconnect the battery ground cable.
  2. Raise and support the truck on jackstands. Drain the oil.

    CAUTION
    The EPA warns that prolonged contact with used engine oil may cause a number of skin disorders, including cancer! You should make every effort to minimize you exposure to used engine oil. Protective gloves should be worn when changing the oil. Wash your hands and any other exposed skin areas as soon as possible after exposure to used engine oil. Soap and water, or waterless hand cleaner should be used.

  3. Remove the skid plate.
  4. Place a floor jack under the front of the engine at the crankshaft pulley and take up the weight of the engine. Or use a shop crane to support the engine.
  5. Remove the crossmember.
  6. Remove the cotter pin and nut and, with a puller, disconnect the idler arm from the center link.
  7. Remove the engine mount gusset plates from the sides of the engine.
  8. Remove the bell housing front cover.
  9. Unbolt and remove the oil pan. A flat tipped screwdriver may be used to break the seal between the pan and block.
  10. Clean all the gasket surfaces. Straighten and portion of the pan rim that is bent.
  11. Clean the oil pan, oil pump pickup tube and oil pump screen. To install:
  12. If you are using a gasket, install a new oil pan gasket coated with oil resistant sealer. Place RTV silicone sealer at the points shown in the accompanying illustration. If you are using RTV silicone gasket material in place of a conventional gasket, run a 18 in. bead around the rim of the pan, going inboard of each bolt hole. Tighten the pan bolts within 30 minutes of application. Tighten the pan bolts to 5–9 ft. lbs.
  13. Install the bell housing front cover. Torque the bell housing cover to 15–20 ft. lbs.
  14. Install the engine mount gusset plates from the sides of the engine.
  15. Install the idler arm on the center link.
  16. Install the cotter pin and nut. Torque the idler arm nut to 25–30 ft. lbs.
  17. Install the crossmember.
  18. Remove the shop crane.
  19. Install the skid plate.
  20. Fill the engine with the proper amount of oil.
  21. Install the battery ground cable.
2,209cc Diesel Engine

Fig. 4: Exploded view of the lubricating system used on diesel engines

  1. Raise and support the truck on jackstands.
  2. Remove the skid plate.
  3. Drain the oil.

    CAUTION
    The EPA warns that prolonged contact with used engine oil may cause a number of skin disorders, including cancer! You should make every effort to minimize you exposure to used engine oil. Protective gloves should be worn when changing the oil. Wash your hands and any other exposed skin areas as soon as possible after exposure to used engine oil. Soap and water, or waterless hand cleaner should be used.

  4. Unbolt and remove the oil pan.
  5. Clean all the gasket surfaces. Straighten and portion of the pan rim that is bent.
  6. Clean the oil pan, oil pump pickup tube and oil pump screen.
  7. Install the pan, using a new gasket coated with sealer. Torque the bolts to 5–9 ft. lbs.

Previous Next