Previous Next

Thermostat

REMOVAL & INSTALLATION

Fig. 1: Thermostat used on the 1,586cc, 1,796cc and 1,970cc engines — remove the parts in the order shown with Step 1 being to drain the engine coolant

Fig. 2: Thermostat used on the diesel engine — remove the parts in the order shown with Step 1 being to drain the engine coolant

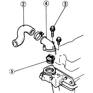
Fig. 3: Thermostat used on the 1,998cc engine — drain the engine coolant, then remove the parts in the order shown

Fig. 4: To remove the thermostat, first loosen the upper radiator hose-to-thermostat housing hose clamp . . .

Fig. 5: . . . and loosen the thermostat housing nuts, . . .

Fig. 6: . . . then pull the hose off the thermostat housing and remove the housing nuts, . . .

Fig. 7: . . . gently pry against the housing . . .

Fig. 8: . . . and remove the housing . . .

Fig. 9: . . . finally, grasp the thermostat and pull it out to remove — note the jiggle pin in the top flange of the thermostat; this must face up to aid in air removal system during refill

  1. Drain enough coolant to bring the coolant level down below the thermostat housing. The thermostat housing is located on the left front side of the cylinder block.

    CAUTION
    When draining engine coolant, keep in mind that cats and dogs are attracted to ethylene glycol antifreeze and could drink any that is left in an uncovered container or in puddles on the ground. This will prove fatal in sufficient quantity. Always drain coolant into a sealable container. Coolant should be reused unless it is contaminated or is several years old.

  2. Disconnect the temperature sending unit wire.
  3. Remove the coolant outlet elbow.
  4. If so equipped, position the vacuum control valve out of the way. The vacuum control valve is not used on California trucks.
  5. Disconnect the coolant by-pass hose from the thermostat housing.
  6. Remove the thermostat and housing from the engine.
  7. Note the position of the jiggle pin and remove the thermostat from the housing.
  8. Remove all gasket material from the parts. To install:
  9. Position the thermostat in the housing with the jiggle pin up. Coat a new gasket with sealer and install it on the thermostat housing.
  10. Install the thermostat housing using a new gasket with water resistant sealer. Torque the bolts to 20 ft. lbs.
  11. Install the coolant outlet elbow and vacuum control valve (if equipped).
  12. Connect the by-pass and radiator hoses.
  13. Connect the temperature sending unit wire.
  14. Fill the cooling system with the proper coolant. Operate the engine and check the coolant lever. Check for leaks.

Previous Next