Previous Next

Water Pump

REMOVAL & INSTALLATION

1,586cc, 1,796cc and 1,970cc Engines

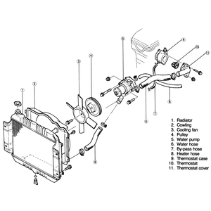
Fig. 1: Exploded view of the cooling system components used on the 1,586cc, 1,796cc and 1,970cc engines

  1. Drain the cooling system.

    CAUTION
    When draining engine coolant, keep in mind that cats and dogs are attracted to ethylene glycol antifreeze and could drink any that is left in an uncovered container or in puddles on the ground. This will prove fatal in sufficient quantity. Always drain coolant into a sealable container. Coolant should be reused unless it is contaminated or is several years old.

  2. Remove the lower hose from the water pump.
  3. Disconnect the upper radiator hose from the engine and the lower radiator hose at the radiator.
  4. Remove the radiator.
  5. Remove the drive belts.
  6. Remove the fan and pulley.
  7. Remove the two small hoses from the water pump.
  8. Unbolt and remove the water pump.
  9. Clean the gasket surfaces of the water pump and cylinder block. To install:
  10. Install the water pump and new gasket on the block.
  11. Install the lower hose on the water pump.
  12. Install the fan and pulley. Install the crankshaft pulley.
  13. Install the drive belts and adjust the tension.
  14. Install the radiator.
  15. Refill the cooling system with the specified amount and type of coolant. Install the radiator cap and start the engine. Check for leaks.
  16. Install the hood.
1,998cc Engine

NOTE: See Figures 22 and 23

Fig. 2: 1,998cc engine front end components

Fig. 3: Exploded view of the cooling system components used on the 1,998cc engine

Fig. 4: Drain the coolant and disconnect the radiator hoses from the radiator, then loosen and remove the fan shroud attaching bolts . . .

Fig. 5: . . . and remove the fan shroud

Fig. 6: After removing the air cleaner lid and filter, loosen the air injection hose clamps . . .

Fig. 7: . . . and pull the hoses free from the air cleaner

Fig. 8: Loosen the fan attaching nuts . . .

Fig. 9: . . . and remove the fan

Fig. 10: After the alternator drive belt has been removed, take off the fan pulley . . .

Fig. 11: . . . as well as any additional accessory drive belts

Fig. 12: After removing the distributor, loosen the air injection manifold nuts at the top . . .

Fig. 13: . . . as well as from the bottom of the exhaust manifold, . . .

Fig. 14: . . . then loosen any clamps securing the air pipes . . .

Fig. 15: . . . and remove the air pipes

Fig. 16: To gain access to the front cover, remove the fan pulley bracket . . .

Fig. 17: . . . then loosen the center crankshaft bolt and the six smaller perimeter bolts

Fig. 18: Remove the bolts . . .

Fig. 19: . . . and then remove the crankshaft pulley (notice the perimeter bolt holes in the center of the pulley) — install the center bolt back into the end of the crankshaft

Fig. 20: Unfasten the bolts retaining the upper and lower timing belt covers . . .

Fig. 21: . . . remove the upper cover . . .

Fig. 22: . . . followed by the lower cover

Fig. 23: Turn the engine in the direction of normal rotation until the letter A on the camshaft gear aligns with the timing mark cast into the timing belt cover mounting flange (top center)

Fig. 24: Loosen the timing belt tensioner pulley bolt (arrow), then move the pulley away from the belt and tighten the bolt again to lock the pulley in position — there should be little or no tension left on the timing belt

Fig. 25: Mark the timing belt and camshaft gear . . .

Fig. 26: . . . and remove the belt

Fig. 27: Remove the bolts securing the lower radiator hose housing to the water pump . . .

Fig. 28: . . . then remove the water pump retaining bolts . . .

Fig. 29: . . . and pull the water pump free

Fig. 30: Scrape the old gasket off the sealing surfaces of the water pump and block

Fig. 31: Pay attention to this hot water pipe (arrow); it uses an O-ring to seal the pipe to the water pump. Inspect the O-ring for tears or rough edges and replace, if necessary. Lubricate the O-ring with clean antifreeze or grease before installation

  1. Disconnect the battery ground.
  2. Drain the cooling system.

    CAUTION
    When draining engine coolant, keep in mind that cats and dogs are attracted to ethylene glycol antifreeze and could drink any that is left in an uncovered container or in puddles on the ground. This will prove fatal in sufficient quantity. Always drain coolant into a sealable container. Coolant should be reused unless it is contaminated or is several years old.

  3. Remove the distributor.
  4. Remove the fan shroud and fan.
  5. Remove the alternator.
  6. Disconnect the air injection pipes.
  7. Remove the fan pulley, hub and bracket.
  8. If so equipped, remove the air conditioning compressor drive belt.
  9. If so equipped, remove the power steering pump drive belt.
  10. Remove the crankshaft pulley and baffle plate.
  11. Remove the upper, then the lower, belt covers.
  12. Turn the crankshaft so that the A mark on the camshaft pulley is at the top, aligned with the notch in the front housing.
  13. Loosen the tensioner lockbolt and remove the tensioner spring.
  14. Mark the forward rotation of the belt with paint to avoid confusion upon installation. Remove the belt.
  15. Remove the coolant inlet pipe and gasket from the pump.
  16. Unbolt and remove the pump. Discard the gasket and O-ring.
  17. Install the pump, using a new O-ring coated with clean coolant and a new gasket coated with sealer. Torque the bolts to 14–19 ft. lbs.
  18. Install the coolant inlet pipe, using a new gasket coated with sealer.
  19. Replace the timing belt if it has been contaminated by oil or grease, or shows any sign of damage, wear, cracks or peeling. To install:
  20. To ease installation of the belt, remove all the spark plugs.
  21. Make sure that the timing mark on the camshaft is aligned as described above, and that the timing mark (notch) on the crankshaft sprocket is aligned with the triangular shaped mark on the front housing.
  22. Install the tensioner and spring, positioning the tensioner all the way to the intake manifold side and temporarily secure it there with the lockbolt.
  23. Install the belt onto the sprockets from YOUR right side. If you are reusing the original belt, make sure you follow the directional mark previously made.
  24. Loosen the lockbolt so that the tensioner applies tension to the belt.
  25. Turn the crankshaft two full revolutions in the direction of normal rotation. This will apply equal tension to all points of the belt.
  26. Make sure that the timing marks are still aligned. If not, repeat the belt installation procedure.
  27. Tighten the tensioner lockbolt to 30–35 ft. lbs.
  28. Measure the timing belt tension by pressing on the belt at the midpoint of the longest straight run. Belt deflection should be 11–13mm (0.433–0.510 in.). If not, repeat the belt adjustment procedure, above.
  29. Install the upper, then the lower, belt covers. Torque the belt cover bolts to 80 in. lbs.
  30. Install the crankshaft pulley and baffle plate.
  31. If so equipped, install the power steering pump drive belt.
  32. If so equipped, install the air conditioning compressor drive belt.
  33. Install the fan pulley, hub and bracket.
  34. Connect the air injection pipes.
  35. Install the alternator.
  36. Install the fan shroud and fan.
  37. Install the distributor.
  38. Fill the cooling system.
  39. Connect the battery ground.

    When installing the drive belts on the various accessories, check the belt deflection as follows:

    New: 7–8mm (0.276–0.315 in.)

    Used: 8–9mm (0.315–0.354 in.)

  40. Power steering pump

    New: 9–11mm (0.354–0.433 in.)

    Used: 11–13mm (0.433–0.510 in.)

  41. Air conditioning compressor

    New: 10–12mm (0.394–0.476 in.)

    Used: 12–14mm (0.476–0.552 in.)

2,209cc Diesel Engine

Fig. 32: Exploded view of the cooling system used on the diesel engine

  1. Drain the cooling system.

    CAUTION
    When draining engine coolant, keep in mind that cats and dogs are attracted to ethylene glycol antifreeze and could drink any that is left in an uncovered container or in puddles on the ground. This will prove fatal in sufficient quantity. Always drain coolant into a sealable container. Coolant should be reused unless it is contaminated or is several years old.

  2. Remove the fan shroud.
  3. Remove the fan, fan belt and pulley.
  4. Disconnect the lower hose from the pump.
  5. Remove the pump and discard the gasket.
  6. Installation is the reverse of removal. Use a new water pump gasket coated with sealer.

Previous Next