Previous Next

VACUUM DIAGRAMS

Following are vacuum diagrams for most of the engine and emissions package combinations covered by this manual. Because vacuum circuits will vary based on various engine and vehicle options, always refer first to the vehicle emission control information label, if present. Should the label be missing, or should vehicle be equipped with a different engine from the vehicle's original equipment, refer to the diagrams below for the same or similar configuration.

If you wish to obtain a replacement emissions label, most manufacturers make the labels available for purchase. The labels can usually be ordered from a local dealer.

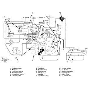
Fig. 1: Vacuum hose routing — 1979–80 Federal vehicles (all models)

Fig. 2: Vacuum hose routing — 1979 California vehicles (all models)

Fig. 3: Vacuum hose routing — 1980 California vehicles (all models)

Fig. 4: Vacuum hose routing — 1981–83 Federal vehicles (all models)

Fig. 5: Vacuum hose routing — 1981–82 California vehicles (all models)

Fig. 6: Vacuum hose routing — 1983 California vehicles (all transmissions) & 1984 California vehicles with manual transmission

Fig. 7: Vacuum hose routing — 1984 California vehicles with automatic transmission

Fig. 8: Vacuum hose routing — 1984 Federal vehicles with manual transmission

Fig. 9: Vacuum hose routing — 1984 Federal vehicles with automatic transmission

Fig. 10: Vacuum hose routing — 1986 Federal, California and Canadian B2000 models

Fig. 11: Early rotary engine vacuum diagram

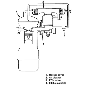
Fig. 12: 1972–74 Piston engine PCV & Evaporative systems

Fig. 13: 1975–78 Piston engine PCV system

Fig. 14: 1975–78 Piston engine evaporative system

Fig. 15: 1974–77 Rotary engine PCV system

AIR INJECTION SYSTEM DIAGNOSIS CHART

THERMODETECTOR RESISTANCE SPECIFICATIONS

Previous Next