Previous Next

ENTERTAINMENT SYSTEMS

Radio

Fig. 1: Radio removal and installation details for 1972–78 trucks

Fig. 2: Radio removal and installation details for 1979–84 trucks

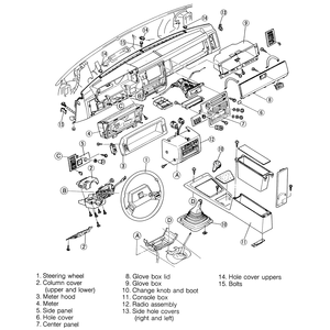
Fig. 3: Exploded view of the 1986 dashboard — the radio pod is mounted to floor bracket (A) and to the dashboard by the ashtray

For best FM reception, adjust the antenna to a height of 31 inches. For best AM reception, extend the antenna to its full height.

WARNING
Never operate the radio with the speaker lead or antenna disconnected! Operation of the radio without a load will damage the amplifier's output transistors. If a replacement speaker is installed, be sure it is of the same impedance (resistance in ohms) as the original.

Previous Next