Previous Next

Axle Shaft, Bearing and Seal

REMOVAL & INSTALLATION

1972–84 Vehicles

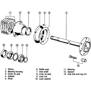
Fig. 1: 1972–84 rear axle components

Fig. 2: Removing the bearing housing locknut

Fig. 3: Measuring axle shaft end-play on 1972–84 axles

  1. Raise and support the rear end on jackstands.
  2. Remove the wheels and brake drums.
  3. Remove the brake shoes.
  4. Remove the parking brake cable retainer.
  5. Disconnect and cap the brake lines at the wheel cylinders.
  6. Remove the bolts securing the backing plate and bearing housing.
  7. Slide the axle shaft from the axle housing.
  8. Remove the oil seal from the axle housing and discard it. A puller may be necessary.
  9. Straighten the tabs on the lockwasher and remove the nut and lockwasher from the axle shaft.
  10. Remove the bearing and race from the shaft. A puller or press may be necessary. Discard the spacer.
  11. Remove the outer seal from the bearing housing and discard it.
  12. Discard the gasket from the baffle.
  13. Using new seals and a new gasket, install all parts in reverse order of removal. Temporarily install the bearing/backing plate bolts, torquing them to 16 ft. lbs. Don't install the brake shoes or drum yet.
  14. Using a dial indicator mounted as shown, check axle shaft end-play. If only one shaft has been removed, end-play should be 0.05–0.15mm (0.00197–0.0059 in.). If both shaft have been removed, check end-play immediately after the first shaft has been replaced. End-play should be 0.66–0.84mm (0.0259–0.0330 in.). Install the second shaft and check that end-play. Second shaft end-play should be 0.05–0.15mm (0.00197–0.0059 in.). If end-play at any step is not within specifications, shims are available.
  15. After end-play is adjusted, torque the bearing retainer/backing plate bolts to 40–50 ft. lbs. and assemble all remaining parts.
1986 Vehicles

Fig. 4: Exploded view of the 1986 axle outer end components

Fig. 5: Grinding down the bearing retaining collar on a 1986 axle

Fig. 6: Removing the bearing housing from a 1986 axle

Fig. 7: Installing the outer race with a press

Fig. 8: Pack the hub at the shaded areas with lithium based wheel bearing grease

Fig. 9: Installing a new oil seal

Fig. 10: Installing a new spacer on the shaft

Fig. 11: Pressing a new bearing into position on the axle shaft

Fig. 12: Pressing a new retaining collar into position on the axle shaft

Fig. 13: Checking the axle shaft end-play on a 1986 axle

Fig. 14: Installing a shim to correct axle shaft end-play

NOTE: A bearing puller and a press are necessary for this procedure.

  1. Raise and support the rear end on jackstands.
  2. Remove the wheel and brake drum.
  3. Remove the brake shoes.
  4. Remove the parking brake cable retainer.
  5. Disconnect and cap the brake lines at the wheel cylinders.
  6. Remove the bolts securing the backing plate and bearing housing.
  7. Slide the axle shaft from the axle housing. Be careful to avoid damaging the oil seal with the shaft.
  8. If the seal in the axle housing is damaged in any way, it must be replaced. The seal can be removed using a slide hammer and adapter.
  9. Remove two of the backing plate bolts, diagonally from each other.
  10. Using a grinding wheel, grind down the bearing retaining collar in one spot, until about 5mm (0.197 in.) remains before you get to the axle shaft. Place a chisel at this point and break the collar. Be careful to avoid damaging the shaft.

    CAUTION
    Wear some kind of protective goggles when grinding the collar and breaking the collar from the shaft!

  11. Using a press or puller, remove the hub and bearing assembly from the shaft. Remove the spacer from the shaft.
  12. Remove the bearing and seal from the hub.
  13. Using a drift, tap the race from the hub.
  14. Check all parts for wear or damage. If either race is to be replaced, both must be replaced. The race in the axle housing can be removed with a slide hammer and adapter. It's a good idea to replace the bearing and races as a set. It's also a good idea to replace the seals, regardless of what other service is being performed.
  15. The outer race must be installed using an arbor press. The inner race can be driven into place in the axle housing.
  16. Pack the hub with lithium based wheel bearing grease.
  17. Tap a new oil seal into the axle housing until it is flush with the end of the housing. Coat the seal lip with wheel bearing grease.
  18. Install a new spacer on the shaft with the larger flat surface up.
  19. Install a new seal in the hub.
  20. Thoroughly pack the bearing with clean, lithium based, wheel bearing grease. If one is available, use a grease gun adapter meant for packing bearings. These are available at all auto parts stores.
  21. Place the bearing in the hub, and, using a press, press the hub and bearing assembly onto the shaft.
  22. Press the new collar onto the shaft. The press pressure for the collar is critical. Press pressures should be 9,240–13,420 lbs.
  23. Install one shaft in the housing being very careful to avoid damaging the inner seal.
  24. If only one shaft was being serviced, the other must now be removed to check bearing play on the serviced axle. If both shafts were removed, leave the other one out for now.
  25. Tighten the backing plate bolts on the one installed axle to 80 ft. lbs.
  26. Mount a dial indicator on the backing plate, with the pointer resting on the axle shaft flange. Check the axial play. Standard bearing play should be 0.65–0.95mm (0.0256–0.0374 in.).
  27. If play is not within specifications, shims are available for correcting it. See the table below:
  28. Install the other shaft and torque the backing plate bolts. Check the play as on the first shaft. Play should be 0.05–0.25mm (0.0019–0.0098 in.). If not, correct it with shims.
  29. Install the brake drums and wheels. Bleed the brake system.

Previous Next