Previous Next

Driveshaft and U-Joints

REMOVAL & INSTALLATION

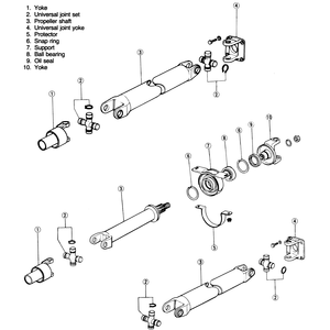
Fig. 1: 1972–76 driveshaft components

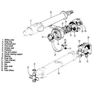
Fig. 2: 1977–83 driveshaft components

Fig. 3: 1984 driveshaft components

Fig. 4: 1986 short bed driveshaft components

Fig. 5: 1986 long bed driveshaft components

Fig. 6: Matchmarking the rear flange and yoke

Fig. 7: Matchmarking the yoke and shaft

  1. Matchmark the rear U-joint with the rear companion flange. Remove the bolts attaching the driveshaft to the rear companion flange.
  2. On 2-piece units, remove the center support bearing bracket from the underbody.
  3. Pull the driveshaft rearward and out of the transmission. Plug the rear seal opening.
  4. Installation is the reverse of removal. Make sure that you align the matchmarks. Torque the rear companion flange bolts to 39–47 ft. lbs.; the center bearing bracket nuts to 27–38 ft. lbs.

Previous Next