Previous Next

Transmission Assembly

REMOVAL & INSTALLATION

B1600

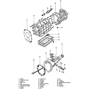
Fig. 1: Typical 1972–84 piston engine manual transmission mounting

  1. Raise and support the truck. Drain the lubricant from the transmission.
  2. Disconnect the ground wire from the battery.
  3. Remove the gearshift lever boot.
  4. Unbolt the cover plate from the gearshift lever retainer.
  5. Pull the gearshift lever, shim and bushing straight up and away from the gearshift lever retainer.
  6. Disconnect the wires from the starter motor and back-up light switch.
  7. Disconnect the speedometer cable from the extension housing.
  8. Remove the driveshaft.
  9. Unbolt the exhaust pipe from the bracket on the transmission case.
  10. Disconnect the exhaust pipe at the exhaust manifold.
  11. Unhook the clutch release fork return spring and remove the clutch release cylinder from the clutch housing.
  12. Remove the starter.
  13. Support the transmission with a jack.
  14. Unbolt the transmission from the rear of the engine.
  15. Place a jack under the engine, protecting the oil pan with a block of wood.
  16. Unbolt the transmission from the crossmember.
  17. Unbolt and remove the crossmember.
  18. Lower the jack and slide the transmission rearward until the mainshaft clears the clutch disc.
  19. Remove the transmission from under the truck. To install:
  20. Position the transmission under the truck.
  21. Raise the jack and slide the transmission forward until the mainshaft enters the clutch disc.
  22. Install the crossmember. Torque the bolts to 50 ft. lbs.
  23. Bolt the transmission to the crossmember. Torque the bolts to 45 ft. lbs.
  24. Remove the jack from under the engine.
  25. Bolt the transmission to the rear of the engine. Torque the bolts to 45 ft. lbs.
  26. Remove the transmission jack.
  27. Install the starter.
  28. Install the clutch release cylinder.
  29. Connect the exhaust pipe at the exhaust manifold.
  30. Connect the exhaust pipe bracket on the transmission case.
  31. Install the driveshaft.
  32. Connect the speedometer cable.
  33. Connect the wires at the starter motor and back-up light switch.
  34. Install the gearshift lever.
  35. Install the gearshift lever boot.
  36. Connect the ground wire to the battery.
  37. Fill the transmission.
B1800, B2200 Diesel and 1979–84 B2000
  1. Put the gearshift in Neutral.
  2. Lift up the boot covering the shift lever and detach the gearshift tower from the extension housing. Remove the shift lever, tower and gasket as an assembly.
  3. Cover the opening in the case with a heavy rag to keep dirt out.
  4. Remove the negative battery cable. Raise and support the truck.
  5. Disconnect the driveshaft at the rear axle.
  6. Remove the driveshaft center bearing support and pull the driveshaft rearward to disconnect the driveshaft from the transmission. Install a plug in the extension housing to prevent lubricant from leaking out.
  7. Remove the exhaust pipe brackets from the transmission case.
  8. Disconnect the exhaust pipe hanger from the clutch housing.
  9. Disconnect the exhaust pipe at the manifold and muffler and remove the exhaust pipe-resonator assembly or catalytic converter.
  10. Unhook the clutch release lever return spring. Remove the clutch release cylinder and secure it out of the way.
  11. Remove the speedometer cable from the extension housing.
  12. Disconnect the starter motor and backup light wires.
  13. Protect the oil pan with a block of wood and support the engine with a jack. Support the transmission with a separate jack.
  14. Remove the starter.
  15. Unbolt the transmission from the engine rear plate.
  16. Unbolt the transmission mount from the crossmember.
  17. Remove the crossmember.
  18. Work the clutch housing off the locating dowels. Slide the transmission rearward until the input shaft spline clears the clutch disc.
  19. Remove the transmission from the truck.
  20. Be sure that all mating surfaces are free of dirt, burrs and paint. To install:
  21. Lift the transmission into place and start the input shaft into the clutch disc. Be sure that the splines align and move the transmission forward until the clutch housing seats on the locating dowels of the engine rear plate.
  22. Bolt the clutch housing to the rear plate. Torque the bolts to 45 ft. lbs.
  23. Install the starter motor.
  24. Raise the engine and install the rear crossmember. Torque the bolts to 50 ft. lbs.
  25. Install the rear transmission mount on the crossmember. Bolt the transmission to the rear mount. Torque the bolts to 45 ft. lbs.
  26. Remove the jacks.
  27. Install the driveshaft in the transmission extension housing. Install the center bearing.
  28. Connect the driveshaft to the rear axle flange.
  29. Install the exhaust pipe and resonator.
  30. Connect the exhaust pipe to the flywheel housing and transmission brackets.
  31. Connect the starter and back-up light wires.
  32. Install the clutch release cylinder.
  33. Adjust the clutch release lever free travel. Connect the return spring.
  34. Connect the speedometer cable.
  35. Fill the transmission with lubricant.
  36. Lower the truck.
  37. Install the shift tower and gasket. Install the boot.
  38. Road test the truck and check for leaks.
1986 B2000

Fig. 2: Exploded view of the 1986 manual transmission mounting

  1. Disconnect the battery ground cable.
  2. Raise and support the truck on jackstands.
  3. Drain the transmission oil.
  4. Remove the gearshift knob, remove the shift console attaching screws, and lift off the console.
  5. Remove the shift lever-to-extension housing attaching bolts and remove the shift lever.
  6. Remove the driveshaft.
  7. Disconnect the speedometer cable from the transmission.
  8. Disconnect the wiring at the starter and remove the starter.
  9. Disconnect and tag all wiring at the transmission.
  10. Disconnect the parking brake return spring, and disconnect the parking brake cables.
  11. Remove the clutch slave cylinder.
  12. Remove the transmission front support bracket.
  13. Disconnect the exhaust pipe at the transmission and manifold.
  14. Support the weight of the transmission with a floor jack or transmission jack.
  15. Remove the transmission crossmember.
  16. Lower the transmission to get access to the top bolts and remove the transmission-to-engine bolts.
  17. Pull the transmission straight back and away from the engine. When clear, lower it and remove it from under the truck. To install:
  18. Position the transmission under the truck.
  19. Raise the transmission and slide it forward until the mainshaft enters the clutch disc. The transmission should align with the locating dowels and sit flush with the engine. Install the transmission-to-engine bolts. Torque the transmission-to-engine bolts to 60–65 ft. lbs.
  20. Install the transmission crossmember. Torque the bolts to 50 ft. lbs.
  21. Remove the transmission jack.
  22. Connect the exhaust pipe at the transmission and manifold.
  23. Install the transmission front support bracket.
  24. Install the clutch slave cylinder.
  25. Connect the parking brake return spring, and connect the parking brake cables.
  26. Connect all wiring at the transmission.
  27. Install the starter.
  28. Connect the speedometer cable.
  29. Install the driveshaft.
  30. Install the shift lever. Torque the gearshift lever bolts to 6–8 ft. lbs.
  31. Install the shift console and shifter knob.
  32. Fill the transmission.
  33. Lower the truck.
  34. Connect the battery ground cable.
Rotary Engine Models

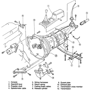
Fig. 3: Exploded view of the rotary engine transmission

  1. Remove the knob from the gearshift lever.
  2. Remove the gearshift lever.
  3. Unbolt the retainer cover from the gearshift lever retainer.
  4. Pull the gearshift lever, shim and bushing straight up and away from the gearshift lever retainer.
  5. Disconnect the battery ground wire.
  6. Remove the bolt attaching the power brake vacuum pipe to the clutch housing.
  7. Disconnect the ground strap from the transmission case.
  8. Remove the clutch release cylinder.
  9. Remove the one upper bolt holding the starter and the three upper bolts and nuts securing the transmission to the engine.
  10. Raise and support the truck.
  11. Disconnect the wires from the starter motor and the back-up light switch wires.
  12. Unbolt and remove the heat insulator from the front exhaust pipe.
  13. Disconnect the exhaust pipe from the brackets.
  14. Disconnect the exhaust pipe front flange from the exhaust manifold. Remove the front exhaust pipe.
  15. Remove the driveshaft.
  16. Insert a transmission oil plug into the extension housing.
  17. Remove the starter.
  18. Install a jack under the engine and support the engine.
  19. Unbolt the transmission support from the body.
  20. Remove the two lower bolts holding the transmission to the engine.
  21. Slide the transmission rearward until the mainshaft clears the clutch disc and remove the transmission from under the truck.
  22. Installation is the reverse of removal.

Previous Next