Previous Next

BRAKES

BRAKE OPERATING SYSTEM

Basic Operating Principles

Fig. 1: Exploded view of the early 1972 B1600 hydraulic brake system

Fig. 2: Exploded view of the late 1972 through 1975 B1600 hydraulic brake system

Fig. 3: Exploded view of the 1978–81 hydraulic brake system

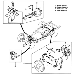
Fig. 4: Diagram of the 1982–84 B2000 hydraulic brake system

Fig. 5: Diagram of the 1982–84 B2200 hydraulic brake system

Fig. 6: Diagram of the 1986 hydraulic brake system

Hydraulic systems are used to actuate the brakes of all modern automobiles. The system transports the power required to force the frictional surfaces of the braking system together from the pedal to the individual brake units at each wheel. A hydraulic system is used for two reasons.

First, fluid under pressure can be carried to all parts of an automobile by small pipes and flexible hoses without taking up a significant amount of room or posing routing problems.

Second, a great mechanical advantage can be given to the brake pedal end of the system, and the foot pressure required to actuate the brakes can be reduced by making the surface area of the master cylinder pistons smaller than that of any of the pistons in the wheel cylinders or calipers.

The master cylinder consists of a fluid reservoir along with a double cylinder and piston assembly. Double type master cylinders are designed to separate the front and rear braking systems hydraulically in case of a leak. The master cylinder coverts mechanical motion from the pedal into hydraulic pressure within the lines. This pressure is translated back into mechanical motion at the wheels by either the wheel cylinder (drum brakes) or the caliper (disc brakes).

Steel lines carry the brake fluid to a point on the vehicle's frame near each of the vehicle's wheels. The fluid is then carried to the calipers and wheel cylinders by flexible tubes in order to allow for suspension and steering movements.

In drum brake systems, each wheel cylinder contains two pistons, one at either end, which push outward in opposite directions and force the brake shoe into contact with the drum.

In disc brake systems, the cylinders are part of the calipers. At least one cylinder in each caliper is used to force the brake pads against the disc.

All pistons employ some type of seal, usually made of rubber, to minimize fluid leakage. A rubber dust boot seals the outer end of the cylinder against dust and dirt. The boot fits around the outer end of the piston on disc brake calipers, and around the brake actuating rod on wheel cylinders.

The hydraulic system operates as follows: When at rest, the entire system, from the piston(s) in the master cylinder to those in the wheel cylinders or calipers, is full of brake fluid. Upon application of the brake pedal, fluid trapped in front of the master cylinder piston(s) is forced through the lines to the wheel cylinders. Here, it forces the pistons outward, in the case of drum brakes, and inward toward the disc, in the case of disc brakes. The motion of the pistons is opposed by return springs mounted outside the cylinders in drum brakes, and by spring seals, in disc brakes.

Upon release of the brake pedal, a spring located inside the master cylinder immediately returns the master cylinder pistons to the normal position. The pistons contain check valves and the master cylinder has compensating ports drilled in it. These are uncovered as the pistons reach their normal position. The piston check valves allow fluid to flow toward the wheel cylinders or calipers as the pistons withdraw. Then, as the return springs force the brake pads or shoes into the released position, the excess fluid reservoir through the compensating ports. It is during the time the pedal is in the released position that any fluid that has leaked out of the system will be replaced through the compensating ports.

Dual circuit master cylinders employ two pistons, located one behind the other, in the same cylinder. The primary piston is actuated directly by mechanical linkage from the brake pedal through the power booster. The secondary piston is actuated by fluid trapped between the two pistons. If a leak develops in front of the secondary piston, it moves forward until it bottoms against the front of the master cylinder, and the fluid trapped between the pistons will operate the rear brakes. If the rear brakes develop a leak, the primary piston will move forward until direct contact with the secondary piston takes place, and it will force the secondary piston to actuate the front brakes. In either case, the brake pedal moves farther when the brakes are applied, and less braking power is available.

All dual circuit systems use a switch to warn the driver when only half of the brake system is operational. This switch is usually located in a valve body which is mounted on the firewall or the frame below the master cylinder. A hydraulic piston receives pressure from both circuits, each circuit's pressure being applied to one end of the piston. When the pressures are in balance, the piston remains stationary. When one circuit has a leak, however, the greater pressure in that circuit during application of the brakes will push the piston to one side, closing the switch and activating the brake warning light.

In disc brake systems, this valve body also contains a metering valve and, in some cases, a proportioning valve. The metering valve keeps pressure from traveling to the disc brakes on the front wheels until the brake shoes on the rear wheels have contacted the drums, ensuring that the front brakes will never be used alone. The proportioning valve controls the pressure to the rear brakes to lessen the chance of rear wheel lock-up during very hard braking.

Warning lights may be tested by depressing the brake pedal and holding it while opening one of the wheel cylinder bleeder screws. If this does not cause the light to go on, substitute a new lamp, make continuity checks, and, finally, replace the switch as necessary.

The hydraulic system may be checked for leaks by applying pressure to the pedal gradually and steadily. If the pedal sinks very slowly to the floor, the system has a leak. This is not to be confused with a springy or spongy feel due to the compression of air within the lines. If the system leaks, there will be a gradual change in the position of the pedal with a constant pressure.

Check for leaks along all lines and at wheel cylinders. If no external leaks are apparent, the problem is inside the master cylinder.

Previous Next