Previous Next

STARTING SYSTEM

General Information

Mazda uses three types of starters in their vehicles; conventional, reduction and direct drive.

Conventional starters use four individually wound magnets to produce a strong magnetic field. This field induces the armature to turn against these field. In addition to the magnetic field turning the armature, it also pulls down a lever, which in turn throws out the starter drive to engage into the flywheel teeth.

Reduction starters use a high speed electric motor to drive a gear-set. Some utilize a planetary gear-set while others use a standard small gear driving a larger gear. By using reduction gearing, a relatively weak electric motor can have its output turning power multiplied before it reaches the flywheel.

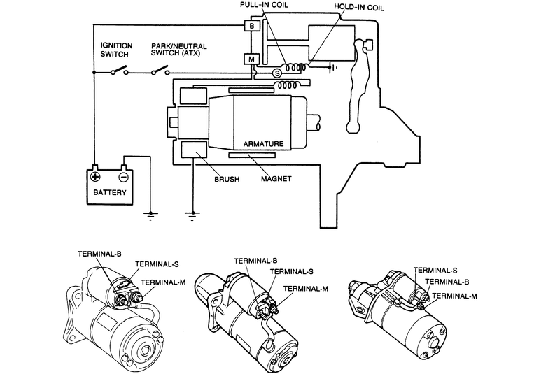
Fig. 1: Example of the various starter configurations and basic electrical system schematic

Direct drive starters, also use an electric motor, but their output speed and turning power is sent directly to the flywheel.

All starters utilize some sort of over-running clutch system, so that when the engine speed exceeds the starters, the unit will not be damaged.

Previous Next