
- Disconnect the negative battery cable.
- Remove the power steering hose brackets from the cylinder head cover.
- Label and disconnect the spark plug wires and spark plug wire clips.
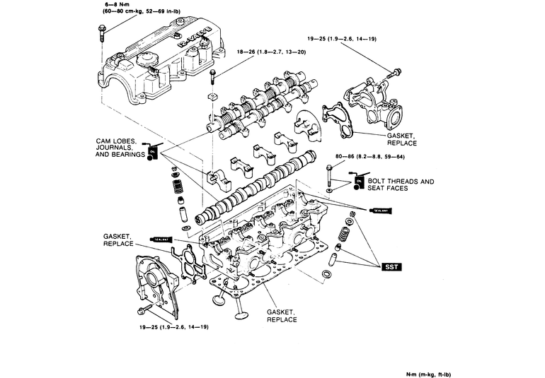
| Fig. 1: Exploded view of the 1.5L engines camshaft
assemblies
|
- Disconnect the breather tube and PCV valve from the cylinder head cover.
Loosen the cylinder head cover in 2–3 steps. Remove the cylinder head
cover.
- Remove the accessory drive belts, water pump pulley, timing belt covers
and timing belt.
- Remove the distributor.
- Hold the camshaft with a wrench on the cast hexagon, and loosen the camshaft
sprocket mounting bolt. Remove the camshaft sprockets.
| Fig. 2: Front camshaft cap bolts loosening sequence
for the 1.5L engine
|
| Fig. 3: Camshaft cap bolts loosening sequence for
the 1.5L engine
|
- Remove the seal plate.
- Rotate the camshafts clockwise so the cams don't press on the tappets.
- Loosen the front camshaft cap bolts in 5–6 steps, starting on the
two outside bolts and finishing on the two inside bolts. Remove the front
camshaft bolts and caps.
NOTE: Note the location of the numbers on top of the camshaft
caps, so the caps can be reinstalled in their original positions.
- Loosen the camshaft cap bolts in 5–6 steps, in the reverse order of
removal. Remove the camshaft caps.
- Remove the camshafts. Remove the chain and oil seals from the camshafts.
To install:
- Insert the chain adjuster between the camshafts.
- Lubricate the camshaft lobes and journals with clean engine oil and install
the camshafts on the cylinder head. Make sure none of the lobes are located
directly on the tappets. Align the marks on the camshaft gear and the timing
chain.
| Fig. 4: When installing the cams, align the marks
on the camshaft gears with the colored/marked links of the chain
|
| Fig. 5: Apply sealant in the positions shown before
installing the cam caps
|
| Fig. 6: Camshaft cap bolts tightening sequence for
the 1.5L engine
|
- Apply silicone sealant to the cylinder head on the front camshaft caps mating
surface. Do not get sealant on the camshaft journals.
- Install the camshaft bearing caps in their original locations. Hand tighten
the camshaft cap bolts numbered: 5, 7, 2, and 4. Install all the bolts and
tighten, in sequence, in 5–6 steps with a final torque of 100–125
inch lbs. (11–14 Nm).
- Apply clean engine oil to the lips of new camshafts seals. Install the seals
using a suitable seal installer flush with the edge of the camshaft cap.
- Install the seal plate.
- Install the camshaft sprockets, timing belt and timing belt covers. Install
the water pump pulley and accessory drive belts. Adjust the tension.
- Apply silicone sealant to a new cylinder head cover gasket, and install
the gasket on the cylinder head cover.
- Apply silicone sealant to the cylinder head in the area adjacent to the
front camshaft caps.
- Install the distributor.
- Install the cylinder head cover. Tighten the bolts in 2 steps, in reverse
of the loosening sequence, to 61–95 inch lbs. (7–11 Nm).
- Install the power steering hose brackets and tighten the bolts to 88 inch
lbs. (10 Nm). Connect the spark plug wires and clips.
- Connect the breather hose and PCV valve.
- Adjust the valve clearance.
- Adjust the ignition timing and idle speed.
- Connect the negative battery cable, run the engine and check for leaks.
NOTE: The camshaft is removed through the front of the cylinder
head.
- Remove the cylinder head from the vehicle and position in a suitable holding
fixture.
NOTE: Do not lay the cylinder head flat on the head gasket
surface as the valves may be damaged.
- Hold the camshaft with a wrench on the hexagon cast into the front of the
camshaft.
| Fig. 7: Remove the thrust plate (1.6L SOHC engine)
then slide the camshaft out of the cylinder head
|
| Fig. 8: Thrust plate removal for the 1.8L SOHC engine
|
- Remove the sprocket bolt and the sprocket.
- Loosen the rocker arm shaft bolts in 2–3 steps, in the reverse of
the torque sequence. Remove the rocker arm and shaft assemblies.
- Pry out the camshaft seal using a small prybar, being careful not to damage
the camshaft or seal bore.
- Remove the thrust plate at the rear of the cylinder head.
- Carefully slide the camshaft from the cylinder head, being careful not to
damage the cylinder head bearing surfaces.
To install:
- Lubricate the camshaft lobes and journals and the cylinder head bearing
surfaces with clean engine oil.
- Carefully slide the camshaft into the cylinder head, being careful not to
damage the bearing surfaces.
- Install the camshaft thrust plate. On the 1.6L 8-valve engine, tighten the
thrust retaining bolt to 95 in. lbs. (11 Nm). On the 1.6L and 1.8L 16-valve
engines, the thrust plate is held in place by the rocker arm and shaft assembly.
- Lubricate the lip of a new camshaft seal with clean engine oil and install
in the cylinder head, using a seal installer.
- Lubricate the rocker arms and valve stem tips with clean engine oil. Install
the rocker arm and shaft assemblies and tighten the bolts, in 2–3 steps,
in the proper sequence. The final torque should be 21 ft. lbs. (28 Nm) on
the 1.6L and 1.8L engines.
- Install the camshaft sprocket and retaining bolt. Hold the camshaft with
the wrench on the hexagon and tighten the bolt to 45 ft. lbs. (61 Nm).
- Install the cylinder head and the remaining components in the reverse order
of removal.
- Disconnect the negative battery cable.
- Label and disconnect the spark plug wires and remove the spark plugs.
| Fig. 9: To remove the camshafts, first remove the
timing belt, then while holding the cam on the cast hexagon, loosen
the cam sprocket bolt
|
| Fig. 10: Remove the camshaft sprocket bolt and sprocket
|
| Fig. 11: Camshaft cap bolts loosening sequence for
the 1.6L, 1.8L and 2.0L DOHC engines
|
| Fig. 12: Loosen the camshaft cap bolts gradually
in 2–3 steps in sequence
|
| Fig. 13: Once the cap bolts are loose, remove them.
Keep the caps in order and do not mix up intake and exhaust sides
|
- Disconnect the hoses from the cylinder head cover, if equipped.
- Remove the cylinder head cover bolts and remove the cylinder head cover.
On 2.0L engine, loosen the bolts in 2–3 steps in the reverse of the
torque sequence.
| Fig. 14: Also remove the camshaft seals and discard
them. Always install new seals whenever the camshafts are removed
|
| Fig. 15: Remove the camshafts from the cylinder head.
Again, do not mix up exhaust and intake sides
|
- Remove the timing belt and the distributor.
- Hold the camshaft with a wrench on the hexagon cast into the camshaft. Remove
the sprocket bolts and remove the sprockets.
- Label the caps so they can be reinstalled in their original positions. Loosen
the camshaft cap bolts in 2–3 steps in the reverse of the torque sequence,
then remove the camshaft caps.
- Remove the camshafts. Remove the camshaft oil seals from the camshafts.
To install:
- Lubricate the camshaft journals and lobes with clean engine oil. Install
the camshafts in the cylinder head.
| Fig. 16: Apply silicone sealant to the cylinder head
in the positions shown
|
| Fig. 17: Camshaft cap bolts tightening sequence for
the 1.6L, 1.8L and 2.0L DOHC engine
|
- Apply silicone sealant to the cylinder head on the front camshaft cap mating
surfaces. Do not allow any sealant on the camshaft journals.
- Install the camshaft caps in their original positions. Loosely install the
cap bolts.
- Tighten the camshaft cap bolts in 2–3 steps to 125 inch lbs. (14 Nm)
in the proper sequence.
- Apply clean engine oil to the lip of a new camshaft seal. Push the seal
slightly in by hand. Tap the seal into position, using a seal installer, until
it is flush with the edge of the camshaft cap.
- Turn the camshafts until the dowel pins face straight up. Install the camshaft
sprockets and the sprocket bolts.
- Hold the camshaft with the wrench on the cast hexagon and tighten the sprocket
bolts to 44 ft. lbs. (60 Nm).
- Install the remaining components in the reverse order of removal.
- Disconnect the negative battery cable.
- Disconnect the spark plug wires and hoses from the cylinder head cover and
remove the cylinder head cover.
- Remove the timing belt and the distributor.
- Insert a suitable tool through one of the camshaft sprocket holes to keep
the camshaft from turning. Remove the sprocket bolt and remove the sprocket.
| Fig. 18: Exploded view of the 2.2L engine camshaft
assembly and related components
|
- Remove the front and rear housings from the cylinder head.
- Loosen the rocker arm shaft bolts, in 2–3 steps, in the reverse of
the torque sequence. Remove the rocker arm and shaft assemblies with the bolts.
- Remove the camshaft caps. Label their position prior to removal so they
can be reinstalled in their original locations.
- Remove the camshaft.
To install:
- Lubricate the camshaft journals and lobes with clean engine oil and position
in the cylinder head with the dowel pin facing straight up.
- Apply silicone sealant the cylinder head in the area adjacent to the front
and rear camshaft journals. Do not allow sealant to get on the camshaft journals.
- Install the camshaft caps in their original locations.
- Apply clean engine oil to the valve stem tips and rocker arms.
- Install the rocker arm and shaft assemblies. Tighten the bolts in 2–3
steps to 20 ft. lbs. (26 Nm) in the proper sequence.
NOTE: Make sure the rocker arms or spacers do not get caught
between the shaft and camshaft cap.
- Pry the old oil seal from the front housing. Apply engine oil to the front
housing and a new oil seal and press the seal into the housing.
- Install the front housing using a new gasket. Tighten the bolt and nut to
19 ft. lbs. (25 Nm).
- Install the rear housing using a new gasket. Tighten the bolts/nuts to 19
ft. lbs. (25 Nm).
- Apply silicone sealant at the front and rear corners of the cylinder head
and install the cylinder head cover. Tighten the bolts to 69 inch lbs. (8
Nm). Connect the hoses and spark plug wires.
- Install the camshaft sprocket on the camshaft with the sprocket bolt. Hold
the camshaft sprocket using a suitable tool inserted through a sprocket hole
and tighten the bolt to 48 ft. lbs. (65 Nm).
- Install the timing belt and the remaining components in the reverse order
of removal.
- Properly relieve the fuel system pressure. Disconnect the negative battery
cable and drain the cooling system.
- Remove the timing belt.
- Disconnect the accelerator cable. On 1.8L engine, disconnect the throttle
cable.
- Label and disconnect the spark plug wires.
- Label and disconnect the necessary wiring and hoses.
- Remove the intake manifold and the cylinder head covers.
- Remove the distributor.
- Hold the camshaft with a wrench on the hexagon cast into the camshaft. Remove
the sprocket bolt and remove the sprocket.
| Fig. 19: Front camshaft cap bolt loosening sequence
for the V6 engines
|
| Fig. 20: Camshaft cap bolts loosening sequence for
the V6 engines
|
- Turn the camshaft, using a wrench on the cast hexagon, until the camshaft
knock pin is aligned with the cylinder head marks.
NOTE: Do not remove the camshaft caps when the camshaft
lobe is pressing on a lifter, as the thrust journal support may become damaged.
- Loosen the front camshaft cap bolts in 5–6 steps, in the proper sequence.
Bolt A is only on the right cylinder head. Remove the front
camshaft cap.
- Mark the position of the camshaft caps so they can be reinstalled in their
original locations. Loosen the remaining camshaft cap bolts in 5–6 steps,
in the proper sequence, then remove the caps.
- Remove the camshafts.
To install:
- Lubricate the camshaft journals, lobes and gears with clean engine oil.
Align the intake and exhaust camshaft timing marks and install the camshafts.
NOTE: The thrust plate positions for the right and left
cylinder head camshafts are different.
| Fig. 21: When installing the camshafts, ensure that
the marks on the cam gears are aligned
|
| Fig. 22: Put silicone sealant on the cylinder head
at the positions shown
|
| Fig. 23: Front camshaft cap bolt tightening sequence
for the V6 engines
|
| Fig. 24: Camshaft cap bolt tightening sequence for
the V6 engines
|
- Make sure the camshaft cap and cylinder head surfaces are clean. Apply a
small amount of sealant to the mating surface of the front camshaft cap on
both cylinder heads and the rear exhaust camshaft cap on the left cylinder
head. Do not get any sealant on the camshaft rotating surfaces.
- Install the front camshaft caps and thrust plate caps and tighten the bolts
until the cap seats fully to the cylinder head. Install the remaining camshaft
caps in their original locations and loosely tighten the bolts.
- Tighten the camshaft cap bolts in 5–6 steps to 126 inch lbs. (14 Nm),
in the proper sequence.
- Apply clean engine oil to a new oil seal and the cylinder head. Install
the seal, using a suitable installer. Apply sealant to a new blind cap and
install, using a plastic hammer.
- Install the camshaft sprockets. On the right cylinder head, install the
sprocket so the R mark can be seen and the timing mark aligns
with the camshaft knock pin. On the left cylinder head, install the sprocket
so the L mark can be seen and the timing mark aligns with
the camshaft knock pin.
- Apply clean engine oil to the camshaft sprocket bolt threads and install.
Hold the camshaft with a wrench on the cast hexagon and tighten the sprocket
bolt to 103 ft. lbs. (140 Nm).
- Coat a new gasket with sealant and install onto the cylinder head cover.
Install the cover and tighten the bolts, in sequence, in 2–3 steps,
to 78 inch lbs. (8.8 Nm). Install the ventilation pipe to the left cover.
- Apply clean engine oil to a new O-ring and install on the distributor. Install
the distributor with the blade fitting into the camshaft groove and loosely
tighten the retaining bolt.
- Install the intake manifold using a new gasket. Loosely install the bolts
and nuts. Install the intake manifold stay and tighten the bolts to 19 ft.
lbs. (25 Nm), then tighten the intake manifold bolts/nuts, in 2–3 steps,
to 19 ft. lbs. (25 Nm).
- Connect the wiring, hoses, and the fuel lines.
- Connect the accelerator and, if equipped, throttle valve cables.
- Install the timing belt.
- Connect the negative battery cable. Fill and bleed the cooling system.
- Start the engine and bring to normal operating temperature. Check for leaks.
Check the ignition timing and idle speed.
- Relieve the fuel system pressure. Disconnect the negative battery cable.
- Remove the timing belt covers and timing belt.
- Remove the spacer and O-ring from the front of the camshaft.
- Remove the ignition coils.
- Remove the intake manifold.
- Remove the bolts, in 5–6 steps, using the reverse of the tightening
sequence. Remove the cylinder head cover.
- Remove the camshaft sprockets.
- Turn the camshafts so the knock pins are aligned with the marks on the camshaft
caps. This will reduce the pressure on the adjustment shims.
- Note the markings on the camshaft caps prior to removal, so they can be
reinstalled in the same positions. The right hand (rear) caps are marked with
numbers and the left hand (front) caps are marked with letters.
- Loosen the front camshaft cap bolts in the reverse of the torque sequence,
in 5–6 steps. Remove the front camshaft caps.
- Remove the remaining camshaft cap bolts in the proper sequence. Remove the
caps, being sure to remove the thrust caps last. Do not damage the cylinder
head thrust bearing support.
- Remove the camshafts and oil seals.
- If necessary, remove the lifters and adjustment shims. Identify and mark
each lifter as it is removed so it can be reinstalled in the same position.
To install:
- Apply clean engine oil to the lifters, then install them in their original
positions. Verify that they move smoothly in their bore.
- Install new oil seals on the camshafts. Apply clean engine oil to the camshaft
lobes, journals and supports.
- Install the camshafts so the gear marks align.
- Remove all oil and dirt from the mating surfaces between the front camshaft
cap and the cylinder head.
- Install the thrust caps. Tighten the thrust cap bolts, in 5–6 steps,
until the caps are fully seated on the cylinder head.
- Apply silicone sealant, at a thickness of 0.06–0.09 inch (1.5–2.5mm),
to the cylinder head surface in the area forward of the camshaft gear cavity.
- Install the remaining camshaft caps in their original positions. Tighten
the caps, in sequence, in five equal steps, with the final step being 100–125
inch lbs. (11–14 Nm).
- Apply clean engine oil to the lip of the new camshaft oil seal. Push the
seal in lightly by hand. Tap the seal in evenly with a seal installer (49
F401 337A or equivalent) with a final protrusion of 0–0.02 inch (0–0.5mm).
Tap in a new blind cap.
- Install the camshaft sprockets. Tighten the mounting bolts to 91–103
ft. lbs. (123–140 Nm).
- Measure and adjust valve clearances.
- Remove any sealant and gasket material from the cylinder head cover contact
surfaces.
- Apply silicone sealant to the cylinder head in the area adjacent to the
front and rear camshaft caps. Install a new gasket on the cylinder head.
- Install the cylinder head cover. Tighten the bolts in 5–6 steps, in
sequence, to 44–78 inch lbs. (5–9 Nm).
- Using a new O-ring, install the distributor.
- Install the ignition coils.
- Install the intake manifold.
- Install the spacer, using a new O-ring. Tighten the mounting bolt to 14–18
ft. lbs. (19–25 Nm).
- Install the timing belt and timing belt cover.
- Connect the negative battery cable. Run the engine and check for leaks.
NOTE: For engines which use rocker arms, refer to the Rocker
Arm Removal & Installation procedures earlier in this section.
- Remove the camshaft(s)
- As a precaution, to avoid mix-ups, wipe the oil off the top of all the lash
adjuster/cam followers and, using a permanent type marker, label or number
them. On DOHC engines, also designate whether the adjuster/follower is on
the intake or exhaust side.
| Fig. 25: With the camshafts removed, simply pull
the followers from their bores using a magnet
|
- Use a magnet and pull the lash adjuster/cam follower from its bore.
NOTE: On non-hydraulic cam followers, the adjustment shim
may come out of the follower before the follower is removed from its bore.
If this happens, remove the shim from the magnet and repeat the removal
procedure until the follower is removed. Place the shim back onto the follower.
- Arrange the adjusters/followers, on a clean work surface, in the order that
they are removed.
- Installation is the reverse of the removal procedure.