In the process of removing the engine, you will come across a number of steps
which call for the removal of a separate component or system, such as "disconnect
the exhaust system'' or "remove the radiator.'' In most instances, a detailed
removal procedure can be found elsewhere in this manual.
It is virtually impossible to list each individual wire and hose which must
be disconnected, simply because so many different model and engine combinations
have been manufactured. Careful observation and common sense are the best possible
approaches to any repair procedure.
Removal and installation of the engine can be made easier if you follow these
basic points:
- If you have to drain any of the fluids, use a suitable container.
- Always tag any wires or hoses and, if possible, the components they came
from before disconnecting them.
- Because there are so many bolts and fasteners involved, store and label
the retainers from components separately in muffin pans, jars or coffee cans.
This will prevent confusion during installation.
- After unbolting the transmission or transaxle, always make sure it is properly
supported.
- If it is necessary to disconnect the air conditioning system, have this
service performed by a qualified technician using a recovery/recycling station.
If the system does not have to be disconnected, unbolt the compressor and
set it aside.
- When unbolting the engine mounts, always make sure the engine is properly
supported. When removing the engine, make sure that any lifting devices are
properly attached to the engine. It is recommended that if your engine is
supplied with lifting hooks, your lifting apparatus be attached to them.
- Lift the engine from its compartment slowly, checking that no hoses, wires
or other components are still connected.
- After the engine is clear of the compartment, place it on an engine stand
or workbench.
- After the engine has been removed, you can perform a partial or full teardown
of the engine using the procedures outlined in this manual.
CAUTION
When draining the coolant, keep in mind that cats and dogs are attracted by
the ethylene glycol antifreeze, and are quite likely to drink any that is left
in an uncovered container or in puddles on the ground. This will prove fatal
in sufficient quantity. Always drain the coolant into a sealable container.
Coolant should be reused unless it is contaminated or several years old.
NOTE: The procedure for pulling the engine requires removing
the transaxle along with it. As a result, when the half-shafts are pulled from
the transaxle, a special plug/side gear holding tool is recommended.
CAUTION
Observe all applicable safety precautions when working around fuel. Whenever
servicing the fuel system, always work in a well ventilated area. Do not allow
fuel spray or vapors to come in contact with a spark or open flame. Keep a dry
chemical fire extinguisher near the work area. Always keep fuel in a container
specifically designed for fuel storage; also, always properly seal fuel containers
to avoid the possibility of fire or explosion.
- Properly relieve the fuel system pressure. Raise and safely support the
vehicle, as necessary.
- Disconnect the battery cables and remove the battery and the battery tray.
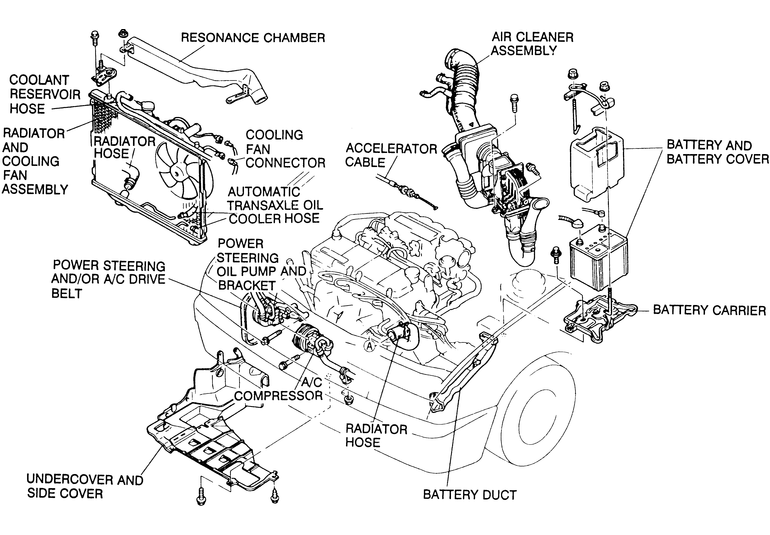
| Fig. 1: View of typically removed external components
for engine removal
|
- Remove the hood.
- Loosen the lug nuts on the front wheels.
- Apply the parking brake, block the rear wheels, then raise and safely support
the front of the vehicle securely on jackstands.
- Remove the front wheels.
- Remove the splash shield(s) from under the vehicle and drain the engine
and transaxle oil as well as the coolant.
CAUTION
The EPA warns that prolonged contact with used engine oil may cause a number
of skin disorders, including cancer! You should make every effort to minimize
your exposure to used engine oil. Protective gloves should be worn when
changing the oil. Wash your hands and any other exposed skin areas as soon
as possible after exposure to used engine oil. Soap and water, or waterless
hand cleaner should be used.
| Fig. 2: View of the common electrical harness plug
disconnection points for engine removal
|
- Remove the air cleaner assembly and resonance chamber, including the air
flow meter and all of the ducting. Remove the oil dip stick.
- On the Millienia with the 2.3L engine, remove the charge air cooler, front
grille, upper seal board (panels that the grille mounts to) and coolant overflow
tank.
- Remove the radiator hoses. If equipped with automatic transaxle, disconnect
the oil cooler lines from the radiator. Disconnect the cooling fan and, if
equipped, radiator switch electrical connectors and remove the radiator/cooling
fan assembly. On 4WD vehicles, remove the crossmember from the underside of
the vehicle.
- Disconnect the throttle and the speedometer cable.
| Fig. 3: Typical vacuum, fuel and water hose disconnect
points for engine removal
|
- Label and disconnect all vacuum hoses and wiring harnesses.
- Disconnect the fuel supply and return hoses and the heater hoses.
- Disconnect the exhaust pipe from the manifold. On 4WD vehicles, remove the
exhaust manifold. If equipped, remove the water inlet pipe and gasket.
- Remove the accessory drive belt or belts.
- Without disconnecting the hydraulic hoses, remove the power steering pump
and hang it from the body with wire.
- Without disconnecting the refrigerant lines, remove the air conditioning
compressor and hang it from the body with wire.
- If equipped with manual transaxle, disconnect the clutch cable and shift
control rod. If equipped with hydraulic clutch, remove the slave cylinder
from the transaxle without disconnecting the hydraulic line.
| Fig. 4: Typically removed 4-cylinder engine under
vehicle components for engine removal
|
| Fig. 5: Typically removed 6-cylinder engine under
vehicle components for engine removal
|
- If equipped with automatic transaxle, disconnect the shift control cable.
- Remove the nuts and disconnect the tie rod ends from the steering knuckles.
Disconnect the stabilizer bar from the lower control arms.
- Attach an engine lifting chain to the engine lifting eyes. Attach the chain
to a suitable engine hoist and raise the hoist until there is tension on the
chain.
- Remove the engine mount nuts and the engine mount member bolts and nuts
and remove the engine mount member. On 4WD vehicles, remove the front transaxle
mount.
NOTE: Be careful so the engine does not fall when removing
the engine mount member.
- Remove the pinch bolts from the steering knuckle and pry the control arm
down to slip the lower ball joint out of the knuckle.
- If equipped, remove the bolts from the right side intermediate shaft support
and, using a suitable prybar, pry the intermediate shaft from the transaxle.
Insert a suitable prybar between the inner CV-joint and transaxle case and
carefully pry the inner CV-joints out of the transaxle. Suspend the halfshafts
with wire.
- If equipped with 4WD, mark the position of the driveshaft on the transaxle
and rear axle flanges. Remove the driveshaft, keeping all spacers, washers
and bushings in order so they can be reinstalled in their original positions.
- Remove the dynamic damper from the right side engine mount, if equipped.
Remove the engine/transaxle mount nuts/bolts and right engine and, if equipped,
left transaxle mounts. Carefully lift the engine/transaxle assembly from the
vehicle.
- Properly support the engine/transaxle assembly. Remove the intake manifold
bracket, starter, torque converter nuts, stiffener, if equipped and No. 2
engine mount. Disconnect the throttle cable.
| Fig. 6: Once all components and mounts are unfastened,
the engine is removed with the transaxle attached
|
- If equipped with 4WD, remove the center differential lock motor as follows:
- Remove the set bolt and lock sensor switch.
- Remove the plug from the end of the motor and use a small flat bladed
tool to turn the shift rod 1⁄2 turn
clockwise.
- Remove the retaining bolts and the center differential lock motor.
- Remove the transaxle mounting bolts and separate the transaxle from the
engine.
To install:
- Installation is the reverse of the removal procedure. Note the following
important steps.
- When possible, leave the engine mounting nuts/bolts loose (hand tight) until
all mounts are aligned and bolted. This may help in aligning the engine and
transmission assembly in the vehicle.
- Install new circlips on the inner CV-joint stub shafts and, if equipped,
intermediate shaft. Grease the shaft splines before installing the halfshaft/intermediate
shaft into the transaxle.
- Always install new gaskets and/or O-rings. Use new self-locking nuts, especially
on the exhaust.
WARNING
Operating the engine without the proper amount and type of engine oil will
result in severe engine damage.
- Fill the engine and the transaxle with the proper types and quantities of
oil. Fill the cooling system.
- Connect the negative battery cable, start the engine and check for leaks.
Check the ignition timing and the idle speed. Check all fluid levels.
