Previous Next

Intercooler

REMOVAL & INSTALLATION

2.2L Engine
  1. Remove the front fascia from the vehicle.
  2. Remove the front bumper assembly. Refer to Section 10.

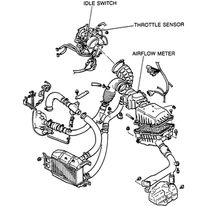
    Fig. 1: View of the intercooler and related air intake components

  3. Remove all mounting nuts from the intercooler housing.
  4. Loosen the clamps and remove the inlet and outlet air hoses from the intercooler.
  5. Remove the intercooler.
  6. Installation is the reverse of the removal procedure.

Previous Next