Previous Next

Water Pump

REMOVAL & INSTALLATION

1.5L, 1.6L and 1.8L (except K8) Engines
  1. Disconnect the negative battery cable. Drain the cooling system.
  2. Remove the timing belt covers, and remove the timing belt.

    Fig. 1: Exploded view of the water pump assembly for the 1.5L, 1.6L and 1.8L (except K8) engines

  3. Disconnect the coolant inlet pipe and gasket.
  4. Remove the timing belt idler pulleys still attached to the water pump.
  5. Remove the water pump mounting bolts, and remove the water pump.

    To install:

  6. Clean all gasket mating surfaces.
  7. Install a new rubber seal on the water pump.
  8. Using a new gasket, install the water pump on the engine. Tighten the mounting bolts to 14–18 ft. lbs. (19–25 Nm). Tighten the bolt from the water pump to the alternator bracket to 28–38 ft. lbs. (38–51 Nm).
  9. Install the timing belt idler pulleys that were removed.
  10. Install the coolant inlet pipe, using a new gasket. Tighten the bolts to 14–18 ft. lbs. (19–25 Nm).
  11. Install the timing belt and the timing belt covers.
  12. Fill and bleed the cooling system. Connect the negative battery cable, start the engine and bring to normal operating temperature. Check for leaks.
2.0L Engines

Fig. 2: Exploded view of the water pump assembly for the 2.0L engine

  1. Disconnect the negative battery cable. Drain the cooling system.

    Fig. 3: To remove the water pump, first drain the cooling system, then loosen the water pump pulley attaching bolts

    Fig. 4: Remove the accessory drive belts, then remove the water pump pulley

    Fig. 5: Remove the engine timing belt . . .

    Fig. 6: . . . and the belt idler pulley which is attached to the water pump

  2. Remove the timing belt.

    Fig. 7: Remove the water pump attaching bolts . . .

    Fig. 8: . . . as well as the mounting bolts . . .

    Fig. 9: . . . for the lower power steering adjuster bracket

    Fig. 10: Remove the water pump from the engine . . .

    Fig. 11: . . . as well as the old water pump gasket

  3. Remove the power steering oil pump adjuster.
  4. Remove the 5 water pump mounting bolts and remove the water pump.

    To install:

  5. Clean all gasket mating surfaces.

    Fig. 12: Thoroughly clean all gasket mating surfaces before installing the water pump

  6. Install a NEW gasket on the water pump and install the water pump on the engine. Install the mounting bolts and tighten to 14–18 ft. lbs. (19–25 Nm).
  7. Install the power steering oil pump adjuster, torque the mounting bolts to 12–16 ft. lbs. (16–22 Nm).
  8. Install the timing belt.
  9. Connect the negative battery cable. Fill and bleed the cooling system.
  10. Start the engine and bring to normal operating temperature. Check for leaks.
1.8L (K8) and 2.5L Engines
  1. Disconnect the negative battery cable. Drain the cooling system.
  2. Remove the timing belt.

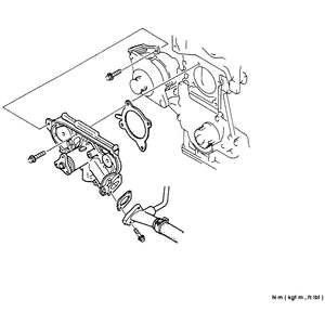
    Fig. 13: Exploded view of the water pump assembly for the 1.8L (K8) and 2.5L engines — 2.3L engine is similar

  3. Remove the No.3 engine mount bracket.
  4. Position a drain pan under the water pump.
  5. Remove the 5 water pump mounting bolts, and remove the water pump.

    To install:

  6. Clean the mating surfaces of the water pump and the engine block.
  7. Install a NEW rubber seal onto the water pump.
  8. Install the water pump and torque the bolts 14–18 ft. lbs. (19–25 Nm).
  9. Install the engine mount bracket, and tighten the mounting bolt to 32–44 ft. lbs. (44–60 Nm).
  10. Install the timing belt.
  11. Connect the negative battery cable. Fill and bleed the cooling system.
  12. Start the engine and bring to normal operating temperature. Check for leaks.
2.3L Engine
  1. Disconnect the negative battery cable. Drain the cooling system.
  2. Remove the timing belt covers and the timing belt.
  3. Use a pulley removal tool to hold the water pump pulley and remove the bolts. Remove the water pump pulley.
  4. Position a drain pan under the water pump.
  5. Remove the water pump mounting bolts, and remove the water pump.

    To install:

  6. Clean the mating surfaces of the water pump and the engine block.
  7. Install a new O-ring onto the water pump.
  8. Install the water pump and torque the bolts 18 ft. lbs. (25 Nm).
  9. Install the water pump pulley with the bolts. Hold the pulley with the tool and tighten the bolts to 88 inch lbs. (10 Nm).
  10. Install the timing belt and timing covers.
  11. Connect the negative battery cable. Fill and bleed the cooling system.
  12. Start the engine and bring to normal operating temperature. Check for leaks.

Previous Next