Previous Next

Exhaust Gas Recirculation System

OPERATION

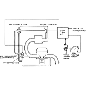
The Exhaust Gas Recirculation (EGR) System introduces exhaust gas into the intake manifold which reduces the NOx content in the exhaust gas. The system utilizes a control valve, a modulator valve, the engine control unit, a solenoid valve, throttle sensor and a water thermosensor.

Fig. 1: Typical EGR system schematic

Previous Next