Previous Next

VACUUM DIAGRAMS

Following are vacuum diagrams for most of the engine and emissions package combinations covered by this manual. Because vacuum circuits will vary based on various engine and vehicle options, always refer first to the vehicle emission control information label, if present. Should the label be missing, or should vehicle be equipped with a different engine from the vehicle's original equipment, refer to the diagrams below for the same or similar configuration.

If you wish to obtain a replacement emissions label, most manufacturers make the labels available for purchase. The labels can usually be ordered from a local dealer.

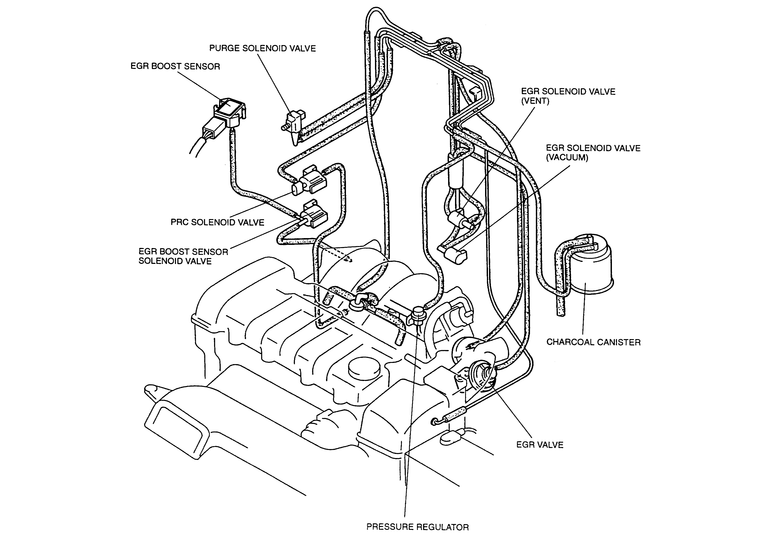
Fig. 1: Vacuum hose routing diagram for the 1990–94 323, Protege and MX-3 (except MX-3 with 1.6L DOHC and 1.8L V6)

Fig. 2: Vacuum hose routing diagram for the MX-3 with 1.6L DOHC engine

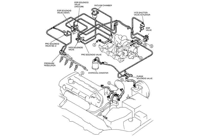
Fig. 3: Vacuum hose routing diagram for the MX-3 with 1.8L (K8) V6 engine

Fig. 4: Vacuum hose routing diagram for the 1995–98 Protege with the 1.5L engine

Fig. 5: Vacuum hose routing diagram for the 1995–98 Protege with the 1.8L engine

Fig. 6: Vacuum hose routing diagram for the 1990–92 626 and MX-6 non-turbo

Fig. 7: Vacuum hose routing diagram for the 1990–92 626 and MX-6 turbo

Fig. 8: Vacuum hose routing diagram for the 1993–94 626/MX-6/Probe with the 2.0L engine (except 1994 California)

Fig. 9: Vacuum hose routing diagram for the 1994 California and 1995–98 626/MX-6/Probe with the 2.0L engine

Fig. 10: Vacuum hose routing diagram for the 1993–95 626/MX-6/Probe with the 2.5L engine

Fig. 11: Vacuum hose routing diagram for the 1996–97 626/MX-6/Probe and 1998 626 with the 2.5L engine

Previous Next