Previous Next

Heater Core

REMOVAL & INSTALLATION

MX-3, 1990–94 323 and Protege
  1. Disconnect the negative battery cable.
  2. Drain the engine coolant.
  3. Remove the instrument panel/dash assembly from the vehicle. Refer to Section 10.

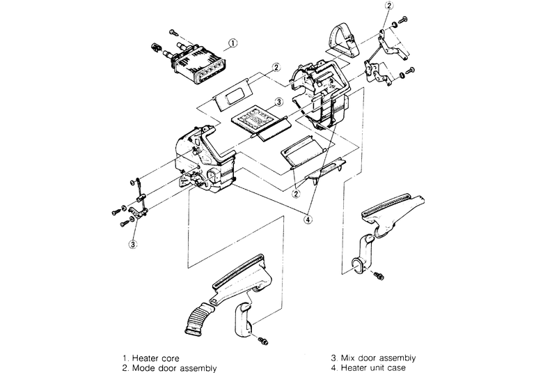
    Fig. 1: Exploded view of the heater unit assembly for the MX-3, 1990–94 323 and Protege

  4. Remove the seal plate from between the heater unit and the blower unit.
  5. Unlock the heater hose connector at the heater core side and disconnect the hose(s).
  6. Remove the heater hose(s) and cap the hose(s).
  7. Remove the attaching nuts and remove the heater unit assembly.
  8. Remove the heater core attaching screw and remove the heater core.

    To install:

  9. Install the heater core to the heater case and install the mounting screws.
  10. Install the heater unit to the vehicle and install the mounting nuts.
  11. Install and connect the heater hose(s). Make sure that they are secure.
  12. Install the seal plate to between the heater case and the blower case.
  13. Install the instrument panel/dash assembly. Refer to Section 10.
  14. Refill the coolant to the proper level and connect the negative battery cable.
1990–92 626/MX-6
  1. Disconnect the negative battery cable.
  2. Drain the engine coolant.
  3. Remove the instrument panel/dash assembly from the vehicle. Refer to Section 10.
  4. Remove the heater hose(s) and cap the hose(s).
  5. Remove the attaching nuts and remove the heater unit assembly.
  6. Remove the heater core attaching screw and remove the heater core.

    To install:

  7. Install the heater core to the heater case and install the mounting screws.
  8. Install the heater unit to the vehicle and install the mounting nuts.
  9. Install and connect the heater hose(s). Make sure that they are secure.
  10. Install the instrument panel/dash assembly. Refer to section 10.
  11. Refill the coolant to the proper level and connect the negative battery cable.
1993–98 626/MX-6/Probe, 1995–98 Protege and Millenia

NOTE: The A/C system must be discharged and the evaporator removed in order to service the heater core on these models. It is illegal for anyone to vent A/C refrigerant into the atmosphere. Refer to Section 1 for information on the A/C system.

  1. Take the vehicle to a EPA certified repair facility and have the A/C system refrigerant recovered.
  2. Disconnect the negative battery cable.

    Fig. 2: View of the heating and air conditioning system components and relative locations

    Fig. 3: Before the heater core can be removed, you must first remove the cooler (A/C) unit from the firewall

    CAUTION
    Never open, service or drain the radiator or cooling system when hot; serious burns can occur from the steam and hot coolant. Also, when draining engine coolant, keep in mind that cats and dogs are attracted to ethylene glycol antifreeze and could drink any that is left in an uncovered container or in puddles on the ground. This will prove fatal in sufficient quantities. Always drain coolant into a sealable container. Coolant should be reused unless it is contaminated or is several years old.

  3. Drain and recycle the engine coolant.
  4. In the engine compartment, disconnect the A/C lines at the firewall by removing the fitting fasteners.

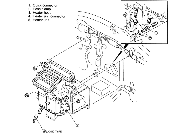
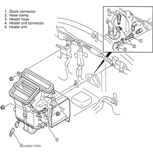
    Fig. 4: View of the heater unit mounting and hose/electrical connections

    Fig. 5: Exploded view of the typical heater unit and core assembly. When disassembling, only remove the case half fasteners

  5. Disconnect the heater hoses at the firewall as well.
  6. Remove the instrument panel and dash assembly.
  7. Detach any electrical harness connections or cables from the heater and cooler units.
  8. Remove the cooler unit-to-firewall attaching nuts and pull the unit backwards and remove it.
  9. Remove the heater unit-to-firewall attaching nuts and remove the heater unit.
  10. Place the heater unit on a bench and separate the heater case halves by removing the fasteners (clips, screws and/or bolts).
  11. Remove the heater core from the case half.
  12. Installation is the reverse of the removal procedure.

Previous Next