Previous Next

Clutch Master Cylinder

REMOVAL & INSTALLATION

  1. Disconnect the negative battery cable.
  2. On MX-3 and 1990–94 323/Protege, remove the battery and the diagnostic connector.

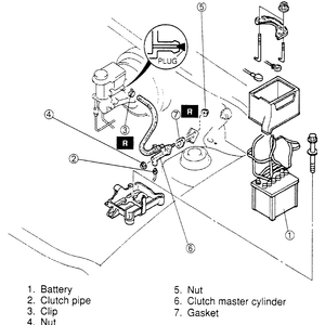
    Fig. 1: Exploded view of the clutch master cylinder and related components

  3. On 1993–98 626/MX-6/Probe, remove the evaporative canister.
  4. If so equipped, disconnect the hose from the brake master cylinder reservoir and plug the reservoir port.
  5. Remove the hydraulic line from the master cylinder using a tubing wrench.
  6. Remove the mounting nuts and remove the master cylinder and gasket.

    To install:

  7. Install the master cylinder with a new gasket. Tighten the nuts to 18 ft. lbs. (25 Nm) on all except MX-3. On MX-3, tighten the nuts to 8.7 ft. lbs. (12 Nm).
  8. Attach the hydraulic line and tighten the fitting with the tubing wrench.
  9. If equipped, remove the plug from the brake master cylinder reservoir and connect the hose.
  10. Install the remaining components in the reverse of removal. Bleed the air from the system.

Previous Next