Previous Next

Manual Transaxle Assembly

REMOVAL & INSTALLATION

  1. Disconnect the negative battery cable. Remove the air cleaner. Loosen the front wheel lug nuts.
  2. Disconnect the speedometer cable or sensor wires from the transaxle.
  3. On 4WD models, detach the neutral safety switch, back-up lamp switch, differential lock sensor switch and differential lock motor electrical connectors. Disconnect the transaxle shift and select control cables from the transaxle by removing the pins and cable retaining clips. Route the cables off to the side and out of the way.

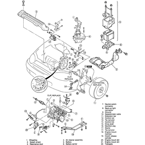
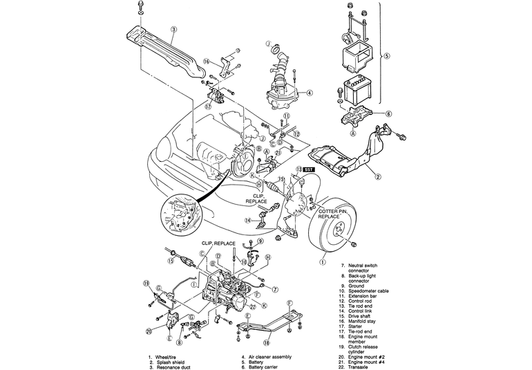
    Fig. 1: Exploded view of a typical transaxle assembly mounting and related components

  4. Remove the clutch release (slave) cylinder from the transaxle.
  5. Remove the water, secondary air, and EGR pipe brackets.
  6. Remove the wire harness clip. Disconnect the coupler for the neutral switch and back-up lamp switch. Detach the body ground connector.
  7. Remove the two upper transaxle mounting bolts. Mount an engine support tool, 49–ER301–025A or equivalent, to the engine hanger.
  8. Raise and support the vehicle safely. Drain the transaxle oil into a suitable container and remove the front wheels.
  9. If necessary, remove the intake manifold support bracket.
  10. Remove the engine under cover and side covers.
  11. On 4WD models, remove the propeller shaft and crossmember. Remove the oil filter and differential lock assembly (the differential lock assembly is fastened with three bolts).
  12. Remove the halfshafts.
  13. Insert differential side gear holder 49–B027–001 or its equivalent to hold the side gears in place and prevent misalignment.
  14. Remove the transaxle crossmember. Separate the gear shift control rod from the transaxle. Remove the extension bar from the transaxle. Remove the wiring and the starter motor.
  15. On 4WD models, remove the end plate bolts and connect a suitable hoist and lifting strap to the transaxle. Lift the transaxle and transfer carrier assembly out of the engine compartment.
  16. On 2WD models, proceed as follows:
    1. Remove the end plates. Lean the engine toward the transaxle side to lower the transaxle by loosening the engine support hook bolt. Support the transaxle with a suitable transaxle jack.
    2. Remove the necessary engine brackets. Remove the remaining transaxle mounting bolt and engine brackets. Lower the jack and slide the transaxle out from under the vehicle.

      To install:

  17. Before installing the transaxle, lightly coat the splines of the primary shaft gear with molybdenum disulfide grease.
  18. On 4WD models, connect a suitable hoist and lifting strap to the transaxle. Lower the transaxle and transfer carrier assembly into the engine compartment. Align the transaxle assembly to the engine.
  19. On 2WD models, attach a thick rope to two places on the transaxle. Place a board on the jack and lower the transaxle onto the board. Using the jack, lift the transaxle into position and throw the end of the rope over the support fixture bar. Tension the rope to guide the transaxle onto its mounts while lifting the transaxle with the jack.
  20. Once the transaxle is in place, have an assistant install and tighten all the transaxle-to-engine mounting bolts.
  21. The remainder of the installation is the reverse of the removal procedure. Tighten all fasteners to specifications. Fill the transaxle with the proper amount and grade of fluid. Adjust any clutch and/or shifter linkages as necessary.

Previous Next