Previous Next

Stabilizer Bar

REMOVAL & INSTALLATION

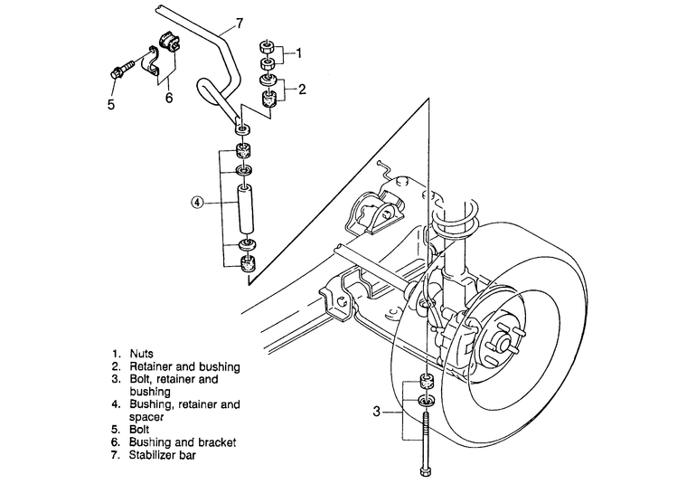
1990–92 626/MX-6 and 1990–94 323, Protege
  1. Raise and support the vehicle safely. Remove the front wheels.
  2. Remove the 2 stabilizer nuts and remove the upper bushing.

    Fig. 1: Exploded view of the front stabilizer bar for the 1990–92 626/MX-6 and 1990–94 323, Protege

  3. Remove the stabilizer bolt, bushing and retainer.
  4. Remove the bushing, retainer and spacer.
  5. Remove the stabilizer center bushings and bracket and remove the stabilizer bar from the vehicle. Examine the insulators (bushings) carefully for any sign of wear and replace them if necessary.

    NOTE: Check the bushings inside the brackets for wear or deformation. A worn bushing can cause a distinct noise as the bar twists during cornering operation.

    To install:

  6. Install stabilizer bar bushings in the correct position.
  7. Temporarily install stabilizer bar brackets. Install the stabilizer bar center bracket bolts and tighten to 27–40 ft. lbs. (38–54 Nm).
  8. Install the bushing retainers and spacers. Install the bolt retainer and bushing.
  9. Install the upper link nuts. Tighten the link nuts so that there is 0.71–0.87 inches (18.1–22.1mm) of thread exposed.
  10. Torque the top link nut to 12–17 ft. lbs. (16–23 Nm).
  11. Install front wheels and lower the vehicle.
  12. Check front wheel alignment.
Except 1990–92 626/MX-6 and 1990–94 323, Protege
  1. Raise and safely support the vehicle. Remove the front tire/wheels.
  2. Remove the engine undercover.
  3. Install an engine support device, such as Mazda tool number 49 G017 5A0 or equivalent, to the vehicle.

    Fig. 2: Exploded view of the stabilizer bar assembly and related components

  4. Remove the tie rod end /steering knuckle assembly.
  5. Remove the transverse member from under the engine.
  6. Remove the engine mount member.
  7. Disconnect the oxygen sensor connectors and remove the front exhaust pipe from the manifold.
  8. Remove the stabilizer nuts and insulator pad.
  9. Disconnect the steering lines and plug. Remove the steering gear and linkage assembly.
  10. Remove the lower arm and front crossmember assembly bolts and remove the assembly from the vehicle.
  11. Remove the remaining stabilizer bar bolts and remove the stabilizer bar.

    To install:

  12. Install the stabilizer bar to the vehicle and install the mounting bolts. If the mounting bushings were removed, make sure that they are replaced to the original positions and that the bushings are aligned with the marks on the bar. Tighten the stabilizer bar bolts to 32–43 ft. lbs. (43–59 Nm).
  13. Install the lower arm and front crossmember assembly to the vehicle. Tighten the mounting bolts to 69–93 ft. lbs. (93–127 Nm).
  14. Install the steering gear and linkage. Tighten the mounting nuts to 27–38 ft. lbs. (37–52 Nm) and connect the lines to the steering gear and linkage.
  15. Install the insulator plate and install the stabilizer nuts. Tighten the stabilizer nuts to 32–45 ft. lbs. (43–61 Nm).
  16. Replace the exhaust pipe gaskets and tighten the nuts to 27–38 ft. lbs. (37–52 Nm).
  17. Install the engine mount member.
  18. Install the transverse member.
  19. Connect the tie rod end to the steering knuckle. Replace the cotter pin.
  20. Remove the engine support device and install the under engine cover.
  21. Install the wheels and lower the vehicle.

Previous Next