Previous Next

REMOVAL & INSTALLATION

  1. Disconnect the negative battery cable. Use a syringe or similar device to remove as much fluid as possible from the reservoir. Some fluid will be spilled from lines during removal of the hydraulic unit; protect adjacent painted surfaces.

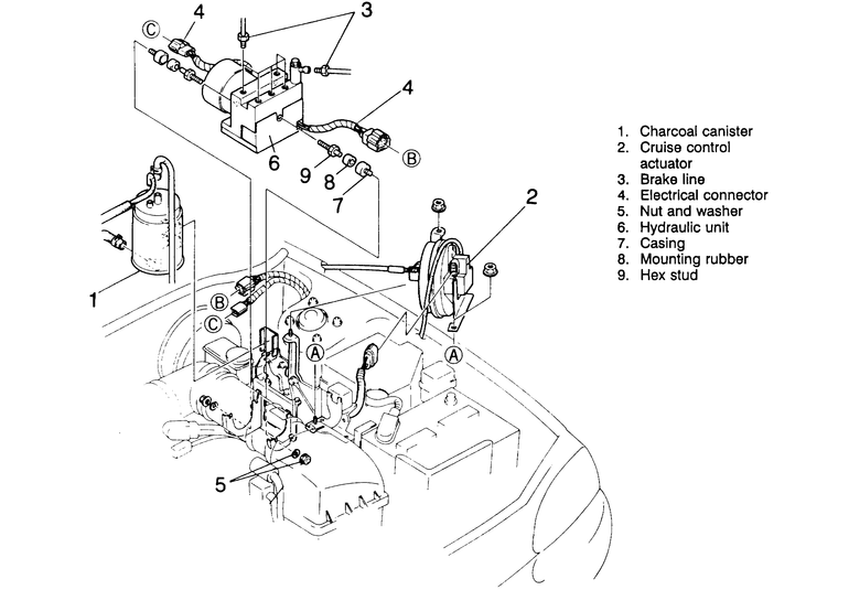
    Fig. 1: Typical ABS hydraulic unit mounting

  2. If necessary, remove the fuel filter and igniter mounting nuts and move them out of the way.
  3. Remove the charcoal canister from the vehicle and if the vehicle is equipped with cruise control, remove the cruise control actuator.
  4. Disconnect the brake lines from the hydraulic unit. Correct reassembly is critical. Label or identify the lines before removal. Plug each line immediately after removal.
  5. Disconnect the electrical harness connectors to the hydraulic unit.
  6. Remove the 2 nuts holding the hydraulic unit. Remove the unit upwards.

    NOTE: The hydraulic unit is heavy; use care when removing it. The unit must remain in the upright position at all times and be protected from impact and shock.

  7. Set the unit upright supported by blocks on the workbench. The hydraulic unit must not be tilted or turned upside down. No component of the hydraulic unit should be loosened or disassembled.
  8. The bracket assemblies may be removed if desired.

    To install:

  9. Install the brackets if removed.
  10. Install the hydraulic unit into the vehicle, keeping it upright at all times.
  11. Install the retaining nuts and tighten.
  12. Connect the electrical connectors.
  13. Connect each brake line to the proper port and double check the placement. Tighten each line to 113–190 inch lbs. (12.9–21.5 Nm).
  14. Fill the reservoir to the MAX line with brake fluid.
  15. Bleed the master cylinder, then bleed the brake lines.
  16. If removed, install the cruise control actuator and the charcoal canister.

Previous Next