Previous Next

INTERIOR

Instrument Panel and Pad

REMOVAL & INSTALLATION

Fig. 1: Dashboard mounting — 1990–94 323 and Protege

Fig. 2: View of the dashboard mounting on 1995–97 Protege models

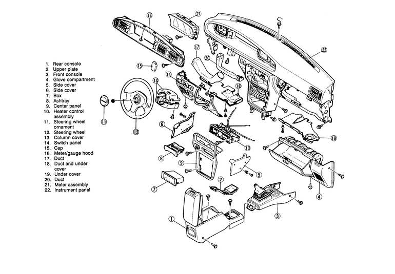
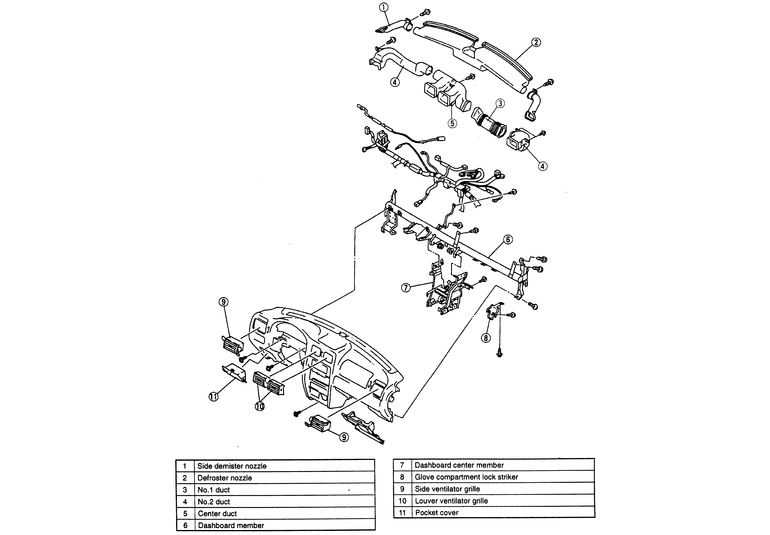
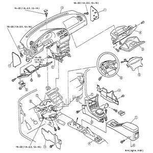
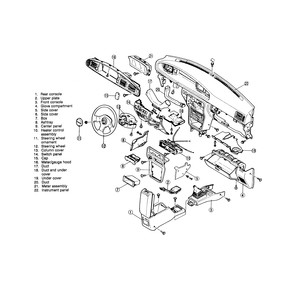
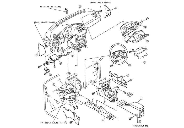
Fig. 3: Exploded view of the dashboard components — 1998 Protege models

Fig. 4: Exploded view of the dashboard mounting — MX-3 models

Fig. 5: Dashboard mounting found on 1990–92 626/MX-6 models

Fig. 6: Dashboard mounting used on 1993–97 626 models

Fig. 7: Exploded view of the dashboard — 1993–97 MX-6

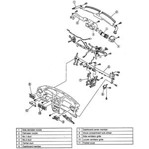
Fig. 8: Exploded view of the dashboard components — 1998 626 models

Fig. 9: Dashboard mounting used on Millenia models

  1. Disconnect the negative battery cable and disable the air bag system (if equipped).
  2. Remove the gearshift knob and remove the front console assembly.
  3. Remove the front console side covers.
  4. Remove the dashboard undercover plates.
  5. Lower the steering column assembly. Be careful no to damage the column or stress any wiring harnesses.
  6. Remove the garnish strip or caps along the windshield concealing the mounting screws.
  7. Remove the dashboard side panels, if equipped.
  8. Remove the hood release knob from its mounting point on the dashboard.
  9. Remove the instrument cluster assembly.
  10. Remove the radio.
  11. Remove the glove box door.
  12. Remove the center trim panel from around the heater controls, if equipped.
  13. If equipped, remove the center vent assembly from above the heater controls.
  14. Remove the heater control panel.
  15. Label and unplug and wiring harnesses which can now be accessed.
  16. Remove all of the mounting screws or bolts. Be sure to make a note as to where each type came from. Refer to the illustrations.
  17. Carefully pull the dash away from the vehicle. If it seems stuck, don't force it. Make sure all of the fasteners and harnesses have been released. If additional clearance is needed, remove the pillar trim.
  18. Installation is the reverse of removal. Refer to the illustrations if necessary.

Previous Next