Engine Assembly
REMOVAL & INSTALLATION
2.5L Engine
Before servicing the vehicle, refer to the precautions in the beginning of this section.
Drain the cooling system.
Drain the engine oil.
Drain the transaxle.
Relieve the fuel system pressure.
Install a support fixture to the engine lifting eyes.
Remove or disconnect the following:
Battery and tray
Inner fender liners
Axle halfshafts
Air intake assembly
Accelerator cable and bracket
Gear select cable
Transaxle dipstick tube
Cruise control actuator
Radiator
Fuel line
Brake booster vacuum line
Powertrain Control Module (PCM) connector. Pull the harness through the firewall into the engine compartment.
Exhaust front pipe
Accessory drive belt
Alternator and bracket
Right engine mount bracket
Power steering hoses
Front engine mount
Subframe center section
Rear engine mount
Left engine mount
Lower the powertrain from the vehicle.
To install:
Raise the powertrain into position.
Install or connect the following:
Left engine mount
Rear engine mount
Subframe center section. Tighten the bolts to 48–65 ft. lbs. (64–89 Nm) and the nut to 50–67 ft. lbs. (67–93 Nm).
Front engine mount
Power steering hoses
Right engine mount bracket
Check that the right engine mount stud is centered in the mount bracket with no tension applied to the stud by the bracket.
Tighten the engine mount fasteners as follows:
Step 1: Left and rear engine mount through bolts to 63–86 ft. lbs. (85–116 Nm)
Step 2: Front engine mount nuts to 50–67 ft. lbs. (67–93 Nm)
Right engine mount bracket nuts to 56–76 ft. lbs. (75–104 Nm)
Install or connect the following:
Alternator and bracket
Accessory drive belt
Exhaust front pipe
PCM connector. Pull the harness through the firewall into the passenger compartment.
Brake booster vacuum line
Fuel line
Radiator
Cruise control actuator
Transaxle dipstick tube
Gear select cable
Accelerator cable and bracket
Air intake assembly
Axle halfshafts
Inner fender liners
Battery and tray
Fill the crankcase and transaxle to the correct level.
Fill the cooling system.
Start the engine and check for leaks.
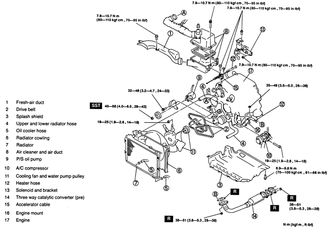
3.0L Engine
Before servicing the vehicle, refer to the precautions in the beginning of this section.
Drain the cooling system.
Relieve the fuel system pressure.
Remove or disconnect the following:
Battery
Hood
Mass Air Flow (MAF) sensor connector
Air intake assembly
Accessory drive belts
Engine under cover
Radiator hoses
Radiator
Cooling fan and shroud
Heater hoses
Accelerator cable
Cruise control cable
Evaporative Emissions (EVAP) canister hose
Brake booster vacuum hose
Fuel lines
Alternator
Power steering pump
A/C compressor
Engine control wiring harness connectors
Cowl ground cable
A/C pipe bracket
Exhaust front pipe
Radiator grille
Upper radiator support
Starter motor
Torque converter
Transmission flange bolts
Left and right motor mount nuts
Attach a hoist to the engine lifting eyes and raise the engine out of the vehicle.
To install:
Lower the engine into the vehicle.
Install or connect the following:
Left and right motor mount nuts. Tighten the nuts to 24–33 ft. lbs. (32–46 Nm).
Transmission flange bolts. Tighten the bolts to 28–38 ft. lbs. (38–51 Nm).
Torque converter. Tighten the bolts to 27–39 ft. lbs. (37–53 Nm).
Starter motor
Upper radiator support
Radiator grille
Exhaust front pipe. Tighten the nuts to 26–36 ft. lbs. (35–49 Nm) and the bracket bolt to 16–20 ft. lbs. (21–27 Nm).
A/C pipe bracket
Cowl ground cable
Engine control wiring harness connectors
A/C compressor
Power steering pump
Alternator
Fuel lines
Brake booster vacuum hose
EVAP canister hose
Accelerator cable
Cruise control cable
Heater hoses
Cooling fan and shroud
Radiator hoses
Engine under cover
Accessory drive belts
Air intake assembly
MAF sensor connector
Hood
Battery
Fill the cooling system.
Start the engine and check for leaks.
Fig. 1: Exploded view and tightening specifications for engine installation — 3.0L engine