Previous Next

HEATER CORE

MPV

REMOVAL & INSTALLATION

Front System
  1. Disconnect the negative battery cable.

    CAUTION
    After disconnecting the battery, wait for more than 1 minute for the air bag system to deplete its stored energy.

  2. Drain the cooling system into a clean container for reuse.
  3. Disconnect the heater hoses from the heater core.
  4. Discharge and recover the air conditioning system refrigerant.
  5. At the driver's side, remove the SAS module and the steering wheel by performing the following procedure:
    1. Place the wheel in the straight-ahead position and turn the ignition switch to LOCK.
    2. Remove the lower steering column cover.
    3. Disconnect the clock spring connector.
    4. Remove the steering wheel-to-SAS module bolts.
    5. Carefully, lift the SAS module from the steering wheel.

      CAUTION
      Place the SAS in a safe place with the module facing upward.

    6. Remove the steering wheel-to-column nut.
    7. Using a steering wheel puller, press the steering wheel from the steering column.
  6. At the passenger's side, remove the SAS module by performing the following procedure:
    1. Remove the glove compartment by sliding it to the left; then, pull the right side forward to remove the stopper and the pin, then, move it to the right to remove it.
    2. Remove the SAS module-to-dash bolts.
    3. Carefully, lift the SAS module and disconnect the electrical connector.

      CAUTION
      Place the SAS in a safe place with the module facing upward.

  7. Remove the instrument panel by performing the following procedure:
    1. Remove the A-pillar trim from both sides.
    2. Remove the front side trim and the side panel trim.
    3. Remove the hood release handle and the lower panel.
    4. Remove the meter hood and the instrument cluster.
    5. Remove the steering column-to-instrument panel bolts and lower the steering column.
    6. Disconnect the electrical connectors from the blower motor and the heater housing.
    7. Remove the instrument panel hole cover and the instrument panel-to-chassis bolts.
    8. Disconnect the electrical connectors.
    9. Using an assistant, carefully remove the instrument panel.
  8. Remove the heater housing-to-chassis nuts.
  9. Remove the heater housing-to-air conditioning housing fastener and seal plate.
  10. Remove the heater housing.
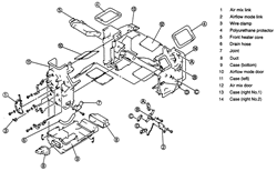
  11. Disassemble the heater housing and remove the heater core.

    Fig. 1: Exploded view of the steering wheel and SAS module — Mazda MPV

    Fig. 2: Exploded view of the passenger's side SAS module — Mazda MPV

    Fig. 3: Exploded view of the steering column and related components — Mazda MPV

    Fig. 4: View of the instrument panel and related components — Mazda MPV

    Fig. 5: Exploded view of the heater core, heater housing and related components — Mazda MPV

    To install:

  12. Install the heater core and assemble the heater housing.
  13. Install the heater housing.
  14. Install the heater housing-to-air conditioning housing seal plate and fastener.
  15. Install the heater housing-to-chassis nuts.
  16. Install the instrument panel by performing the following procedure:
    1. Using an assistant, carefully, install the instrument panel.
    2. Connect the electrical connectors.
    3. Install the instrument panel-to-chassis bolts and the instrument panel hole cover.
    4. Connect the electrical connectors to the blower motor and the heater housing.
    5. Install the steering column and the steering column-to-instrument panel bolts. Torque the bolts to 12–16 ft. lbs. (16–22 Nm).
    6. Install the instrument cluster and the meter hood.
    7. Install the hood release handle and the lower panel.
    8. Install the front side trim and the side panel trim.
    9. Install the A-pillar trim to both sides.
  17. At the passenger's side, install the SAS module by performing the following procedure:
    1. Carefully, install the SAS module and connect the electrical connector.
    2. Install the SAS module-to-dash bolts. Torque the bolts to 12–16 ft. lbs. (16–22 Nm).
    3. Install the glove compartment by sliding it to the right; then, push the right side rearward to install the stopper and the pin, then, move it to the right.
  18. At the driver's side, install the SAS module and the steering wheel by performing the following procedure:
    1. Install the steering wheel and the steering wheel-to-column nut. Torque the steering wheel nut to 29–36 ft. lbs. (40–49 Nm).
    2. Carefully, install the SAS module to the steering wheel.
    3. Install the steering wheel-to-SAS module bolts. Torque the bolts to 70 — 104 inch lbs. (7.9–11.7 Nm).
    4. Connect the clock spring connector.
    5. Install the lower steering column cover.
  19. Connect the heater hoses to the heater core.
  20. Refill the cooling system.
  21. Connect the negative battery cable.
  22. Run the engine to normal operating temperatures; then, check the climate control operation and check for leaks.
Rear Auxiliary System
  1. Disconnect the negative battery cable.
  2. Set the rear heater control knob to the WARM position to open the water valve.
  3. Drain the cooling system into a clean container for reuse.
  4. Remove the driver's seat.
  5. Disconnect the heater hoses.
  6. Disconnect the rear heater unit wire connector.
  7. Remove the rear heater unit attaching bolts and remove the assembly.
  8. Separate the rear heater unit attaching bolts and remove the heater core.

    Fig. 6: View of the rear auxiliary heater assembly and related components — Mazda MPV

    Fig. 7: Exploded view of the rear auxiliary heater unit — Mazda MPV

    To install:

  9. Install the heater core and assemble the rear heater unit.
  10. Install the assembly and the rear heater unit.
  11. Connect the rear heater unit wire connector.
  12. Connect the heater hoses to the heater core.
  13. Install the driver's seat.
  14. Refill the cooling system.
  15. Connect the negative battery cable.

Previous Next