Previous Next

Intake Manifold

REMOVAL & INSTALLATION

1.5L and 1.8L (BP) Engines
  1. Before servicing the vehicle, refer to the precautions in the beginning of this section.
  2. Relieve the fuel system pressure.
  3. Drain the cooling system.
  4. Remove or disconnect the following:

    NOTE: On some models, it may be necessary to remove the fuel rail with the injectors connected.

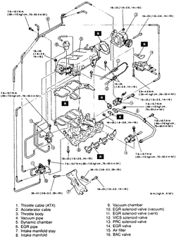
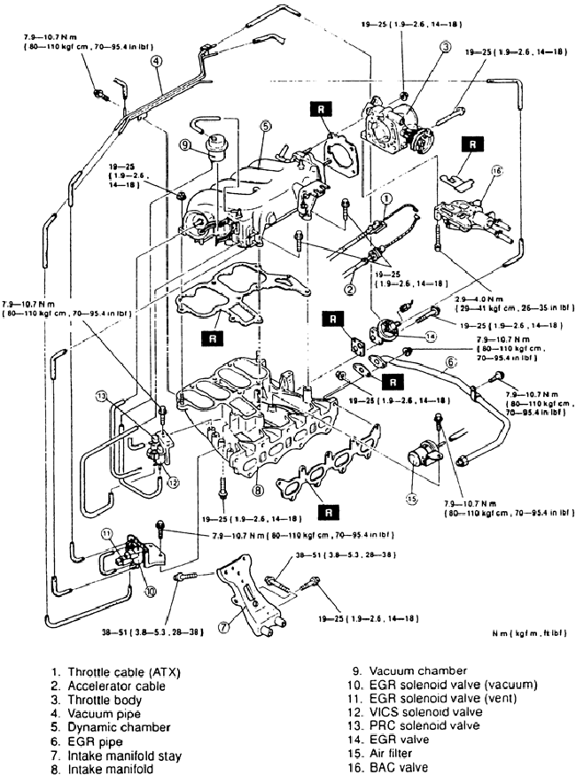
  5. On the 1.5L engine, remove the Exhaust Gas Recirculation (EGR) pipe from the intake manifold. Remove the EGR and PRC solenoid valve brackets.
  6. Remove or disconnect the following:

    To install:

  7. Clean all gasket mating surfaces.
  8. Install or connect the following:
  9. Fill the cooling system.
  10. Run the engine and check for leaks.
1.6L and 1.8L (FP) Engines
  1. Before servicing the vehicle, refer to the precautions in the beginning of this section.
  2. Relieve the fuel system pressure. Drain the cooling system.
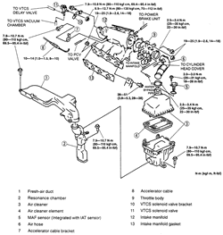
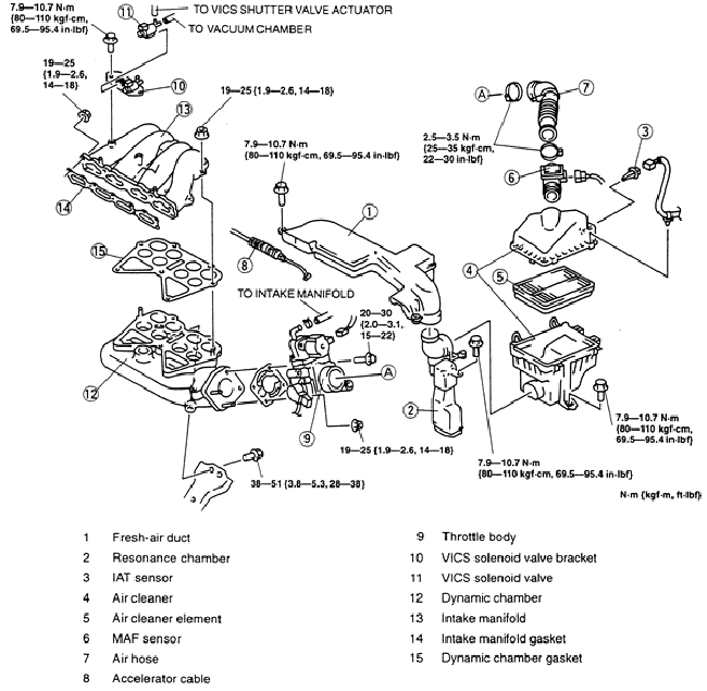
  3. Remove or disconnect the following:

    To install:

  4. Clean all gasket mating surfaces.

    NOTE: Be sure that the convex side of the intake manifold gasket is facing the manifold side, as shown.

    Fig. 5: Cross-sectional view of the intake manifold gasket — 1.6L and 1.8L engines

  5. Install or connect the following:
  6. Fill the cooling system.
  7. Run the engine and check for leaks.
2.3L Engine
  1. Before servicing the vehicle, refer to the precautions in the beginning of this section.
  2. Relieve the fuel system pressure.
  3. Drain the cooling system.
  4. Remove or disconnect the following:
  5. If necessary, label and disconnect the fuel hoses and electrical connectors from the throttle body. Remove the throttle body.

    To install:

  6. Clean all gasket mating surfaces.
  7. Install or connect the following:
  8. Fill the cooling system.
  9. Run the engine and check for leaks.
2.5L Engine
  1. Before servicing the vehicle, refer to the precautions in the beginning of this section.
  2. Relieve the fuel system pressure.
  3. Drain the cooling system.
  4. Remove or disconnect the following:
  5. Check the intake manifold for cracks or other damage. Check the surface of the cylinder heads and intake manifold for warpage using a straightedge. Replace the intake manifold, as necessary.

    To install:

  6. Clean all gasket mating surfaces.
  7. Install or connect the following:
  8. Fill the cooling system.
  9. Start the engine and check for leaks. Check the idle speed.

Previous Next