Previous Next

MX-6

REMOVAL AND INSTALLATION

  1. Disconnect the negative battery cable.

    CAUTION
    After disconnecting the battery, wait for more than 1 minute for the SAS to deplete its stored energy.

  2. Drain the cooling system into a clean container for reuse.
  3. Discharge and recover the air conditioning system refrigerant.
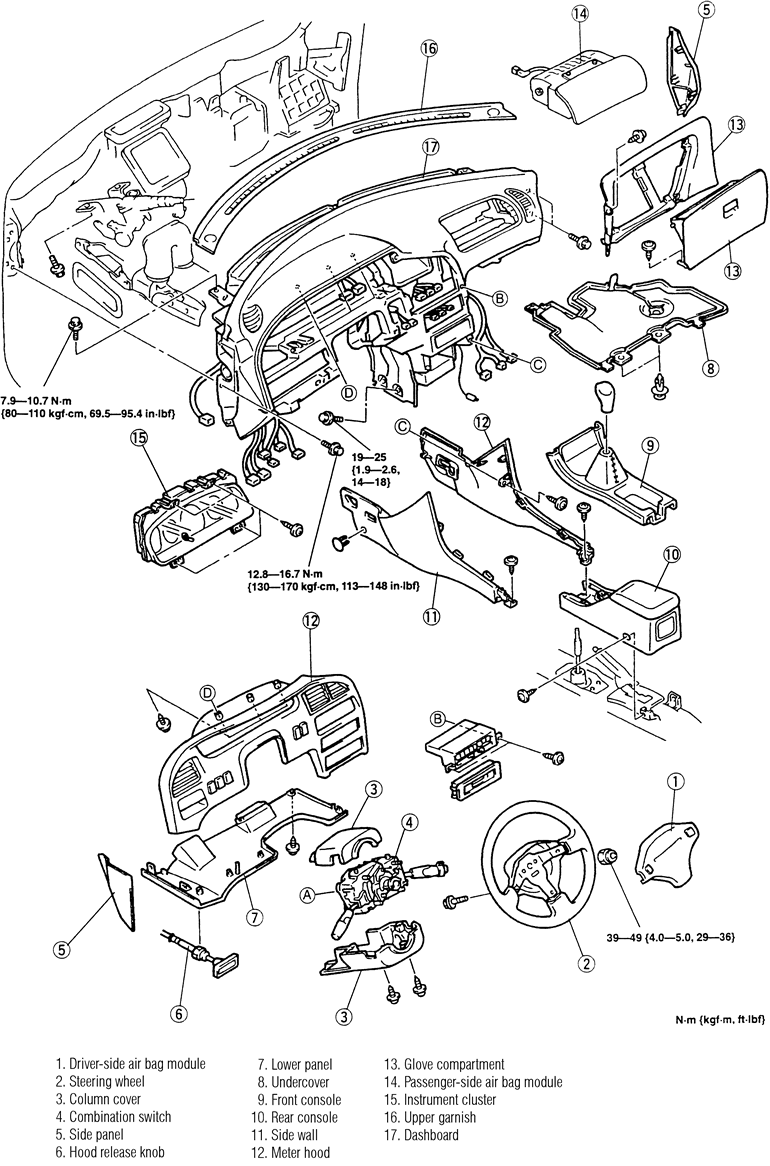
  4. At the driver's side, remove the SAS module and the steering wheel by removing or disconnecting the following:
  5. At the passenger's side, remove the SAS module by removing or disconnecting the following:
  6. Remove the instrument cluster by removing or disconnecting the following:
  7. Remove the climate control assembly by removing or disconnecting the following:
  8. Remove the audio unit by removing or disconnecting the following:
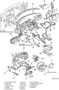
  9. Remove the instrument panel by removing or disconnecting the following:
  10. Remove the evaporator housing by removing or disconnecting the following:
  11. Remove or disconnect the following:
  12. Separate the heater housing and remove the heater core.

    Fig. 1: Exploded view of the steering wheel and SAS module — 1998–01 MX-6 — 1997 similar

    Fig. 2: Exploded view of the passenger's side SAS module — 1998–01 MX-6 — 1997 similar

    Fig. 3: View of the instrument cluster assembly — 1998–01 MX-6

    Fig. 4: Removing the audio unit — 1998–01 MX-6 — 1997 similar

    Fig. 5: View of the instrument panel assembly — 1998–01 MX-6

    Fig. 6: View of the heater and air conditioning housing assemblies — 1998–01 MX-6 — 1997 similar

    Fig. 7: View of the heater and air conditioning housing assemblies — 1997 MX-6

    Fig. 8: Exploded view of the heater core and heater housing assembly — 1998–01 MX-6 — 1997 similar

    To install:

  13. Install the heater core and assemble the heater housing.
  14. Install or connect the following:
  15. Install the evaporator housing by installing or connecting the following:
  16. Install the instrument panel by installing or connecting the following:
  17. Install the audio unit by installing or connecting the following:
  18. Install the climate control assembly by installing or connecting the following:
  19. Install the instrument cluster by installing or connecting the following:
  20. At the passenger's side, install the SAS module by installing or connecting the following:
  21. At the driver's side, install the SAS module and the steering wheel by installing or connecting the following:
  22. Refill the cooling system.
  23. Connect the negative battery cable.
  24. Evacuate, charge and leak test the air conditioning system refrigerant.
  25. Operate the engine to normal operating temperatures; then, check the climate control system and check for leaks.

Previous Next