Before servicing the vehicle, refer to the precautions
in the beginning of this section.
Remove or disconnect the following:
Negative battery cable
Air cleaner assembly
Speedometer cable and/or sensor wires from the transaxle
Fig. 1: Exploded view of a typical transaxle assembly
mounting and related components
Clutch release (slave) cylinder from the transaxle
Water, secondary air and Exhaust Gas Recirculation
(EGR) pipe brackets
Wiring harness clip
Coupler for the neutral switch and backup lamp
switch
Body ground connector
2 upper transaxle mounting bolts
Mount an Engine Support tool 49-eR301-025A to the
engine hanger.
Drain the transaxle oil.
Remove or disconnect the following:
Front wheels
Engine under and side covers
Intake manifold support bracket, if necessary
Halfshafts
Insert a Differential Side Gear Holder 49-B027-001
to hold the side gears in place and prevent misalignment.
Remove or disconnect the following:
Transaxle crossmember
Gearshift control rod from the transaxle
Extension bar from the transaxle
Wiring connectors
Starter motor
End plates
Lean the engine toward the transaxle side to lower
the transaxle by loosening the engine support hook bolt. Support the transaxle
with a transaxle jack.
Remove or disconnect the following:
Engine brackets, as necessary
Remaining transaxle bolt
Transaxle
To install:
Before installing the transaxle, lightly coat the
splines of the primary shaft gear with molybdenum disulfide grease.
Attach a thick rope to 2 places on the transaxle.
Place a board on the jack and lower the transaxle onto the board. Using
the jack, lift the transaxle into position and throw the end of the rope
over the support fixture bar. Tension the rope to guide the transaxle
onto its mounts while lifting the transaxle with the jack.
Once the transaxle is in place, have an assistant
install and tighten all the transaxle-to-engine mounting bolts.
The remainder of the installation is the reverse
of the removal procedure. Tighten all fasteners to specifications.
Before servicing the vehicle, refer to the precautions
in the beginning of this section.
Properly relieve the fuel system pressure.
Remove or disconnect the following:
Front wheels
Battery and battery box
Air cleaner and ducting
Splash shield
Drain the transaxle oil.
Remove or disconnect the following:
Speedometer, throttle and shift cables
Wiring connectors from the transaxle
Fuel lines, if necessary
If the fuel filter is mounted to the transaxle, unbolt
its mounting bracket and position it aside.
Remove or disconnect the following:
Exhaust crossover, coolant, vacuum or EGR pipe mounting brackets
from the transaxle
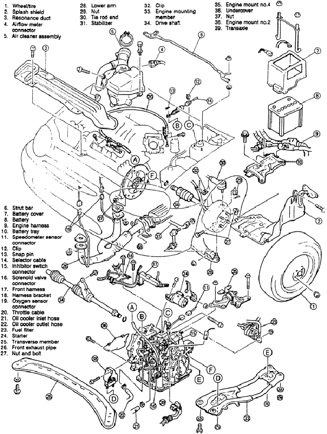
Fig. 2: Exploded view of a typical automatic transaxle
assembly mounting and related components
Intake manifold support bracket, on the 2.0L
engines
Wiring and remove the starter
Exhaust pipe
Tie rod ends
Lower ball joints
Halfshafts
Install tool 49 G030 455 to hold the differential
side gears in place when the halfshafts are removed.
Remove or disconnect the following:
Torque converter-to-flywheel nuts and/or bolts
Oil cooler hoses and plug them to prevent leakage
Attach lifting equipment and support the engine from
above.
Remove the lower mounting frame
Support the transaxle with a jack.
Remove the front and left rear mounts.
Allow the engine/transaxle to tilt towards the left.
Install the remaining bolts and slide the transaxle away from the engine
to lower it out of the vehicle. Do not let the torque converter fall out.
To install:
Be sure the torque converter is properly placed and
carefully guide the transaxle into place. Start all the transaxle-to-engine
bolts, then tighten them to specifications.
The remainder of the installation is the reverse
of the removal procedure.