Previous Next

626

REMOVAL AND INSTALLATION

  1. Disconnect the negative battery cable.

    CAUTION
    After disconnecting the battery, wait for more than 1 minute for the SAS to deplete its stored energy.

  2. Drain the cooling system into a clean container for reuse.
  3. Discharge and recover the air conditioning system refrigerant.
  4. Place the wheel in the straight-ahead position and turn the ignition switch to LOCK.
  5. At the driver's side, remove the SAS module and the steering wheel removing or disconnecting the following:
  6. At the passenger's side, remove the SAS module by removing or disconnecting the following:
  7. Remove the instrument cluster by removing or disconnecting the following:
  8. Remove the climate control assembly by removing or disconnecting the following:
  9. Remove the audio unit by removing or disconnecting the following:
  10. Remove the instrument panel by removing or disconnecting the following:
  11. Remove the evaporator housing by removing or disconnecting the following:
  12. Remove or disconnect the following:
  13. Separate the heater housing and remove the heater core.

    Fig. 1: Exploded view of the steering wheel and SAS module-1998-00 626

    Fig. 2: Exploded view of the passenger's side SAS module-1998-00 626

    Fig. 3: View of the instrument cluster assembly-1998-00 626

    Fig. 4: Removing the audio unit-1998-00 626

    Fig. 5: View of the instrument panel assembly-1998-00 626

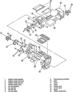
    Fig. 6: View of the heater and air conditioning housing assemblies-1998-00 626

    Fig. 7: Exploded view of the heater core and heater housing assembly-1998-00 626

    To install:

  14. Install the heater core and assemble the heater housing.
  15. Install or connect the following:
  16. Install the evaporator housing by installing or connecting the following:
  17. Install the instrument panel by installing or connecting the following:
  18. Install the audio unit by installing or connecting the following:
  19. Install the climate control assembly by installing or connecting the following:
  20. Install the instrument cluster by installing or connecting the following:
  21. At the passenger's side, install the SAS module by installing or connecting the following:
  22. At the driver's side, install the SAS module and the steering wheel by installing or connecting the following:
  23. Refill the cooling system.
  24. Connect the negative battery cable.
  25. Evacuate, charge and leak test the air conditioning system refrigerant.
  26. Operate the engine to normal operating temperatures; then, check the climate control system and check for leaks.

Previous Next