Previous Next

Millenia

REMOVAL AND INSTALLATION

  1. Disconnect the negative battery cable.

    CAUTION
    After disconnecting the battery, wait for more than 1 minute for the SAS to deplete its stored energy.

  2. Drain the cooling system into a clean container for reuse.
  3. Discharge and recover the air conditioning system refrigerant.
  4. At the driver's side, remove the SAS module and the steering wheel by removing or disconnecting the following:
  5. At the passenger's side, remove the SAS module by removing or disconnecting the following:
  6. Remove the rear console by removing or disconnecting the following:
  7. Remove or disconnect the following:
  8. Remove the evaporator housing by removing or disconnecting the following:
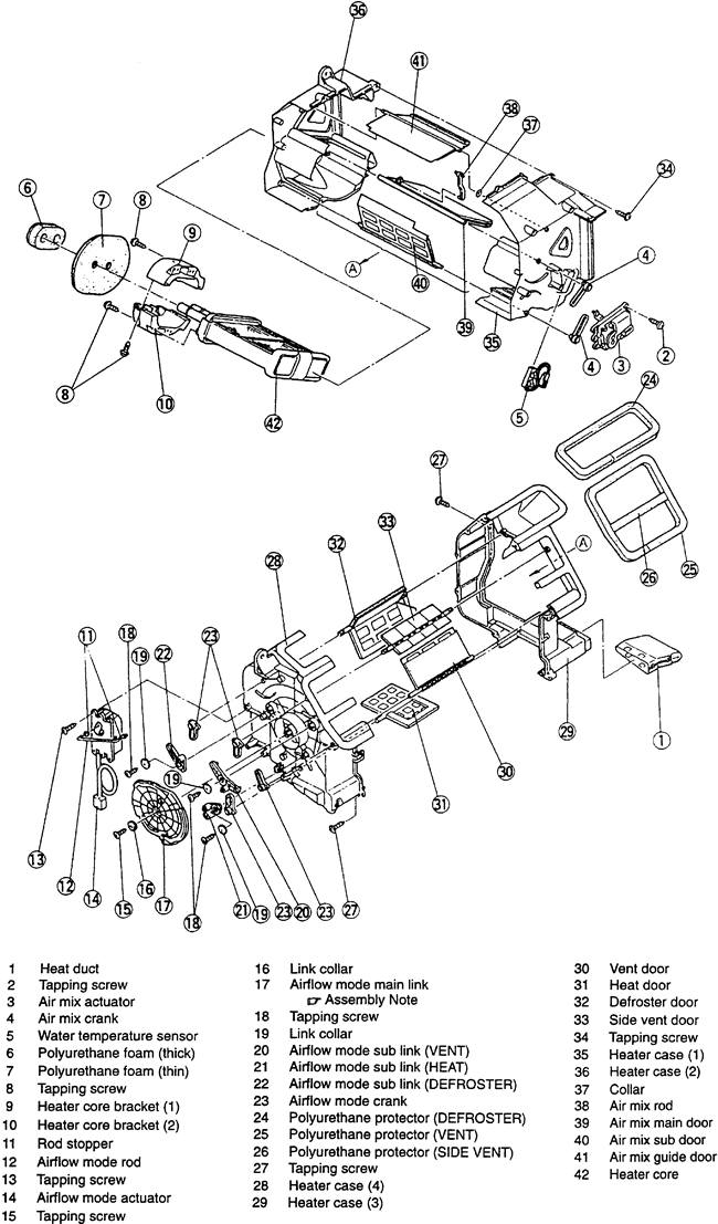
  9. Disconnect and remove the heater unit assembly.
  10. Separate the heater unit cases and remove the heater core.

    Fig. 1: Exploded view of the SAS module and steering wheel assembly-Millenia

    Fig. 2: Exploded view of the passenger's side SAS module-Millenia

    Fig. 3: Exploded view of the steering wheel and steering column assembly-Millenia

    Fig. 4: Exploded view of the instrument panel and rear console assemblies-Millenia

    Fig. 5: Exploded view of the heater core and heater case assembly-Millenia

    To install:

  11. Install the heater core and assemble the heater unit cases.
  12. Connect and install the heater unit assembly.
  13. Install the evaporator housing by installing or connecting the following:
  14. Install or connect the following:
  15. Install the rear console by installing or connecting the following:
  16. At the passenger's side, install the SAS module by installing or connecting the following:
  17. At the driver's side, install the SAS module and the steering wheel by installing or connecting the following:
  18. Refill the cooling system.
  19. Connect the negative battery cable.
  20. Evacuate, charge and leak test the air conditioning system refrigerant.
  21. Operate the engine to normal operating temperatures; then, check the climate control operation and check for leaks.

Previous Next