Energy-absorbing bumpers in some form, capable of absorbing impact up to 5 mph, have been required by law on passenger vehicles since the early 70's.
On cars of the 70's and 80's it took the form of a piston, charged with an inert gas and a cylinder filled with hydraulic fluid. The cylinder tube is crimped around the piston tube. The crimping is backed by a grease ring to prevent the entrance of moisture and/or dirt. The piston tube is attached to the bumper and the cylinder tube is attached to the frame. Extension is limited by a stop ring.
| Fig. 3: Vehicles of the 70's and early 80's used gas charged energy absorbing bumpers |
Some oil wetting is normal due to seepage of the grease ring behind the crimp. Hydraulic fluid leakage in the form of noticeable dripping indicates a failed unit.
Some scuffing of the piston is normal in average use. Obvious damage to the unit, such as dents or torn mounts, indicates a failed unit. Repair is not possible. Defective units must be replaced.
The hydraulic or gas charged bumpers worked as follows: On impact, the bumper makes contact with the barrier. As the bumper is pushed back, hydraulic fluid is pushed past the tapered metering pin, absorbing the impact. As the bumper is stopped, hydraulic fluid in the front chamber has forced the floating piston foreword, compressing the gas to return the bumper. On recovery, compressed gas forces the fluid to return to its original chamber and the bumper is returned to its original position.
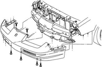
Vehicles of the 90's began took on more rounded shapes for increased aerodynamics and fuel efficiency. Many manufacturer's took this opportunity to reduce weight and cost by styling new crushable front bumpers made if lighter materials. These assemblies are normally made of an aluminum or steel crushable bumper covered with a plastic material (often painted to match the color of the body). In addition, the mounting units are designed to crush on impact. As an assembly, this offers the same or greater protection than the older hydraulic design. The added advantage comes with the reduced weight thus providing greater fuel economy to the vehicle.
| Fig. 4: By the 90's manufacturer's used stylish bumper covers . . . |
| Fig. 5: . . . to hide crushable, energy absorbing bumpers made from lighter materials |