Switches are used in electrical circuits to control the passage of current. The most common use is to open and close circuits between the battery and the various electric devices in the system. Switches are rated according to the amount of amperage they can handle. If sufficient amperage rated switch is not used in a circuit, the switch could overload and cause damage.
| Underhood fuse and relay panel |
Some electrical components which require a large amount of current to operate use a special switch called a relay. Since these circuits carry a large amount of current, the thickness of the wire in the circuit is also greater. If this large wire were connected from the load to the control switch, the switch would have to carry the high amperage load and the fairing or dash would be twice as large to accommodate the increased size of the wiring harness. To prevent these problems, a relay is used.
Relays are composed of a coil and a set of contacts. When the coil has a current passed though it, a magnetic field is formed and this field causes the contacts to move together, completing the circuit. Most relays are normally open, preventing current from passing through the circuit, but they can take any electrical form depending on the job they are intended to do. Relays can be considered "remote control switches." They allow a smaller current to operate devices that require higher amperages. When a small current operates the coil, a larger current is allowed to pass by the contacts. Some common circuits which may use relays are the horn, headlights, starter, electric fuel pump and other high draw circuits.
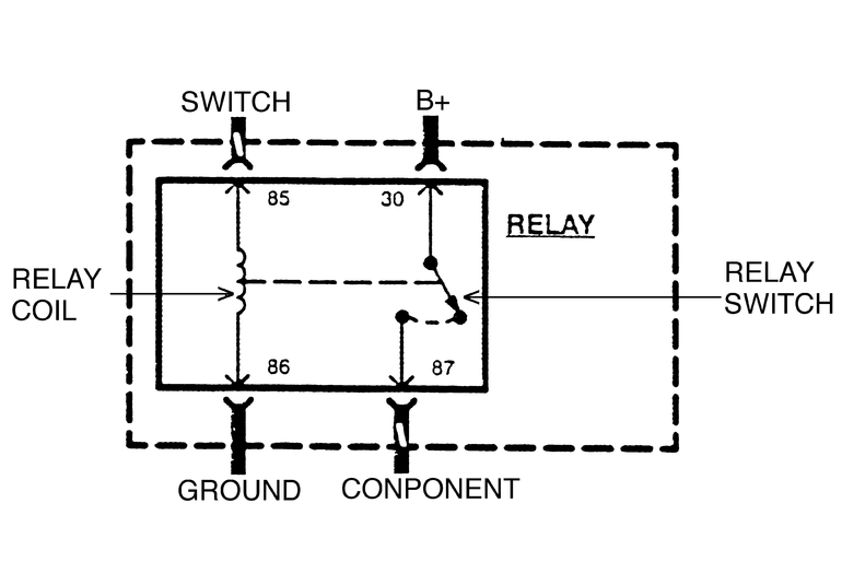
The internal components of a relay consist of a coil and a switch. These two components are linked together so that when one operates, the other operates at the same time. The large wires in the circuit are connected from the battery to one side of the relay switch (B+) and from the opposite side of the relay switch to the load (component). Smaller wires are connected from the relay coil to the control switch for the circuit and from the opposite side of the relay coil to ground
Every electrical circuit must include a "load'' (something to use the electricity coming from the source). Without this load, the battery would attempt to deliver its entire power supply from one pole to another. This is called a "short circuit." All this electricity would take a short cut to ground and cause a great amount of damage to other components in the circuit by developing a tremendous amount of heat. This condition could develop sufficient heat to melt the insulation on all the surrounding wires and reduce a multiple wire cable to a lump of plastic and copper.