Previous Next

REMOVAL & INSTALLATION

1986–89 RX-7

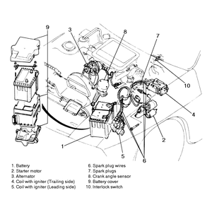
A distributorless ignition system was introduced on the RX-7 in 1986, which replaced the conventional electronic ignition system used on earlier models. The distributorless ignition system does not use a distributor, pick-up coil, reluctor or ignition module to control the ignition timing. This computerized system instead uses a crank angle sensor, two coil/igniter assemblies, and an electronic control unit.

The crank angle sensor is mounted in the top front of the crankshaft housing, and extends down toward the eccentric shaft on the crankshaft. The sensor detects the angle of the eccentric shaft and sends a reference signal to the control unit. This signal, in conjunction with other input signals, allows the computer to monitor the various engine operating conditions. The computer assimilates and uses this information to control the engine timing. The control unit varies the ignition timing by controlling the interruption of the current flow in the primary windings of the coil igniter units.

Fig. 1: Components of the distributorless ignition system — 1986–89 RX-7

Fig. 2: Crank angle sensor mounting — 1986–89 RX-7

  1. Rotate the engine so that the leading (yellow) timing mark on the pulley is aligned with the timing indicator pin.
  2. Matchmark the crank angle sensor with the front rotor housing using a piece of chalk or white crayon. These matchmarks must be neatly and accurately placed.
  3. Unplug the connector from the crank angle sensor.
  4. Loosen the locknut and pull the sensor straight out of the rotor housing. Cover the opening with masking tape to prevent anything from falling into the engine.
  5. Remove and discard the O-ring from the sensor.

    To install:

  6. Coat a new O-ring with a light film of clean engine oil and install it on the crank angle sensor.
  7. Insert the crank angle sensor into the front rotor housing opening and align the matchmarks, then install the locknut.
  8. Reattach the sensor's connector.
  9. Set the ignition timing, as described in Section 2 of this manual. Tighten the locknut to 70–96 inch lbs. (8–11 Nm).

Previous Next