Previous Next

VACUUM DIAGRAMS

Following is a compilation of vacuum diagrams for most of the engine and emissions package combinations covered by this manual. Because vacuum circuits will vary based on various engine and vehicle options, always refer first to the vehicle emission control information label, if present. Should the label be missing, or should the vehicle be equipped with a different engine than the car's original equipment, refer to the following diagrams for the same or similar configuration.

Fig. 1: Emission control systems — 1979 RX-7 (49 states)

If you wish to obtain a replacement emissions label, most manufacturers offer them for purchase. These labels can usually be ordered from a local dealer, though you will need to provide them with various serial number or calibration information.

Fig. 2: Emission control systems — 1979 RX-7 (California)

Fig. 3: Emission control systems — 1980 GLC (USA)

Fig. 4: Emission control systems — 1980 GLC (Canada)

Fig. 5: Emission control systems — 1980 RX-7 (49 states)

Fig. 6: Emission control systems — 1980 RX-7 (California)

Fig. 7: Emission control systems — 1981 GLC

Fig. 8: Emission control systems — 1981 GLC Wagon

Fig. 9: Emission control systems — 1981–82 RX-7

Fig. 10: Emission control systems — 1982 GLC and GLC Wagon

Fig. 11: Emission control systems — 1983 GLC and GLC Wagon (49 states)

Fig. 12: Emission control systems — 1983 GLC and GLC Wagon (California)

Fig. 13: Emission control systems — 1983 GLC and GLC Wagon (Canada)

Fig. 14: Emission control systems — 1983 626 (49 states)

Fig. 15: Emission control systems — 1983 626 (California and Canada)

Fig. 16: Emission control systems — 1983 RX-7

Fig. 17: Emission control systems — 1984–85 GLC (49 states)

Fig. 18: Emission control systems — 1984–85 GLC (California and Canada)

Fig. 19: Emission control systems — 1984–85 626 (49 states)

Fig. 20: Emission control systems — 1984–85 626 (California and Canada)

Fig. 21: Emission control systems — 1984–85 carbureted RX-7

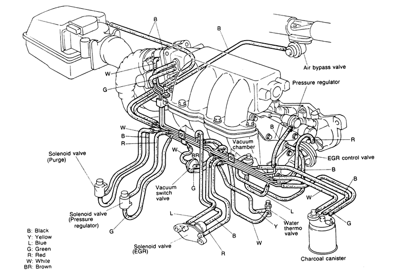
Fig. 22: Emission control systems — 1984–85 fuel injected RX-7

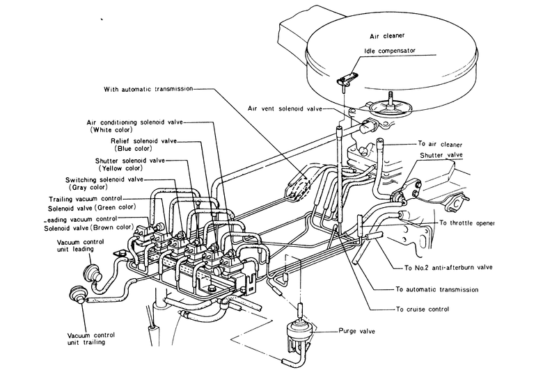
Fig. 23: Emission control systems — 1986–87 carbureted 323

Fig. 24: Emission control systems — 1986–87 fuel injected 323

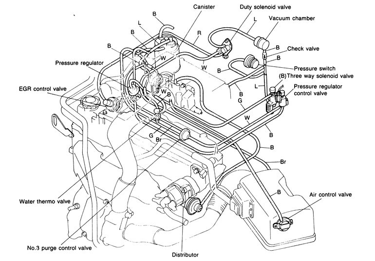
Fig. 25: Emission control systems — 1986–87 non-turbo 626

Fig. 26: Emission control systems — 1986–87 626 turbo

Fig. 27: Emission control systems — 1986–89 non-turbo RX-7

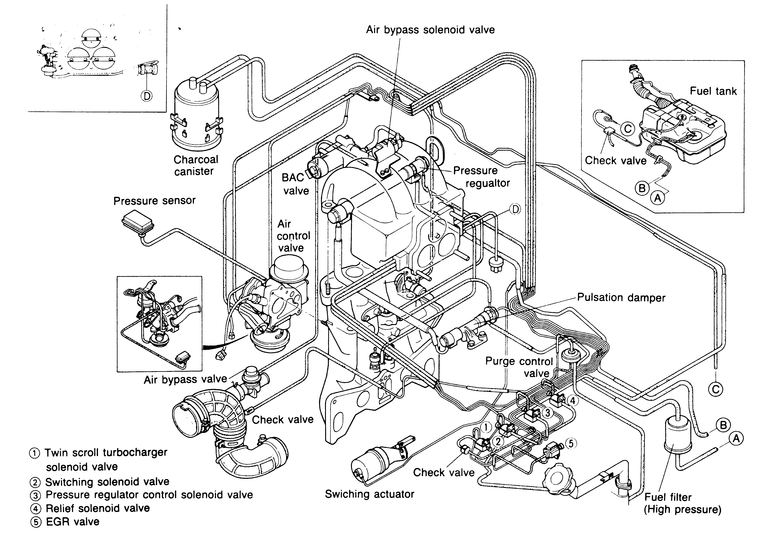
Fig. 28: Emission control systems — 1986–89 RX-7 turbo

Fig. 29: Emission control systems — 1988–89 non-turbo 323

Fig. 30: Emission control systems — 1988–89 323 turbo

Fig. 31: Emission control systems — 1988–89 non-turbo 626 and MX-6

Fig. 32: Emission control systems — 1988–89 626 and MX-6 turbo

Previous Next