Previous Next

REMOVAL & INSTALLATION

  1. Remove the radiator pressure cap.

    CAUTION
    Never remove the pressure cap while the engine is running, or personal injury from scalding hot coolant or steam may result. If possible, wait until the engine has cooled to remove the pressure cap. If this is not possible, wrap a thick cloth around the pressure cap and turn it slowly to the stop. Step back while the pressure is released from the cooling system. When you are sure all the pressure has been released, use the cloth to turn and remove the cap.

  2. Position a clean container under the radiator and/or engine draincock or plug, then open the drain and allow the cooling system to drain to an appropriate level. For some upper hoses, only a little coolant must be drained. To remove hoses positioned lower on the engine, such as a lower radiator hose, the entire cooling system must be emptied.

    CAUTION
    When draining coolant, keep in mind that cats and dogs are attracted by ethylene glycol antifreeze, and are quite likely to drink any that is left in an uncovered container or in puddles on the ground. This will prove fatal in sufficient quantity. Always drain coolant into a sealable container. Coolant may be reused unless it is contaminated or several years old.

  3. Loosen the hose clamps at each end of the hose requiring replacement. Clamps are usually either of the spring tension type (which require pliers to squeeze the tabs and loosen) or of the screw tension type (which require screw or hex drivers to loosen). Pull the clamps back on the hose away from the connection.
  4. Twist, pull and slide the hose off the fitting, taking care not to damage the neck of the component from which the hose is being removed.

    NOTE: If the hose is stuck at the connection, do not try to insert a screwdriver or other sharp tool under the hose end in an effort to free it, as the connection and/or hose may become damaged. Heater connections especially may be easily damaged by such a procedure. If the hose is to be replaced, use a single-edged razor blade to make a slice along the portion of the hose which is stuck on the connection, perpendicular to the end of the hose. Do not cut deep so as to prevent damaging the connection. The hose can then be peeled from the connection and discarded.

  5. Clean both hose mounting connections. Inspect the condition of the hose clamps and replace them, if necessary.

    To install:

  6. Dip the ends of the new hose into clean engine coolant to ease installation.
  7. Slide the clamps over the replacement hose, then slide the hose ends over the connections into position.
  8. Position and secure the clamps at least 14 in. (6.35mm) from the ends of the hose. Make sure they are located beyond the raised bead of the connector.
  9. Close the radiator or engine drains and properly refill the cooling system with the clean drained engine coolant or a suitable mixture of ethylene glycol coolant and water.
  10. If available, install a pressure tester and check for leaks. If a pressure tester is not available, run the engine until normal operating temperature is reached (allowing the system to naturally pressurize), then check for leaks.

    CAUTION
    If you are checking for leaks with the system at normal operating temperature, BE EXTREMELY CAREFUL not to touch any moving or hot engine parts. Once temperature has been reached, shut the engine OFF, and check for leaks around the hose fittings and connections which were removed earlier.

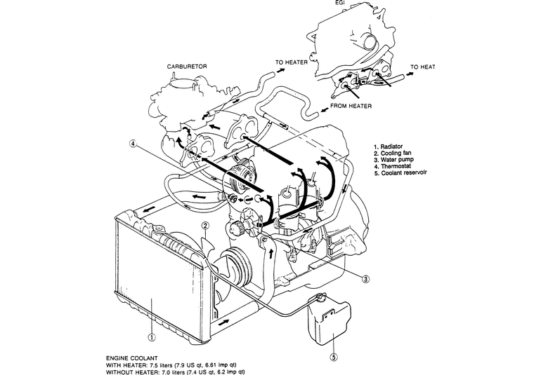
    Fig. 1: Coolant system components and hose routing — 2.2L engine

    Fig. 2: Coolant system components and hose routing — Pick-up with 2.6L engine

    Fig. 3: Coolant system components and hose routing — MPV with 2.6L engine

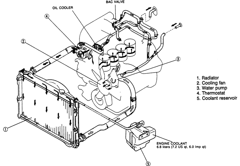
    Fig. 4: Coolant system components and hose routing — 3.0L engine

    Fig. 5: Heater hose routing — 4.0L engine

Previous Next