Previous Next

Description and Operation

Fig. 1: Distributor components for the 2.2L carbureted engine

Fig. 2: Distributor components for 1987–88 2.6L carbureted engine

Fig. 3: Distributor components for 1989 2.6L fuel injected engine

Fig. 4: Distributor components for 1990–93 2.2L fuel injected and 2.6L engines

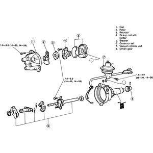
Fig. 5: Distributor components for 1989–91 3.0L engine

Fig. 6: Distributor components for 1992–93 3.0L engine

Electronic ignition systems offer many advantages over the old conventional breaker point type ignition system. By eliminating the points, maintenance requirements are greatly reduced. An electronic ignition system is capable of producing much higher voltage which in turn aids in starting, reduces spark plug fouling and provides better emission control. A basic electronic ignition system consists of a distributor with a signal generator, and ignition coil and an electronic igniter. The "signal generator'' is used to activate the electronic components of the igniter. It is located in the distributor and consists of three main components; the signal rotor, sometimes call a reluctor (do not confuse with the normal rotor located under the cap), the pickup coil, and the permanent magnet (breaker). The signal rotor revolves with the distributor shaft, while the pickup and the permanent magnet are stationary.As the signal rotor spins, the teeth on it pass a projection leading from the pickup coil. When this happens, voltage is allowed to flow through the system, firing the spark plugs. There is no physical contact and no electrical arcing, hence no need to replace burnt or worn parts. Fuel injected versions of the Pickup, from 1990, and 2.6L MPV models use a distributor mounted crank angle sensor in place of the usual distributor mounted electronic components. The most commonly replaced parts are the rotor and cap, which are still routine maintenance items. Other items, such as the pickup coil and signal rotor, are replaced when they fail. An air gap adjustment is possible only on the 1987–88 2.6L engine. Adjustments are not possible on later models.

Previous Next