Previous Next

STARTING SYSTEM

General Information

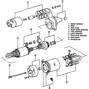
Fig. 1: Gear reduction type starter components

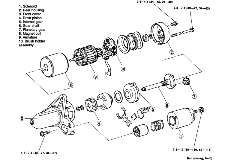
Fig. 2: Direct drive type starter components

The starting system is designed to rotate the engine at a speed fast enough for the engine to start. The starting system is comprised of the following components:

Heavy cables, connectors and switches are utilized by the starting system because of the large amount of amperage this system is required to handle while cranking the engine. For premium starter motor function, the resistance in the starting system must be kept to an absolute minimum.

A discharged or faulty battery, loose or corroded connections, or partially broken cables will result in slower-than-normal cranking speeds. The amount of damage evident may even prevent the starter motor from rotating the engine at all.

Vehicles equipped with a manual transmission are equipped with a Clutch Pedal Position (CPP) switch in the starter circuit, which is designed to prevent the starter motor from operating unless the clutch pedal is depressed. Vehicles equipped with automatic transmissions are equipped with a Park/Neutral Position (PNP) switch in the starter circuit. This switch prevents the starter motor from functioning unless the transmission range selector lever is in Neutral ( N) or Park ( P).

The starter motor is a 12 volt assembly, which has the starter solenoid mounted on the drive end-housing. The starter solenoid energizes when the relay contacts are closed. When the solenoid energizes, the starter drive engages with the flywheel ring gear, rotating the crankshaft and starting the engine. An overrunning clutch in the starter drive assembly protects the starter motor from excessive speed when the engine starts.

Previous Next