Previous Next

Radiator

REMOVAL & INSTALLATION

Pickup and MPV

Fig. 1: If necessary, remove the two air inlet duct mounting bolts . . .

Fig. 2: . . . then remove the air inlet duct from the engine compartment

Fig. 3: Using pliers or an equivalent tool, compress the upper radiator hose clamp and move the clamp away from the radiator, then disconnect the hose from the radiator

Fig. 4: Disconnect the rubber radiator-to-overflow tank hose at the radiator

Fig. 5: When removing the radiator, if equipped with an automatic transmission, disconnect the fluid cooler lines . . .

Fig. 6: . . . then plug the cooler lines and the openings in the radiator

  1. Drain the cooling system.

    CAUTION
    When draining the coolant, keep in mind that cats and dogs are attracted by the ethelyne glycol antifreeze, and are quite likely to drink any that is left in an uncovered container or in puddles on the ground. This will prove fatal in sufficient quantity. Always drain the coolant into a sealable container. Coolant should be reused unless it is contaminated or several years old.

  2. Remove the fresh air duct.
  3. Disconnect the upper and lower radiator hoses.
  4. Disconnect the coolant reservoir hose.
  5. If equipped with automatic transmission, disconnect the cooler lines.
  6. Remove the fan shroud.
  7. Remove the fan. Don't lay the fan, if equipped with a fan clutch, on its side. Fluid will be lost and the fan clutch will have to be replaced.
  8. Unbolt and remove the radiator.

    Fig. 7: On 4 cylinder equipped models, remove the purge solenoid valve and mounting bracket

    Fig. 8: Remove the left side radiator mounting bolts . . .

    Fig. 9: . . . then remove the two right side radiator mounting bolts

    Fig. 10: Lift the radiator and shroud assembly out of the vehicle, with the engine fan in the shroud opening

  9. Install the radiator against the supports and tighten the mounting bolts.
  10. Install the hoses and cooler lines on the radiator. Tighten the clamps.
  11. Install the fan.
  12. Install the fan shroud.
  13. Refill the cooling system with the specified amount and type of coolant. Run the engine and check for leaks.
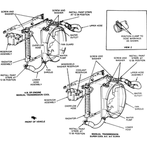
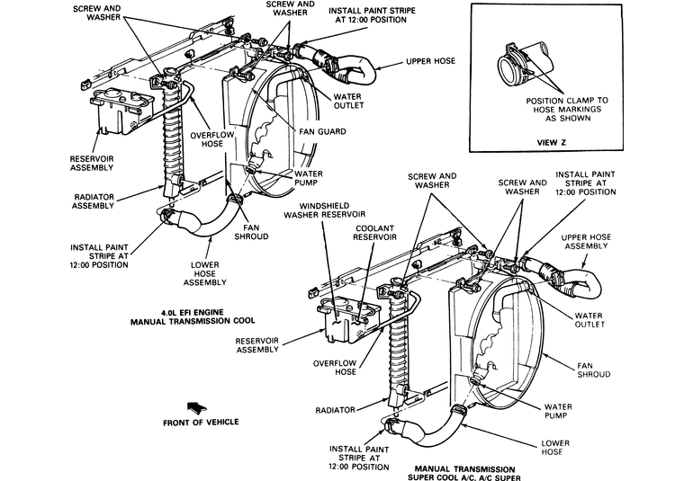
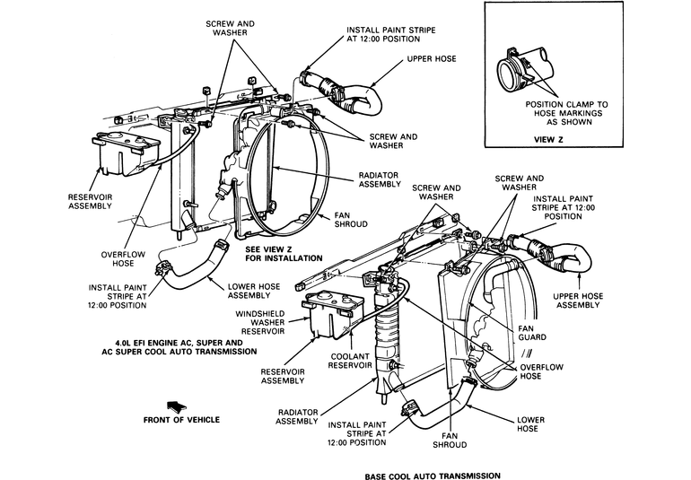
Navajo

Fig. 11: Radiator assembly removal/installation — automatic transmission

Fig. 12: Radiator assembly removal/installation — manual transmission

  1. Drain the cooling system. Remove the overflow tube from the coolant recovery bottle and from the radiator.

    CAUTION
    When draining the coolant, keep in mind that cats and dogs are attracted by the ethylene glycol antifreeze, and are quite likely to drink any that is left in an uncovered container or in puddles on the ground. This will prove fatal in sufficient quantity. Always drain the coolant into a sealable container. Coolant should be reused unless it is contaminated or several years old.

  2. Disconnect the transmission cooling lines from the bottom of the radiator, if so equipped.
  3. Remove the retaining bolts at the top of the shroud, and position the shroud over the fan, clear of the radiator.
  4. Disconnect the upper and lower hoses from the radiator.
  5. Remove the radiator retaining bolts or the upper supports and lift the radiator from the vehicle.
  6. Install the radiator in the reverse order of removal. Fill the cooling system and check for leaks.

Previous Next