Previous Next

Timing Belt Covers

REMOVAL & INSTALLATION

2.2L Engine

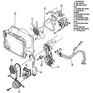
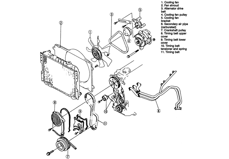
Fig. 1: Timing belt covers and timing belt removal/installation

  1. Disconnect the negative battery.
  2. Remove the cooling fan.
  3. Remove the cooling fan shroud.
  4. Remove the drive belts.
  5. Remove the cooling fan pulley and bracket.
  6. If carbureted, remove the secondary air pipe assembly.
  7. Unbolt the crankshaft pulley and remove the upper and lower timing belt covers.
  8. Installation is the reverse of removal.
3.0L Engine
  1. Disconnect the negative battery cable, and drain the cooling system.
  2. Drain the engine coolant.
  3. Remove the air cleaner duct assembly.
  4. Remove the cooling fan and radiator shroud.
  5. Remove the accessory drive belt.
  6. Remove the A/C compressor idler pulley.
  7. Remove the crankshaft pulley.
  8. Remove the coolant bypass and upper radiator hoses.
  9. Remove the timing belt covers.

    Fig. 2: Remove the A/C compressor belt idler pulley assembly

    Fig. 3: Remove the cooling system bypass hose between the upper and lower hoses at the engine

    Fig. 4: Disconnect the upper radiator hose at the engine

    Fig. 5: Remove the mounting fasteners, then remove the left side timing belt cover

    Fig. 6: Note the locations of the timing belt cover mounting fasteners

    Fig. 7: Ater removing the mounting fasteners, remove the right side timing belt cover

    To install:

  10. Install the timing belt covers and cover gaskets. Tighten the timing belt cover fasteners to 70–95 inch lbs. (8–11 Nm).
  11. Install the coolant bypass and upper radiator hoses. Tighten the hose clamps.
  12. Install the crankshaft pulley.
  13. Install the A/C compressor idler pulley.
  14. Install the accessory drive belt.
  15. Install the cooling fan and the radiator shroud.
  16. Install the air cleaner duct assembly.
  17. Fill and bleed the cooling system.
  18. Connect the negative battery cable.
  19. Run the engine and check for leaks and proper operation. Check the idle speed and the ignition timing.

Previous Next