Previous Next

Water Pump

REMOVAL & INSTALLATION

2.2L Engine

Fig. 1: Water pump assembly

NOTE: Use special tool No. 49E301060 or equivalent on the engine flywheel gear to stop the engine from rotating during removal and installation of the crankshaft pulley.

  1. Drain the cooling system.

    CAUTION
    When draining the coolant, keep in mind that cats and dogs are attracted by the ethylene glycol antifreeze, and are quite likely to drink any that is left in an uncovered container or in puddles on the ground. This will prove fatal in sufficient quantity. Always drain the coolant into a sealable container. Coolant should be reused unless it is contaminated or several years old.

  2. Disconnect the negative battery cable.
  3. Remove the alternator belt.
  4. Remove the power steering pump belt.
  5. Remove the upper and the lower timing belt covers.
  6. Turn the crankshaft to position the A mark on the camshaft pulley with the mark on the housing.
  7. Remove the crankshaft pulley mounting bolts and the pulley.
  8. Remove the tensioner pulley lock bolt, the pulley and the spring.
  9. Remove the water inlet pipe from the water pump.
  10. Remove the water pump retaining bolts. Remove the water pump from its mounting.
  11. Thoroughly clean the mounting surfaces of the pump and engine.
  12. Install the components in the reverse order.
  13. Use new O-rings and gaskets when installing the pump. Use a new O-ring and 3 rubber seals.
  14. Tighten the water pump mounting bolts to 14–19 ft. lbs. (19–25 Nm).
  15. Install the timing belt, tensioner and spring.
  16. Fill the cooling system and check the timing.
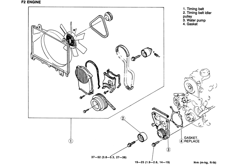
2.6L Engine
1987-88

Fig. 2: Water pump assembly

  1. Drain the cooling system.

    CAUTION
    When draining the coolant, keep in mind that cats and dogs are attracted by the ethylene glycol antifreeze, and are quite likely to drink any that is left in an uncovered container or in puddles on the ground. This will prove fatal in sufficient quantity. Always drain the coolant into a sealable container. Coolant should be reused unless it is contaminated or several years old.

  2. Remove the radiator hose, by-pass hose and heater hose from the water pump.
  3. Remove the drive pulley shield.
  4. Remove the locking screw and pivot screws.
  5. Remove the drive belt and water pump from the engine.
  6. Install a new O-ring gasket in O-ring groove of pump body assembly to cylinder block.
  7. Position the water pump assembly against the engine and install the mounting fasteners.
  8. Tighten the water pump mounting fasteners to 14–19 ft. lbs. (19–25 Nm).
  9. Install the water pump drive belt and adjust to specification.
  10. Install drive belt pulley cover.
  11. Install the radiator hose, by-pass hose and heater hose.
  12. Fill the cooling system.
1989-93
  1. Disconnect the battery ground.
  2. Drain the cooling system.

    CAUTION
    When draining the coolant, keep in mind that cats and dogs are attracted by the ethylene glycol antifreeze, and are quite likely to drink any that is left in an uncovered container or in puddles on the ground. This will prove fatal in sufficient quantity. Always drain the coolant into a sealable container. Coolant should be reused unless it is contaminated or several years old.

  3. Remove the accessory drive belts.
  4. Remove the fan and shroud.
  5. Remove the water pump pulley.
  6. Unbolt and remove the water pump.
  7. Thoroughly clean the gasket mounting surfaces.
  8. Using a new gasket coated with sealer, position the water pump on the engine. Tighten the bolts to 14–19 ft. lbs. (19–25 Nm).
  9. Install all the remaining parts.
  10. Fill the cooling system.
  11. Run the engine and check for leaks.
3.0L Engine
  1. Position the engine at TDC on the compression stroke.
  2. Properly relieve the fuel system pressure.
  3. Disconnect the negative battery cable.
  4. Remove the air cleaner assembly.
  5. Drain the cooling system.
  6. Remove the spark plug wires.
  7. Remove the fresh air duct assembly.
  8. Remove the cooling fan and radiator cowling.
  9. Remove the drive belts.
  10. Remove the air conditioning compressor idler pulley. If necessary, remove the compressor and position it to the side.
  11. Remove the crankshaft pulley and baffle plate.
  12. Remove the coolant bypass hose.
  13. Remove the upper radiator hose.
  14. Remove the timing belt cover assembly retaining bolts.
  15. Remove the timing belt cover assembly and gasket.
  16. Turn the crankshaft to align the mating marks of the pulleys.
  17. Remove the upper idler pulley.
  18. Remove the timing belt. If reusing the belt be sure to mark the direction of rotation.
  19. Remove the timing belt auto tensioner.

    Fig. 3: Remove the water pump pulley

    Fig. 4: Remove the water pump assembly from the engine

    Fig. 5: Clean the water pump-to-engine mating surface of all gasket material

  20. Unbolt and remove the water pump. Discard the gasket.
  21. Thoroughly clean the mating surfaces of the pump and engine.

    To install:

  22. Position the pump and a new gasket, coated with sealer, onto the engine. Tighten the bolts to 14–19 ft. lbs. (19–25 Nm).
  23. Install the timing belt.
  24. Install the timing belt cover assembly.
  25. Install the upper radiator hose.
  26. Install the coolant bypass hose.
  27. Install the crankshaft pulley and baffle plate.
  28. Install the compressor.
  29. Install the air conditioning compressor idler pulley.
  30. Install and adjust the drive belts.
  31. Install the cooling fan and radiator cowling.
  32. Install the fresh air duct assembly.
  33. Install the spark plug wires.
  34. Fill the cooling system.
  35. Install the air cleaner assembly.
  36. Connect the negative battery cable.
4.0L Engine
  1. Drain the cooling system.

    CAUTION
    When draining the coolant, keep in mind that cats and dogs are attracted by the ethylene glycol antifreeze, and are quite likely to drink any that is left in an uncovered container or in puddles on the ground. This will prove fatal in sufficient quantity. Always drain the coolant into a sealable container. Coolant should be reused unless it is contaminated or several years old.

  2. Remove the lower radiator hose.
  3. Disconnect the heater hose at the pump.
  4. Remove the fan and fan clutch assembly.
  5. Loosen the alternator mounting bolts and remove the belt. On vehicles with air conditioning, remove the alternator and bracket.
  6. Remove the water pump pulley.
  7. Remove the attaching bolts and remove the water pump.

    To install:

  8. Clean the mounting surfaces of the pump and front cover thoroughly. Remove all traces of gasket material.
  9. Apply adhesive gasket sealer to both sides of a new gasket and place the gasket on the pump.
  10. Position the pump on the cover and install the bolts finger-tight. When all bolts are in place, torque them to 72–108 inch lbs. (8–12 Nm).
  11. Install the pulley.
  12. On vehicles with air conditioning, install the alternator and bracket.
  13. Install and adjust the drive belt.
  14. Connect the hoses and tighten the clamps.
  15. Install the fan and clutch assembly.
  16. Fill and bleed the cooling system. Start the engine and check for leaks.

Previous Next